Skip to content

Фотогалерея

  • Главная
  • Контакты

Ta8127n datasheet на русском

TA8127N AM/FM Tuner IC - Datasheet

TA8127N datasheet(11/16 Pages) TOSHIBA | 3V AM/FM 1CHIP TUNER IC

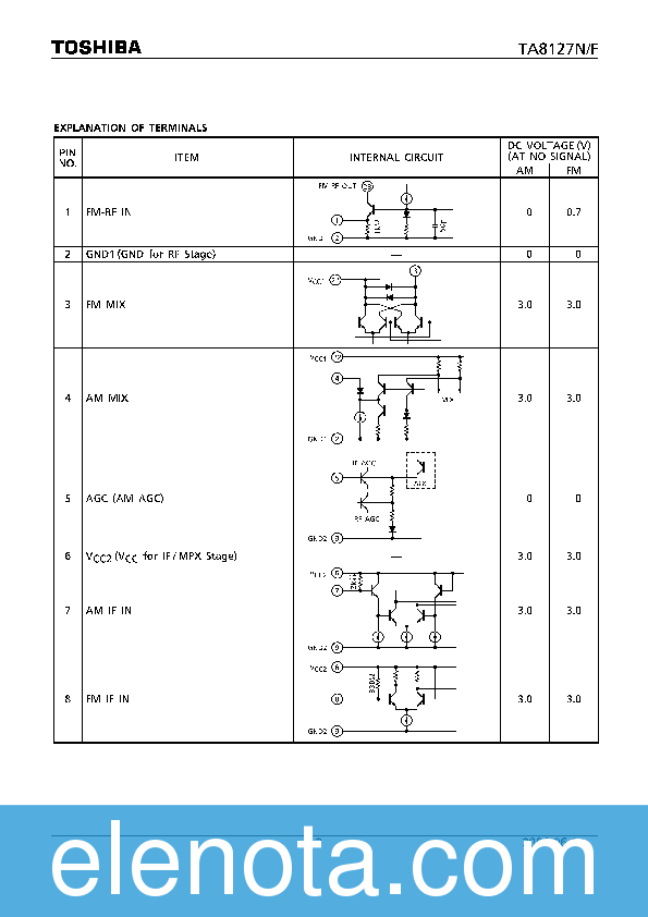
TA8127N datasheet(6/16 Pages) TOSHIBA | 3V AM/FM 1CHIP TUNER IC

TA8127N Datasheet PDF (532 KB) Toshiba | Pobierz z Elenota.pl

TA8127N Datasheet PDF (532 KB) Toshiba | Pobierz z Elenota.pl

TA8127N datasheet(15/16 Pages) TOSHIBA | 3V AM/FM 1CHIP TUNER IC

TA8127N AM/FM Tuner IC - Datasheet

Lm258 datasheet на русском схема включения - 88 фото

Lm358 datasheet на русском pdf: datasheet на русском, применение ...

Ir2113s datasheet на русском схема - 95 фото

Tm1628 схема включения и datasheet на русском

Tm1628 схема включения и datasheet на русском

Ir2113s datasheet на русском схема - 95 фото

TA8127N AM/FM Tuner IC - Datasheet

Smd транзистор k72 datasheet на русском

Магнитола сони dsx a416bt инструкция на русском - 88 фото

Interfacing RCWL-0516 Doppler Radar Sensor With Arduino, 52% OFF

Ir2113s datasheet на русском схема - 95 фото

После 30 години целосно е реконструирана улицата ,,Марко Орешковиќ” со ...

Lm358 datasheet на русском pdf: datasheet на русском, применение ...

KP1040E_317765.PDF Datasheet Download --- IC-ON-LINE

Bta12 600 datasheet на русском схема включения - 90 фото

TA8127N (Toshiba) - 3V AM/FM 1CHIP TUNER IC | HTML.datasheet

Русский национальный костюм шаблон

TA8127N (Toshiba) - 3V AM/FM 1CHIP TUNER IC | HTML.datasheet

An6884 datasheet на русском

Plato DTS Datasheet | Darcy Partners

TA7299P Datasheet, Audio IC.

Tm1628 схема включения и datasheet на русском

Взгляд из Великобритании 1940 года на итальянские боевые самолеты ...

Sma Sunny Boy Datasheet Wholesale Discount | www.oceanproperty.co.th

datasheet_30_kevineeg | Kaggle

TA8127N and TA8127F--the single chip reception integrated circuit ...

Концерт на Александра Јанева во Крива Паланка - Сите вести на едно место

Наконец-то потеплело на улице. Всем хорошего, тёплого денёчка 🎉🔆

  • Вперед Темы для проекта по биологии 9 класс для допуска к огэ
  • Назад Схема обороны города

Новые страницы

Цеф 3 рецепт

Дпм 31

Душ для мойки посуды

Дворец спорта самара афиша

Как проколоть язык в домашних условиях

Какой спортивный способ плавания самый медленный

Клише с образцом подписи сканворд 9 букв

Кроссворд по алгоритмам

Купить паджеро спорт иркутск

Лечение парапроктита

Маленькие рисунки гуашью простые

На рисунке в одном и том же масштабе изображены сердечник трансформатора

Образец апелляционной жалобы по гражданскому делу на решение районного суда

Она взглянула и воскликнула это казбич

Павлодар река иртыш

Пляж карон в тайланде

Пословица о азбуке

Предохранитель на панель приборов нива шевроле

Приказ по смерти сотрудника образец увольнение

Распиновка эбу поло

Разбор слова по звукам цветовая схема

Разборка газелей у петровича воронеж

Сахарница картинка для детей

Sportexpress

Такси голубицкая телефон

Tl866ii

Вечный огонь на прозрачном фоне для презентации

Вес увеличился после силовых тренировок

Заглушка ду 50

Замена ступичного подшипника солярис передний

cdn.zecar.ru