Skip to content

Фотогалерея

  • Главная
  • Контакты

Схема подключения nissan

Схема подключения nissan. Магнитола Nissan PP-3000t-b схема. Разъем автомагнитолы Nissan 2007. Распиновка магнитолы Nissan x-Trail t31. Распиновка магнитолы Ниссан х Трейл т31.

Схема подключения nissan. Схема Nissan connect 2. Схема подключения магнитолы Ниссан х Трейл т31. Схема подключения аудиосистемы Nissan x Trail t 30. Схема подключения магнитолы Ниссан х Трейл т30.

Схема подключения nissan. Схема панели приборов Nissan Bluebird Sylphy. Схема панели приборов Ниссан Блюберд Силфи. Панель приборов Ниссан Блюберд Силфи 2001 распиновка. Распиновка приборной панели Nissan Bluebird Sylphy.

Схема подключения nissan. Схема подключения обогрева сидений Ниссан. Nissan Almera подогрев сидений схема. Схема подключения подогрев сидений Ниссан Кашкай. Подогрев сидений Nissan x-Trail схема.

Схема подключения nissan. Схема электропроводки Nissan Qashqai j10. Реле системы зажигания Nissan Qashqai j10. Электрическая схема Ниссан х-Трейл т32. Схема электрооборудования Ниссан Кашкай 2008.

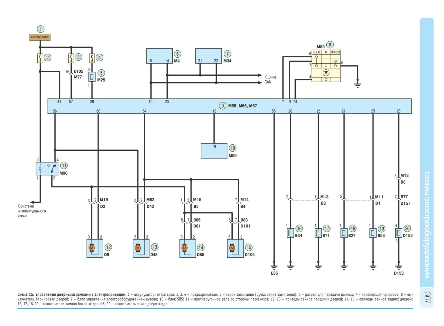
Схема подключения nissan. Ниссан схема центрального замка. Реле центрального замка Nissan Sunny. Нтсан од схема центрального замка. Реле центрального замка Ниссан Санни fb15.

Схема подключения nissan. Схема подключения противотуманок Альмера Классик. Схема подключения противотуманок Ниссан Альмера Классик. Схема подключения ПТФ Ниссан Альмера Классик. Схема подключения туманки на Ниссан Альмера Классик.

Схема подключения nissan. Магнитола Nissan PP-3000t-b схема. Автомагнитола Nissan PN 1675d. Разъем магнитолы Nissan Tiida 11. Разъемы магнитолы Ниссан PP 2804t.

Схема подключения nissan. Электрическая схема Ниссан Мурано z50. Блок управления двигателем Nissan Qashqai. Схема электропроводки Ниссан Мурано z50. Электрическая схема центрального замка Ниссан х Трейл т30.

Схема подключения nissan. Max DRL 2+ Controller. Peugeot 308 2011 электросхема ДХО. Схема китайского контроллера ДХО. Блок управления ДХО Ниссан Кашкай j11.

Схема подключения nissan. Электрическая схема Nissan Terrano 1. Блок управления центральным замком Террано 2. ТПС тд27т датчик схема. Датчик ТПС Террано 21.

Схема подключения nissan. Схема штатной магнитолы Ниссан х Трейл т30. Распиновка штатной магнитолы Nissan x Trail т31. Распиновка магнитолы Ниссан х Трейл т30. Nissan x-Trail схема подключения магнитолы.

Схема подключения nissan. Электрическая схема Ниссан Кашкай j10. Электрическая схема фар Ниссан Кашкай j10. Электросхема Nissan Qashqai j10. Схема омывателей Ниссан х-Трейл т31.

Схема подключения nissan. Nissan j10 Qashqai электросхема вентилятор. Схема подушек безопасности Nissan j11. Схема стеклоподъёмников Nissan Qashqai j10. Схема подключения подушки безопасности.

Схема подключения nissan. Электросхема Nissan Micra k12. Электрическая схема Nissan Micra k11. Micra k12 электросхема. Ниссан Микра к12 электросхемы.

Схема подключения nissan. Разъем магнитолы Ниссан 2004. Схема подключения магнитолы Ниссан Альмера. Схема подключения автомагнитолы Ниссан Альмера н16. Распиновка магнитолы Альмера Классик.

Схема подключения nissan. Схема стеклоподъёмников Ниссан Сентра 2014. Схема подключения электропривода зеркал Мицубиси Мираж.

Схема подключения nissan. Проводка Ниссан Кашкай j10 для фаркопа. Проводка ТСУ Кашкай j10. Nissan Qashqai 11 фаркоп. Подключить розетку для фаркопа на Ниссан Кашкай 2008.

Схема подключения nissan. Схема подключения обогрева сидений Ниссан. Ниссан Кашкай схема подогрева сидений. Принципиальная схема электрообогрева сидений. Nissan подогрев сидений схема.

Схема подключения nissan. Схема подключения блока управления камерами.

Схема подключения nissan. Кан шина Ниссан Кашкай j10. Can шина Ниссан Кашкай j11. Схема подключения магнитолы Кашкай j10. Схема подключения магнитолы Ниссан Кашкай j10.

Схема подключения nissan. Принципиальная схема иммобилайзера. Магнитола Nissan x Trail t30 схема. Nissan x-Trail схема подключения магнитолы. Усилитель Bose Nissan Qashqai j10 схема.

Схема подключения nissan. Nissan Qashqai схема электрооборудования. Электрическая схема Ниссан Кашкай j10. Электрическая схема Ниссан Кашкай j11. Схема электрооборудования Ниссан Кашкай 2008.

Схема подключения nissan. Схема приборной панели Nissan Sunny. Qg15 датчик скорости. Датчик спидометра Ниссан Санни fb15. Схема щитка приборов Ниссан Альмера n16.

Схема подключения nissan. Хема кнопок на рулу Нисса х Трейл. Схема подключения кнопок мультируля Ниссан х-Трейл т31. Схема подключения кнопки на руле Ниссан х-Трейл. Кнопки руля Ниссан х-Трейл т31 распиновка.

Схема подключения nissan. Распиновка автомагнитолы Nissan. Nissan x Trail t32 схема. Распиновка магнитолы Nissan t32. Схема подключения магнитолы Nissan x-Trail t32.

Схема подключения nissan. Схема подогрева сидений Ниссан Кашкай j11. Nissan Qashqai схема вентилятора охлаждения. Ниссан Кашкай j10 схема подключения отопителя. Схема звукового сигнала Ниссан Кашкай j10.

Схема подключения nissan. Схема электрооборудования Nissan Expert 2003. Электрическая схема Ниссан эксперт 2001. Ниссан ад 2000 год схема электрооборудования. Схема электрооборудования Ниссан эксперт.

Схема подключения nissan. Ниссан х-Трейл 2008 схема камеры заднего хода. Распиновка камеры Ниссан.

Схема подключения nissan. Электрические схемы Nissan Note. Схема электрооборудования Ниссан ноут 1.6. Схема электрическая Ниссан ноут е11. Электросхема Ниссан ноте е11.

Схема подключения nissan. Электрическая схема Ниссан Кашкай j10. Схема электрооборудования Ниссан Кашкай 2013. Схема электрооборудования Ниссан Кашкай j10. Схема подключения стеклоочистителя Ниссан Кашкай j10.

Схема подключения nissan. Схема подключения монитора Ниссан примера р12.

Схема подключения nissan. Электросхема Ниссан Санни fb15 2002г. Схема электрооборудования Nissan Expert 2003. Электросхема Nissan Sunny fb15. Схема электрооборудования Ниссан Санни fb15.

Схема подключения nissan. Nissan Tiida 2011 схема электрооборудования. Схема климат контроля вид сзади Ниссан ноут 2010 год. Распиновка блока зеркал Nissan Note e11. Схема кнопок руля Ниссан ноут e11.

Схема подключения nissan. Разъем магнитолы Nissan x-Trail t32. Разъем штатного микрофона Ниссан х+Трейл т31. Разъем магнитолы Nissan connect 1 Bosch. Схема распиновки разъема магнитолы Nissan x-Trail t30.

Схема подключения nissan. Электросхемы Nissan x Trail t31. Подогрев сидений х Трейл т30. Схема обогрева сидений Nissan x Trail. Электросхемы Ниссан х-Трейл т31.

Схема подключения nissan. Nissan Juke 2011 электросхема управления двигателем. Электрические схемы Nissan Note 1.4. Схема электрооборудования Nissan Expert 2003. Nissan Tiida 2008 электросхема.

Схема подключения nissan. Усилитель руля электро Ниссан. Схема блока управления электроусилителя руля. Электроусилитель руля схема электрическая. Электроусилитель руля Ниссан х-Трейл т31 схема.

Схема подключения nissan. Электросхема Nissan Micra k12. Электрическая схема Nissan Micra k11. Micra k12 электросхема. Электросхемы Марч к12.

Схема подключения nissan. Блок управления стеклоподъемниками Nissan Wingroad схема. Блок управления стеклоподъёмниками Nissan Note схема. Схема стеклоподъемников Ниссан куб 10 кузов. Блок электрооборудования Ниссан Кашкай j10.

Схема подключения nissan. Блок интеллектуального модуля распределения питания Nissan x-Trail t32. Nissan Tino схема генератора. Ниссан Тино система запуска двигателя. Ниссан Жук касса проводка мотор.

Схема подключения nissan. Nissan Qashqai схема электрооборудования. Схема стоп сигналов Nissan. Схема электрооборудования Ниссан Кашкай 2008. Схема подключения сигнала Ниссан Кашкай j10.

Схема подключения nissan. Электрическая схема Ниссан Тиида 2008. Схема блока стеклоподъемника Ниссан. Электрическая схема Ниссан Тиида с11. Распиновка блока зеркал Ниссан.

Схема подключения nissan. Схема электропроводки Ниссан Сентра 2015. Электрическая схема Ниссан Сентра. Ниссан Патфайндер r51 доводчик стёкол. Схема подключения блока доводчика стекол.

Схема подключения nissan. Распиновка магнитолы Ниссан AGC-0071rf распиновка. Схема динамиков х Трейл т31. AGC-0071rf схема. Nissan x-Trail т31 схема.

Схема подключения nissan. Схема подключения магнитолы кнопки на руле Ниссан. Схема подключения мультируля к магнитоле. Схема подключения магнитолы Ниссан Микра к12. Подключение кнопок руля Nissan Note.

Схема подключения nissan. Nissan primera p10 электросхема. Nissan primera p12 схема электрическая. Nissan primera p12 электросхема. Схема стеклоомывателя p12.

Схема подключения nissan. Схема электрооборудования Ниссан Кашкай 2008. Схема электрооборудования Ниссан Кашкай j10. Реле системы зажигания Nissan Qashqai j11. Электрическая схема Ниссан Кашкай j10.

Схема подключения nissan. Схема противотуманных фар Ниссан Qashqai j10. Схема противотуманных фар Ниссан Кашкай j10. Ниссан Кашкай 2010 схема включения ПТФ. Схема проводки противотуманок на Ниссан Кашкай 2013г.

Схема подключения nissan. Схема электрооборудования Ниссан Тиида 2007-2011. Nissan Tiida 2008 схема электрооборудования. Ниссан Тиида с11 схема электрооборудования. Nissan Tiida 2011 схема электрооборудования.

Схема подключения nissan. Схема электрическая Ниссан ноут е11. Электрическая схема отопителя Ниссан ноут. Ниссан ноут электросхема отопителя. Ниссан ноут схема электрооборудования.

Схема подключения nissan. Блок управления стеклоподъемниками Nissan Wingroad схема. Схема стеклоподъемников Ниссан ад 2002г. Ниссан куб 1999 распиновка блока стеклоподъемников. Ниссан куб 2002 распиновка блока стеклоподъемников.

Схема подключения nissan. Система зарядки Ниссан mr20de. Ниссан Кашкай схема. Схема подключения генератора Кашкай. Схема генератора Ниссан Кашкай 2012.

Схема подключения nissan. Электросхема Nissan Micra k12. Электрическая схема Nissan Micra k10. Micra k12 электросхема. Электрическая схема Nissan March k12.

Схема подключения nissan. Электрическая схема Ниссан вингроуд y11. Реле обогрева заднего стекла Ниссан. Nissan Wingroad y11 электросхема. Электрическая схема Nissan Wingroad.

Схема подключения nissan. Схема штатной магнитолы Ниссан х Трейл т30. Распиновка магнитолы CF-7beu. Японская магнитола схема Nissan. Схема штатной магнитолы Ниссан х Трейл т31.

Схема подключения nissan. Электрические схемы Nissan Almera н16. Nissan Almera n16 схема электрооборудования. Nissan Almera n15 электрическая схема. Схема включения кондиционера Ниссан Альмера n16.

Схема подключения nissan. Электросхемы Nissan a32. Электрические схемы Nissan Note 1.4. Схема электрооборудования Ниссан ноте е11. Электросхема Nissan Avenir.

Схема подключения nissan. Схема электрооборудования Ниссан х-Трейл т30. Схема электрооборудования Ниссан Кашкай j10. Электрическая схема Ниссан Кашкай j10. Блок управления двигателем Ниссан Кашкай.

Схема подключения nissan. Ниссан ноут задний дворник схема. Электрическая схема заднего дворника Ниссан нот. Электрические схемы Nissan Note. Электрическая схема Nissan Note e11.

Схема подключения nissan. Nissan Qashqai 2010 провод сигнала. Схема подключения динамиков на Ниссан х-Трейл т31. Разъем магнитолы Nissan x-Trail t32. Nissan x Trail t32 схема.

Схема подключения nissan. Электропроводка Ниссан Кашкай j10. Электросхема Кашкай j10. Nissan Qashqai поворотник схема. Электрическая схема автомобиля Ниссан Кашкай 2008.

Схема подключения nissan. Бортовой компьютер Мультитроникс схема подключения. Схема подключения Multitronics vg1031. Multitronics RC-700 схема подключения. Мультитроникс vg1031 схема подключения.

Схема подключения nissan. Схема подключения динамиков на Ниссан х-Трейл т31. Схема подключения магнитолы Ниссан х Трейл т30. Схема Nissan connect 2. Схема подключения Nissan connect x-Trail t31.

Схема подключения nissan. Подогрев сидений Ниссан Альмера 2014-2015 схема электрическая. Схема обогрева сидений Ниссан Кашкай j10. Схема обогрева сидений Ниссан. Обогрев сидений x-Trail 3 схема.

Схема подключения nissan. Усилитель звука Bose на Ниссан Кашкай j10. Схема усилителя Bose Nissan. Усилитель Bose Nissan Qashqai j10 схема. Схема акустики Qashqai j10.

Схема подключения nissan. Схема заряда АКБ Ниссан Санни. Схема подключения генератора Ниссан Альмера н16. Nissan Almera схема подключения генератора. Электрические схемы Nissan Almera н16.

Схема подключения nissan. Схема электрооборудования Ниссан ноте е11. Электросхема ПТФ Nissan Tiida. Электросхема Nissan Tiida c11. Схема электрическая Ниссан ноут е11.

Схема подключения nissan. Распиновка автомагнитолы Nissan x Trail t30. Распиновка магнитолы Nissan 25915. Распиновка магнитолы Nissan Murano z50. Распиновка на магнитолу х-Трейл т30.

Схема подключения nissan. Nissan PP-3000t-b. Распиновка разъема магнитолы Кашкай j10. Nissan Qashqai магнитола разъемы. Разъем магнитолы Ниссан Кашкай j10.

Схема подключения nissan. Nissan Pathfinder реле стартера. Nissan Pathfinder схем замок. Электрическая схема Ниссан Патфайндер r51 дизель. Ниссан Патфайндер 2005 дизель 2.5 разъемы АКПП.

Схема подключения nissan. Схема подключения ДХО через стабилизатор напряжения. Схема подключения ПТФ через ручник. Схема кнопки Nissan противотуманки. Схема подключения ходовых огней Nissan x Trail t 31.

Схема подключения nissan. Nissan Tiida 2008 электросхема. Nissan Tiida 2011 схема электрооборудования. Реле системы зажигания Nissan Qashqai j10. Nissan Tiida 2008 схема электрооборудования.

Схема подключения nissan. Схема электрооборудования Ниссан Кашкай 2008. Nissan Qashqai схема электрооборудования. Реле зажигания Nissan Qashqai j10. Электросхема Nissan Qashqai j10.

Схема подключения nissan. Ниссан Марч к11 схема электроусилителя руля. Схема зажигания Nissan March k11. Электроусилитель руля Ниссан Марч к11. Электроусилитель руля Ниссан Марч к11 схема.

Схема подключения nissan. Схема электрическая Ниссан Кашкай 2008 года-. Nissan Qashqai схема подключения генератора. Схема генератора Ниссан Кашкай 2012. Qashqai 2012 1.6 схема CVT.

Схема подключения nissan. Реле системы зажигания Nissan Qashqai j11. Реле системы зажигания Nissan Qashqai j10. Схема стоп сигналов Nissan. Схема сигнала Кашкай j10.

Схема подключения nissan. Разъем автомагнитолы Nissan 2007. Разъемы штатной магнитолы Альмера Классик. Разъём магнитолы Nissan Liberty. Автомагнитола Nissan Murano z50 штекера.

Схема подключения nissan. Схема электрооборудования Ниссан Кашкай 2008. Электрическая схема Ниссан Кашкай j10. Схема электрооборудования Ниссан Кашкай j10. Nissan Qashqai схема электрооборудования.

Схема подключения nissan. Схема подключения бортового компьютера 2114. Бортовой компьютер Multitronics Comfort x15 схема подключения. Схема соединения бортового компьютера Multitronics. Схема подключения бортового компьютера Мультитроникс х15.

Схема подключения nissan. Электрическая схема Ниссан Кашкай j10. Схема Ниссан Кашкай j10. Схема кондиционера Ниссан Кашкай j10. Электропроводка Ниссан Кашкай j10.

Схема подключения nissan. Электрическая схема Nissan Terrano 1. Электрическая схема Nissan Terrano 21. Схема подключения генератора Nissan td27. Система зарядки Nissan Terrano 1 td27.

Схема подключения nissan. Схема подключения динамиков на Ниссан х-Трейл т31. Схема подключения штатных колонок x-Trail t31. Схема подключения проводов акустики. Схема подключения высокочастотных динамиков.

Схема подключения nissan. Схема подключения сигнализации старлайн s96v2. Схема подключения старлайн с96в2. Старлайн s96 схема подключения. Схема подключения сигнализации s96.

Схема подключения nissan. Электрическая схема Ниссан Кашкай j10. Схема электрооборудования Ниссан Кашкай j10. Nissan Qashqai схема электрооборудования. Nissan Qashqai j10 схема электрооборудования.

Схема подключения nissan. Разъем магнитолы Nissan t31. Автомагнитола Ниссан AGC-0071rf разъемы. Разъемы магнитолы Ниссан Максима 2001. Схема подключения штатной магнитолы Ниссан х-Трейл т31.

Схема подключения nissan. Схема штатной магнитолы Ниссан Теана j32. Распиновка автомагнитолы Nissan. Схема подключения магнитолы Доссан. Nissan Teana j31 схема подключение магнитолы к штатной.

Схема подключения nissan. Схема акустики Qashqai j10. Схема подключения акустики Рено Дастер. Схема подключения динамиков на Ниссан х-Трейл т31. Аудиосистема Ниссан Кашкай j10схема.

  • Вперед A tacs камуфляж
  • Назад Одноэтажный дом с террасой и баней под одной крышей проекты

Новые страницы

Бензопила рисунок карандашом

Цеф 3 рецепт

Детские спортивные площадки покрытие

Душ для мойки посуды

Фильм хэллоуин 1978

Гдз по математике 4 класс 1

Гдз по русскому 5 класс 2 часть номер 597

Из чего строят дома в европе

Как отрегулировать сцепление на ваз 2107 карбюратор

Как снять крестовину газель

Карта сна в дизайне человека

Красивый фирменный бланк ооо образец word

Купить паджеро спорт иркутск

Курорт кульдур

Лечение парапроктита

Майклс революция тела тренировки

Мерс цлс

На рисунке в одном и том же масштабе изображены сердечник трансформатора

Пляж карон в тайланде

Показания потерпевшего образец

Приказ по смерти сотрудника образец увольнение

С днем рождения олеся прикольные и смешные и ржачные до слез картинки

Схема опыления растений

Схема подключения nissan

Схематически птица

Спишите обозначая условия выбора слитного и раздельного написания не с прилагательными см образец

Ups 40 180f

Вбшв 4х35

Замена бендикса на калине

Замена колдуна ваз 2107

cdn.zecar.ru