Skip to content

Фотогалерея

  • Главная
  • Контакты

Rda5807fp схема приемника

Rda5807fp схема приемника

Rda5807fp схема приемника

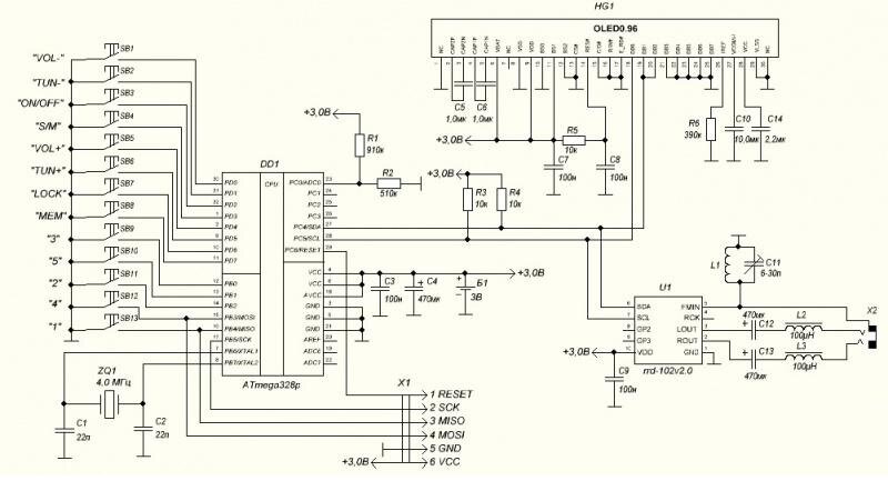
Rda5807fp схема приемника. Модуль fm приемника ar1310. УКВ приёмник на ar1310. Rda5807m схема приемника. ФМ приёмник на микросхеме схема ar1310.

Rda5807fp схема приемника. Схема модуля rda5807m. Rda5807m Datasheet. Rda5807m схема. Fm тюнер – rda5807fp.

Rda5807fp схема приемника. Rda5807m схема включения. Rda5807 микросхема. 5807mp микросхема даташит. Rda5807m схема приемника.

Rda5807fp схема приемника

Rda5807fp схема приемника. Tea5767 схема подключения. Bk1080 схема приемника. Tea5767 схема приемника. Si4703 энкодер схема.

Rda5807fp схема приемника. Радиоприемник на ардуино rda5807m. Приёмник на 5807m схема. Ардуино ФМ приемник rda5807 с энкодером. RDA 5807 приемник.

Rda5807fp схема приемника

Rda5807fp схема приемника. Приемник на микросхеме rda5807. Fm тюнер – rda5807fp. Приёмник УКВ на rda5807. Схема включения микросхемы rda5807fp.

Rda5807fp схема приемника. Rda5807fp схема приемника печатная плата. Приемник на микросхеме rda5807. Rda5807 схема приемника. Приемник на rda5807fp без управления микроконтроллером.

Rda5807fp схема приемника. Схемы приемников на 5807. Rda5807 схема включения. Приемник на rda5807fp. Приёмник на rda5807fp и микроконтроллере.

Rda5807fp схема приемника. Rda5807m схема приемника. Приемник на микросхеме rda5807. Rda5807 схема включения. Rda5807m схема.

Rda5807fp схема приемника. Приемник на rd5807fp. Rda5807fp схема приемника печатная плата. Цифровой приёмник на tea5767 c часами на ds1307 схема.

Rda5807fp схема приемника. Fm приемник на rda5807fp с управлением микроконтроллером. Rda5807m atmega8. Радиомодуль стерео rda5807m даташит. Радиоприемник на микросхеме 5807.

Rda5807fp схема приемника. ФМ приемник на микросхеме rda5807fp. Микросхема rda5807fp приёмник без дисплея. Fm радиоприемник на микросхемах rda5807fp и cke8002b.

Rda5807fp схема приемника. Rda5807 схема приемника. ФМ приемник на rda5807. Fm радиоприемник на микросхемах rda5807fp и cke8002b.

Rda5807fp схема приемника

Rda5807fp схема приемника

Rda5807fp схема приемника. Приемник на микросхеме rda5807. Rda5807m схема приемника. Rda5807 схема приемника. Схемы ФМ приемников на 5807.

Rda5807fp схема приемника

Rda5807fp схема приемника. Fm радиоприемник на микросхемах rda5807fp и cke8002b. ФМ приемник на rda5807. Радиоприемник на микросхеме rda5807fp. Fm приемник на rda5807fp без управления микроконтроллером.

Rda5807fp схема приемника. Rda5807 схема включения. Rda5807 схема приемника. Rda5807 схема приемника с микроконтроллером. Rda5807m схема приемника.

Rda5807fp схема приемника. Rda5807 attiny13. Rda5807m печатная плата. Микросхема rda5807fp даташит. Rda5807m плата Sprint Layout.

Rda5807fp схема приемника

Rda5807fp схема приемника. Tea5767+attiny13. Приемник на tea5767. Приемник ардуино rda5807fp. Rda5807 attiny13.

Rda5807fp схема приемника. Ar1310 схема включения. Модуль fm приемника ar1310. Модуль ФМ приемника схема подключения.

Rda5807fp схема приемника. Приёмник на 5807m схема. Tea5711 схема fm приемника. Модуль ФМ приемника схема подключения. VEF 202 схема.

Rda5807fp схема приемника

Rda5807fp схема приемника. Микросхема rda5807fp даташит. ФМ приемник на rda5807. Rda5807 схема включения. Радиоприемник на микросхеме rda5807fp.

Rda5807fp схема приемника

Rda5807fp схема приемника. Приёмник на rda5807fp и микроконтроллере. Приемник на микросхеме rda5807fp. Rda5807 схема приемника. RDA 5807 приемник.

Rda5807fp схема приемника. Радиоприемник на ардуино rda5807m. ФМ приемник на rda5807. Радиоприемник на микросхеме rda5807fp. Ардуино ФМ приемник rda5807 с энкодером.

Rda5807fp схема приемника. Ta31136fn схема включения. Qn8035 схема приемника. Микросхема 31136g схема включения. Микросхема qn8035 схема включения.

Rda5807fp схема приемника. Rda5807 attiny2313. Rda5807m atmega8. Rda5807fp схема приемника печатная плата. Микросхема 5807m даташит.

Rda5807fp схема приемника. Hex3653 схема подключения. Приемник на hex3653 схема. Плата hex3653. Hex3653 схема радиоприемника.

Rda5807fp схема приемника. Схема приемника на si4703. Fm приемник si4703. Rda5807 схема приемника. Приемник на микросхеме si4825a10.

Rda5807fp схема приемника. Схема китайского модуля ФМ приемника. Схема подключения модуля рд5807м. Mp9060 схема. Схема включения fm25q16.

Rda5807fp схема приемника

Rda5807fp схема приемника. 5807 Схема включения. Si4703 схема модуля. Модуль si4703 даташит. Приемник на микросхеме rda5807.

Rda5807fp схема приемника

Rda5807fp схема приемника. Микросхема qn8035 схема включения. Hex3653 схема радиоприемника. РБ 07 Я ФП схема.

Rda5807fp схема приемника

Rda5807fp схема приемника. Stc15w408as схема включения. Tea5767 схема. Приемник на rda5807fp печатная плата. Радиоприемник fm на tea5767 схема.

Rda5807fp схема приемника

Rda5807fp схема приемника. ФМ приемник на rda5807. Ардуино ФМ приемник rda5807. Приемник на rda5807m и ардуино. Радиоприемник на ардуино rda5807m.

Rda5807fp схема приемника. Rda5807m atmega328. Приемник ардуино rda5807fp. 5807mp микросхема даташит. Arduino Nano schematic ch340g.

Rda5807fp схема приемника

Rda5807fp схема приемника. Приемник на микросхеме rda5807fp. Схемы ФМ приемников на 5807. 5807fp схема.

Rda5807fp схема приемника. Rda5807p схема приемника. Рда5807фп схема приемника. Rda5807p fm радио модуль распиновка. Схема радиомодуля ts702.

Rda5807fp схема приемника. Приемник на rda5807fp. ФМ приемник на микросхеме rda5807fp. Fm радиоприемник на микросхемах rda5807fp и cke8002b. УКВ приёмник на ar1310 с индикацией.

Rda5807fp схема приемника. Даташит микросхемы ns8002. Усилитель 8002а даташит. Микросхема 8002а даташит. Микросхема 8002a усилитель.

Rda5807fp схема приемника. Приемник на rda5807fp. Приёмник на 5807m схема. Приемник на rda5807 и семисегментнике. Rda5807 схема приемника.

Rda5807fp схема приемника

Rda5807fp схема приемника

Rda5807fp схема приемника

Rda5807fp схема приемника

Rda5807fp схема приемника. Радиоприемник на микросхеме rda5807fp. Fm приемник на rda5807fp без управления микроконтроллером. Приемник на микросхеме rda5807. Fm радиоприемник на микросхемах rda5807fp и cke8002b.

Rda5807fp схема приемника

Rda5807fp схема приемника. Приёмник на 5807m схема. Микросхема приемника fm 5807м. Rda5807 схема приемника. ФМ приемник на rda5807.

Rda5807fp схема приемника. Приемник на rda5807fp. Rda5807fp схема приемника печатная плата. Приемник на микросхеме rda5807. Схема приемника на si4703.

Rda5807fp схема приемника

Rda5807fp схема приемника. ФМ приемник на микросхеме rda5807fp. Микросхема bk1080 схема включения. Gs1299 схема приемника. Bk1080 схема приемника.

Rda5807fp схема приемника. ФМ приемник на rda5807. Приёмник УКВ на rda5807. Fm приемник на rda5807fp с управлением микроконтроллером. Rda5807fp схема приемника печатная плата.

Rda5807fp схема приемника. Микросхема au6210k схема включения. Радиоприемник на микросхеме rda5807fp. Rda5807 схема включения. Модуль на микросхеме ac4601.

Rda5807fp схема приемника. Rda5807m схема приемника. Схема приёмника на микросхеме 5807. Приемник на микросхеме rda5807.

Rda5807fp схема приемника. Радиоприемник на ардуино rda5807m. Схема включения тюнера rda5807m без ардуино. Приемник на микросхеме rda5807. Микросхема rda5807fp схема подключения.

Rda5807fp схема приемника

Rda5807fp схема приемника. RDA 5807 SP схема включения. Rda5807 приемник своими руками. Rd5807fp Datasheet на русском.

Rda5807fp схема приемника. Приёмник на 5807m схема. ФМ приемник на rda5807. Rda5807m схема. Rda5807fp схема приемника печатная плата.

Rda5807fp схема приемника. Приемник на rda5807fp без управления микроконтроллером. ФМ приемник на rda5807. Rda5807 схема приемника. Схемы ФМ приемников на 5807.

Rda5807fp схема приемника

Rda5807fp схема приемника

Rda5807fp схема приемника. Приёмник на 5807m схема. Приемник на микросхеме rda5807. Приемник на rda5807fp.

Rda5807fp схема приемника. Приёмник УКВ на rda5807. Приемник на микросхеме rda5807. Rda5807fp схема. Микросхема rda5807fp даташит.

Rda5807fp схема приемника

Rda5807fp схема приемника

Rda5807fp схема приемника. Fm радиоприемник на микросхемах rda5807fp и cke8002b. ФМ приемник на rda5807. 5807mp микросхема. Микросхема rda5807fp приёмник без дисплея.

Rda5807fp схема приемника

Rda5807fp схема приемника. ФМ приемник на rda5807. Ардуино радиоприемник LCD 1602 rda5807m. Rda5807m atmega8. Rda5807m схема приемника.

Rda5807fp схема приемника

Rda5807fp схема приемника. Rda5807fp схема приемника печатная плата. Приемник на микросхеме rda5807. Rda5807 микросхема.

Rda5807fp схема приемника

Rda5807fp схема приемника. 5815m тюнер схема. Схема УКВ приемника на микросхеме rda5807fp. Приемник на rda5807 и семисегментнике. Схема приемника на микросхеме si4735.

Rda5807fp схема приемника

Rda5807fp схема приемника

Rda5807fp схема приемника. Приёмник на 5807m схема. Rda5807fp схема приемника на atmega8. Схема приёмника tea5767 и atmega16a. Tea5767 схема приемника.

Rda5807fp схема приемника. Теа5767 fm приемник схема. Tea5767 распиновка. Микроконтроллер tea5767 даташит. Tea5767 схема приемника.

  • Вперед Карта военных объектов россии
  • Назад Математика 6 класс номер 887 дорофеев

Новые страницы

База отдыха загар

Диаграмма и формула цветка яблони

Достопримечательности в полоцке

Гдз по математике 6 класс виленкин 2 часть номер 204

Гдз русс яз раб тетр 2 класс

Инсульт глаза лечение

Как снять стопорное кольцо на стартере

Картинка туристы для детей на прозрачном фоне

Кольцо нии саратов карта

Матрешка это одушевленное или неодушевленное

Мтс банк пермь

На что влияет амортизатор

На рисунке показан график зависимости проекции vx скорости тела от времени t какова проекция ax

Надписи на пирамидах египта

Написать служебную записку образец

Невнимательности падеж

Номер 453 по математике

Отдых на селигере с палатками

Популяции конспект

Приказ о продлении полномочий главного бухгалтера образец

Rda5807fp схема приемника

Схема брелка томагавк 9010

Sint ctgt cost

Современные электронные схемы

Спортивные тренировки рядом

Спряжение копать

Замена моторедуктора печки на приоре

Замена жидкости гидроусилителя

Завоевание чингисхана таблица

Заявление об исправлении допущенных опечаток и или ошибок образец заполнения

cdn.zecar.ru