Skip to content

Фотогалерея

  • Главная
  • Контакты

Расцветка проводов в магнитоле

Какие цвета кабеля отвечают за каждую фазу электрической сети?

Фишки обогрева сидений — DRIVE2

Приём кабеля и провода по высокой цене за кг лома! | ВКонтакте

Распиновка цветов блока питания

Маркировка электрических кабелей и проводов: таблица с расшифровками

Цвет проводов в электропроводке: фаза, ноль и земля

Монтаж Электропроводки своими РУКАМИ. Соединение проводов в ...

Цвета проводов в электрике: фаза, ноль, земля

Цветовая маркировка проводов: каким цветом обозначается в трехжильной ...

Цвет проводов в электропроводке 220 по фазам. Маркировка проводов по ...

Подключение проводов по цветам - советы электрика - Electro Genius

Распиновка магнитолы туксон - Электротехника и электроника

Как работает датчик температуры лада веста

Расцветка проводов в электрике - Все про электрику

Цвет проводов в электрике: фаза, ноль, земля

Какие провода по цвету подключать: фаза, ноль, земля и их обозначение в ...

Как сбросить настройки сигнализации convoy

Ошибки системы магнитолы - Умная инструкция Элемент-5

Распиновка фишки магнитолы тойота

Расцветка проводов в электрике - ELSTROIKOMPLEKT.RU

Расцветка проводов в электрике - Все про электрику

Схема подключения разъемов

Дсп на магнитоле что это - Деревология

Как выключить подсветку на магнитоле

Инструмент для зачистки проводов WORKPRO WP291010 - выгодная цена ...

Распиновка юсб разъема для наушников

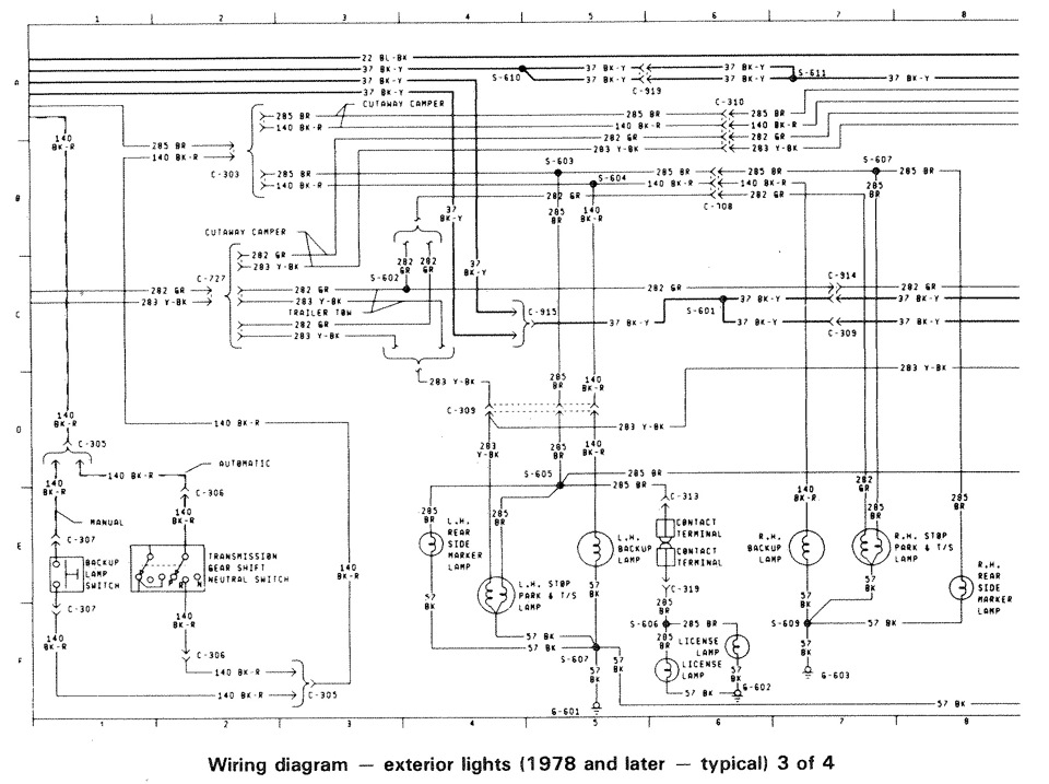
Любите книгу — источник знаний! — Ford E-Series (3G), 5 л, 1989 года ...

Цветовая маркировка проводов: каким цветом обозначается в трехжильной ...

7807602 Адаптер угловой под герметичный разъем Superseal 2 pin и ...

Новый руль и подготовка к запуску с кнопки — Lada 21041, 1,5 л, 2007 ...

Распиновка iso разъема (проводов) магнитолы по цветам

Маркировка проводов, кабелей: расшифровка, цветовая маркировка

Цветовая маркировка проводов и жил кабелей

Обучение по теме: Что такое диммер в магнитоле

Схема подключения автомагнитолы jvc kd avx2

  • Вперед Математика 2 класс ответы тренировочные задания
  • Назад Как поменять пыльник на стойке

Новые страницы

Автосервисы ачинск

Балкон с качелями дизайн

Дорожные знаки для детей картинки для печати на карточках

Формула расчета гипотенузы в прямоугольном треугольнике

Гдз математика страница 70 номер 5

Гдз по истории параграф 19

Гдз по математике страница 63 номер

Гдз по окружающему миру рабочая тетрадь 4 класс 2 часть плешаков

Идеальный муж театр комедии актеры

Из выхлопной трубы вылетает сажа

Как лечить токсоплазмоз у человека

Как снять обшивку багажника киа сид

Картинки love is в хорошем качестве с надписями для печати

Картинки с днем рождения внука от бабушки 2 года

Масса рено флюенс

Москва крыша ночь

Не крутит стартер лада приора

Образец написания автобиографии при приеме на работу для мужчин

Отпуск без сохранения заработной платы образец заявления

Площадь в мюнхене

Подключение накопителя к усилителю схема

Польза от занятий циклическими видами спорта выражается

Расчетный листок по зарплате образец в экселе

Шаровый кран dn50

Схема авто по вину

Снятие фары ниссан кашкай

Сопротивление отопителя

Tsop31236 datasheet

Установка забора на даче

Встраиваемые шкафы на заказ по индивидуальным размерам

cdn.zecar.ru