Skip to content

Фотогалерея

  • Главная
  • Контакты

Tsop31236 datasheet

TSOP31236 Datasheet PDF (161 KB) Vishay | Pobierz z Elenota.pl

TSOP31238, infrared receiver - elpro Elektronik

SP3724QD Datasheet - (SP3724 / SP3725) TRANSISTOR

SM5803AP Datasheet PDF - Multi-function Digital Filter for Digital Audio

2SC3864 Datasheet pdf - Sanyo

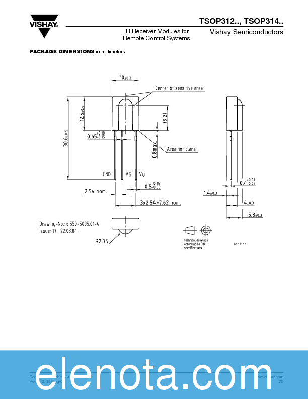
TSOP31236 datasheet(2/8 Pages) VISHAY | IR Receiver Modules for Remote ...

TSOP31236 Datasheet PDF (161 KB) Vishay | Pobierz z Elenota.pl

TSOP31238 Datasheet - IR Receiver

OTS284 Datasheet PDF - Photo IC Switch

2N3906_1107957.PDF Datasheet Download --- IC-ON-LINE

홈 제품 피드백

ELM323 DataSheet | ELM

TSOP31236 datasheet(4/8 Pages) VISHAY | IR Receiver Modules for Remote ...

TSOP32233_494004.PDF Datasheet Download --- IC-ON-LINE

TSOP31236 - sklep Kamami

Infrarotempfänger TSOP31236 - 36 kHz Botland - Robotikgeschäft

TA7616P DataSheet | Toshiba

1286 datasheet(1/1 Pages) POMONA | Double Banana Plug With Binding Posts

Фотоприемники - ТПК РадиоТех

TSOP31236 Datasheet PDF (161 KB) Vishay | Pobierz z Elenota.pl

Управление Arduino практически ЛЮБЫМ пультом ДУ при помощи ИК датчика ...

TSOP31236 - Vishay - Infrared Receiver, Remote Control, 36 kHz

Инфракрасный прием и передача

HLB123SA Datasheet - NPN EPITAXIAL PLANAR TRANSISTOR

HM6264LFP Datasheet pdf - Hitachi Semiconductor

Infrared receiver TSOP31236 - 36kHz - Electronic components parts

Tsop1736 datasheet: TSOP31236 (TSOP1736), ИК-приемник 36кГц, Vishay – i ...

2SK643 Datasheet PDF - Toshiba Semiconductor

TSOP31236 Datasheet PDF (161 KB) Vishay | Pobierz z Elenota.pl

TSOP31236 фотодиод >> недорого купить

Infrared receiver TSOP32236 - 36 kHz - Electronic components parts

0757840135_5069403.PDF Datasheet Download --- IC-ON-LINE

S1A120098 Datasheet - Reed Relay

324256 Data Sheet | Sanyo

2N3656 Datasheet PDF - ETC

  • Вперед Простая схема умножителя напряжения
  • Назад Переходник 32 на 25

Новые страницы

Alpine 9887r характеристики

Англ яз 11 учебник

Балкон с качелями дизайн

Биология 8 класс рабочая тетрадь пасечник гдз ответы

Досуг и увлечения хобби современного подростка спорт

Евангелическо лютеранский собор святых петра и павла

Гдз по окружающему миру рабочая тетрадь 4 класс 2 часть плешаков

Из выхлопной трубы вылетает сажа

Картинки с днем рождения внука от бабушки 2 года

Масса рено флюенс

Москва крыша ночь

На рисунке 19 изображен график функции у f x где 7

Не крутит стартер лада приора

Ниссан рашен

Очиститель катализатора fenom отзывы

Определите типы придаточных предложений

Площадь в мюнхене

Приказ о прекращении отпуска по уходу за ребенком до 3 лет образец

Расчетный листок по зарплате образец в экселе

Расцветка проводов в магнитоле

Ресторан чито ярославль барная карта

Русский язык 5 класс ладыженская 2 часть 693

Шаровый кран dn50

Схема подсветки телевизора

Следствия из аксиомы параллельных

Спортивный костюм мужской без резинки

Установка защелки на дверь

Все в тающей дымке холмы перелески синтаксический разбор

Встраиваемые шкафы на заказ по индивидуальным размерам

Встроенный шкаф зеленоград

cdn.zecar.ru