Skip to content

Фотогалерея

  • Главная
  • Контакты

Адаптивное головное освещение

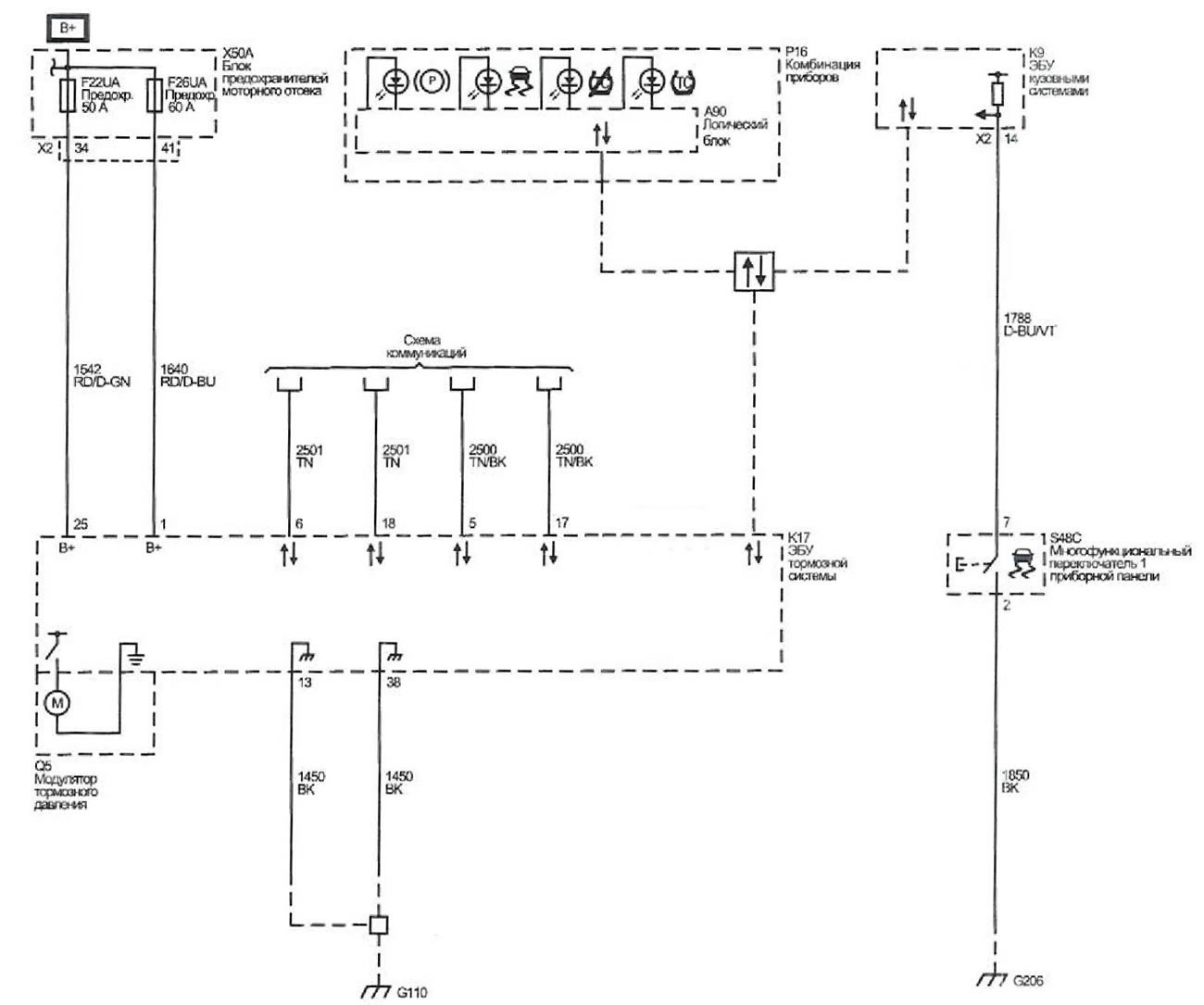
Адаптивное головное освещение (ТТ2) Opel Insignia A, Электрические схемы

Головное освещение#$#%#$##$# — DRIVE2

Адаптивное дзюдо: развитие силы, ловкости и самооценки屢 Адаптивное ...

REMOTE CONTROL OF LIGHTING ⋆ Polymetrica

Вопрос главе: Покровское освещение - YouTube

Освещение. Основные понятия - презентация онлайн

AFS работает — Audi A6 Allroad quattro (C6), 3,2 л, 2006 года | визит ...

Освещение — Pro scena

Система адаптивного освещения дороги: Адаптивный свет (AFS ...

Освещение — Pro scena

Освещение автомобиля: устройство и работа фары

Subaru Forester (SK) 2.5 бензиновый 2022 | Спортивный лесник на DRIVE2

Купить б/у Ford Focus III 2.0 MT (150 л.с.) бензин механика в Москве ...

Как грамотно организовать освещение в интерьере? - нюансы светодизайна ...

Купить б/у Ford Focus III 2.0 MT (150 л.с.) бензин механика в Москве ...

Методы повышения точности систем регулируемого электропривода в ...

Купить б/у Volkswagen Passat B7 1.8 MT (152 л.с.) бензин механика в ...

Как устроена матричная оптика: - Журнал Движок.

Продажа Skoda Octavia RS A7 Mk3 2014 (бензин, робот) — с историей ...

Купить б/у Ford Focus III 2.0 MT (150 л.с.) бензин механика в Москве ...

Купить б/у Volvo XC90 II 2.0d AT (235 л.с.) 4WD дизель автомат в Санкт ...

Купить б/у Volvo XC90 II 2.0d AT (235 л.с.) 4WD дизель автомат в Санкт ...

Купить б/у Ford Focus III 2.0 MT (150 л.с.) бензин механика в Москве ...

Купить б/у Mercedes-Benz GLK-Класс I (X204) Рестайлинг 300 3.5 AT (249 ...

Mazda CX-5 2019 скоро в России! Цены и комплектации

OPEL ASTRA K 2018 Инструкция по эксплуатации (in Russian) (369 Pages ...

Mazda 3 2019 скоро в России! Цены и комплектации

Купить б/у Mercedes-Benz E-Класс IV (W212, S212, C207) Рестайлинг 200 2 ...

Антиблокировочная тормозная система и антипробуксовочная система (Опель ...

Купить б/у Audi A6 IV (C7) Рестайлинг 1.8 AMT (190 л.с.) бензин робот в ...

Купить б/у BMW X3 I (E83) 25i 2.5 AT (184 л.с.) 4WD бензин автомат в ...

Купить б/у Opel Insignia I Рестайлинг 2.0 AT (249 л.с.) 4WD бензин ...

Купить б/у BMW X3 I (E83) 25i 2.5 AT (184 л.с.) 4WD бензин автомат в ...

Купить б/у BMW X5 IV (G05) 30d 3.0d AT (249 л.с.) 4WD дизель автомат в ...

Купить б/у BMW X5 IV (G05) 30d 3.0d AT (249 л.с.) 4WD дизель автомат в ...

  • Вперед Восточный вокзал в москве внутри
  • Назад Водонапорная башня оренбург старые

Новые страницы

449 Округлите числа

Автоматика инвест

Дворец спорта в краснодаре

Электросхема волга сайбер

Физическая карта кольский полуостров

Флэт инфо москва карта

Гдз по английскому языку 3 класс рабочая тетрадь стр 47 48

Гдз русский язык 6 класс 515

Гдз русский язык 6 класс ладыженская 2 часть учебник зеленый

Государственные закупки чистый экспорт

Характеристика условий труда для мсэ образец заполнения

История учебник 5 класса

Как почистить головку блока цилиндров

Калькуляция затрат на производство продукции образец

Кнопки на панели ваз 2109

Контурная карта кировской области для печати

Линия фронта обозначенная в легенде схемы установилась в августе тысяча девятьсот года

Лошадиный суффикс

Масло pajero sport 2

Материальная точка за 1 мин совершила 300 колебаний

Mc402

Отряды млекопитающих 7 класс таблица биология

Паоло уччелло картины

Рекламные мониторы для помещений

Смета по форме кс 2 на строительные работы образец

Спортивные нарушения

Спортивный инвентарь протирается гигтест ответ

Ткс401дод

Выберите правильное местоимение give me my that book please ответы

Вышивка крестом схемы сказки

cdn.zecar.ru