Skip to content

Фотогалерея

  • Главная
  • Контакты

Vestel vr37ts 1445 схема

Vr37Ts 1445 схема: Схема телевизора VESTEL VR37TS-1445 скачать ...

Vr37Ts 1445 схема: Схема телевизора VESTEL VR37TS-1445 скачать ...

Vr37Ts 1445 схема: Схема телевизора VESTEL VR37TS-1445 скачать ...

Vestel Vr37ts-1445 Инструкция По Эксплуатации - portaladvantage

Vr37Ts 1445 схема: Схема телевизора VESTEL VR37TS-1445 скачать ...

Vr37Ts 1445 схема: Схема телевизора VESTEL VR37TS-1445 скачать ...

Vr37Ts 1445 схема: Схема телевизора VESTEL VR37TS-1445 скачать ...

Vr37Ts 1445 схема: Схема телевизора VESTEL VR37TS-1445 скачать ...

Vestel VR37TF-1445 шасси 11AK36A8

Vr37Ts 1445 схема: Схема телевизора VESTEL VR37TS-1445 скачать ...

Vr37Ts 1445 схема: Схема телевизора VESTEL VR37TS-1445 скачать ...

Vr37Ts 1445 схема: Схема телевизора VESTEL VR37TS-1445 скачать ...

ремонт тв VR37TS-1445 VESTEL не включается. (шасси 11ak36) для ...

липа: неисправности vestel vr37ts-1445

Vestel шасси 17MB12 схема

Vestel шасси 17MB82 схема

11Ak36S 4 схема: Vestel VR3711TF 11AK36S-4 – i-FlashDrive флешка для ...

Vestel шасси 17MB95-3 схема

Vestel 11AK36 A15

Vestel 17ips61-2 PSU Schematic | Road

Телевизор vestel VR37TL-1445 купить в Москве | Электроника | Авито

Schematic Diagrams: VESTEL 17MB95M Main board schematic

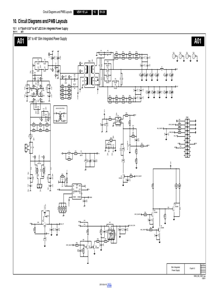
Vestel 17ips61-3 Led Slim Integrated Power Supply

VESTEL 17IPS11 SCH Service Manual free download, schematics, eeprom ...

VESTEL 17IPS72R3 SCH Service Manual download, schematics, eeprom ...

Телевизор vestel VR37TL-1445 купить в Москве | Электроника | Авито

Телевизор vestel VR37TL-1445 купить в Москве | Электроника | Авито

Телевизор vestel VR37TL-1445 купить в Москве | Электроника | Авито

Vestel VR37TS-1445 шасси 11AK36A15 - запуск строки

Телевизор | Festima.Ru - Мониторинг объявлений

Vestel шасси 17MB34 схема | Все для ремонта электроники

VESTEL 17IPS19-3 SCH Service Manual download, schematics, eeprom ...

VESTEL 11AK36 A5 CHASSIS Service Manual download, schematics, eeprom ...

VESTEL 17IPS71-R3 PSU SCH Service Manual download, schematics, eeprom ...

VESTEL 17IPS19-4 Service Manual download, schematics, eeprom, repair ...

  • Вперед География 5 6 класс учебник гдз дронов
  • Назад Четыреста гектаров по падежам

Новые страницы

11С67п ду50

Автосервис авторитет всеволожск

Бмв дизель неисправности

Данко чему учит

Европротокол заполнение образец

Как избавиться от прыщей на лбу

Как поменять печку на ваз 2107 инжектор

Клиническая наркология

Монолог и диалог 2 класс школа россии презентация

Наращивание ресниц звенигород

По этому признаку и по тому что нижняя часть ствола

Пристань у озера

Пропиленовые трубы для отопления

Распиновка фонарей ваз 2115

Рассказ про отель на английском

Разносторонние треугольники что это

Renault kangoo перепутал полярность

Резюме в службу безопасности образец

Санаторий отрадное калининград

Схема блока светодиодной ленты

Схема подключения тв антенны

Схемы пежо 406

Сочинение на рассказ уроки французского

Тайланд грязный

Труба пластиковая 90 мм

Вибростенд в екатеринбурге

Янис ресторан

Южные шетландские острова

Замена масла в акпп аккорд 7

Зоя новожилова посол в швейцарии

cdn.zecar.ru