Skip to content

Фотогалерея

  • Главная
  • Контакты

Вектра а схема

Опель вектра а схема центрального замка (78 фото)

Опель Вектра А. Электрическая схема моделей с 1989 года. Opel Vectra A

Опель вектра а схема центрального замка (78 фото)

Опель вектра а схема центрального замка (78 фото)

Діагностика системи охолодження. Імовірні причини виникнення ...

Распиновка вектра б

Опель вектра а схема центрального замка (78 фото)

Схема опель вектра а

Схема подключения реле бензонасоса опель вектра а

Опель вектра центральный замок схема подключения

Где стоит предохранитель: Как проверить предохранители и где находятся ...

Распиновка опель

Схема 9. Кондиционер, вентилятор радиатора (Опель Вектра А 1988-1995 ...

Опель вектра а схема центрального замка (78 фото)

Схема подключения всех шлангов опель вектра

Электрическая схема двигателя опель вектра - БМВ Мастер - Автожурнал

Схема электропроводки ВАЗ 2105 (на инжектор): инструкция по монтажу ...

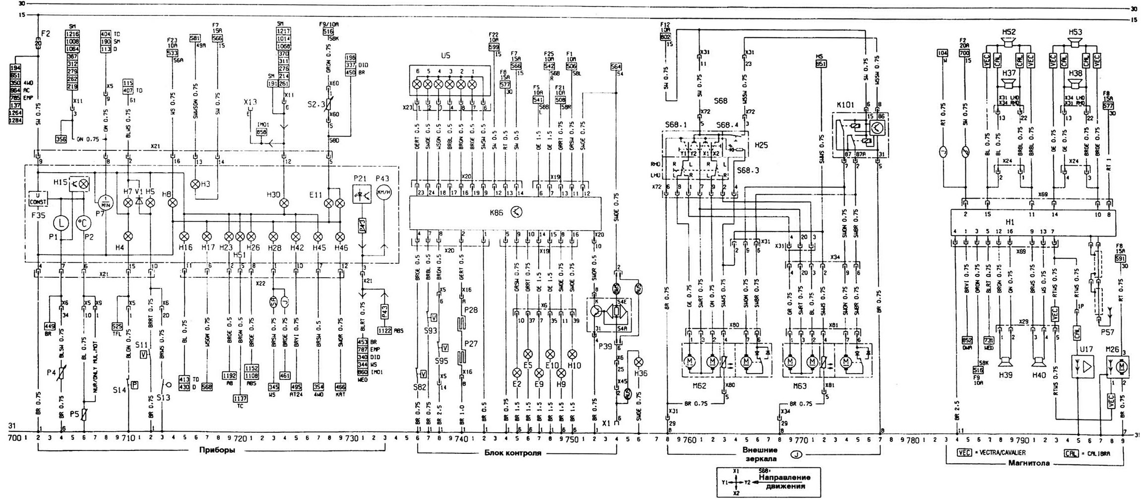
Схема 7. Приборы, блок контроля, внешние зеркала, магнитола (Опель ...

Схема 1. Стартиране на двигателя и система за зареждане на батерията ...

Escort Swo – Telegraph

Схема подключения всех шлангов опель вектра

Схема подключения генератора ваз 21053 карбюратор

Расположение высоковольтных проводов опель вектра

Предохранитель бензонасоса опель зафира 2001 года

Замена Ремня Генератора Опель Зафира 2 0 — Ремонт мото, авто и заказ ...

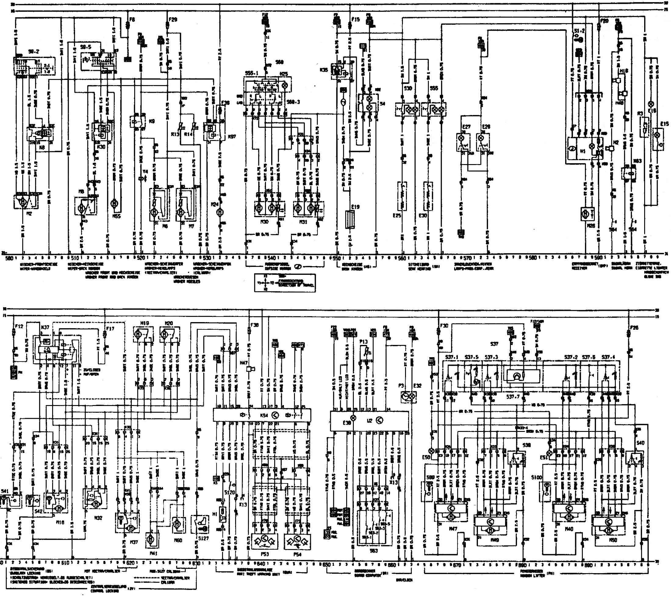
Схема электрических соединений для моделей с 1991 года (Опель Вектра A ...

Схема Подключения Вентилятора Охлаждения

Покупаю блок управления (мозг) для опель вектра а 2.0 бензин 8 клапанов

Опель Вектра А. Электрическая схема моделей с 1991 года. Opel Vectra A

Как разобрать датчик эхолота

Опель Вектра А. Электрическая схема моделей с 1991 года. Opel Vectra A

замена термостата опель вектра А - YouTube

Течёт сальник рулевой колонки, снятие, Опель Вектра А. # 1часть. - YouTube

Схема электрических соединений для моделей с 1991 года (Опель Вектра A ...

Опель Вектра А. Электрическая схема моделей с 1991 года. Opel Vectra A

  • Вперед Заявление на выдачу заработной платы через кассу образец
  • Назад Распиновка диагностического разъёма нива шевроле

Новые страницы

4 Х контактное реле распиновка

Чип и дип термопредохранитель

Дизайн кухни бюджетно и со вкусом в частном доме с газовым котлом

Fault engine пежо 308 перевод

Hsc 45z025u t sh

История киберспорта

Как отрегулировать тормоза

Как вылечить заикание у ребенка

Как занижать машину

Какие слова нельзя перенести 1 класс

Карта актюбинской области с городами и поселками подробная

Карта осадков верея

Кашель у пожилых людей причины и лечение

Комплексное питание это

Lm2676

Национальный костюм в италии

Образец заявления на включение в график отпусков

Пошив авточехлов на заказ в москве

Программа тренировок бамстеда

Put the words in brackets

Ремонт шахматных часов

Резисторы 0 25 вт

Сгу 120 п схема подключения

Схема блока управления газель

Схемы подключения lcd

Тренинг взаимодействия педагогов

Услуги по покрытию паркета лаком в спб

Ваз 2110 замена ремня грм

Вектра а схема

We use in the affirmative

cdn.zecar.ru