Skip to content

Фотогалерея

  • Главная
  • Контакты

Унч на микросхемах своими руками

Унч на транзисторах своими руками

Унч на микросхемах своими руками в машину

Узнаем как изготовить УНЧ своими руками из подручных материалов?

Унч для компьютера своими руками схема - Схемы

УНЧ на микросхемах

Мощный УНЧ Холтона на полевых транзисторах своими руками. - YouTube

Как настроить ток покоя. Своими руками! На примере УНЧ 50-8. - YouTube

УНЧ на микросхемах

УНЧ на микросхемах

УНЧ на транзисторах своими руками: схемы,. Простой усилитель на ...

УНЧ Шушурина своими руками, подробная сборка. - YouTube

Построить ламповый УНЧ своими руками (часть 4). | Саша Самойленко | Дзен

Узнаем как изготовить УНЧ своими руками из подручных материалов?

Унч 250 ватт своими руками

Простой нч усилитель своими руками

Тда 2030а схема усилителя фото - PwCalc.ru

Ламповый УНЧ 6Г2+6П13С (Своими ручками) | Пикабу

Делаем сами УНЧ - 2

Генератор нч своими руками схема

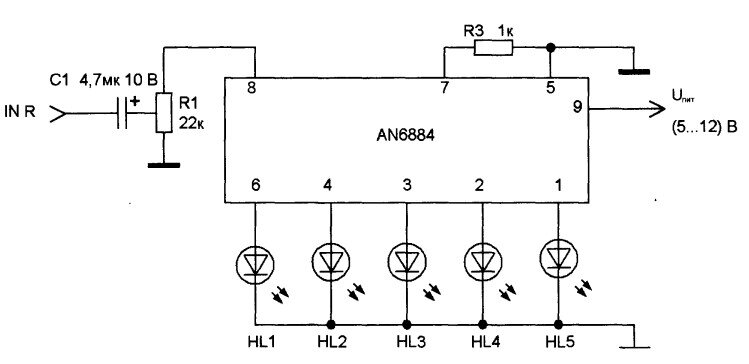
Микросхемы индикации уровня звукового сигнала или несветомузыка своими ...

Микросхемы индикации уровня звукового сигнала или несветомузыка своими ...

Унч на микросхемах своими руками с печатной платой и схемой – Делаем ...

УНЧ на транзисторах своими руками – схема

Усилитель на п210 своими руками

Усилители мощности на микросхемах своими руками: Усилители мощности ...

Подборка плат усилителей на микросхемах для сборки своего усилителя ...

Унч на транзисторах своими руками, схемы. Транзисторные усилители

Простые унч на транзисторах своими руками: Унч на транзисторах своими ...

Усилитель своими руками (DIY), Часть 7, двухканальные (Стерео ...

Схема часов своими руками

Предварительный усилитель для унч схема

Унч на советских транзисторах своими руками схемы - 82 фото

Компактный УНЧ для наушников своими руками

УНЧ на транзисторах своими руками – схема

Making a compact but functional audio amplifier with digital inputs and ...

  • Вперед Линейные напряжения в трехфазной схеме
  • Назад Уаз курск

Новые страницы

Договор купли продажи ячейки в овощехранилище образец скачать бесплатно

Электрическая схема автомобильного аккумулятора

Эталон образец 8 букв

Как рисовать гусеницу

Карта калининградской области с городами и поселками подробная со спутника

Карта питания амз арзамас

Картинка не нужна никому не

Лечится ли цирроз печени

Лица израиля

Места вагоне плацкарт расположение схема

Минутки чистописания 1 класс школа россии презентация

Научитесь понимать схемы

Не заводится ока стартер крутит

Послужной список образец казахстан

Прицепной экскаватор скорпион

Приказ о создании комиссии по уничтожению документов с истекшим сроком хранения образец

Прошивка коробки dsg

Проводка 21099 инжектор

Реестр приема передачи документов образец скачать

Ремонт стиральных машин переделкино

Схема изготовления

Схема структуры труда

Сколько литров масла в нексии

Спорт биатлон сегодня результаты

The combination of excursions dinner and entertaining

Транзистор c9013 аналог

Унч на микросхемах своими руками

Установка холодильных камер

Варианты дешевого забора для частного дома фото

Ver 2 схема

cdn.zecar.ru