Skip to content

Фотогалерея

  • Главная
  • Контакты

Ucy7400

Ucy7400 Cemi | PDF

Układ CEMI UCY7400 zestaw 3 szt. | Koźlice | Kup teraz na Allegro Lokalnie

UCY7400 CEMI (15szt) uszkodzone | Warszawa | Kup teraz na Allegro Lokalnie

UCY7400 = SN7400 - 4x NAND TTL - Made in Poland | eBay

UCY7400 Datasheet PDF (124 KB) CEMI | Pobierz z Elenota.pl

Układ scalony CEMI UCY7400 | Kalisz | Kup teraz na Allegro Lokalnie

Układ scalony UCY7400 Unitra CEMI - 7729986874 - oficjalne archiwum Allegro

2x UCY7400 CEMI układ scalony używany - Sklep, Opinie, Cena w Allegro.pl

Cichy alarm z bramką NAND - UCY7400 - elektroda.pl

UCY7400 Datasheet PDF (124 KB) CEMI | Pobierz z Elenota.pl

Sygnał Akustyczny Na UCY7400 - YouTube

UCY7400 Datasheet PDF - ETC

1x UCY7400 CEMI NOS DIP-14 IC 7400 | eBay

UCY7400 Datasheet PDF - ETC

Ucy7400 - Niska cena na Allegro.pl

UCY7400 Datasheet PDF (1.59 MB) CEMI | Pobierz z Elenota.pl

UCY7400 Datasheet PDF (1.59 MB) CEMI | Pobierz z Elenota.pl

UCY7400 CEMI | Warszawa | Kup teraz na Allegro Lokalnie

PCB WITH 6x 13 PIN SOCKET FOR Z566M + SN74141 UCY7400 UCY7490 UCY7410 ...

Ucy7400 - Niska cena na Allegro.pl

Генератор звуковых эффектов на микросхемах UCY7400

Układ scalony CEMI UCY7400 | Kalisz | Kup teraz na Allegro Lokalnie

Układ scalony MH54S00 TESLA ( UCY7400 Unitra CEMI) | Czachówek | Kup ...

UCA6400 (UCY7400) 4 bramki NAND DIP-14 4 szt. - 8538870799 - oficjalne ...

PCB WITH 6x 13 PIN SOCKET FOR Z566M + SN74141 UCY7400 UCY7490 UCY7410 ...

UCA6400 (UCY7400) 4 bramki NAND DIP-14 4 szt. - 8538870799 - oficjalne ...

Ucy7400 układ

UCY74A01_4987099.PDF Datasheet Download --- IC-ON-LINE

设计视图中的74IC3D图像(1997)_STEP_模型图纸免费下载 – 懒石网

IC 555 Based Simple Digital Stopwatch Circuit | Homemade Circuit ...

sn7400 - 47.60p. купить

Restart dekodera nbox enigma 2 z komunikatem Uboot 1.3.1 053 i zielonym ...

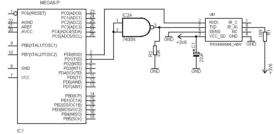
Transmisja szeregowa z Atmega8 do Atmega8 za pomocą IRDA

Ecsuam1 Electric Diagram

Generator efektów dźwiękowych | Tranzystor.pl - Vortal Elektroniczny

  • Вперед Легкая тренировка
  • Назад Кого автор сравнивает со сфинксом что служит основанием для такого сравнения

Новые страницы

74 Гу

Авиабилеты из москвы

Доверенность чтобы забрать машину со штрафстоянки образец

Двоение в глазах причины и лечение

Экспорт зарубежной европы

Экспресс стрижка котлас

Fantasy sport

Федеральная программа спортивной подготовки

Флаг абхазии рисунок

Гдз по математике пятый класс автор виленкина

Гроб звездопад альбом слушать

Хламидии у женщин симптомы и лечение

Картинки павлина с распущенным хвостом красивые

Картинки про школу и на школьную тематику для презентаций

Коктебель пансионат голубой залив

Махинджаури батуми

Приказ о несоответствии занимаемой должности образец

Ремонт лобовых автостекол

Схема керчь

Шестой ершов

Щрн 24 ip31

Спутниковая карта мира 2022 года

Тазобедренный сустав реклама

Театральная маска на прозрачном фоне для презентации

Театры в мурманске

Учебник по математике 2 класс моро волкова 2 часть ответы

V3 sin x cos x 0

Выполните вычисления по блок схеме

Замена прокладки клапанной крышки тойота королла 120

Знаки дорожного движения для детей в картинках распечатать

cdn.zecar.ru