Skip to content

Фотогалерея

  • Главная
  • Контакты

Ucc25600

UCC25600: wide range output - Power management forum - Power management ...

UCC25600: UCC25600 feeback loop design - Power management forum - Power ...

UCC25600: When the switching Frequency is about 280KHz or 300KHz, it's ...

PMP6252 LED BACKLIGHT UCC25710 UCC25600 UCC28051 TL103WA Service Manual ...

UCC25600EVM: UCC25600 Ref Design - Power management forum - Power ...

The function of UCC25600 EVM-644's PMAX? - Power management forum ...

[Resolved] TINA/Spice/UCC25600: UCC25600 - Simulation, hardware ...

PMP10283 Single Stage 200W AC-DC LLC Series Resonant Conv for 120VAC ...

ucc25600 (12) » Szukaj | elecena.pl - wyszukiwarka elementów ...

Harga Ucc25600 Terbaru Desember 2023 |BigGo Indonesia

UCC25600; (SO-8): продажа, цена в Киеве. Интегральные микросхемы от ...

10ชิ้น/ล็อต25600 UCC25600 UCC25600DR SOP 8 SMD LCD ชิปการจัดการพลังงาน ...

UCC25600EVM: gate transformer on UCC25600EVM - Power management forum ...

SAMSUNG BN44-00508B-1 UCC25600 MCV14A SPC1012T SN1108052DR SQT7011K SCH ...

ELECTRONIC EQUIPMENT REPAIR CENTRE : December 2015

UCC25600: Over Current(Hiccup) - Power management forum - Power ...

UCC25600 datasheet(2/22 Pages) TI | 8-Pin High-Performance Resonant ...

UCC25600: Body marking decoding for details on packaging - Power ...

UCC25600 datasheet(5/22 Pages) TI | 8-Pin High-Performance Resonant ...

UCC25600 refrence design for 24V and 17A - Power management forum ...

TIDA-00355, 400W battery charger : Purpose of external MCU - Simulation ...

UCC25600: UCC25600 design open loop circuit - Power management forum ...

UCC25600 Pinout | Driving signals, Dc dc converter, Circuit diagram

8引脚高性能谐振模式控制器UCC25600

【凯拓达电子】25600 UCC25600液晶电源管理芯片【贴片封装】_虎窝淘

UCC25600: schematic review - Power management forum - Power management ...

UCC25600: UCC25600 SS pin external OVP use inquiry. - Power management ...

ELECTRONIC EQUIPMENT REPAIR CENTRE : SAMSUNG UA40C5000QR POWER SUPPLY ...

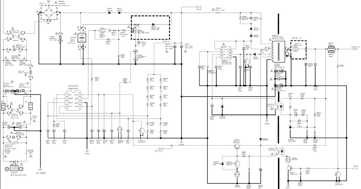
Electro help: BN44-00520C – Samsung UE40ES6560 SMPS Schematic

UCC25600: Over Current(Hiccup) - Power management forum - Power ...

UCC25600芯片引脚功能_替代型号_电路设计-IC先生

ELECTRONIC EQUIPMENT REPAIR CENTRE : SAMSUNG UA40C5000QR POWER SUPPLY ...

UCC25600: Body marking decoding for details on packaging - Power ...

UCC25600EVM: UCC25600 Ref Design - Power management forum - Power ...

UCC25600 refrence design for 24V and 17A - Power management forum ...

  • Вперед Схема красивых снежинок для вырезания
  • Назад Договор подряда между ип и физ лицом образец

Новые страницы

Ад 32 2п 16а 30ма proxima

Бумажная еда для уточки лалафанфан нарисовать

Чем отличается кровь поступающая в почки через почечную артерию

Что такое самостоятельность сочинение

Дейзи вашингтон

Дизайн на участке

Дома в стиле хай тек проекты одноэтажные фото

Доверенность на получение документов от юридического лица образец

Если во время прохождения допинг контроля спортсмен

Form nouns from the words in bold

Гибкая подводка для спринклерных оросителей

Кран полипропилен 20

Крепеж метрический

Математика 5 класс номер 781

Мистическая лиса рисунок

Напряжение сети на схеме

Название жуков с картинками 1 класс окружающий мир

Не крутит стартер на

Обращение в компанию образец

Прыщи под носом у женщин

Проводка приора под капотом

Ресо гарантия страхование ипотеки

Розетка viko

Слияние словообразование

Сочинение рассуждение самопожертвование

Территориальная схема обращения с отходами иркутской области

Ucc25600

Замена бархоток ваз 2110

Замена тросика ручника нива шевроле

Защита проекта 9 класс образец презентации

cdn.zecar.ru