Skip to content

Фотогалерея

  • Главная
  • Контакты

Транзистор bu2508df характеристики

Semiconductor: BU2508DF (BU 2508DF) - SILICON DIFFUSED POWER TRANSISTOR ...

BU2508DF, tranzisztor - Arwill Elektronic

BU2508DF — кремниевый NPN диффузионный транзистор — DataSheet

BU2508DF

TRANSISTOR BU2508DF - Electronica y Mas

Transistor BU2508DF SOT-199 - Cod. Loja 1505 - Wing Shing

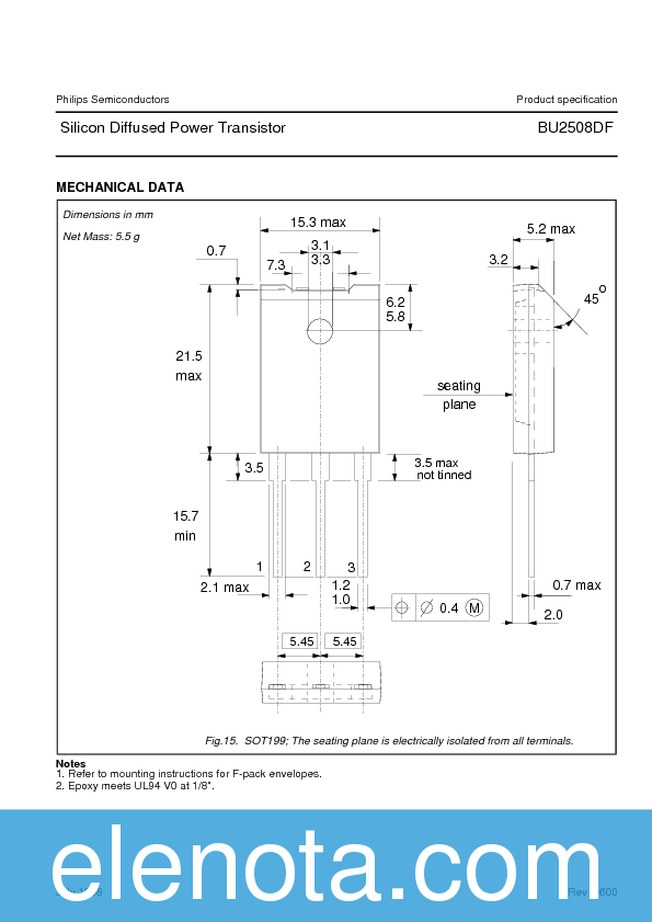
BU2508DF Datasheet PDF (55 KB) Philips | Pobierz z Elenota.pl

Bu2508df Transistor Bjt Npn To-3pml Buy Affordable - Direnc.net®

Transistor BU2508DF

Bipolar Junction Transistor [BU2508DF] .::. Communica Online

Transistor BU2508DF

Bu2508df характеристики на русском языке транзистор

BU2508DF, BG-ELECTRONICS BU2508DF, BU2508

Semiconductor: BU2508A (BU 2508A) - TRANSISTOR SILICON NPN / 1500V / 8A ...

Jual BU2508DF BU2508 ORIGINAL HORIZONTAL TV - Kota Padang - compact ...

BU2508DF NPN TO 3PF 1500V 8A-in Relays from Home Improvement on ...

Транзистор что это? Основные параметры и характеристики, маркировка ...

Electronic Repair and Troubleshooting Tips

Транзисторы

BU508DF NPN+D 1500V 8A 34W SOT93 - SklepElektroniczny

Транзистор BU508: Характеристики, аналоги, цоколевка

Транзисторный ключ вместо реле

Как проверить полевой транзистор - YouTube

Что такое биполярный транзистор и в чем его особенность - Сам электрик

Транзистор S9015: Характеристики и аналоги

A144 транзистор характеристики: Импортные и отечественные мощные ...

40N03P: Характеристики транзистора

Схема транзисторного усилителя мощности | Микросхема ...

FAQ по транзисторам - Форум по электрошокерам

Цоколевка транзистора кт315: Транзистор КТ315 характеристики, цоколевка ...

SMD транзистор - аналоги, маркировка, характеристика Справочник ...

bc547 транзистор характеристики, аналоги, datasheet, распиновка

Определить режим работы биполярного транзистора заданного типа при ...

Транзисторы для сварки

BU2508DF Datasheet PDF (55 KB) Philips | Pobierz z Elenota.pl

  • Вперед Микроавтобус хендай н1
  • Назад Магистральные автобусы в москве маршруты схема

Новые страницы

Акт приема передачи документы образец в ворде

Читательская революция

Электрическая схема лады гранта

Фильм снафф 102

Химия восьмой класс гдз

Https nsportal ru ap library

Инструкции по охране труда в спортивной школе

Карта горьковского водохранилища с глубинами и рыболовными точками

Кран шаровый 50 мм в дюймах

Магазин сантехник

Математика 3 класс учебник стр 80

Математика рабочая тетрадь 4 класс 2 часть кремнева

Мерседес мерин

На связи недвижимость

Натяжение ремня грм калина

Нейропсихолог митино

Обострение польского вопроса

Образуй имена прилагательные от данных имен существительных

Птс на авто из японии

Put the letters in the correct order

Решебник математика рабочая тетрадь 3 класс 2 часть

Ресторан губерния в новочеркасске

Ресторан мама мия омск

Рисунки фея винкс

Русский язык 5 класс ладыженская 2 часть упр 435

Самолет судного дня сша изнутри

Схема электропроводки 3309

Транзистор bu2508df характеристики

Упр 579 русский язык 6 класс ладыженская

Заявление депутату о помощи образец

cdn.zecar.ru