Skip to content

Фотогалерея

  • Главная
  • Контакты

Top265kg

TOP265KG datasheet - Power Integrations TOPSwitch-JX Series Integrated ...

TOP265KG POWER INTEGRATIONS - IC: PMIC | AC/DC switcher,SMPS controller ...

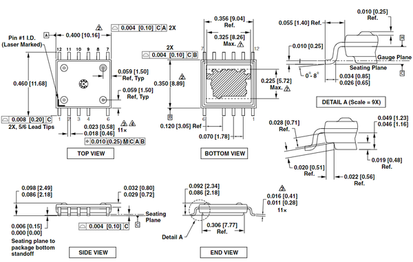
TOP265KG datasheet(12/40 Pages) POWERINT | Integrated Off-Line Switcher ...

TOP265KG-TL ESOP-12B PMIC - A/DC CONVERTER IC - Ulutaş Elektronik

Ic nguồn TOP265KG TOP265K mới

TOP265KG-TL POWER INTEGRATIONS | C568203 - LCSC Electronics

Placa da Fonte monitor Acer V206HQL ORIGINAL | Shopee Brasil

TOP265KG PWM IC FOR COMPUTER MONITORS – LinkServe

TOP265KG电源芯片资料_word文档在线阅读与下载_免费文档

2PCS NEW TOP265KG | eBay

TOP265KG ESOP-11 - Jabbar Electronics

Linh kiện nguồn TOP265KG TOP265 SOP-12 chính hãng Power Integrations

Nye 10stk/masse top265kg top265 sop-11 ic køb online ~ Batterier

Микросхема TOP265KG - купить с доставкой по выгодным ценам в интернет ...

Jual TOP265KG TOP265 di Lapak Jeafany | Bukalapak

TOP265KG Circuito Integrado | Compra en Línea | sgemx.com

IC nguồn TOP265KG TOP265 SOP-12 chính hãng Power Integrations ( Made in ...

5PCS TOP265KG SOP 11 TOP265 SOP11 265KG LCD original authentic-in ...

TOP265KG-TL全新原装现货 POWER_其他IC_维库电子市场网

5PCS ESOP-11Pins/TOP265KG TOP270KG TOP271KG TNY284KG TNY285KG TOP264KG ...

TOP265KG T0P265KG ESOP 11|TOP265KG T0P265KG ESOP-11 | - AliExpress

POWER INTEGRATIONS TOP265KG AC/DC, 53W, 85-264VAC, 11SOP €0.99 ...

TOP265KG TOP265 ESOP-11 电源管理芯片IC | Lazada.co.th

TOP265KG-TL | POWER INTEGRATIONS | AC-DC Controllers & Regulators | JLCPCB

Jual IC TOP265KG TOP 265KG TOP 265 KG IC POWER INTEGRATION LCD di Lapak ...

Store Home Products Feedback

Store Home Products Feedback

Sửa nguồn màn hình Acer 24 inch.Về mạch chạy IC TOP265KG - YouTube

ซ่อม จอ LCD ( diy lcd benq ) ไม่ได้เปลี่ยน C แต่ใช้ power จาก ภายนอก ...

【昌胜电子】全新原装 TOP265KG电源驱动管理芯片 SOP-12_虎窝淘

5ชิ้น TOP265KG SOP-11 TOP265 SOP11 SMD การจัดการพลังงานชิป IC ใหม่เดิม ...

IC nguồn TOP265KG TOP265 SOP-12 chính hãng Power Integrations

IC nguồn TOP265KG TOP265 SOP-12 chính hãng Power Integrations

20pcs TOP265KG new original|original|original new - AliExpress

New Original 10PCS/Lot TOP266EG or TOP266VG TOP266KG or TOP265EG ...

  • Вперед Клубника пирамида
  • Назад Схема управления финансов

Новые страницы

Электронная схема меди

Гдз по английскому 7 класс сборник упражнений ваулина

Гдз по географии 10 класс гладкий николина

Квартиры в холмогорах

Квартиры в талдоме снять

Квартирные перевозки по россии

Латексная одежда женская

Mac косметика интернет магазин

Математика 3 класс стр 45 упр

Математика 4 класс петерсон 1

Молния маквин герои мультика

Муфта нпвх

Нефиксируемая кнопка

Ниссан джити

Ночной клуб пятница во владимире

Образец маршрутного листа

Образец на алименты на ребенка

Объявление требуется продавец образец текста

Погода в дубровно карта осадков

Приказ на прием срочный трудовой договор образец

Разборка в красногорске

Разряд прилагательного стеклянный

Рыжие утки в москве

Схема генератора круз 1.6

Схема меган 1

Срочно продать машину в москве

Страны запада в 1930 сша новый курс рузвельта великобритания национальное правительство презентация

Унр википедия карта

Замена убл

Замена втулок стаба

cdn.zecar.ru