Skip to content

Фотогалерея

  • Главная
  • Контакты

Top223y

TOP223Y - Ponto da Eletrônica.

10pcs/lot TOP223YN TOP223Y TOP223 TO 220 3 imported LCD management chip ...

[二手拆機]拆機 TOP223Y TOP223YN液晶電源管理晶片 141-00256 | 露天市集 | 全台最大的網路購物市集

TOP223Y PWM monolithic integrated circuit diagram - Basic_Circuit ...

Top223y datasheet

5pcs-TOP227YN-TO220-TOP227Y-TO-220-TOP227-TOP226YN-TOP226-TOP225YN ...

TOP223Y Datasheet PDF (179 KB) Power Integrations | Pobierz z Elenota.pl

IC TOP223Y TOP223YN TO-220-3 INTEGRATED CIRCUIT IC TOP top223y to220 ...

IC nguồn TOP223YN, TOP223Y công suất 50w TO-220

TOP223Y datasheet(2/20 Pages) POWERINT | Three-terminal Off-line PWM Switch

TOP223Y构成的双路输出开关稳压电源电路-电路图-AET-中国科技核心期刊-最丰富的电子设计资源平台

10pcs/lot TOP223YN TOP223Y TOP223 TO 220 3 imported LCD management chip ...

TOP223Y микросхема >> недорого купить

TOP223YN TOP223Y TOP223 шим (F6) — купить в Красноярске. Состояние ...

TOP223Y PDF文件_TOP223Y PDF文件在线浏览页面【13/20】-天天IC网

Jual IC TOP223Y TOP 223 Y AC/DC Converter 30W 85-265VAC 50W100/115 ...

TOP223Y(TOP223YN) Free shipping 20PCS|20pcs|freepcs - AliExpress

TOP223Y PDF文件_TOP223Y PDF文件在线浏览页面【15/20】-天天IC网

TOP223Y TOP223Y TOP223 original TO 220-in Integrated Circuits from ...

Semiconductor: TOP223Y (TOP 223Y) - THREE-TERMINAL OFF-LINE PWM SWITCH...

TOP223Y|top223y| - AliExpress

smps dc 파워서플라이 고장수리 top223y, - smps dc power supply error repair - YouTube

Circuito Integrado TOP223Y - Eletro Parts

5PCS TOP223YN TOP223Y TOP223 TO 220 3 imported LCD management chip New ...

TOP223Y | www.vietnic.vn

วงจรรวม TOP223YN TOP223Y TOP223 TOP222YN TOP222Y TOP222 TO-220-3 10 ...

5pcs TOP221YN TOP222YN TOP223YN TOP224YN TOP225YN TOP226YN TOP227YN ...

ICNC25 IC nguồn TOP223Y

Купить новые оригинальные top223yn top223y высокое качество в интернет ...

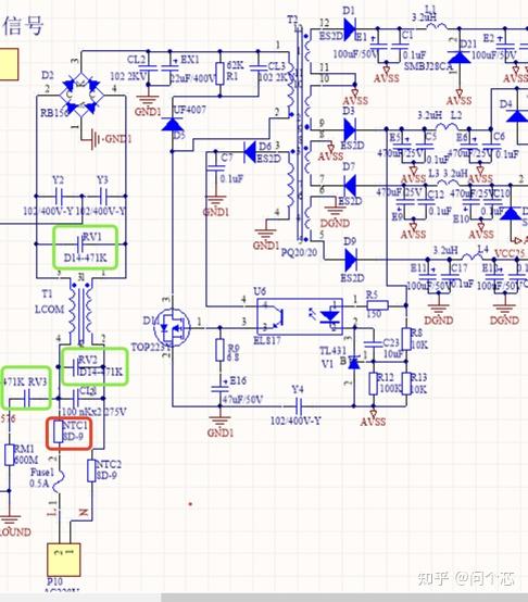
PI TOP223Y的典型应用原理图不防雷击 - 知乎

TOP223Y / 디바이스마트

Изображение

in stock {MT3516A}{TOP223Y TOP223YN}{A7860K HCPL 7860K HP7860K}{D25XB80 ...

Amazon.com: 5PCS TOP223YN TOP223Y TOP223 TOP223 TO-220-3 importado chip ...

TOP227Y Datasheet PDF (179 KB) Power Integrations | Pobierz z Elenota.pl

  • Вперед Из каких элементов состоит схема
  • Назад Бланк для инвентаризации имущества образец

Новые страницы

6118

Алик 29 комплекс набережные челны

Блок питания 24в постоянного тока

Царские палаты картинки для детей

Дачный дом у озера

Экспорт в грузию из россии

Гдз по математике 5 класс арифметика геометрия

Гостиницы в казахстане

Java sdk что это

Кольцо 20

Контрольная работа 8 класс постоянный ток

Ksps

Land rover независимость перелом

Лыжи виды лыжного спорта

Лыжный спорт кубок россии 2023 2024 расписание

Lm7805 to92

Музей моды в москве

Налоговая декларация при продаже автомобиля образец

Неполадки ваз 2110

Понятие абсолютного пространства в механистической картине мира сводится к тому что

С днем рождения тамара николаевна картинки красивые

Сальник течет

Санаторий юность симеиз

Сколько звеньев у ломаной 1 класс ответы на чертеже

Таисия михайловна

Татпроф набережные челны

Труба профильная гост 8639 82

Упр 515

Ваз 2114 как снять дворник

Владимир меньшов в москва слезам не верит

cdn.zecar.ru