Skip to content

Фотогалерея

  • Главная
  • Контакты

Tm1668

LED驱动控制器TM1668 - 家电维修资料网

LED驱动控制专用电路芯片TM1668 - 知乎

TM1668-led驱动电路-led驱动控制芯片-天微代理

TM1668 - SOIC24 - LED Display/Keypad Driver [4916] : Sunrom Electronics

Tm1628 схема включения и datasheet на русском

PDF TM1668 Components

TM1668,TMI1668,SOP24/SSOP24,TM/天微,原装正品,LED驱动IC-阿里巴巴

TM1668 TM(Shenzhen Titan Micro Elec) | LED Drivers - LCSC Electronics

TM1668 PDF - LED Driver control IC ( Datasheet ) - Titan

TM1638驱动数码管的一点建议,附程序 - 技术阅读 - 半导体技术

原装正品 贴片 TM1668 SOP-24 发光二极管显示器驱动控制电路芯片-淘宝网

TM1668 Light emitting Diode Display Drive Control Dedicated Circuit SOP ...

TM1668 Original supply, US $ 2.30-2.50 , Integrated Circuits (ICs ...

点灯之路之TM1668驱动_tm1668驱动程序-CSDN博客

Genuine Electronic led Scanning IC And Keyboard TM1668 Is Assured ...

TM1668 Datasheet PDF - LED drive controller

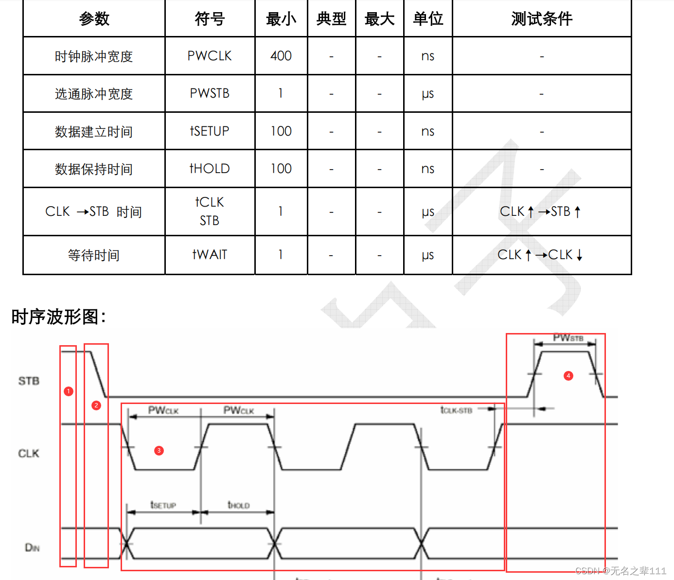
天威TM1668时序驱动调试心得——图4分析最重要——再配合示波器_无名之辈111的博客-CSDN博客_tm1668引脚功能

5pcs TM1668=SM1668 SOP-24 induction cooker chip drive control IC New ...

TM1668 datasheet(16/20 Pages) TITAN | LED drive control dedicated circuit

TM1668 datasheet(15/20 Pages) TITAN | LED drive control dedicated circuit

天威TM1668时序驱动调试心得——图4分析最重要——再配合示波器_无名之辈111的博客-CSDN博客_tm1668引脚功能

TM1668天微LED 驱动控制专用电路-伟诠PD协议芯片-茂睿芯主控芯片-同步整流芯片-合金电阻-MOS管-电源芯片-深圳通盛时代

TM1668 datasheet(19/20 Pages) TITAN | LED drive control dedicated circuit

TM1668 Datasheet pdf - ETC

TM1668_40973.PDF Datasheet Download --- IC-ON-LINE

TM1668 LED 驱动控制专用电路芯片 - 知乎

TM1668 - ita.ovh

【金成发】全新原装 TM1668=SM1668电磁炉芯片_虎窝淘

SM1628C CMS1628 TM1628/TM1668 SM1668 LED驱动/电磁炉芯片贴片_虎窝淘

LED驱动控制器TM1668 - 家电维修资料网

Jual TM1668 SOP 24 | Shopee Indonesia

TM1668 IC quét led và bàn phím chính hãng linh kiện hec | Shopee Việt Nam

电磁炉芯片TM1668 AIP1668可代替 HT1668 sop24【10只8元包邮】_虎窝淘

TM1668 datasheet(7/20 Pages) TITAN | LED drive control dedicated circuit

TM1668 datasheet(5/20 Pages) TITAN | LED drive control dedicated circuit

  • Вперед Как красить типсы для образцов гель лаком последовательность
  • Назад Кронверкский проспект в санкт петербурге

Новые страницы

Бензонасос газель производительность

Cadillac 62 series

Читательский дневник русский лес

Displex

Гдз по английскому языку 7 класс страница 82

График проведения генеральных уборок образец в медицинских учреждениях

Хоккей вид спорта

Карта центрального округа россии с городами и областями

Легкий макияж для карих глаз на каждый день пошаговое для начинающих

Мцд 5 схема станций

Металлопласт 20

Облачный игровой сервер

Образец заявления на отпуск ежегодный оплачиваемый скачать

Образец заявления на продление отпуска по уходу за ребенком до 3 лет

Он не повторяет чужих тем но черпает содержание своих стихов исключительно из глубины своей души

Острый орхит лечение

Предсудебная претензия образец о возврате денежных средств

При раскачивании математического маятника

Прочистка канализационных труб в частном

Программа тренировка спины для девушек

С добрым утром сестричка картинки

Sakura cross reference

Схема метро 2024г

Схема подключения датчика фаз

Список запрещенных лекарств в спорте

Транзистор к2611

Транзистор tip36c характеристики

Установка чердачного люка с лестницей

Витражи альметьевск ресторан

Вызвать шиномонтаж на колесах

cdn.zecar.ru