Skip to content

Фотогалерея

  • Главная
  • Контакты

Tja1020 datasheet

TJA1020 Datasheet PDF (129 KB) Philips | Pobierz z Elenota.pl

TJA1021在成功发送LIN报文时的电平大小 - 昆山皮皮虾 - 博客园

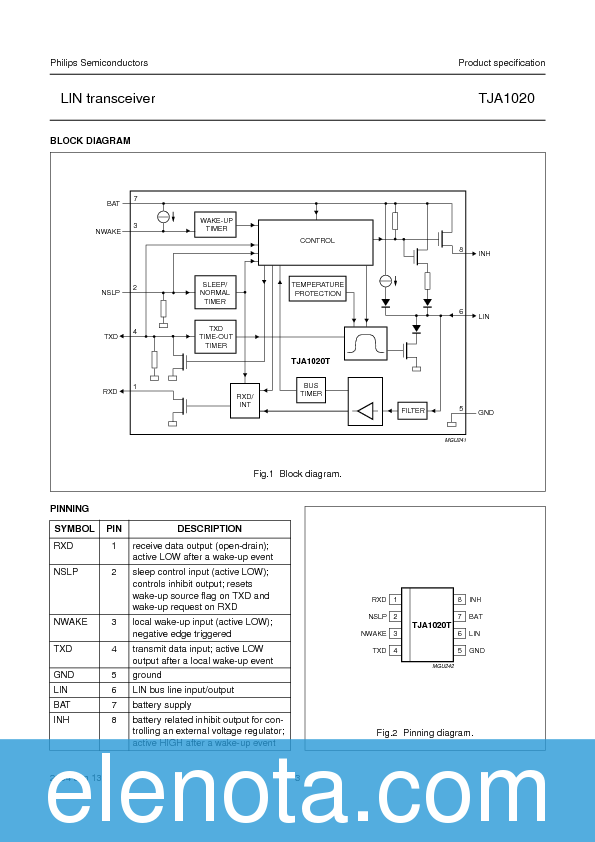
TJA1020 datasheet(4/24 Pages) PHILIPS | LIN transceiver

TJA1020 datasheet(8/24 Pages) PHILIPS | LIN transceiver

ماژول تبدیل سریال TTL به K LIN دارای چیپ TJA1020

TJA1020 datasheet(2/24 Pages) PHILIPS | LIN transceiver

TJA1020 datasheet(18/24 Pages) PHILIPS | LIN transceiver

TJA1020 datasheet(1/24 Pages) PHILIPS | LIN transceiver

TJA1020 datasheet(3/24 Pages) PHILIPS | LIN transceiver

TJA1020 datasheet(17/24 Pages) PHILIPS | LIN transceiver

TJA1020 datasheet(7/24 Pages) PHILIPS | LIN transceiver

TJA1020 datasheet(10/24 Pages) PHILIPS | LIN transceiver

TJA1020 Datasheet PDF (129 KB) Philips | Pobierz z Elenota.pl

TJA1020 Datasheet PDF (129 KB) Philips | Pobierz z Elenota.pl

TJA1020 Datasheet_PDF文件下载_芯片资料查询_维库电子市场网

TJA1020 TTL UART to LIN Bus Converter Data Analyzer K_LINE Date Bus ...

(PDF) TJA1020 Datasheet - LIN transceiver

TJA1020 - Besomi Electronics

Jual NEW ORIGINAL TJA1020 TJA1020T N1 TJA1020T SOP-8 Mantaf di Lapak ...

TJA1020_datasheet-电子发烧友站内搜索

MCP2515 CAN Bus Driver Module Board with TJA1050 Receiver SPI For MCU ...

TJA1020|TJA1020| - AliExpress

TJA1020_百度百科

TJA1020 (SOP-8-SMD)

Tja1020 / Tja1020t Sop8 | MercadoLibre

TJA1050 CAN Bus Transceiver Module, 51% OFF

TJA1020 适用于宝马N52BSD 复位芯片_其他IC_维库电子市场网

TJA1020 8脚 MSV90 BSD通讯故障宝马机油无法复位IC芯片全新进口_其他IC_维库电子市场网

TJA1021 bug...? - NXP Community

آی سی کن باس TJA1020

TJA1020 TJA1020T CAN communication chip for automotive ECU

TJA1020应用指南中文_word文档免费下载_亿佰文档网

TJA1020 - TJA1020T SOP8 - Jabbar Electronics

TJA1020 car ECU CAN BUS transceiver CAN Communication chip

TJA1020's RXD does not apear. - NXP Community

  • Вперед Как лечить простуду дома
  • Назад Lsport плавание

Новые страницы

Авито мастер по мебели

Бально спортивные танцы сайт

Белгородская область карта с районами и поселками с дорогами и деревнями

Домашние фитнес тренировки

Гдз английский 8 класс тренировочные

Гдз по английскому 10 класс spotlight дули

График работы школы образец

Интерметалл

Изотон система тренировок

Как ответить в банк на запрос документов по 115 фз образец

Левашово курган карта

На горячую не заводится дэу нексия

Натрия гипохлорит

Образец письма маме 3 класс

Образец жалобы в жилинспекцию

Объявление об отключении электроэнергии в магазине образец

По тарифному плану просто как день компания сотовой связи 16

Программа спорт результаты

Ремонт кофемашин в симферополе

Рисунок крысы мультяшный

Схема установки шариковых направляющих

Слова русского языка как зеркало нашей истории проект 7 класс на тему по родному языку

Спецификация образец заполнения

Спринтер спорт

Sq1806 0021

Таблицы в ворде образцы

Трубы пвх 110

В магазин привезли 11400 обложек для тетрадей

Зал в театре современник

Заявление об исправлении описки в решении суда гпк рф образец

cdn.zecar.ru