Skip to content

Фотогалерея

  • Главная
  • Контакты

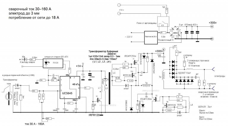
Tig сварка из инвертора своими руками схема

TIG сварка: что это такое? Технология и режимы работы ТИГ-сварки

Сварка как работает: Принцип работы сварочного инвертора - схема и ...

Tig-сварка черного металла: выбор электрода и присадочного материала ...

Сварочная установка для TIG сварки алюминия из \"того что есть\" - Ремонт ...

Сварочный инвертор своими руками - Для умелых рук

TIG СВАРКА СВОИМИ РУКАМИ: ОЧЕНЬ ПРОСТОЙ ОСЦИЛЛЯТОР (ВЫСОКОВОЛЬТНЫЙ ...

Что такое TIG сварка: применение. технология, преимущества

TIG сварка металла аргоном и углекислым газом: технология сварки

Сварочный инвертор своими руками: схема и сборка инверторной сварки

Сварочный инвертор своими руками: схема самодельной инверторной сварки ...

Технологии и оборудование для tig сварки - Сварка Профи

Ремонт сварочного инвертора своими руками

Tig сварка: описание, особенности, оборудование, расходники

Сварочный инвертор своими руками подробная инструкция

Сварочная установка для TIG сварки алюминия из \"того что есть ...

Технологии и оборудование для tig сварки - Сварка Профи

Переделка сварочного инвертора в полуавтомат своими руками

Как модернизировать инвертор для сварки аргоном

Контактная сварка и стыковая из инвертора своими руками: ГОСТ и электроды

Время на чтение: 3 мин

Ремонт сварочных инверторов: как и что чинить своими руками

Как сделать полуавтомат из инвертора своими руками? Переделка ...

Схема сварочного самодельного инвертора – Сварочный инвертор своими руками

Легкий и мощный инвертор для контактной сварки своими руками ...

Сварочный инвертор своими руками: схема и сборка инверторной сварки

Сварочный инвертор своими руками

Описание схемы сварочного инвертора для самостоятельного изготовления ...

Сварочный полуавтомат своими руками из инвертора схема

TIG, MIG сварка — определение, особенности, характеристики -Блог

Аргонная сварка из инвертора своими руками пошагово

Сварка ТИГ инвертором - преимущества и недостатки

ТИГ-сварка: настройка и работа аргонодугового инвертора - 1001Сварка

Как сделать плазморез из сварочного инвертора своими руками – пошаговая ...

Инвертор на тиристорах своими руками

Принципиальная схема сварочного инвертора для различных моделей

  • Вперед Врач проктолог что делает
  • Назад Elm скачать

Новые страницы

Авторазборки в иркутске японских

Чем смазать цилиндры тормозных суппортов

Электронном

Ежик проснулся

Форма метрополитена нового образца

Форма справки 070 у для получения путевки на санаторно курортное лечение образец

Game sports com

Ганс христиан андерсен русалочка краткое содержание

Камаз не горят стоп сигналы

Карбюратор озон воздушные жиклеры

Карта специальной оценки условий труда образец

Кмс спорт курск каталог

Куба любовь моя песня

Ниссан альмера химки

Образец акта об отказе работника от ознакомления с приказом об увольнении

Определение схема 8 класс

Ошибка проверки по схеме

Плавают обороты при нажатии на тормоз

Пончо со схемами

Соединитель медных трубок 6 мм

Составьте схему государственная власть рф

Стихи про дальнобойщиков прикольные

The weather is nice today if it continues

Тонирование седых волос

Уведомление о приеме на работу гражданина таджикистана образец

Уведомление о смене собственника организации образец

Вышивка девочек схемы

Восстановление социальных связей и функций

Заглушить мотор

Заявление на открытие счета образец

cdn.zecar.ru