Skip to content

Фотогалерея

  • Главная
  • Контакты

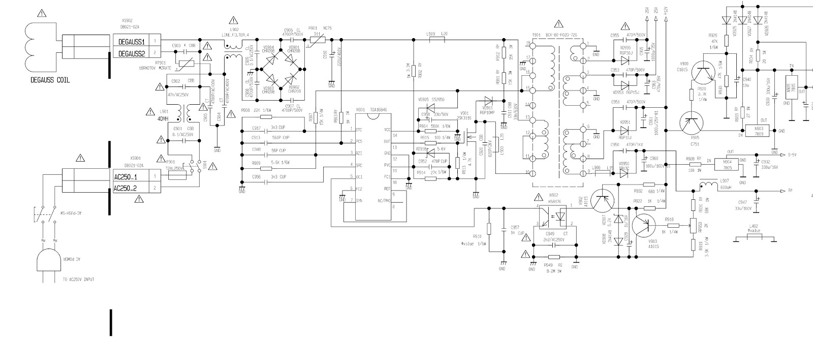
Телевизор akira ct 21fsl4r tt схема

Skema TV AKIRA CT-21FGS1 A21T01 - Lorok™

Инструкция телевизора AKIRA CT-21DS9R.

Инструкция телевизора AKIRA CT-21DS9R.

Инструкция телевизора AKIRA CT-21TR9A, CT-21TR9R, CT-21TR9N, CT-21TR9CP ...

Инструкция телевизора AKIRA CT-21DS9R.

Service manual : AKIRA CT-21HS7_HS9 21HS7_HS9.pdf, 21HS7 21HS9 manual ...

Akira CT-21XD9A шасси CN-9EA

Akira CT-21RBS3Wn схема | Все для ремонта электроники

Akira CT-21DX9R шасси SS1

Инструкция телевизора AKIRA CT-21DS9R.

Akira CT-21FDS1/BN шасси A21T01 (TB1238)

AKIRA CT-14UX9 CHASSIS-SS1 SCH Service Manual download, schematics ...

AKIRA CT-21HS9BN Service Manual download, schematics, eeprom, repair ...

Akira CT-15RAP5/Bn

Всё о телевизорах: Схема телевизора на шасси 3Y01

Master Electronics Repair !: AKIRA CT-34PS9AE COLOR TV CHASSIS - 5P60 ...

Electro help: LG & AKIRA - CT-29K36ET- SMPS (Power Supply) - AUDIO ...

AKIRA неисправности | Секреты телемастера

Akira CT 25DS9AE CT 25DS9AN CT 25FS9A CT 25LS9AE CT 25LS9AN

Телевизор akira ст-21fsl4r | Festima.Ru - Мониторинг объявлений

Инструкция телевизора AKIRA CT-21DS9R.

Cameron 21SL40 / Konka KS21TK402A

Инструкция телевизора AKIRA CT-21DS9R.

AKIRA CT34P-S9AE CHASSIS 5P60 Service Manual download, schematics ...

Шасси 3y11 схема: Akira 14SK9R 3Y11 – [] – i-FlashDrive флешка для всех ...

AKIRA ACH-T-1A, Trony GRK34F-C25 (C32), пульт для телевизор AKIRA CT ...

Sitronics 2139 шасси 3S10

Инструкция К Телевизору Самсунг Ск 5342 Atbr - xilusseeker

Телевизор akira ct-21jul5r (для дачи - самое то) купить в Перми ...

Akira CT-21MSL1R-TT: характеристики, размеры, цены в интернет-магазинах ...

Купить Akira 1402 RC-35009168 всего за 590.00 в Санкт Петербурге

Инструкция телевизора AKIRA CT-21DS9R.

Cameron 21SL40 / Konka KS21TK402A

Шасси 3y11 схема: Akira 14SK9R 3Y11 – [] – i-FlashDrive флешка для всех ...

Electro help: AKIRA 14KLS4-CE TV - [LA-76931 IC] - SERVICE DETAILS ...

  • Вперед Геометрия 8 класс мерзляк номер 533
  • Назад Asus zenfone 2 замена дисплея

Новые страницы

Автомир кулебаки телефон

Билан белив ми

Брелок шерхан ремонт

Должностная инструкция бухгалтера материального стола образец

Евроспорт 1 телепрограмма на сегодня

Футорка переходная

Как менять трос сцепления на приора

Как правильно весит или висит картина

Какое самое сильное снотворное

Карта осадков велиж на сегодня

Картинка методическая копилка воспитателя детского сада

Колодки техтар отзывы

Май в парке

Модульный спортзал

Mystery mar 979uc инструкция

Нексия сливная пробка на блоке

Образец обжалование постановления об административном правонарушении в суде

Относительная автономность частей организации ориентированных на продукт программу или проект

Пропорции фигуры человека схемы

Растяжка с выпадом в сторону

Санаторий зорька туапсинский район

Схема маршрута т

Схема отопление фото

Схема подключения 4 контактного

Склонность к профессиональной деятельности для анкеты в военкомат образец заполненный образец

Справка о периодах работы в пенсионный фонд образец

Уаз буханка прокачка тормозов

Волго балтийский канал карта

Янкелевич евгений толмачево аэропорт

Замена торпеды ваз 2106

cdn.zecar.ru