Skip to content

Фотогалерея

  • Главная
  • Контакты

Техдок toyota

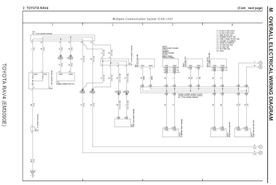
Немного о диагностике — Toyota RAV4 (IV), 2 л, 2013 года | электроника ...

Toyota Suv, Toyota Hilux, Toyota Land Cruiser Prado, Bmw Scrambler ...

Немного о диагностике — Toyota RAV4 (IV), 2 л, 2013 года | электроника ...

Немного о диагностике — Toyota RAV4 (IV), 2 л, 2013 года | электроника ...

Toyota, Lexus recall December 2023: airbag defect 1 million vehicles

Toyota finally brings Android Auto to select cars and trucks | TechRadar

2024 Toyota Tundra 1794 Limited Edition Image. Photo 6 of 19

Takamoto Katsuta Latest News, Videos, Photos and More

Немного о диагностике — Toyota RAV4 (IV), 2 л, 2013 года | электроника ...

New Toyota Vehicles for Sale | Search Vernon Toyota Inventory in BC

【入荷情報】TOYOTA/ハイエースバン スーパーGL(BK) | THE RESTAURANT

Toyota

IT HELPDESK TOYOTA YASOTHORN - สมัครสมาชิก

Toyota EVs make a massive U-turn to bring back gearboxes and stalling ...

トヨタ自動車株式会社 on Twitter: "#COROLLAMUSICHUNT #CENT"

スポーツカー並みの怒涛の加速! 充電できるトヨタ新型「プリウスPHEV」2023年3月頃発売へ! ★2 : タモで向けろ

We used Toyota's new infotainment system in the bZ4X and it's a huge ...

Toyota USA on Twitter: "Vote now for your favorite community ...

Owner: @solus86 / #rawdriving Photo: @mikekuhnracing Tuner Cars, Jdm ...

Green toyota prius v prius+

AutoSpies.com - iPhone Edition

Toyota tacoma offroading in the desert

Metal Garages, Toyota Corolla, Crossovers, Lineup, Toy Car, Suv ...

Toyota edges closer to solid-state EV batteries – and they could be a ...

トヨタ自動車株式会社 on Twitter: "僕らは勝つためにここにいるんだよね? 次の100年のためにここにいるんだよね? みんなの心を ...

Toyota cross car

Neon cityscape with a parked toyota corolla ae86 on Craiyon

Toyota Vigo Champ 2005-2016 Front Grill Logo

New Toyota Vehicle Inventory | Prince George Toyota Dealership

Coloring Pages For Boys, Printable Coloring Pages, Paper Car, Bright ...

New Toyota App Helps Ensure Correct Car Seat Installation ...

Pengacara Korban Penggelapan Mobil HIACE Minta Polresta

Tuned toyota supra mk4 on Craiyon

Neon-lit toyota corolla ae86 in the city on Craiyon

STEP 2: Toyota Car Reviews - Malaysia Digit 1001 Best Car Reviews

  • Вперед Как заполнять ттн для перевозки груза образец заполненный
  • Назад Инструмент для прочистки канализации

Новые страницы

008R12990

701 Какой оператор и регион город

893 Алгебра 8 класс

Экспорт мяса

Гдз по немецкому 8 класс горизонты рабочая тетрадь аверин

Гдз по русскому 3 класс учебник мелихова

Гдз русский язык 5 класс упр 606

Госдума план мероприятий

Ходатайство о вызове свидетелей в арбитражный суд образец

Индуктивный нагреватель своими руками схема

Как на ваз

Картинки с днем рождения мальчику 8 лет прикольные

Контурная карта по истории 8 класс просвещение

Мармарис парк отель 5 звезд все включено 1 линия цены

Образец договора с управляющей компанией многоквартирного дома

Полнолуние в горах

Презентация военные походы фараонов 5 класс презентация

Прокладка силиконовая 1 1 2 дюйма

Развертка коробки чертеж с размерами

Решение о некрупной сделке образец для ооо

Рифма в стихотворении тихая моя родина

Схема эвакуации людей в случае пожара

Смелые поступки печорина

Спокойной ночи папа картинки

Спорт пикап

Спортсмены колумбии

Тренинг обучения навыкам

Винзили карта с улицами

Замена амортизаторов на стиральной машине аристон

Зонд схема подключения

cdn.zecar.ru