Skip to content

Фотогалерея

  • Главная
  • Контакты

Tds2285

Free Shipping 5pcs/ lot TDS2285 TDS2285 50 S2285 DIP 14 new good ...

TDS2285 datasheet, chip equivalent, Union Power

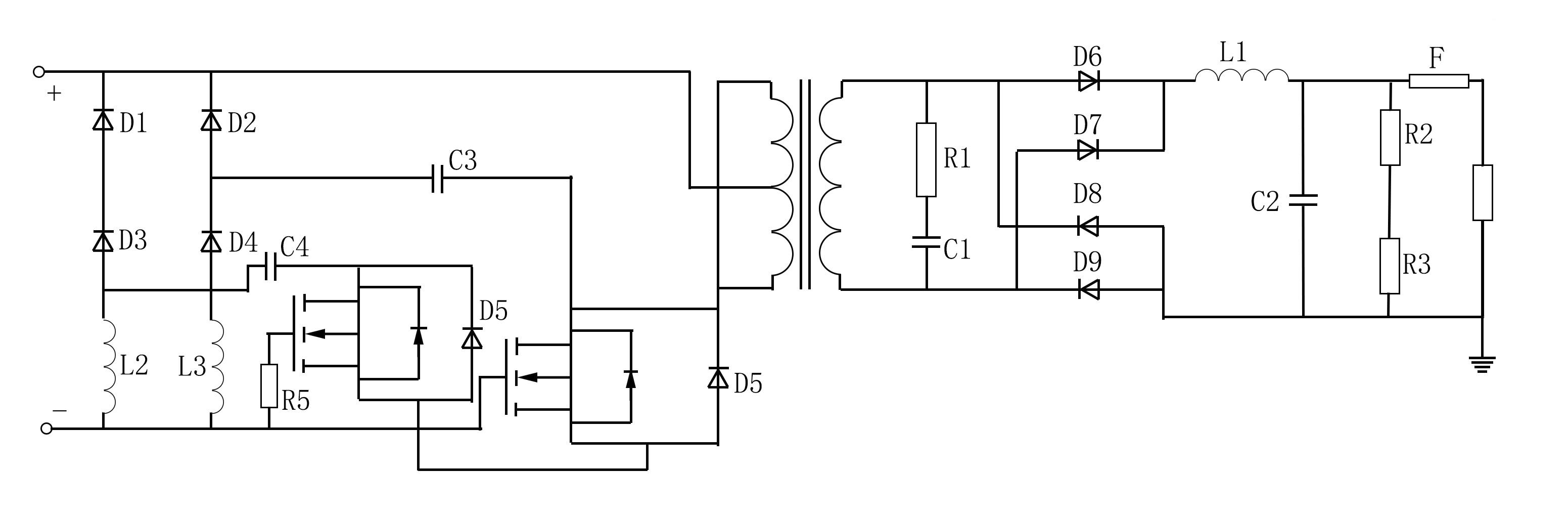
Power Inverter Schematic Diagram

TDS2285_41196.PDF Datasheet Download --- IC-ON-LINE

TDS2285 PDF - Pure Sine Wave Inverter Control Chip

TDS2285 PDF - Pure Sine Wave Inverter Control Chip

12 Volt 1000 Watt Power Inverter Design Process | GoHz.com

12 Volt 1000 Watt Power Inverter Design Process | GoHz.com

12 Volt 1000 Watt Power Inverter Design Process | GoHz.com

12 Volt 1000 Watt Power Inverter Design Process | GoHz.com

SUNYIMA 2000W 3000W 12A Sine Wave Inverter Sendust SPWM filter ...

500W Sine Wave Inverter Processing Guide

Sea Tds Water Quality Probe Tds Detection Pen,Tds Conductivity Probe ...

1000w 12V DC Home Power Inverter Circuit Board Design

1000-1800w 1.8mh 6.5a Sendust Spwm Filtering Sine Wave Inverter Filter ...

1000-1800w 1.8mh 6.5a Sendust Spwm Filtering Sine Wave Inverter Filter ...

1000-1800w 1.8mh 6.5a Sendust Spwm Filtering Sine Wave Inverter Filter ...

1000-1800w 3.3mh 4.0a Sendust Spwm Filtering Sine Wave Inverter Filter ...

1000-1800w 3.3mh 4.0a Sendust Spwm Filtering Sine Wave Inverter Filter ...

12V to 220V Homemade Car Inverter Detailed Annotation

Mytek and TCL LCD TV – power supply circuit diagram

600w Pure Sine Wave Power Inverter Design

12V 300W Uni-polar Isolation Pure Sine Wave Inverter Design

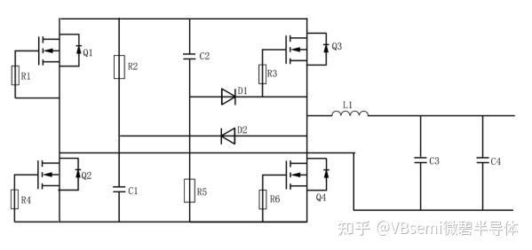
MOS管应用在车载电源转换器上总体结构设计思路 - 知乎

MOS管应用在车载电源转换器上总体结构设计思路 - 知乎

MOS管在车载逆变电源中的解决方案_搜狐汽车_搜狐网

tds2285-电子发烧友网

NE555的无源蜂鸣器振荡电路-电源网

TDS2285, TDS2285-50, S2285 DIP-14 - Linh Kiện 79

TDS2285正弦波逆变控制芯片的数据手册免费下载-电子电路图,电子技术资料网站

msp430f149单片机(spwm驱动波形有毛刺) - 24小时必答区

谢师帖!一时高兴,秀秀我做的TDS2285 IGBT单管驱动板。-电源网

有外壳的逆变器制作全过程-电源网

纯手工打造2.5KW大功率H桥模块,有图有真相,还有资料(包含CAD文件)-电源网技术论坛-电源网

RU6099+TL494+TDS2285+IRF840玩足功率的500W正弦波!-电源网技术论坛-电源网

  • Вперед Return the gesture
  • Назад Вскрытие авто фото

Новые страницы

627 Математика 5 класс

Афанасьева дули 10 класс гдз

Bta316

Canl? yay?n cbc sport azerbaycan izle

Цели и задачи спортивной медицины

Читательский дневник маугли киплинга

Фото клавиатуры компьютера крупным планом с русскими

Хесбургер петропавловск камчатский

Как выражается сила тока в цепи до ее разветвления через силы токов в отдельных

Кроссовер настройка

Круг цветовой

Математика 267 4 класс 2 часть

Методы психологической подготовки в спорте

Песня из мультфильма анастасия на английском

Подкатной домкрат перестал поднимать

Подпишите обозначенные цифрами зональные типы почв на территории российской федерации

Последовательность событий первой российской революции

Постановление о назначении трасологической экспертизы образец

Прикол про зуб мудрости картинки

Размагничивание форсунок

Самолет из картона чертежи

Схема блендера поларис

Схема для варежек жаккардом

Схема шалей паучки

Схематически дерево кустарник травянистое растение

Стабилизатор тока на lm2576 схема

Труба 100х100 вес

Трудовой контракт с работником образец

Утепление стен каркасного дома минеральной ватой

Замена втягивающего ваз 2109

cdn.zecar.ru