Skip to content

Фотогалерея

  • Главная
  • Контакты

Tda2822m схема подключения

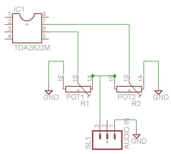
Tda2822m схема усилителя с регулятором громкости

радиоэлектроника для начинающих.радиоэлементы.микросхемы.tda2822

Усилители

Усилитель мощности звуковой частоты на микросхеме TDA2822 класса AB ...

AMP-TDA2822M-Stereo (PCB/KIT) - Полупроводниковые усилители и платы ...

Усилитель НЧ на микросхеме TDA2822, для маломощной колонки

Tda2822M схема усилителя: Большая статья о маленьком усилителе на ...

Uklad na tda2822m - jak podlaczyc?? - elektroda.pl

Слуховой аппарат на микросхеме tda2822m своими руками

УСИЛИТЕЛИ ЗВУКА СВОИМИ РУКАМИ

Схема tda2822m

Tda2822M схема усилителя: Большая статья о маленьком усилителе на ...

Микросхема tda2822

Tda2822M схема усилителя: Большая статья о маленьком усилителе на ...

Микросхема TDA2822M DIP8 (TDA2822)

Функциональная схема TDA2822M — МегаЛекции

Tda2822M схема усилителя: Большая статья о маленьком усилителе на ...

TDA2822M - УНЧ - МИКРОСХЕМЫ - Электронные компоненты (каталог ...

Tda2822M схема усилителя: Большая статья о маленьком усилителе на ...

Tda2822M схема усилителя: Большая статья о маленьком усилителе на ...

TDA2822 stereo amplifier & datasheet | Electronic circuit projects ...

Усилитель на TDA2822M

Усилитель На Tda2822M - Страница 7 - УМЗЧ на интегральных и гибридных ...

Усилитель на TDA2822M 2x1Вт

Микросхема TDA2822M: datasheet, схема усилителя, характеристики и аналоги

Tda2822M схема усилителя: Большая статья о маленьком усилителе на ...

Усилитель на TDA2822 - Технический форум

TDA2822M Datasheet. Www.s manuals.com. St

Tda2822M схема усилителя: Большая статья о маленьком усилителе на ...

Интегральная микросхема TDA2822M (TDA2822) - низковольтный (от 1,8 в ...

Усилитель на TDA2822M (мостовое включение)

Интегр.схема TDA2822M DIP-8 - КСП Електроникс

Podwojny wzmacniacz tda2822m regulacja glosnosci - elektroda.pl

Акустическая велофара

  • Вперед Упр 170 2 класс
  • Назад Сумочка спортивная

Новые страницы

4 Советская улица санкт петербург

Аттракционы в омске на зеленом острове

Автошкола орлан электроугли

Диагностический разъем ниссан максима

Дизайн проект детской

Должностная инструкция с материальной ответственностью образец

Где находится лопатка у человека на изображении человека

Гдз по русскому языку 359

Гостиница санкт петербург на невском

Ha13173ah схема подключения

Изучение механизма наследственности

Как правильно составить ходатайство в суд по гражданскому делу образец

Как выбрать видеорегистратор для автомобиля главная дорога

Карта оренбурга ленинский район

Карта земной круг аберкромби на русском

Lg xb d65x

Не веселый а грустный вид не решен вовремя вовсе не плохая картина

Объявление на поиск уборщицы образец

Окр мир стр 62

Пермь карта города с улицами и номерами домов панорама

Пишем грамотно 3 класс 2 часть гдз

Прокачка ваз 2109

Пропадает искра на ваз 2109 инжектор

Сергиев посад лавра достопримечательности

Shutt box

Стас эрдлей

Tda2822m схема подключения

Тренировка состоится

Тренировочные примеры умножение

Заряд у хлора

cdn.zecar.ru