Skip to content

Фотогалерея

  • Главная
  • Контакты

Tda16846

TDA16846 niewłaściwy przebieg i przydźwięk na standby

AVEST TRB2109 M5ENGV1 TB1238AN TDA16846 TV D Service Manual download ...

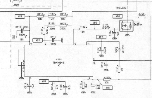
TDA16846

TDA16846 2 p TDA16846P TDA16846 Switching Power IC Chip DIP 14 Package ...

tda16846-2 - YoReparo

Tda16846p Tda16846 Dip-14 Circuito Integrado | MercadoLibre

KONKA 818SCH-WITH LC863500,LA76818,TDA16846 Service Manual download ...

TDA16846 Datasheet PDF (352 KB) Infineon | Pobierz z Elenota.pl

Przetwornica na TDA16846 - chassis TV17 - próbkuje.

Master Electronics Repair !: FALCON 54 / 51 / 37TC6153 - TV - POWER ...

RCA 20F510TD - TDA9377PS-N3-A-1696 , TDA16846 , TDA2616 , TD SCH ...

TDA16846 integrated block internal box circuit - Automotive_Circuit ...

TDA16846-2 Infineon - Power Management ICs - Ovaga Technologies

TDA16846 Datasheet PDF (352 KB) Infineon | Pobierz z Elenota.pl

TCL M28I - TMPA8821 , TDA16846 , STV9302 LA78040 , TDA72 SCH Service ...

Infineon TDA16846-2G GEG *1 Stück* *NOS* | eBay

TDA16846 datasheet(3/28 Pages) INFINEON | ICs for Consumer Electronics

5PCS TDA16846P TDA16846 DIP-14 | Lazada PH

TDA16888 TDA16888G TDA16846P TDA16846-2P TDA16846_虎窝淘

TDA16846(P) контроллер >> недорого купить

TDA16846-SMD | Zutech.ro

Jual ic TDA16846 / TDA 16846 Original | Shopee Indonesia

Микросхема TDA16846 P купить в Владимире цена 90,00 Р на DIRECTLOT.RU ...

⭐ Микросхема TDA16846. Низкие цены. На складе в наличии.

Tda16846p TDA16846-2สวิตซ์แหล่งจ่ายไฟรวมออริจินอลสั่งตรงเปลี่ยนได้เลย ...

【汕头先锋电子】TDA16846 TDA16846P开关电源IC_虎窝淘

[TDA16846 TDA16846P IC] [L6562 L6562N] [2SC5048 C5048 1500V 12A 50W ...

TDA16846 2P TDA16846 2 TDA16846 DIP14 50PCS|วงจรรวม| - AliExpress

KONKA SCHEMATIC DIAGRAMS T2568K-TDA9383,LA7845,TDA16846- Service Manual ...

10 Peças Circuito Integrado Tda16846 Puro - 14 Pinos | Mercado Livre

Ремонт телевизоров: Konka K2107AZ1 (Не включается, питание на TDA16846)

Circuit integrat TDA16846 - 011010

TV Philips - TDA16846, IRF840 - jaki to model? - elektroda.pl

TDA16846 pin functions and data circuit - Automotive_Circuit - Circuit ...

10 개/몫 TDA16846 2 P TDA16846P TDA16846 스위칭 공급 칩 DIP14|반도체 집적회로 ...

  • Вперед Длина аутлендера xl
  • Назад Чертеж ковша сиденья

Новые страницы

Azimut отель олимпик москва

Для посева заготовили семена

Допиши пословицы

G 64

Гдз по математике 5 класс номер 849

Гдз по русскому языку 7 класс номер 317

Характеристика на ребенка для пмпк образец от воспитателя подготовительной группы

Хвощи плауны папоротники

Imi hydronic engineering

Как дрифтить на заднем приводе

Как написать частную жалобу на определение мирового судьи образец

Лада гранта буксует сцепление

Оригами дракончик схема

Ответы по математике 2 класс 2 часть стр 88

П 215

Плотина на реке большой иргиз

Прекрасному человеку с красивой душой и добрым сердечком картинки

Приказ отпуск за свой счет образец т 6 скачать бланк

Принцип работы нш 32 схема

Распиновка магнитолы аура

Развитие экстремального спорта

Санкт петербурге сайт метро схема

Схема сословий при петре 1

Сколько стоит замена крана на кухне расценки

Тест на сколько ты пошлый с картинками

Замена ресивера триколор на новый

Землеустроительная экспертиза образец

Журнал вот детский журнал с картинками про все на свете

Зкп рб официальный сайт публичная карта кадастровая

Злой гусь рисунок

cdn.zecar.ru