Skip to content

Фотогалерея

  • Главная
  • Контакты

Tda1085c схема управления двигателем

Tda1085c схема управления двигателем купить

Tda1085c схема управления двигателем от стиральной машины

Схема блока управления коллекторным двигателем с обратной связью по частоте

Схема управления двигателем стиральной машины

DIY motor control with hall sensor. Schematic and Komitart LAY6.

Схема управления двигателем стиральной машины

Tda1085c схема управления двигателем своими руками

Tda1085c схема управления двигателем своими руками печатная плата

Tda1085C схема управления двигателем: Tda1085c схема управления ...

Схема управления двигателем стиральной машины

Tda1085C схема управления двигателем: Tda1085c схема управления ...

Motor Control: Схемы регуляторов на TDA1085C | Схемотехника ...

Tda1085c схема управления двигателем от стиральной машины

Схема блока управления коллекторным двигателем с обратной связью по частоте

Схема управления двигателем стиральной машины

Электрическая схема управления двигателем насоса - БМВ Мастер - Автожурнал

Tda1085 схема управления двигателем: Tda1085c схема управления ...

Tda1085 схема управления двигателем: Tda1085c схема управления ...

Tda1085c схема управления двигателем от стиральной машины

Tda1085c схема управления двигателем от стиральной машины - Схемы

Tda1085c схема управления двигателем от стиральной машины

Блок управления двигателем 0261201895 Джили мк | Festima.Ru – частные ...

Электрические схемы контроллеров управления

Tda1085 схема управления двигателем: Tda1085c схема управления ...

Tda1085 схема управления двигателем: Tda1085c схема управления ...

Схема управления двигателем стиральной машины

Tda1085 схема управления двигателем: Motor Control: Схемы регуляторов ...

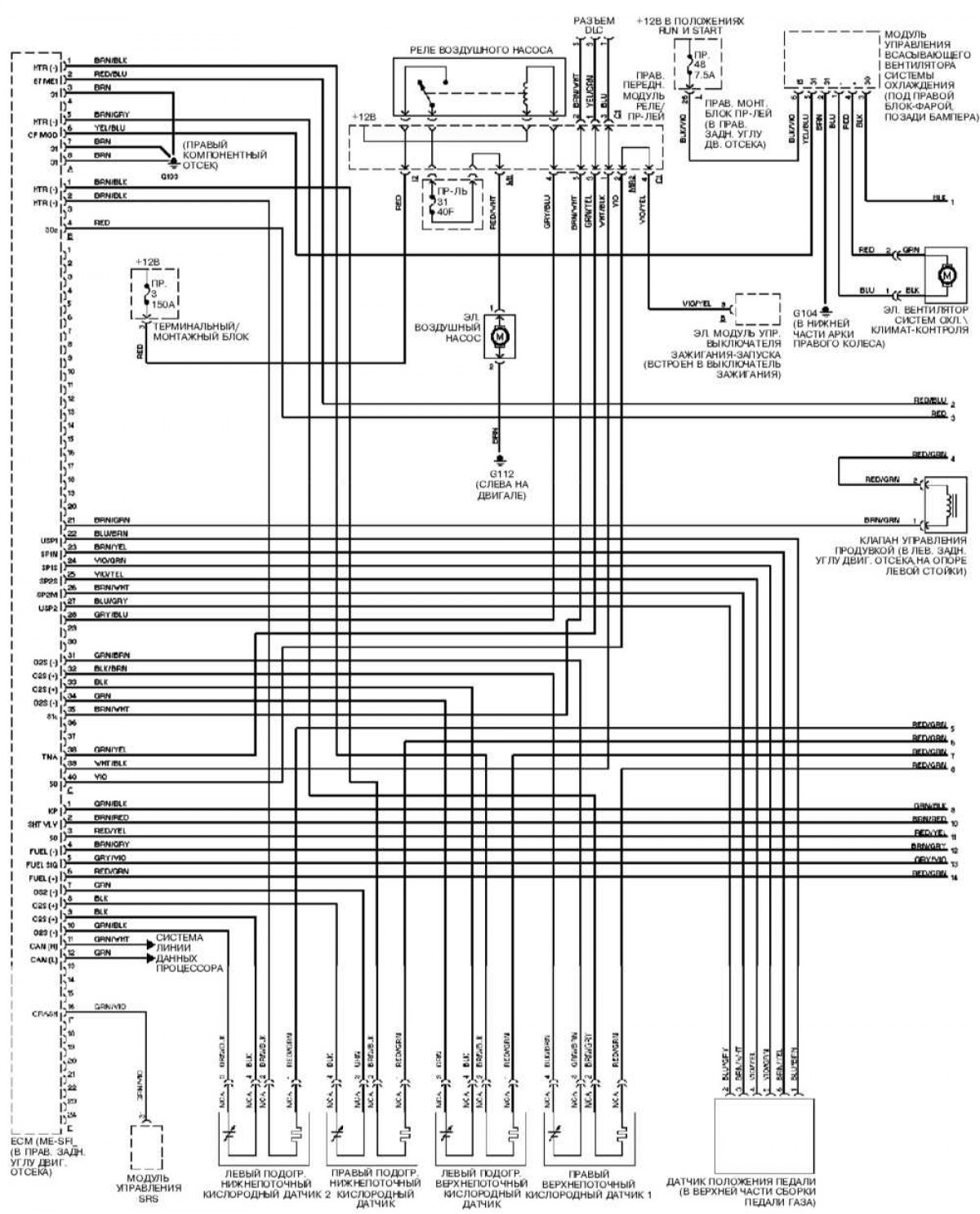
Система управления двигателем М112 (Мерседес-Бенц W220 1998-2005 ...

Схема СУД двигателем ВАЗ-21214

Схема 3-5. Блок управления двигателем, выключатель круиз-контроля ...

Схема системы управления двигателем Лада Гранта

Tda1085 схема управления двигателем: Tda1085c схема управления ...

Схема управления двигателем стиральной машины

Купить умная электроника интегрированный схема микросхема tda1085c ...

Блок управления BOSCH 114 - двиг. КАМАЗ EDC7UC31 - 0 281 020 114

  • Вперед Идти на тренировку
  • Назад Прошнуровано образец

Новые страницы

Биография написать образец для работы

Что такое ядерный реактор

Гдз математика 1 учебник 2 часть

Готовое домашнее задание по английскому языку 4 класс рабочая тетрадь 2 часть

Хомут ремонтный для труб водоснабжения

Как правильно заполнить личную карточку работника т 2 образец заполнения

Как включить зажигание без ключа

Карты для тренировки префаера в кс 2

Колонки gembird spk 301 схема

Ланцер перевод

Линейный ток в схеме звезда

Мегаомметр радио сервис е6 32 с поверкой

Наливай картинки прикольные

Ника химчистка

Ниссан санни магнитола распиновка

Нива не заводится на холодную

Образец заявления гбу жилищник

Осаго род

Помимо тренировок

Ппн 37 160а

Простатэктомия что это такое

Растяжка голеностопа упражнения

Редярск красноярск новости спорта

Шампиньон тип питания автотрофный или гетеротрофный

Старт ру

Сто виадук омск

Связать грелку на чайник крючком с описанием и схемами

Запись в трудовой книжке о смене фамилии в связи с заключением брака образец

Заповедник алтайский

Звук ш автоматизация речевой материал в картинках

cdn.zecar.ru