Skip to content

Фотогалерея

  • Главная
  • Контакты

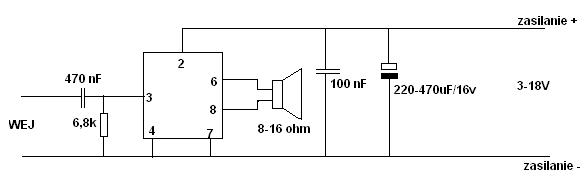
Тда 7056 схема усилителя

Усилитель НЧ на TDA7056 своими руками | Мастер Винтик. Всё своими руками!

Унч на Tda7056 - аудио - схемы - Главная - RADIOSHEMA

TDA7056 datasheet(7/8 Pages) PHILIPS | 3 W mono BTL audio output amplifier

Тда 7056 схема

SKEMA RANGKAIAN AMPLIFIER: Simpel Amplifier TDA7056

Усилитель на микросхеме TDA7056b. Сайт. Усилитель на микросхеме ILA7056 ...

Усилитель На Tda7056a - prikazkeen

Схема УНЧ с регулятором громкости на микросхеме TDA7056B (5Вт ...

Микросхема тда 7050 характеристики

Wzmacniacz na TDA 7056 jak to zrobic ? - elektroda.pl

Усилитель мощности звуковой частоты (УМЗЧ) на TDA7050. Схема

TDA7056B | Сабвуфер своими руками

Wzmacniacz TDA 7056 Prosze o informacje. - elektroda.pl

Тда 7056 усилитель звука схема — купить по низкой цене на Яндекс Маркете

Усилители звука на микросхемах

Resultado de imagem para circuit diagram tda 7056 pdf | Circuit diagram ...

Схема усилителя звука

Мощный усилитель звука на микросхеме тда 2030а

Ремонт усилителей мощности на микросхемах | Сабвуфер своими руками

Микросхема тда 2003 усилитель

Схемы простых усилителей низкой частоты для радиоприемников | Усилитель ...

Усилитель низкой частоты • HamRadio

Реанимация автомобильного усилителя

Принципиальная схема усилителя

Радио Схемы - Упрощенный вариант схемы усилителя мощности класса В

Схема усилителя тда 2030а: TDA2030A — схема усилителя — RadioRadar ...

Простой усилитель класса А - Усилители на транзисторах ...

Усилитель мощности на 27 МГц

Усилитель на тда 1519 своими руками

Схемы усилителей мощности на германиевых транзисторах. Секреты звучания ...

Микросхема тда 2030 схема усилителя

Усилитель на микросхеме серии ТДА

Semiconductor: TDA7056 (TDA 7056) - 3W MONO BTL AUDIO OUTPUT AMPLIFIER...

Усилитель для сабвуфера 300 Вт

Wzmacniacz na TDA 7056 jak to zrobic ? - elektroda.pl

  • Вперед Икона св николая чудотворца
  • Назад Этикетка озон 75 120 образец для печати

Новые страницы

Аральское море 2022

Гдз по английскому 8 класс spotlight стр 131

Геометрия 10 сынып гдз смирнов т?я?ов

Гидроксид натрия и ортофосфорная кислота

Инструкция к автосигнализации starline с автозапуском

Как поменять лампочки на панели приборов газель

Как правильно лечить ларингит

Как убрать ржавчину с кузова машины

Карта молдавии и гагаузии на русском языке

Картинка для копилки от 10 до 1000

Книга старикам тут не место

Комаров наводнение

Лада приора и лада гранта сравнение

Математика 4 класс учебник стр 71 номер 19

Молодые красивые спортсменки

Мост через волгу в ярославле схема где будет проходить третий

Настройка краскопульта для покраски

Обработка от крыс в квартире

Письменное поручение должника третьему лицу образец

Плетистая роза пьер де ронсар

Порядковый номер алфавита

Презентационное письмо образец

Ремонт дверного замка входных дверей

Ремонт лодок риб

Рыбалка кольчугинское водохранилище

Страны крупные экспортеры каменного угля

Тренировочные варианты устного огэ

Турция 5 ультра отели

Замена передних тормозных колодок на ниве 2131

Заставка dvd предупреждение союзмультфильм и крупный план

cdn.zecar.ru