Skip to content

Фотогалерея

  • Главная
  • Контакты

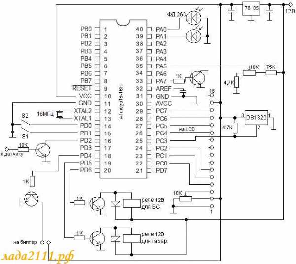
Тахометр ваз 2110 схема

Распиновка тахометр ваз 2110

не работает тахометр ваз 2110 — Lada 21102, 1,5 л, 2000 года ...

Где находится масса на тахометр ваз 2110 - фото

Схема подключения приборной панели ваз 2110. Почему не работает ...

Тахометр ваз 2110

Где находится масса на тахометр ваз 2110 - фото

ВАЗ 2110-11-12 не работает спидометр и зависает тахометр. - YouTube

Схема подключения тахометра ваз

Не работает тахометр и спидометр ваз 2114 - YouTube

Схема подключения электронного спидометра

Шаговый двигатель для комбинации приборов VDO ВАЗ 2110-2112, 2113-2115 ...

Схема подключения приборной панели ваз 2110. Почему не работает ...

Тахометр универсальный со счетчиком моточасов - купить по выгодной цене ...

Ставлю тахометр в ВАЗ 2105 - YouTube

Тахометр на ваз 2109 карбюратор низкая панель

Не работает тахометр ВАЗ-2107 инжектор: причины, схема подключения, замена

Электросхема ваз 2110 карбюратор 1999 года выпуска

Схема подключения приборной панели ваз 2110. Почему не работает ...

Схема электропроводки ваз 2110 инжектор 8 клапанов с описанием - New Lada

Как подключить тахометр на ВАЗ-2105: схема

Схема электрооборудования автомобиля ВАЗ-2110

Схема подключения приборной панели ваз 2110. Почему не работает ...

Схема подключения приборной панели ваз 2110. Почему не работает ...

Схема ваз 2110 спидометра. Схема соединений контрольных приборов ВАЗ ...

Как отрегулировать тахометр ваз 2106

Тахометр ВАЗ-2106: схема подключения, что делать, если прыгает стрелка ...

Ваз 2110 не работает тахометр - Автожурнал MyDucato

Схема подключения приборной панели ваз 2110. Почему не работает ...

Схема подключения приборной панели ваз 2110. Почему не работает ...

Тахометр ВАЗ 2106 - важный прибор контроля

Схема дд ваз 2110

Не работает тахометр ВАЗ-2107 инжектор: причины, схема подключения, замена

Схема предохранителей ваз 2110 карбюратор - avtoshkolak.ru

Тахометр: принцип действия, виды, устройство и правила подключения ...

Схема подключения тахометра ВАЗ

  • Вперед Грузовая машина проехала 336 км
  • Назад Ларгус перепрошивка двигателя

Новые страницы

Backuppc настройка

Белый русский коктейль рецепт

Бизнес кассовые аппараты

Что за прелесть эта наташа

Диагностика подвески на вибростенде спб

Гдз по русскому языку 7 класс ладыженская 2 часть упр 505

Ханука

Кафе пирамида на тверской

Капор женский связать схема

Карта общероссийский профсоюз образования как пользоваться

Картина в картине как называется прием

Картинка сыну от мамы с любовью просто так

Картинки картошки для презентации

Кемерово тц радуга карта

Компания dns

Мама длинные ноги рисунок

Масло в топливном баке

Массаж пазух носа при гайморите и синусите техника выполнения в картинках

Мерс 124 предохранители

Подкапотное пространство ваз 2109 карбюратор

Портфолио на аккредитацию врача образец

Программа тренировок дома неделя

Расколим или расколем какое спряжение

Рымкевич 1142

Схема причины гражданской войны

Свистит ремень грм на холодную

Тахометр ваз 2110 схема

Тренинг новый год

Установка сигнализации с автозапуском новосибирск томагавк

Замена прокладки теплообменника

cdn.zecar.ru