Skip to content

Фотогалерея

  • Главная
  • Контакты

Ta2111n приемник

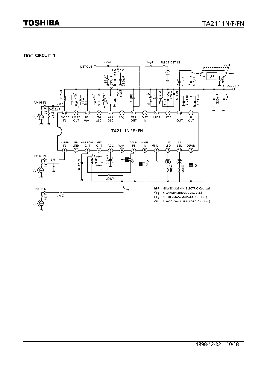
TA2111N Datasheet - 3 V AM/FM 1 Chip Tuner IC - Toshiba

TA2111N (Toshiba) - 3V AM/FM 1 CHIP TUNER IC | HTML.datasheet

5piece Ta2111n Ta2111ng Am/fm Dip-24 | Lazada PH

SERWIS

TA2111N PDIP-24 CHIP TUNER IC - Ulutaş Elektronik

TA2111N datasheet(15/18 Pages) TOSHIBA | 3V AM/FM 1 CHIP TUNER IC

TA2111N Original Pulled Toshiba Integrated Circuit | eBay

Ta2111n схема включения

5ชิ้น TA2111N TA2111 DIP 24 AM/FM จูนเนอร์ชิป | Lazada.co.th

TA2111N|TA2111N| - AliExpress

FM радиоприемник 40-140МГц на TDA7021 или К174ХА34.Может принимать ...

Рекордер Accsoon CineEye II Pro купить по выгодной цене в интернет ...

Wi-Fi SmartControl-2 – Golden Gates

Daikin RXC71BV1B [195/320] Приемник ик сигналов

Приемник телевизионный DVB-T2 Rombica MPT-TV012, купить в Москве, цены ...

Приемник передатчика Bluetooth 5.0, беспроводной адаптер HiFi o ...

1 Шт. RY-2.4 Усилитель Радиосигнала Усилитель-Приемник Для RC FPV Drone ...

TA2111N - INTER-CHIP OLSZTYN - CZĘŚCI, AKCESORIA I PODZESPOŁY ELEKTRONICZNE

Беспроводная гитарная система,Беспроводной передатчик и приемник для ...

Беспроводная гитарная система,приемник/передатчика, UHF, поворотный ...

Беспроводная гитарная система,приемник/передатчика, M-КЛАПАН WP8, 2,4G ...

Высокочастотный модуль Happymodel ELRS Micro ES900TX 915MHz + приемник ...

Bluetooth-трубка Ретро-телефон Сотовый приемник - купить с доставкой по ...

Аудиоконвертер Bluetooth 5.1 Приемник Передатчик Аудио Конвертер ...

CLB084-4F 12V Пульт дистанционного управления и приемник - купить с ...

Микросхема sa2011 схема включения

Микрофон/приемник, Безжичен, 2.4 GHz, Черен, Комплект от 2 - eMAG.bg

GNSS приёмник R26-Shanghai AllyNav Technology Co., Ltd.

1-канальный Пасcивный Приемник/передатчик GreenVision GV-01 4K P-11 ...

Беспроводная гитарная система,приемник/передатчика, 2,4Г - купить с ...

Bluetooth-адаптер BlitzWolf BW-BL2 Bluetooth Receiver & Transmitter 2 ...

Промышленный Дистанционный Регулятор / Пульт F21-E1b Для Подъемного ...

Bluetooth-адаптер M8 Bluetooth 5,0 - купить по низким ценам в интернет ...

Приемник луча Elitech ЛП 50 купить в интернет-магазине - цены в Кубань ...

Приемник TBS Crossfire Nano RX (SE) для FPV квадрокоптеров дронов ...

  • Вперед Клуб mezzo forte москва
  • Назад Где можно отремонтировать бусы

Новые страницы

60N03

Audi s8 d4

Цена lexus lx 570

Чехлы на телефон на заказ

Череповец развал схождение

Договор приватизации образец

Дорожка знак

Гдз 8 класс белорусский

Гдз по алгебре номер 986

Герои спорта слова

Глория мадагаскар картинки

Икона достойно есть

Как снять решетку радиатора ситроен берлинго

Какой тип развития характерен для медведицы пылающей изображен на рисунке

Карта метро мякинино на карте метро

На шипке все спокойно картина верещагина

Оценка технического состояния автомобильных дорог местного значения образец

Открытки печать

Почему русские не ходят в больницу картинки

Ремонт стиральных машин подрезково

Ремонт телевизоров в крылатском

Решебник по контурным картам 9 класс

Решу огэ английский язык 2022 год

Русский язык 3 класс 172 упражнение

Сантехника santek

Схема стеклоподъемников 2110

Скат 1200м

Ublox zed f9p

Upkarta ru активация универсальная подарочная карта

Весна в парке

cdn.zecar.ru