Skip to content

Фотогалерея

  • Главная
  • Контакты

Ta2003p схема приемника

Ta2003p схема приемника

Простой УКВ-ЧМ приемник на TA2003P (с печатной платой) - Радио и связь ...

Datasheet и схемы: УКВ радиоприемник на микросхеме TA2003P

Приемник на ta2003p

Приемник FM-TA2003P + TDA2003 с УНЧ 10 Вт - kt315.info

Orion - Схемы

Укв Радио На Ta2003p - Дайте схему! - Форум по радиоэлектронике

Изображение

Схема приемника на ta8127

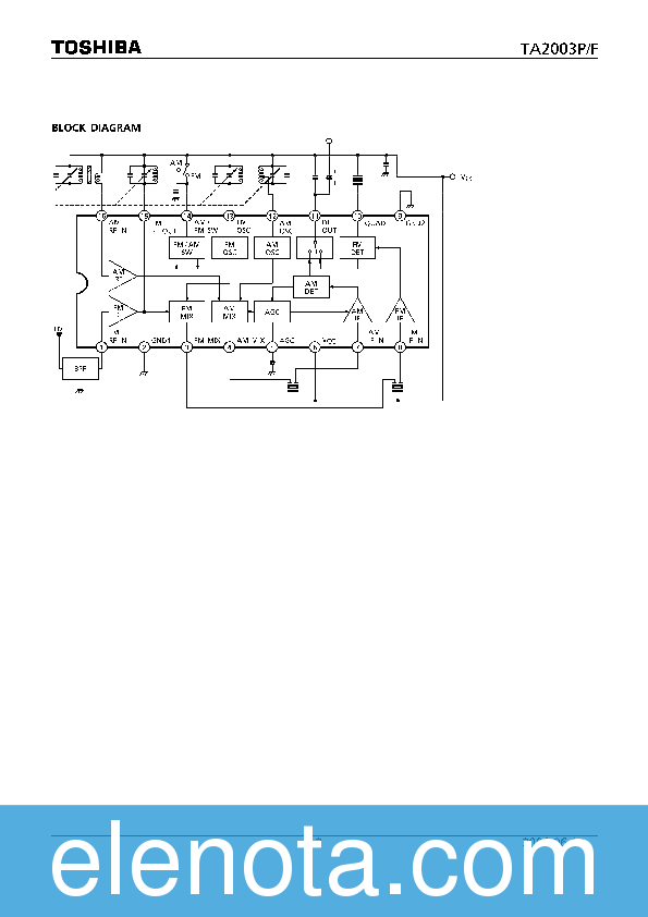
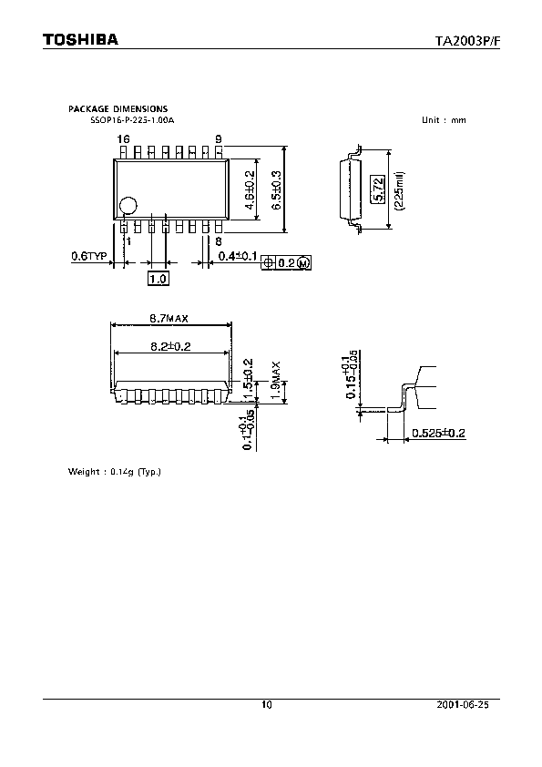
TA2003P datasheet(2/10 Pages) TOSHIBA | AM/FM RADIO IC

TA2003P Datasheet PDF (317 KB) Toshiba | Pobierz z Elenota.pl

УКВ ПРИЁМНИК НА МИКРОСХЕМЕ

Radio Experimenter's Blog: ????Radio Chip TA2003P : Part-1

TA2003P Datasheet PDF (317 KB) Toshiba | Pobierz z Elenota.pl

Изображение

Ta2003p схема приемника

Изображение

VRTP -> TA2003 ( TA8164P)

КИТАЙСКИЕ АВТОМАГНИТОЛЫ

Ta2003p аналоги

??????????????????????????????????? HS8JYX (AG6BD): ?????????????????? ...

VRTP -> TA2003 ( TA8164P)

Схема приемника прямого усиления 2-V-3

Cd2003gp схема

Приемник прямого преобразования сергея беленецкого схема

Простой FM приемник своими руками на микросхеме TDA7088

Схемы > Радиоприемники > Приемник прямого усиления на 6 транзисторах с ...

Детекторный приёмник своими руками: схема

LabKit :: УКВ (FM) радиоприемник для начинающих

Datasheet и схемы: Приемник и передатчик радиоуправления моделями по радио

ПРОСТОЙ ДВУХЛАМПОВЫЙ ПРИЕМНИК | RadioNic.ru

Приемник прямого преобразования своими руками.

FM радиоприемник 88-145 МГц на микросхеме из 90-х TA2003P | Электронные ...

Средневолновый приемник прямого усиления В. А. Васильева.

TA2003P Datasheet PDF (317 KB) Toshiba | Pobierz z Elenota.pl?

Микросхема ta2003p схема

Классическая схема всеволнового радиоприемника | Radio-любитель | Дзен

КВ радиоприемник прямого преобразования на SA612AN (SSB и CW, 7 - 7,12 МГц)

УКВ приемник с ФАПЧ

Самодельная радиостанция КВ диапазона 27 МГц состоит из отдельно ...

Радиоприемник на микросхеме TA2003P - Технический форум

Ta2003p схема приемника

Ta2003p схема

Схема простого приемника

Микросхема ka2209 схема включения

Схема приемника лазерного излучения

Приемник прямого преобразования на диапазоны 40 и 80 м

Схема приемника казахстан: Радиоприемник казахстан схема описание ...

Принципиальная схема приемника прямого усиления, ностальгия ...

Схема простого регулятора мощности для паяльника

УКВ приемник из деталей приемника МОСКВИЧ

Укв Радио На Ta2003p - Дайте схему! - Форум по радиоэлектронике

Приемник - радиоточка, схема и описание

Электрическая схема приемника ишим

РадиоКот :: Инфракрасный барьер.

20Y-06-24681 Key I S For Ku PC100-6 PC120-6 PC200-7 E ?4.50 ...

Тиристорный регулятор ТРМ-2М-180-RS485

Приемник FM-TA2003P + TDA2003 с УНЧ 10 Вт - kt315.info

The Receiver Home Page

Квалификация инвесторов — что нужно знать | Альфа-Форекс

HiFi усилитель для наушников V1, Высококачественный усилитель для ...?

РадиоКот :: Простой УКВ приемник

Простой приемник на 27 МГц | HamLab

Схема простого радиотелефона на 65-108мГц

Схема FM стерео радиоприемника на семи транзисторах

Реле ФР-31 АС230В УХЛ2

Tool Electric: Лабораторный блок питания на IGBT транзисторе

КВ приемник прямого преобразования на 80м, 40м, 30м, 20м и 15м (TA7358 ...

Подключение акустических систем | Облако технологий

The Receiver Home Page

Обвязка бойлера ACV Comfort рециркуляция + термосмеситель

Приемник FM -TA2003P + TDA2003 с УНЧ 10 Вт | kt315.info

Схема приемника прямого преобразования на 28 МГц » S-Led.Ru ...

Aiwa Tv C201ker Схема - turbabitplex

Простой УКВ-ЧМ приемник на ТА2003Р

Схема приемника вэф 202 - Фото и картинки

Пример оформления исполнительной схемы подкрановых путей

схема

Пин от пользователя Alimotahari на доске ?? | Электронная схема ...

Приемник начинающего радиоспортсмена на диапазон 160 метров

Устройство многокомандного ДУ для проведения пиротехнических шоу

Схема коротковолнового приемника прямого усиления

Схема приемника радиоуправления на микросхеме К174ХА36А

Радиоприемник Ишим 003 Схема Электрическая Принципиальная

Схема простого приемника на 27МГц

Устанавливаем дополнительный ИК-приемник в спутниковый ресивер

Tool Electric: Регенерация пальчиковых батареек

Презентация по физике \"Развитие средств связи\" - скачать бесплатно

Бойлер протерм b200s схема подключения - 92 фото

Контрольный приёмник для обнаружения помех радиоуправляемым моделям

Схема миниатюрного автомобильного приемника » Вот схема! - Электронные ...

Схема УКВ-ЧМ приемника с низковольтным питанием » Вот схема ...

Модулируемый ВЧ генератор - Разное Radio это просто

Схема Укв Конвертора - brodchef

80209bdx схема принципиальная - 89 фото

Cd7640gp схема приемника автомагнитолы (фото) - avtozahod.ru

  • Вперед Кто такой интеллигентный человек многие думают что
  • Назад Интимные стрижки у женщин

Новые страницы

100N

74Hc374

Английский язык 6 класс контрольная работа модуль 5

Автобус 56 маршрут карта нижнекамск

Что общего и чем отличаются по своему строению молекулы метана аммиака и воды

Экспорт каменного угля

Форма справки 057 у образец

Гдз окружающий мир плешаков третий класс

Глицериновый манометр

Головацкого 105а гомель карта

Картинки горшка король и шут для срисовки

Картинки новосибирская область 154 маз 104

Колонки потребляемая мощность

Коммутатор ваз 2106 неисправности

Лечение печени при беременности

Личный листок по учету кадров 2023 образец

Литературное чтение 3 класс 2 часть страница

Отель аристократ отзывы

Раздельное написание прилагательного

Реле тепловое рти 1322 17 25а

Ремонт холодильников на дому в гомеле

Ремонт холодильников панасоник

Рисунок девушки в бальном платье

Ржавление железа это химическое явление или физическое

Схема двигателя с реле времени

Спорткомплексы белгорода

Ткани растений строение и функции

Учебник по математике страница 59

Устройство вакуумного усилителя тормозов уаз

Вакцинация и ревакцинация взрослых схема

cdn.zecar.ru