Skip to content

Фотогалерея

  • Главная
  • Контакты

Strg6351 datasheet

STRG6351 Datasheet PDF - Sanken Electric co.,ltd.

STRG6351 Datasheet PDF - Sanken Electric co.,ltd.

STRG6351 Datasheet PDF - Sanken Electric co.,ltd.

STRG6351 Datasheet PDF - Sanken Electric co.,ltd.

PANASONIC NV-FJ625 STR-G6351 POWER-SUPPLY SCH Service Manual download ...

STRG6351 CIRCUITO INTEGRADO REGULADOR MCA SANKEN – Twister-Tech

STR-G6351 Datasheet PDF - Switching Regulator - Sanken

Circuito integrado STRG6351

فروش STRG6351 آی سی سوئیچینگ استفاده شده در بردهای الکترونیکی - شار ...

Strg6351 Str-g6351 Ic Smps Regulador Sanken Original Cd | MercadoLibre

فروش STRG6351 آی سی سوئیچینگ - شار الکترونیک

Купить str-g6351 модуль strg6351 в интернет-магазине с бесплатной ...

datasheet_30_kevineeg | Kaggle

STR30113 Datasheet PDF , SANKEN : Sanken Hybrid IC Voltage Regulator ...

(PDF) xp-datasheet-5982-7811EN.pdf - DOKUMEN.TIPS

AKD2304_365186.PDF Datasheet Download --- IC-ON-LINE

UKG Pro Activities Datasheet | UKG

2SD1189_689971.PDF Datasheet Download --- IC-ON-LINE

CP1063G_7459012.PDF Datasheet Download --- IC-ON-LINE

HT2811 DataSheet | Holtek

SA-62SM-Datasheet-VP_Page_1 – Vision Products

5PCS/LOT STRG6351 G6351 STR G6351 TO 220F 5 Power Module In Stock ...

AKD4317_9049047.PDF Datasheet Download --- IC-ON-LINE

MT88E43B_1542277.PDF Datasheet Download --- IC-ON-LINE

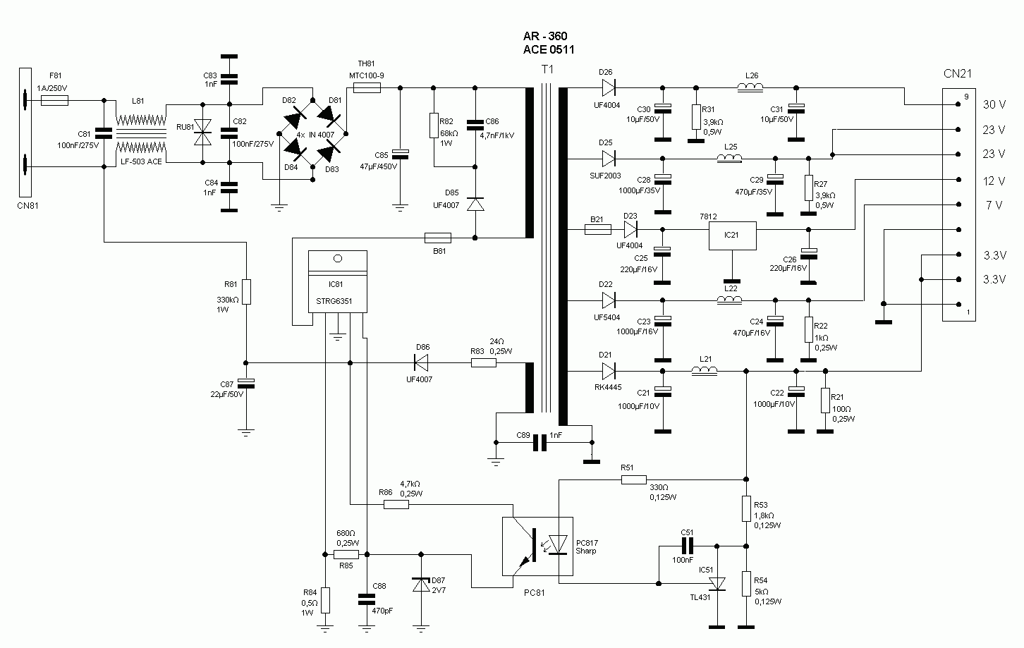
Naprawa przetwornicy na STRG6351 - elektroda.pl

EVAL-AD7470CB Datasheet PDF ( Pinout ) - 1.75 MSPS/ 4 mW 10-Bit/12-Bit ...

RTD34024_310935.PDF Datasheet Download --- IC-ON-LINE

ALL Datasheet Updates for Tyranids!! Inc. Norn Emissary, Assimilator ...

Semiconductor: STRG6351 (STRG 6351) - REGULADOR DE VOLTAJE

10pcs STRG6351 STR G6351 TO220 5 G6351|반도체 집적회로| - AliExpress

Datasheet-Accessories | IntelliStride

G6352 ถูกที่สุด พร้อมโปรโมชั่น ม.ค. 2023|BigGoเช็คราคาง่ายๆ

WL60040_286597.PDF Datasheet Download --- IC-ON-LINE

HikVision AcuSense NVR DS-7608NXI-K2/8P - CCTV Camera, IP Camera, CCTV ...

5pcs-G6352-TO-220F-STRG6352-STR-G6352-STR-G5653-STR-G6653-STR-G6351-STR ...

  • Вперед Викинги против пришельцев
  • Назад L12l4e01

Новые страницы

254 Найдите углы равнобедренного прямоугольного треугольника

Альпинист на вершине горы

B1377aa ideal standard

Боткинская больница схема расположения корпусов

Бутылка для воды спортивная 1 литр

Что входит в спортивные игры

Фарфетч

Гдз по математике 3 класс страница 68 номер

Генератор 2108 схема

Как снять стекло калина

Карта кирово чепецк с улицами и номерами домов

Кронштейн для расширительного бака

Математика 6 класс дедаетичечкиематерялы мерзляк

Настройка трапеции дворников ваз 2110

Образец 3 ндфл ип на осно

Образец жалобы в мчс на соседей за нарушение пожарной безопасности образец

Письмо руководству о повышении зарплаты образец

Платформы в царицыно по номерам схема

Приказ о назначении исполнительного директора с правом подписи образец

Признаки пиелонефрита у женщин и его лечение

Ремонт стиральных машин indesit в люберцах

Результаты российского спорта

Русс яз 5 класс ладыженская учебник

Шаман в проекте голос слепые прослушивания

Схемы детских носков

Сочинение рожь 4 класс шишкин

Таблица шин лада гранта

Волны сдвига

Записать текст вставить буквы расставить знаки препинания выполните задание

Журнал учета работ по наряду допуску образец

cdn.zecar.ru