Skip to content

Фотогалерея

  • Главная
  • Контакты

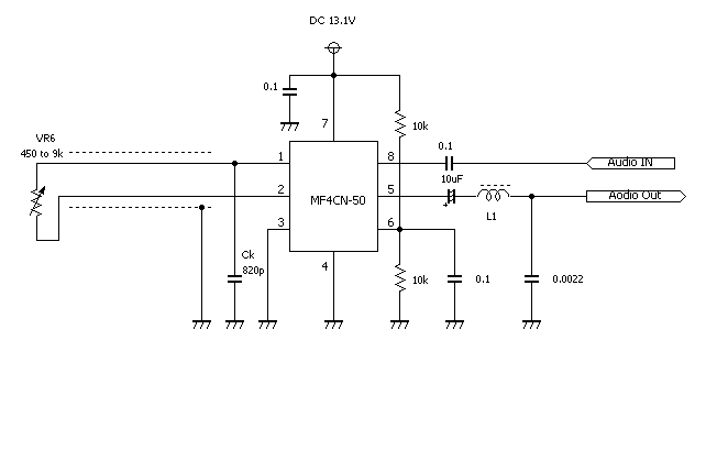
Ssm2165

SSM Compressors

SSM2165 Compressor

SSM2165 Compressor

SSM2165 Compressor

Audio Compressor Circuit with TDA1054

SSM2165|ssm2165| - AliExpress

AMZ-FX Guitar Effects Blog » Blog Archive Pedal pix - AMZ-FX Guitar ...

AMZ-FX Guitar Effects Blog » Blog Archive Pedal pix - AMZ-FX Guitar ...

Audio Compander Circuit

JA7OZW - Callsign Lookup by QRZ.COM

1PCS SSM2165-1S SSM2165-1 Microphone Preamplifier | eBay

Kenwood Mic Wiring Diagram - Diagram Circuit

Bass Guitar Compressor Schematics

1PCS SSM2165 SSM2165 1 SSM2165 2 SOP8|sop8| - AliExpress

1PCS SSM2165-2S Microphone Preamplifier | eBay

Kenwood Mic Wiring Diagram - Wiring Draw

1PCS AMP IC ANALOG DEVICES/PMI SOP-8 SSM2165-1S SSM2165-1 SSM2165-1SZ ...

AH6MU Ham Radio page

5pcs/lot New And Original Ssm2165-1 Ssm2165-2 Sop-8 Ssm2165 ...

AH6MU Ham Radio page

AMZ-FX Guitar Effects Blog » Blog Archive SSM2166 Compressor Project ...

Simple compressor limiter – Albury Wodonga Amateur Radio Club

JA7OZW - Callsign Lookup by QRZ Ham Radio

Schematic Diagram Of Compressors - Circuit Diagram

JA7OZW - Callsign Lookup by QRZ Ham Radio

AMZ-FX Guitar Effects Blog » Blog Archive SSM2166 Compressor Project ...

eHam.net

Speech Compressor for FT-817

Audio Compressor Circuit with TDA1054

Speech Compressor for FT-817

SSM2165 1S SSM2165 SOP8 microphone preamplifier IC chip-in Replacement ...

Kenwood microphone MC60A modification – Albury Wodonga Amateur Radio Club

BOYA BY PVM1000L professional Condenser Microphone 3 Pin XLR Super ...

Subwoofer Filter Circuit - ElectroSchematics.com

Receiver Module

  • Вперед На чертеже прямая а параллельна плоскости а в символьном виде данная запись выглядит так
  • Назад Приказ по итогам расследования несчастного случая на производстве образец

Новые страницы

Блок управления двс sr20de сильвия с15 распиновка

Документ регламентирующий схему проведения плановой вакцинации тест ответ

Двигатель bmw b57

Флюс безотмывочный

Форма т 60 образец заполнения

Гдз по русскому языку 6 класс упражнение 643

Генератор цифровой схемы

Гига спорт сайт

Хапама рецепт

Какие страны входили в нато и сэв

Карта частей пистолета в the forest

Книга остров проклятых

Кубасова 4 класс учебник 4 часть

Напечатать схему

Напитки бар

Настройка карбюратора на оке

Образец договора на геодезическое сопровождение строительства

Пирамида логических уровней

Портсигар из дерева чертежи своими руками

Предохранитель на прикуриватель гранта расположение

Проект автосервиса из сэндвич панелей на 2 поста

Простые схемы слов

Расчет гсм по минтрансу

Схема методической разработки

Спортивная гимнастика мужчины снаряды

Стр 84 математика 3 класс 1 часть

Титульный лист организации образец

Тренировочный вариант егэ номер 5

Виноград из японии

Водонагреватель насадка на кран без снятия смесителя

cdn.zecar.ru