Skip to content

Фотогалерея

  • Главная
  • Контакты

Sps 600 схема

Sps 800h схема

WASP.kz - Статьи: Sven SPS-600 усилитель в АС

SPS 600 Split - The Yalé Group | Professional Bar & Kitchen ...

Sps 600 схема подключения

SPS-600-LS-M – FinnSafety Oy

Serija SPS 600

Казахстанский компьютерный портал - Статьи: Sven SPS-600 усилитель в АС

SPS-600-LS-M – FinnSafety Oy

SPS-600 ALPINE(アルパイン)のスピーカーの口コミ・パーツレビュー|みんカラ

SPS-600/B - SPS-600Β SURROUND HXEIA | tele.gr

Used AMREL SPS26-62-V0E9 26V 62A EPOWER DC POWER SUPPLY SPS 1600W WITH ...

MULTICHECK | KPS Elektromos biztonsági teszter, CAT III 600 V / CAT IV ...

SPS Anti vibration mounts | AMC Mecanocaucho

Sven SPS 600

Sven sps 860 схема фото - PwCalc.ru

WASP.kz - Статьи: Sven SPS-600 усилитель в АС

Схема колонок sven sps 605: Sps 606 sven схема – i-FlashDrive флешка ...

6ES7512-1CK01-0AB0 | Siemens SIMATIC S7-1500 SPS CPU, 32 (Digital) 5 ...

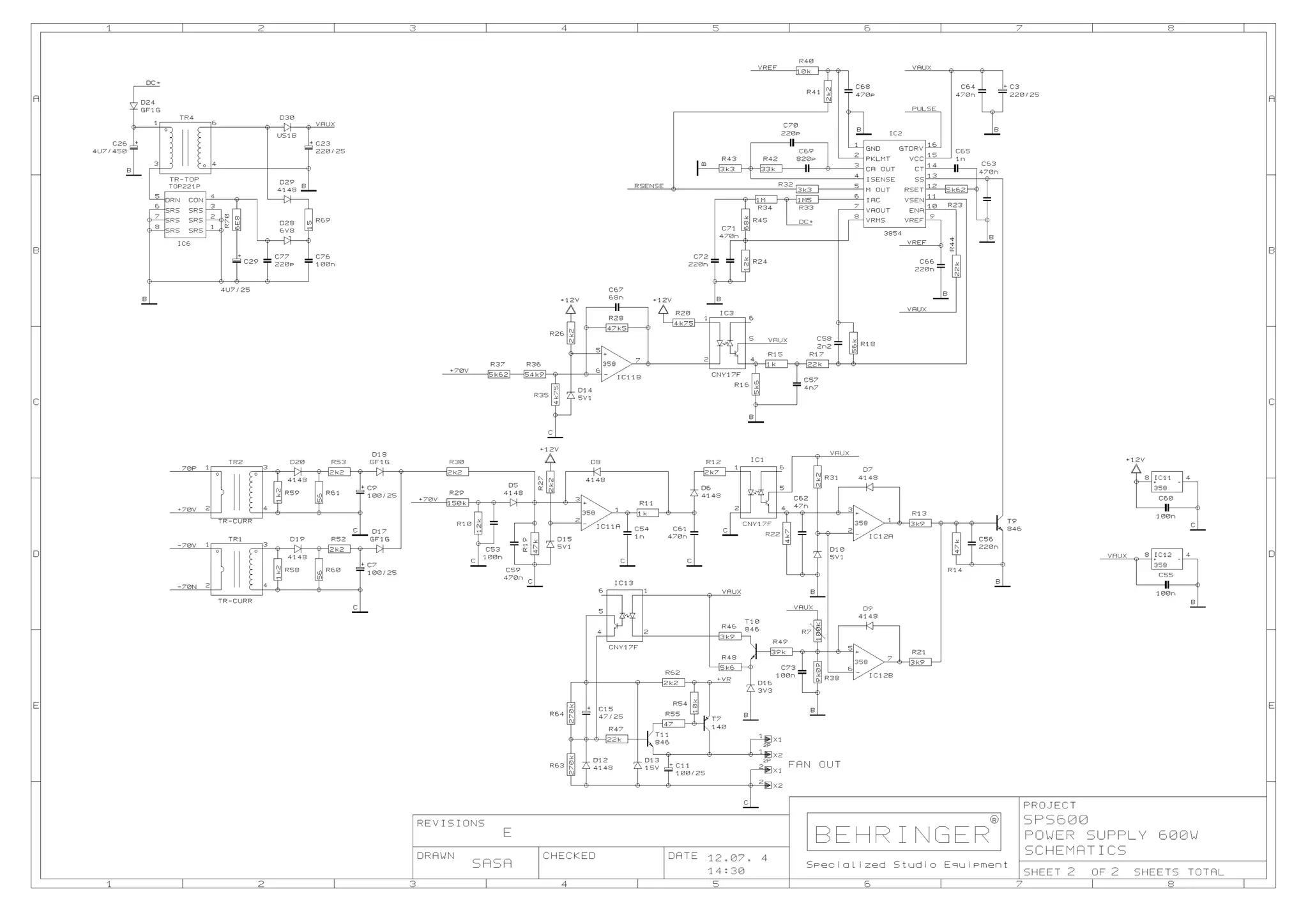
BEHRINGER SPS600 POWER-SUPPLY SCH Service Manual download, schematics ...

TELE SPS-600W Surround Ηχεία

Схема электрооборудования мотоцикла Suzuki Bandit GSF600 Y/SY » Схемы ...

Behringer++fuente++sps600+psu | PPT

Kształtownik stropowy średni SPS 1200 F SPS 1200_F

Uszczelka ED-SPS-600 do Probst SM-SPS-600-95/34 | sklep isprzet.pl

SPS 620 SPS 720 Studio 001-HR - SITECH

Sps 600 схема подключения

HM Audio Parts.: Alpine SPS-600

copy of SPS

Sps 600 схема подключения

UPS SPS SH600 600VA/600W

Sps 600 схема подключения

Alpine SPS-600C | Toyota Nation Forum

SPS_1 by mungermanns | SimScale

Sps 600 схема подключения

Effiziente SPS-Migration - SPS-MAGAZIN

  • Вперед Снять отель на час
  • Назад Грыжа на резине что делать

Новые страницы

17 Мая знак зодиака

30Ctq060

Dap 1325 r1a

Фитнес для мужчин

Гдз по алгебре 8 класс макарычев номер 324

Гдз по математике 6 класс упр 220

Grundfos upa 15 90 160

Хендай старекс бензин или дизель

Игры для тренировки реакции

Какие виды спорта относятся к играм

Карта apple cash в россии

Коллектор полипропиленовый 25х20 с кранами

Концентрированная серная кислота с серебром

Контрольные работы по геометрии атанасян

Ленинский 22 москва

Lsi00343

Мускарики цветы

Подключение рулевых кнопок к магнитоле на андроид

Повествовательное или

Ппр на монтаж металлоконструкций

Put the verbs in brackets into the past simple or the past perfect

Разложить числитель и знаменатель на множители

Rewrite the sentences in the passive they will not deliver the new sofa on friday

Рулевая рейка шкода октавия а5 схема

Считать приказ утратившим силу образец

Серебряным инеем

Термостат grohe grohtherm 1000

Упр 583

Вертеть трещотку

Заборы в чехове

cdn.zecar.ru