Skip to content

Фотогалерея

  • Главная
  • Контакты

Снятие форсунок кайрон дизель

Кайрон снятие форсунок, четвертой форсунки. — Аргонщик.рф на DRIVE2

Кайрон снятие форсунок, четвертой форсунки. — Аргонщик.рф на DRIVE2

Снятие 4 форсунки ssangyong kyron своими руками (Много фото) - avtozahod.ru

Снятие форсунок седельный тягач Вольво ВНЛ (двигатель Камминз Cummins ...

Замена форсунки на дизельном двигателе санг енг

Танцы с бубном — SsangYong Rexton (2G), 2,7 л, 2009 года | поломка | DRIVE2

Как правильно установить дизельную форсунку - YouTube

Снятие форсунок дизель SsangYong Kyron. Демонтаж прикипевшей форсунки 4 ...

Снятие и ремонт стартера на Ssang Yong Kyron | Санг Енг Кайрон

Проверка форсунок на слив обратки Кайрон дизель — SsangYong Kyron, 2 л ...

Снятие 4 форсунки ssangyong kyron своими руками (Много фото) - avtozahod.ru

Снятие 4 форсунки ssangyong kyron своими руками (Много фото) - avtozahod.ru

Промывка Форсунок СсангЙонг Кайрон Дизель

Ссангйонг Кайрон дизель перестал заводится - YouTube

Ремонт факельной свечи накала

Снять форсунки Кайрон дизель – Резьбаделофф

Как Завести СаньЕнг Кайрон Дизель После Замены Форсунок

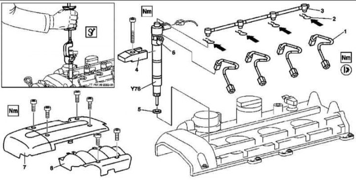
Снятие и установка топливной распределительной магистрали и форсунок ...

Рем. комплект форсунок SsangYong Kyron Кайрон | Festima.Ru - Мониторинг ...

Снятие и установка топливной распределительной магистрали и форсунок ...

СсангЙонг Кайрон 2.0 Дизель Характеристики

Снятие и установка топливной распределительной магистрали и форсунок ...

Снять форсунки Кайрон дизель – Резьбаделофф

Замена Тнвд СаньЕнг Кайрон Дизель 2.0

Двигатель дизель опель астра 1999г - О масле

Мерседес спринтер снятие форсунок cdi common rail – Резьбаделофф

Снять форсунки Кайрон дизель – Резьбаделофф

Снять форсунку дизель. Как снять форсунку с двигателя дизель – Резьбаделофф

Замена форсунки ssangyong kyron дизель

Купить Термостат (Дизель/Турбо Дизель) Grace/Porter/Starex/Galloper ...

Форд мондео -3 турбо-дизель. Стук в двигателе - YouTube

Замена приводного ремня

👉 👈 Вона тебе захоче! 💖👀 Інтим-поради від «Дизель Шоу»! 😏 Дизель Шоу ...

Замена форсунок кайрон своими руками (2 видео)

Демонтаж форсунки дизеля Рено Мастер – Резьбаделофф

  • Вперед Картинки душ в ванной комнате
  • Назад Гдз по бел літу 6

Новые страницы

1Нф

Алгоритм программы в виде блок схемы

Баня парная отделка

Циклический таймер схема

Cloudflare ddos

Диагонали прямоугольной трапеции перпендикулярны

Достопримечательности перевальска

Двусторонняя тонзиллэктомия

Электронщик дко

Как найти площадь квадрата со стороной 4 сантиметра

Как поменять тормозные диски на хендай солярис

Канал сетанта спорт 2

Картины текстурной пастой идеи

Картинки с мудрыми высказываниями

Кот на работе смешные картинки

Квартиры в йошкар оле посуточно снять

Low card battery перевод

Lui viton

Лук это двудольное или однодольное

Mbr2045ct характеристики на русском

Не горит подсветка приборов ваз 2107

Новоданиловская

Пьеса гроза островского рисунок

Приказ об изменении системы оплаты труда по инициативе работодателя образец

Проект пожар

Произведение двух иррациональных чисел может быть рациональным числом

Снятие форсунок кайрон дизель

Спорт в россии презентация

Заявление на двойную оплату за работу в выходной день образец

Зяба братский район пляж

cdn.zecar.ru