Skip to content

Фотогалерея

  • Главная
  • Контакты

Схемы рено сценик 2

Схемы рено сценик 2. Электро схема тормозной системы Рено Сценик. Renault Scenic 2 электросхема стояночного тормоза. Renault Scenic 2 схема электрическая. Схема Эл. Рено Сценик 2.

Схемы рено сценик 2

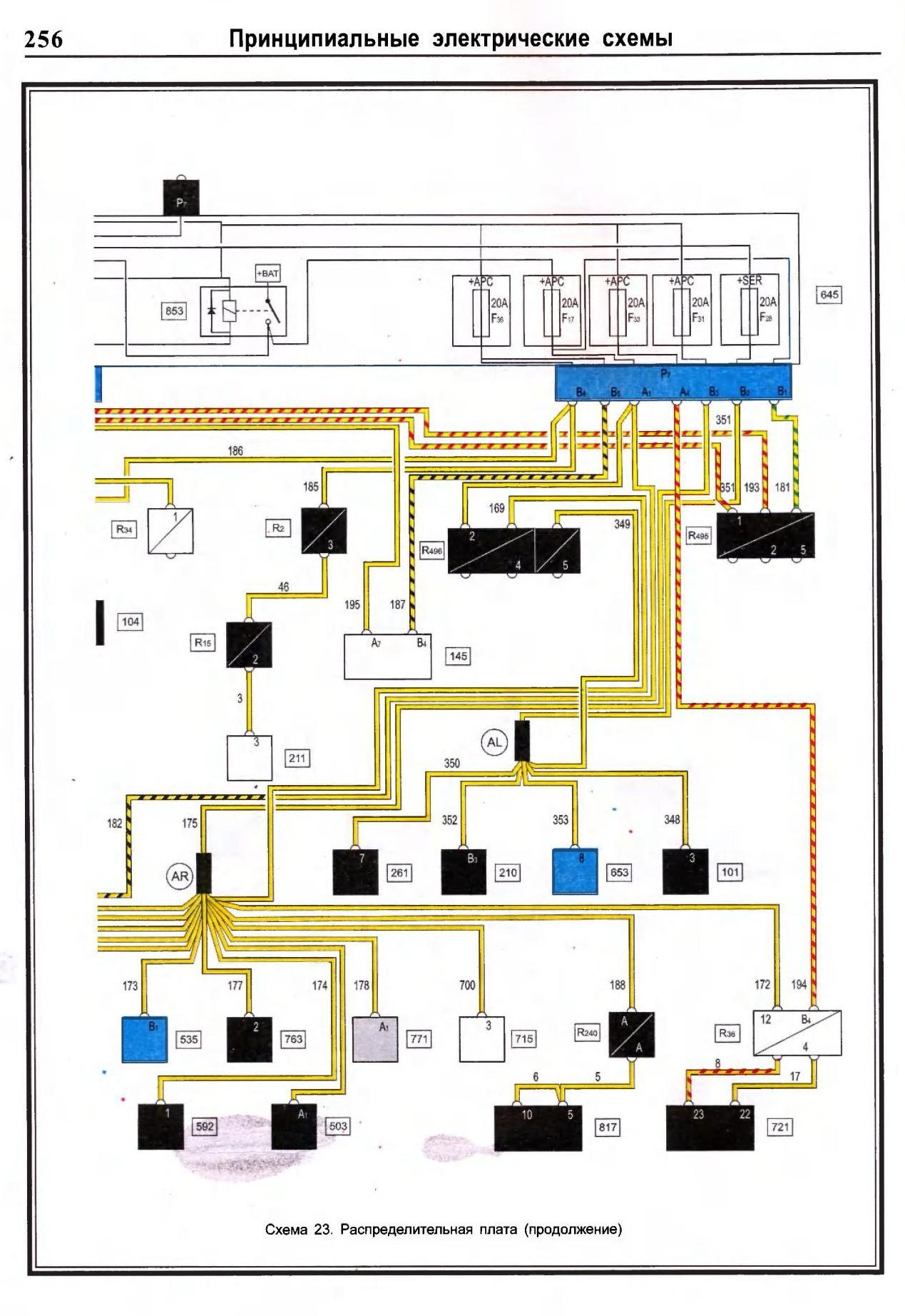
Схемы рено сценик 2. Renault Megane 2 электрические схемы. Схема электрооборудования Рено Меган 2 2008г. Схема электрооборудования печки Renault Megane 2. Рено Логан электросхема стеклоочистителя.

Схемы рено сценик 2

Схемы рено сценик 2. Renault Scenic 1 схема электрооборудования. Электросхемы Рено Сценик 1. Renault Scenic 2 электросхемы. Электрическая схема Рено Сценик 2.

Схемы рено сценик 2. Схема проводки Renault Megane Scenic 1. Схема электрооборудования Renault Scenic 2. Рено Меган Сценик схема электрическая. Схема проводки Рено Сценик 2.

Схемы рено сценик 2. Схема электрооборудования Renault Scenic 2. Renault Scenic 2 электросхема стояночного тормоза. Renault Scenic 2 электросхема. Рено Гранд Сценик 2 схема электрооборудования.

Схемы рено сценик 2. Схема электрооборудования Renault Scenic 2. Схема проводки отопителя Рено Сценик 2. Электросхема Рено Сценик 2 1.5 DCI. Renault Megane 1 схема электрооборудования.

Схемы рено сценик 2. Renault Scenic 2 электросхемы. Электрооборудование Рено Сценик 2. Рено Сценик электросхема. Схема электрооборудования Renault Scenic 2.

Схемы рено сценик 2. Рено Меган Сценик схема электрическая. Схема электрооборудования Рено Сценик 2. Электрические схемы Рено Колеос 2012г. Электросхема на Рено Лагуна 1 дизель.

Схемы рено сценик 2. Схема ручника Рено Гранд Сценик 2. Электрическая схема Рено Сценик 2. Схема электроручника Рено Сценик 2. Схема ручника Рено Сценик 2.

Схемы рено сценик 2. Электросхема Рено Сценик 2 1.5 DCI. Схема электрооборудования Renault Scenic 2. Схема электрооборудования Renault Clio 2. Электросхема Рено трафик 1.9 дизель.

Схемы рено сценик 2

Схемы рено сценик 2. Схема проводки Рено Сценик 2. Схема проводки багажника Рено Меган 2. Проводка багажника Рено Меган 2 схема. Рено Сценик 2 вид сзади.

Схемы рено сценик 2. Renault Scenic 1 схема электрооборудования. Renault Scenic 2 отопитель схема. Рено Сценик схема реле кондиционер. Рено Сценик 1 электросхема отопителя.

Схемы рено сценик 2. Электросхема кондиционера Пежо боксер 3. Электросхема блока управления 12217801200. Электросхема кондиционера с ручным управлением для Ford Ranger 2007. Электросхема кондиционера Опель Мокка.

Схемы рено сценик 2. Схема электрооборудования печки Renault Scenic 2. Электросхема Рено Сценик 2 1.5 DCI. Электрическая схема Renault Scenic 1. Схема электрооборудования Рено Сценик 2.

Схемы рено сценик 2. Рено Сценик 2 дизель 1.5 DCI электросхемы. Схема электрическая Renault Scenic 2 1.5 DCI. Электросхема Рено Сценик 2 2005. Сценик 2 схемы электропроводки.

Схемы рено сценик 2

Схемы рено сценик 2. Renault Scenic 2 схема электрическая. Электросхема спидометра Рено Сценик 1. Рено Лагуна 2 панель приборов схема. Схема иммобилайзера Рено Сценик 1.

Схемы рено сценик 2. Renault Scenic 3 электросхемы. Схема электрооборудования печки Renault Scenic 2. Рено Сценик 2 электросхема. Электрическая схема электроручника Рено Сценик 3.

Схемы рено сценик 2. Renault Scenic 1 схема электрооборудования. Схема электрооборудования Рено Сценик 2. Схема электрооборудования Renault Scenic 2. Электропроводка аудиосистемы Рено Меган 1.

Схемы рено сценик 2

Схемы рено сценик 2. Схема подушек безопасности Рено Лагуна 2. Эл.схема подушки безопасности Рено Меган 2. Схема подушек безопасности Рено Клио 2. Рено Меган 2 электросхема подушек безопасности.

Схемы рено сценик 2. Схема стояночного тормоза Рено Сценик 2. Электро схема электроручника Рено Сценик 2. Разъём электро ручника Renault Grand Scenic 3. Схема разъема электро ручника Рено Сценик 2.

Схемы рено сценик 2. Электросхема системы впрыска Рено Лагуна 2. Renault Scenic 1 схема электрооборудования.

Схемы рено сценик 2. Схема электрооборудования Рено Меган Сценик 1 2000 года. Электросхемы Рено Сценик 1. Renault Scenic 1 схема электрооборудования. Электрическая схема иммобилайзера Рено Сценик 1.

Схемы рено сценик 2

Схемы рено сценик 2. Схема электрооборудования Renault Scenic 2. Renault Master 2 схема электрооборудования. Renault Scenic 1 схема электрооборудования. Электросхемы Рено Лагуна 2 2005-2008.

Схемы рено сценик 2. Схема электрооборудования Рено Сценик 2. Рено Меган Сценик 1 электросхема. Рено Меган Сценик схема электрическая. Рено Сценик 1 электросхема отопителя.

Схемы рено сценик 2

Схемы рено сценик 2. Схема проводки центрального замка Renault Scenic 1. Логан схема центрального замка. Рено Меган 2 электрическая схема вентилятора. Renault Megane 2 электрические схемы блока предохранителей.

Схемы рено сценик 2

Схемы рено сценик 2. Схема электрооборудования Renault Scenic 2. Электросхемы Рено Эспейс 2.

Схемы рено сценик 2. Схема электрооборудования Renault Scenic 2. Электросхема Рено Сценик 2 1.5 DCI. Схема электрическая Renault Scenic 2 1.5 DCI. Сценик 2 электрические схемы.

Схемы рено сценик 2. Renault Scenic 2 электросхемы. Рено Сценик 1 схема электропроводки. Схема электрооборудования Рено Сценик 1. Рено Сценик 2 электросхема печки.

Схемы рено сценик 2. Схема электрооборудования Рено Сценик 2003г. Схема проводки Рено Сценик 1. Renault Scenic 2 схема фар. Схема проводки ручника на Рено Сценик 2.

Схемы рено сценик 2. Схема электрооборудования Рено Сценик 1. Электрическая схема Renault Scenic 1 фаза 2. Эл схема блока комфорта Рено Сценик 2. Электрическая схема Рено Меган 1.

Схемы рено сценик 2. Схема стеклоподъемников Рено Сценик 2. Renault Scenic 2 схема электрическая. Рено Сценик 2,схема клапан управление. Схема блока управления двигателя Scenic 2 2006.

Схемы рено сценик 2. Схема электрооборудования Рено Сценик 1. Электрическая схема Рено Сценик 1. Renault Megane 1 схема электрооборудования. Схема электрооборудования Clio 3.

Схемы рено сценик 2

Схемы рено сценик 2. Схема стеклоподъемников Рено Сценик 2. Схема кнопки стеклоподъемника Рено Сценик 2. Схема стеклоподъемников Рено Лагуна 2. Электрическая схема стеклоподъемников Рено Сценик 2.

Схемы рено сценик 2. Электрическая схема Рено Лагуна 3. Электрическая схема Рено Меган Сценик 1997 года. Renault Scenic 1 схема электрооборудования. Схема электрооборудования Рено Меган Сценик 1.

Схемы рено сценик 2. Электрическая схема Рено Сценик 2. Схема электрооборудования Рено Сценик 1. Renault Scenic 1 схема ABS. Разъемы проводов приборной панели Рено Лагуна 2.

Схемы рено сценик 2. Схема электрооборудования Рено Меган 2 кондиционера. Электросхема Рено Меган 3 провод абсорбера.

Схемы рено сценик 2

Схемы рено сценик 2

Схемы рено сценик 2. Схема электрооборудования Рено Сценик 2. Схема электрооборудования Renault Scenic 2. Рено Сценик 2 электросхема. Электрическая схема Рено Сценик 2.

Схемы рено сценик 2. Электрическая схема Рено Сценик 1. Renault Scenic 1 схема электрооборудования. Схема электрооборудования Рено Сценик 1. Схема проводки Renault Megane Scenic 1.

Схемы рено сценик 2

Схемы рено сценик 2. Renault Scenic 2 отопитель схема. Renault Megane 2 схема климата. Схема блока климат-контроля Рено Сценик. Схема климат контроля Рено Логан 2.

Схемы рено сценик 2

Схемы рено сценик 2. Схема проводки Рено Сценик 2. Renault Scenic 2 электросхемы. Рено Сценик 1 схема электропроводки. Схема электрооборудования Renault Clio 2.

Схемы рено сценик 2. Схема проводки Рено Сценик 2. Схема проводки Рено Сценик 1. Схема проводки Renault Megane Scenic 1. Электропроводка Рено Меган 2 1.5 дизель.

Схемы рено сценик 2. Схема электрооборудования Renault Scenic 2. Рено Сценик 2 противотуманки электросхема. Электросхема Рено 19. Электросхема Рено 19 e7j.

Схемы рено сценик 2. Схема электрооборудования Renault Scenic 2. Схема круиз контролем Сценик 2. Рено Сценик 2 схема круиз контроля. Электросхема замка багажника Рено Сценик 2.

Схемы рено сценик 2

Схемы рено сценик 2. Схема электрооборудования Renault Megan 2. Схема управления двигателем Scenic 2. Электрическая схема Рено Меган 1. Схема системы зажигания на Рено Лагун 1.

Схемы рено сценик 2

Схемы рено сценик 2. Схема проводки Рено Сценик 2. Схема проводки Renault Megane Scenic 1. Электропроводка Сценик 2. Схема зажигания Renault Megane 1.

Схемы рено сценик 2

Схемы рено сценик 2. Renault Megane 2 электрические схемы. Схема электрооборудования Рено Сценик 2. Схема электрооборудования Renault Megan 2. Электропроводка Рено Меган 2.

Схемы рено сценик 2. Рено Логан электросхема стеклоподъемников. Электрическую схему стеклоподъемников МАНФ 2000. Соболь 221710 электросхема стеклоподъемников. Лансер 10 электросхема стеклоподъемников.

Схемы рено сценик 2. Renault Scenic 1 схема электрооборудования. Электросхема Renault Scenic 2 2005 года. WV Жук 2000 Эл.схема наружного освещения. Электросхема наружного освещения Джимни 2008 года выпуска.

Схемы рено сценик 2. Схема электрооборудования Renault Scenic 2. Renault Scenic 2 схема электрическая. Схема электрическая Рено Лагуна 2. Схема стеклоподъемников Рено Сценик 1.

Схемы рено сценик 2

Схемы рено сценик 2. Renault Scenic 2 электросхемы. Схема электрооборудования Рено Сценик 1. Электрическая схема Рено Сценик 2. Схема электрооборудования Рено Сценик 2003г.

Схемы рено сценик 2

Схемы рено сценик 2. Рено мастер 2 электросхем отопителя. Электросхема системы впрыска Сценик 2001. Электрическая схема Рено трафик 2.5 дизель.

Схемы рено сценик 2

Схемы рено сценик 2. Renault Scenic 2 электросхема. Схема электрооборудования Рено Твинго. Электросхемы генератора Сценик 2. Рено Сценик 2 электросхемы генератора.

Схемы рено сценик 2

Схемы рено сценик 2

Схемы рено сценик 2

Схемы рено сценик 2. Электросхема Рено Сценик 2 1.9 дизель. Схема Рено Сценик 2 дизель 1.5 DCI. Разъём r2 Рено Сценик 2 схема. Электропроводка Рено Сценик 1.

Схемы рено сценик 2. Renault Scenic 1 схема электрооборудования. Схема электрооборудования Renault Scenic 2. Схема электрооборудования Рено Меган Сценик 1 2000 года. Схема электрооборудования Рено Сценик 1.

Схемы рено сценик 2

Схемы рено сценик 2. Схема электрооборудования печки Renault Scenic 2. Схема электрооборудования Renault Scenic 2. Электро схема электроручника Рено Сценик 2. Схема электрооборудования печки Renault Megane 2.

Схемы рено сценик 2. Схема электрооборудования Renault Scenic 2. Рено Гранд Сценик 2 схема электрооборудования. Электросхема Рено Сценик 2 2005. Электросхема стеклоподъемников Рено Сценик 2.

Схемы рено сценик 2. Электропроводка Рено Сценик 2. Электрическая схема Renault Scenic 1. Схема электрооборудования Renault Scenic 2. Электрическая схема Renault Scenic 1 фаза 2.

Схемы рено сценик 2. Renault Scenic 1 схема электрооборудования. Электрическая схема Рено Сценик 2000 года Сириус 32. Электросхема двигателя mr20dd. ЯМЗ 650 Рено двигатель электро схема.

Схемы рено сценик 2. Renault Scenic 2 электросхема стояночного тормоза. Renault Scenic 2 схема электрическая. Реле на Эл. Ручник Рено Сценик 2. Renault Scenic 2 электросхемы.

Схемы рено сценик 2. Схема стеклоподъемников Рено Сценик 2. Схема АБС Рено Сценик 1. Схема проводки Renault Megane Scenic 1. Схема проводки отопителя Рено Сценик 2.

Схемы рено сценик 2. Эл.схема Рено 19 панели приборов. Электронная схема приборной панели Рено премиум DCI 420. Электрическая схема Рено Сценик 2. Схема проводов приборной панели Рено Лагуна 1.

Схемы рено сценик 2. Электропроводка Сценик 2. Renault Scenic 1 схема электрооборудования. Схема электрооборудования печки Renault Scenic 2. Схема проводки печки Рено Сценик 2.

Схемы рено сценик 2. Фара Рено Меган 2 схема электрики. Схема электрооборудования Рено Сценик 2. Рено Меган Сценик 1 электросхема. Рено Сценик 2 схема электропроводки.

Схемы рено сценик 2. Электрическая схема Рено Сценик 2. Блок управления комбинацией приборов Scenic 2 схема принципиальная. Электросхема ручника Renault Scenic 2.

Схемы рено сценик 2. Схема электрооборудования Renault Kangoo 1.4. Схема электрооборудования Renault Scenic 2. Электросхема Рено Сценик 2 1.5 DCI. Эл. Схема Renault Kangoo 1.4.

Схемы рено сценик 2. Электросхема на Рено Лагуна 1 дизель. Схема электрооборудования Renault Scenic 2. Рено мастер 3 схема электрооборудования. Renault Scenic 3 электросхемы.

  • Вперед Подтяжка цепи на ваз 2107 инжектор
  • Назад Футорка 3 8

Новые страницы

1 Апреля во франции

Авито ру грузовые авто

Автоматическое реле давления воды для насоса

Бриллиантовая рука ресторан

Check injection перевод

Газоразрядные индикаторные лампы

Инструмент для резки труб

Как избавиться от зубных камней

Как печально как скоро померкла на закате заря погляди уж за ближней межою по жнивью

Киа ка 5

Модуль аркадия 2 схема

Море подводная лодка

Про спортивную одежду

Распиновка разъемов автомагнитол ниссан

С2000 сп1

Схема баня в гараже

Схема рисунка шали

Схема сказуемые

Схема высоких частот

Схема включения противотуманных фар

Схема водных богатств

Spirit fitness рязанский проспект

Спортсмен гребец 7 букв

Tsal6200

Ванна на даче своими руками

Вымпел телеком

Заневский проспект санкт петербург карта

Заявление в тсн образец

Земляника схема 1 класс

Жалоба на администрацию сельского поселения образец

cdn.zecar.ru