Skip to content

Фотогалерея

  • Главная
  • Контакты

Схемы приборов температуры

Схемы приборов температуры. Схема измерения температуры терморезистором. Контроль нагрева электрооборудования по методу термопары. Терморезистор для измерения температуры. Схема измерителя температуры на терморезисторе.

Схемы приборов температуры. Логометр магнитоэлектрический схема. Схема измерения температуры логометром. Логометр ЛР-64 принцип действия. Логометры, измерительные мостовые схемы.

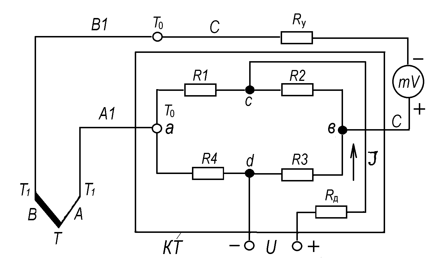
Схемы приборов температуры. Мостовая схема измерения температуры. Для мостовой схемы во вторичных приборах температуры характерно.

Схемы приборов температуры. Схема включения термопары для измерения температуры. Термопара четырехпроводная схема. Термопара на электрической схеме. Схема подключения термопары.

Схемы приборов температуры. Схема подключения датчика давления масла УАЗ 469. Указатель давления масла ГАЗ 53 схема подключения. Аварийная лампа давления масла схема подключения на КАМАЗ. Схема проверки датчика давления масла.

Схемы приборов температуры. Схема подключения датчика давления масла КАМАЗ 5320. КАМАЗ схема подключения датчика указателя температуры. Схема подключения датчика температуры КАМАЗ 5320. Указатель температуры охлаждающей жидкости ВАЗ 2106 схема.

Схемы приборов температуры. Указатель температуры охлаждающей жидкости УАЗ схема подключения. Указатель температуры двигателя схема подключения. Устройство датчика указателя температуры охлаждающей жидкости. КАМАЗ схема подключения датчика указателя температуры.

Схемы приборов температуры. Цифровой термометр 572пв2 схема. Электронный термометр схема электрическая принципиальная. XH-b310 цифровой термометр схема. Принципиальная схема цифрового термометра.

Схемы приборов температуры. Комбинация приборов МТЗ схема прибора. Панель приборов МАЗ схема. Схема подключения комбинации приборов МТЗ 82. 281.3801 Комбинация приборов схема подключения.

Схемы приборов температуры. Манометрические термометры принцип действия. Манометрический термометр схема. Конструкция газового манометрического термометра. Манометрический термометр с трубчатой пружиной.

Схемы приборов температуры. Принципиальная схема контрольно измерительных приборов. Схема подключения контрольно измерительных приборов. Принципиальная схема контрольно измерительных приборов автомобиля. Схема соединений контрольно-измерительного прибора.

Схемы приборов температуры. Утюг УТП 1000-1.8 220 схема подключения. Схема утюга УТ 1000-1.2.220. Электрическая схема электроутюга с терморегулятором. Схема электроутюга с терморегулятором УТП 1000-1.8.220.

Схемы приборов температуры. Приборы для измерения температура принцип действия. Приборы для измерения температуры схема. Прибор контроля температуры схема. Приборы для измерения температуры схема контроля температуры.

Схемы приборов температуры. Термоэлектрические термометры принцип действия. Термоэлектрические приборы принцип действия. Конструкция спая термопары. Термопары для измерения температуры принцип работы.

Схемы приборов температуры. Измерение температуры методом естественной термопары схема. Схема измерения температуры резания методом естественной термопары. Схема измерения температуры естественной термопарой. Метод термопары для измерения температуры резания.

Схемы приборов температуры. Характеристики терморезисторов ММТ. Терморезистор схематическое изображение. Терморезистор структурная схема. Функциональная схема терморезистора.

Схемы приборов температуры. Схема измерения термометра сопротивления. Электрические термометры сопротивления схема. Термометр сопротивления (Электротермометр). Схема измерения температуры термоэлектрическим прибором.

Схемы приборов температуры. Указатель температуры охлаждающей жидкости УАЗ схема подключения. Схема подключения датчика температуры ГАЗ 53. Схема подключения прибора температуры охлаждающей жидкости. Схема подключения указателя температуры ДВС.

Схемы приборов температуры. Аппарат для определения температуры размягчения битума КИШ-01. Прибор кольцо и шар. Примеры определения твёрдости битумов. Что называется температурой размягчения битума.

Схемы приборов температуры. Схема термометр сопротивления и термопары. Термометр сопротивления схема. Биметаллический термометр схема. Термометр сопротивления sxema.

Схемы приборов температуры. Схема каскадного регулирования температуры верха колонны. Функциональная схема автоматизации ректификационной колонны. Схема регулирования уровню в ректификационной колонне. Схема автоматики для ректификационной колонны.

Схемы приборов температуры. Принципиальная схема автоматического уравновешенного моста. Электрическая схема автоматического уравновешенного моста. Принципиальная схема измерения температуры. Измерительная схема автоматического уравновешивающего моста.

Схемы приборов температуры. Биметаллический термометр схема. Биметаллический термометр принципиальная схема. Термометры биметаллические т191 схема поверки. Термометр расширения биметаллический схема.

Схемы приборов температуры. Манометрический термометр схема. Манометрический манометр схема. Схема соединения термометр манометрический yxc100. Термометр манометрический sw15.

Схемы приборов температуры. Принципиальная схема цифрового омметра. Схема самодельного электронного термометра. Вольтметр цифровой на микросхемах к155. Схема цифрового термометра с выносным датчиком.

Схемы приборов температуры. Чувствительный элемент платинового термометра сопротивления. Термометр сопротивления pt100 устройство и принцип действия. Платиновый термометр сопротивления схема. Термометр сопротивления pt100 обозначение.

Схемы приборов температуры. Структурная схема цифрового измерителя температуры. Функциональная схема измерителя температуры. Структурная схема системы измерения температуры. Структурная схема измерения температуры насоса.

Схемы приборов температуры

Схемы приборов температуры. Вольтметр цифровой на icl7107. Icl7107cpl кр572пв2 цифровой вольтметр и амперметр схема. Термометр на 572пв2 icl7107 схема с печатной платой. Цифровой термометр схема электрическая принципиальная.

Схемы приборов температуры. Биметаллический термометр схема устройства. Термометр расширения биметаллический схема. Принцип действия биметаллических термометров основан на. Принцип работы биметаллического термометра.

Схемы приборов температуры. Термоэлектрический пирометр схема. Термоэлектрический метод неразрушающего контроля схема. Пирометр с термопарой. Принципиальная схема пирометра.

Схемы приборов температуры. Принципиальная схема оптического пирометра. Пирометр принцип работы. Принципиальная схема пирометра. Ручной ИК-пирометр (пирометр термоскоп-100-НТ-ст).

Схемы приборов температуры. Газовые манометрические термометры схема. Манометрический термометр схема. Манометрический термометр с трубчатой пружиной. Схема манометрического термометра термометра.

Схемы приборов температуры. Устройство и принцип работы приборов измерения температуры. Электрическая схема пирометра измеряющего температуру. Термоэлектрический пирометр схема. Принцип работы приборов для измерения т.

Схемы приборов температуры. Схема подключения указателя температуры ДВС. Схема подключения температурного датчика ВАЗ. Схема подключения указателя температуры УАЗ. Указатель температуры охлаждающей жидкости 2106 схема.

Схемы приборов температуры

Схемы приборов температуры

Схемы приборов температуры

Схемы приборов температуры

Схемы приборов температуры. Термометр ТКП-100эк-м1. Принципиальная схема манометрического термометра. Электрическая схема подключения электроконтактного манометра. Манометрический термометр схема подключения.

Схемы приборов температуры. Схема подключения указателя уровня топлива ГАЗ 53. Схема подключения указателя уровня топлива ВАЗ 2109 карбюратор. Схема подключения датчика топлива ГАЗ 66. Указатель топлива ВАЗ 2106 схема.

Схемы приборов температуры. Схема вольтметра на микроконтроллере pic16f676. Схема вольтметра DSN-DVM-368. Цифровой электронный вольтметр схема. Схема ампервольтметра на pic16f676.

Схемы приборов температуры

Схемы приборов температуры. Схема включения датчика аварийного давления масла. Схема подключения указателя давления масла КАМАЗ. А 12-1 лампа контрольная аварийного давления масла ГАЗ 53. Схема подключения указателя давления масла Урал 4320.

Схемы приборов температуры. Нормирующий преобразователь для термопары принципиальная схема. Измерительный преобразователь к датчику термопары. Термопара схематическое изображение. Термопара с мостовой электрической схемой.

Схемы приборов температуры. Цифровой мультиметр щ4313 схема. Вольтметр в3-2а схема. Структурная схема мультиметра щ4300. Частотомер Хлюпина схема.

Схемы приборов температуры

Схемы приборов температуры. Схема подключения датчика и указателя температуры охлаждающей. Схема подключения указателя температуры ДВС. Схема подключения датчика и указателя температуры воды. Схема подключения датчика температуры двигателя трактора т40.

Схемы приборов температуры. Принципиальная схема пирометра. Принципиальная схема пирометра полного излучения.

Схемы приборов температуры. Цифровой термометр схема электрическая принципиальная. Принципиальная электрическая схема пирометра. Схема самодельного электронного термометра. Схемы термометров с цифровой индикацией.

Схемы приборов температуры. Термометр на микроконтроллере и датчике ds18s20. Цифровой термометр pic16f628a и ds18b20. Электронный термометр схема принципиальная. Цифровой термометр на pic16f628a схема.

Схемы приборов температуры. Принципиальная схема подключения датчика температуры. Схема подключения указателя температуры. Датчик температуры МТЗ 80 схема. Прибор указателя температуры охлаждающей жидкости УАЗ схема.

Схемы приборов температуры. Lm358 термопара. Усилитель термопары на lm358 схема. Усилитель сигнала термопары lm358. Усилитель термопары на lm358 схема включения.

Схемы приборов температуры. Структурная схема цифрового термометра. Структурная схема цифрового измерителя температуры. Структурная схема электронного термометра. Схема электрического термометра.

Схемы приборов температуры. Цифровой термометр термостат схема. Цифровой термометр на pic16f628a схема. Контроллер нагревательной установки termo750 схема. Схема цифрового термометра с выносным датчиком.

Схемы приборов температуры. Принципиальная схема контрольно измерительных приборов автомобиля. Система охлаждения датчики - контрольно измерительных приборов. Контрольно-измерительные приборы Назначение электрических. Назначение контрольно-измерительных приборов.

Схемы приборов температуры. Датчик измерения температуры схема. Терморезистор схема включения. Датчик измерения температуры структурные схемы. Схема включения терморезистора для измерения температуры.

Схемы приборов температуры. Цифровой термометр 572пв2 схема. Цифровой термометр схема электрическая принципиальная. Схема АЦП кр1107пв5а. Цифровой термометр на кр572пв2.

Схемы приборов температуры. Схема измерения температуры термоэлектрическим прибором. Структурная схема термоэлектрического термометра. Принципиальная схема термометра сопротивления. Электрические термометры сопротивления схема.

Схемы приборов температуры

Схемы приборов температуры. Манометрические термометры принцип действия. Принципиальная схема манометрического термометра. Манометрический термометр схема. Манометрический термометр принцип работы.

Схемы приборов температуры

Схемы приборов температуры. Схема термометра на транзисторах и диоде. Схема самодельного электронного термометра. Схема термометра со стрелочным индикатором. Схемастрелочного имерителя температуры.

Схемы приборов температуры. Электронный термостат схема принципиальная. Самодельный цифровой терморегулятор схема. Цифровой терморегулятор для инкубатора своими руками схема. Термореле mh1210w схема.

Схемы приборов температуры. Термоэлектрические датчики (термопары) схема. Термопара схема устройства. Термопара на электрической схеме. Структурная схема термопары.

Схемы приборов температуры. Схема подключения термоэлектрических датчиков. Схема термопары принцип работы. Схема включения термопары. Термоэлектрические преобразователи температуры - термопары схема.

Схемы приборов температуры. Схема комбинации приборов КАМАЗ схема. Панель приборов МАЗ схема. Схема контрольно измерительных приборов МАЗ 5440. Электрическая схема комбинации приборов МТЗ 82.

Схемы приборов температуры. Приставка для измерения температуры к мультиметру своими руками. Схема приставки к мультиметру для измерения малых сопротивлений. Датчик температуры lm35 схема включения. Схема приставки к мультиметру для измерения температуры.

Схемы приборов температуры. Термоэлектрические датчики температуры схема подключения. Как работает датчик термопара. Термопара с двумя спаями. Термопары для измерения температуры принцип работы.

Схемы приборов температуры. Указатель температуры охлаждающей жидкости 2106 схема подключения. Схема подключения датчика температуры 2106. Схема подключения датчика и указателя температуры охлаждающей. Указатель температуры охлаждающей жидкости 2106 схема.

Схемы приборов температуры. Термопара принцип действия. Термоэлемент принцип действия термопары. Приборы термоэлектрической системы принцип действия. Принцип действия термоэлектрического преобразователя.

Схемы приборов температуры. Термометр манометрический ТКП схема подключения. Конденсационные манометрические термометры схема. Структурная схема манометрического термометра. Схема устройства манометрического термометра.

Схемы приборов температуры. Четырехпроводная схема подключения термометра сопротивления. Схема подключения датчика четырёхпроводная. Четырехпроводная схема подключения Термосопротивления. Термометр сопротивления 3 проводная схема.

Схемы приборов температуры. Схема устройства манометрического термометра. Манометрический термометр схема. Механический термометр схема. Газовые манометрические термометры схема.

Схемы приборов температуры. Схема подключения указателя температуры КАМАЗ 6520 евро 2. Указатель температуры охлаждающей жидкости УАЗ схема подключения. Схема подключения указателя температуры КАМАЗ 5511. Датчик температуры воды КАМАЗ 5320.

Схемы приборов температуры

Схемы приборов температуры

Схемы приборов температуры. Схема подключения датчика температуры охлаждающей жидкости ВАЗ 2107. Схема подключения прибора температуры охлаждающей жидкости ВАЗ. Схема подключения датчика давления масла ВАЗ 2107. Схема подключения датчика температуры охлаждающей жидкости ВАЗ 2106.

Схемы приборов температуры. 14.3807 Указатель температуры схема подключения. Датчик ТМ 100 указателя температуры охлаждающей жидкости схема. Схема подсоединение температурного датчика. Схема подключения указателя температуры ДВС.

Схемы приборов температуры. Принципиальная электрическая схема пирометра. Схема пирометра измеряющего температуру. Пирометр полного измерения схема. Пирометр схема электрическая.

Схемы приборов температуры. Схема самодельного электронного термометра. Принципиальная схема простейшего термометра. Бесконтактный термометр принципиальная схема. Схема электрического термометра.

Схемы приборов температуры. Классификация термометров расширения. Термометры расширения жидкостные конструкция. Вторичные приборы для измерения температуры: потенциометры.. Классификация термометров по методу измерений.

  • Вперед Рисунок поля с пшеницей карандашом
  • Назад Воронежский краеведческий музей

Новые страницы

5559

Аккумулятор ht03xl

Английский спортлайн 4 класс учебник гдз

Часовщик корень слова

Декларацию 3 ндфл образец

Додж рам расход топлива дизель

Gl5528

Классификация животных схема 5 класс биология

Комиксы про школу в картинках

Комплекс упражнений для тренировки

Крутые картины для интерьера

Mountain sport

Остаться в живых 4 сезон 4 серия

План политическая система общества егэ обществознание

Проект бани с комнатой отдыха и террасой из газобетона

Разболтовка ниссан кашкай

Рисунки к дню науки

С какими странами закавказья граничит россия

Самый страшный мост

Схема вольтметра постоянного тока

Схемы приборов температуры

Слова спортивной команде

Соборная площадь в липецке

Создать мем из нескольких картинок онлайн

Справка о рождении форма 24 образец

Тарас бульба какой казак

Тренировка бега на время

Установка сигнализаций

Заявление на прием к врачу образец

Журнал предстерилизационной обработки образец

cdn.zecar.ru