Skip to content

Фотогалерея

  • Главная
  • Контакты

Схемы подсветки панели приборов

Схемы подсветки панели приборов. Схема подключения приборной панели ВАЗ 2108. Схема приборной панели ВАЗ 2108. Схема панели приборов ВАЗ 2108 низкая панель. Схема приборной панели ВАЗ 2109 высокая панель.

Схемы подсветки панели приборов. Подсветка приборной панели ВАЗ 2110 схема. Схема подключения регулятора яркости подсветки приборов ВАЗ 2110. Схема подсветки приборной панели ВАЗ 2112. Схема подсветки приборов ВАЗ 2110 подсветки панели.

Схемы подсветки панели приборов. Электрическая схема приборной панели Форд фокус 2.

Схемы подсветки панели приборов. Индикация приборной панели ВАЗ 2112. ВАЗ 2112 индикаторы на приборной панели. Панель приборов ВАЗ 2112 2007 индикаторы. Значки на приборной панели ВАЗ 2112.

Схемы подсветки панели приборов. Плата подсветки печки ВАЗ 2110. Печатная плата подсветки печки Калина. Печатная плата блока печки управления Lada Kalina 1. Плата подсветки печки Приора.

Схемы подсветки панели приборов

Схемы подсветки панели приборов. Схема проводки Ауди 100 с3 2.0. Схема электрооборудования Ауди 100 с3. Ауди 100 с 3 электропроводка указатель поворота. Схема тахометра Ауди 100 с4.

Схемы подсветки панели приборов. Индикаторы комбинация приборов Волга 31105 Крайслер. УАЗ Патриот приборная панель обозначения. Схема панели приборов ГАЗ 31105 Крайслер. Панель управления приборов ГАЗ 2705.

Схемы подсветки панели приборов. Схема панели приборов Нива 2121. Схема панели приборов Нива 21214 инжектор 2007г. Панель приборов ВАЗ 2121 схема. Схема панели приборов ВАЗ 21213.

Схемы подсветки панели приборов. Чертеж платы подсветки приборной панели.

Схемы подсветки панели приборов

Схемы подсветки панели приборов. Lancer 9 схема подсветки панели приборов. Печатные платы подсветки Lancer 9. Плата подсветки щитка Лансер 9. Плата подсветки панели Лансер.

Схемы подсветки панели приборов. Схема подсветки панели приборов Нива Шевроле. Лампы подсветки приборов Нива 21214. Лампа приборов ВАЗ 2110. Схема приборной панели Niva Chevrolet.

Схемы подсветки панели приборов. Распиновка приборки ИЖ Ода 2126. Щиток приборов ВАЗ 2126. Схема приборки ИЖ 2126. Схема подключения приборной панели ИЖ 2126.

Схемы подсветки панели приборов. Печатная плата для Пересвета приборки ВАЗ 2114. Панель ВАЗ 2114 печатная плата. Печатная плата панели приборов s-Max 2006. Печатная плата для Пересвета панели Приора.

Схемы подсветки панели приборов. Распиновка щитка приборов 1u1919034s47h. Мурано z50 распиновка приборной панели. Схема подключения приборной панели Ниссан 2. Nissan Note комбинация приборов схема.

Схемы подсветки панели приборов. Hyundai Solaris 2011 схема приборной панели. Хендай HD 78 схема приборки. Hyundai hd78 схема электропроводки. Гольф 3 электросхема панели приборов.

Схемы подсветки панели приборов. Схема разъема приборной панели Приора. Схема приборной панели Лада Калина 1. Распиновка приборной панели ВАЗ 2112 европанель. Схема подключения приборной панели ВАЗ 2112 европанель.

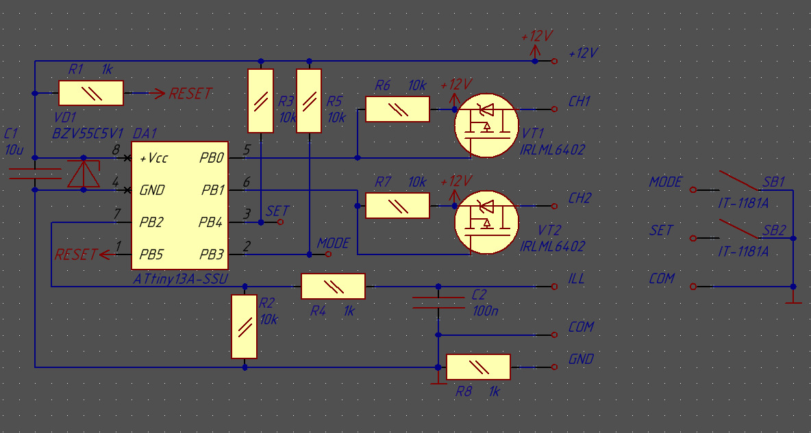
Схемы подсветки панели приборов. Подсветки с контроллером в панель приборов. Контроллер подсветки приборной панели. Управление подсветкой приборной панели микроконтроллером. Подсветка панели приборов на attiny13.

Схемы подсветки панели приборов

Схемы подсветки панели приборов. Схема приборной панели Опель Астра g. Митсубиси Лансер 9 схема подсветки на панели приборов. Схема разъёма приборной панели Опель Астра g. Распиновка панели приборов Опель Астра g.

Схемы подсветки панели приборов. Схема приборной панели Ланос 1.5. Щиток приборов Ланос 1.5. Ланос схема подключения приборная панель. Схема приборной панели ВАЗ 2112 европанель.

Схемы подсветки панели приборов. Схема подсветки приборной панели ВАЗ 2112. Схема подсветки панели приборов ВАЗ 2110. Схема подсветки панели ВАЗ 2110. Схема подключения приборной панели ВАЗ 2110.

Схемы подсветки панели приборов. Плата стрелок ВАЗ 2114 приборной панели. Плата приборки ВАЗ 2114. Подсветка стрелок ВАЗ 2114 vdo. Щиток для ламп приборной панели ВАЗ 2114.

Схемы подсветки панели приборов. Схема подсветки панели приборов ВАЗ 2110. Схема подсветки панели ВАЗ 2110. Схема подключения приборной панели ВАЗ 2110. Схема освещения приборов ВАЗ 2110.

Схемы подсветки панели приборов. Панель приборов хёндай Гетц схема. Электрическая схема приборной панели Hyundai Getz. Hyundai Getz электрическая схема щитка приборов. Схема панель приборов Хендай Гетц 1.6.

Схемы подсветки панели приборов. Принципиальная схема панели приборов калины. Лада Калина 1 панель приборная схема принципиальная. Лада Калина 1 панель приборная схема прин. Схема платы приборки vdo 2110.

Схемы подсветки панели приборов. Приборная панель Nissan March k11. Схема приборной панели Ниссан Санни. Nissan Micra панель приборов. Nissan Note комбинация приборов схема.

Схемы подсветки панели приборов. Схема платы приборной панели Форд фокус 2. Схема приборной панели Мазда 6gh. Схема панели приборов Мазда 6 gg. Схема платы щитка приборов Мазда 3 2007.

Схемы подсветки панели приборов

Схемы подсветки панели приборов. Электропроводка УАЗ 31512 схема подключения. Схема освещения УАЗ 31512. Схема подключения проводки УАЗ 469. Схема подключения электропроводки УАЗ 469.

Схемы подсветки панели приборов. Схема панели приборов Киа Рио 3. Электрическая схема Киа спектра панель приборов. Схема приборной панели Киа Рио 3. Схема щитка приборов Киа Рио 3.

Схемы подсветки панели приборов. Схема подключения кнопки подсветки приборной панели. Светодиодная подсветка приборной панели схема. Схема подключения подсветки панели приборов. Схема работы светодиодов подсветки панели приборов.

Схемы подсветки панели приборов. Схема подключения подсветки приборов ВАЗ 2114. Схема питания приборной панели ВАЗ 2114.

Схемы подсветки панели приборов. Комбинация приборов Газель 405 евро 3. Схема подключения панели приборов ГАЗ 3110. Схема щитка приборов Газель 405 евро 2. Схема подключения приборной панели ГАЗ 3110.

Схемы подсветки панели приборов. Лампочки в панель приборов Дэу Матиз. Лампочки на панели приборов Шевроле Ланос 2008г. Daewoo Matiz приборная панель распиновка. Лампочки панели приборов Део Матиз.

Схемы подсветки панели приборов. Схема щитка приборов Daewoo Nexia #150. Схема приборной панели Daewoo Nexia. Схема панели приборов Матиз 0.8. Схема панели приборов Нексия н150.

Схемы подсветки панели приборов

Схемы подсветки панели приборов. Схема полной приборной панели Ауди 100 с4. Ауди а6 панель приборов схема. Распиновка панели приборов Ауди 100 с4. Панель приборов обозначения на панели Ауди 80 б3.

Схемы подсветки панели приборов. Схема подсветки панели приборов ВАЗ 2114. Схема подключения подсветки приборов ВАЗ 2114. Схема подсветки приборов ВАЗ 2114. Подсветка панели приборов ВАЗ 2114 схема подключения.

Схемы подсветки панели приборов. Схема приборной панели Газель 3302. Схема щитка приборов ГАЗ 3302. ГАЗ 3302 панель приборов схема. Схема подключения приборной панели Газель 3302.

Схемы подсветки панели приборов. Схема панели приборов ВАЗ 2109 низкая панель. Схема подключения панели приборов ВАЗ 2109 низкая панель. Приборная панель ВАЗ 2109 схема проводов. Схема приборной панели ВАЗ 2109 низкая панель карбюратор.

Схемы подсветки панели приборов. Схема приборной панели Ауди 80 б4. Passat b3 схема панели приборов. Ауди 80 приборная панель схема подключения. Audi 80 b3 схема приборной панели.

Схемы подсветки панели приборов. Схема подсветки приборов ВАЗ 2107. Схема включения подсветки приборов ВАЗ 2107. Схема включения наружного освещения ВАЗ 2107. Схема подсветки приборов ВАЗ 2107 карбюратор.

Схемы подсветки панели приборов. Электрическая цепь Киа Соренто. Kia Sportage 2 схема приборная панель. Схема освещения приборной панели на Соренто 2002 года. Схема приборной панели Kia Sorento 2003 года дизель.

Схемы подсветки панели приборов. Схема приборной панели Хендай акцент ТАГАЗ 2008. Электросхема панели приборов Hyundai Getz. Схема подключения указателя уровня топлива акцент. Распиновка приборной панели Hyundai Accent.

Схемы подсветки панели приборов. Схема подключения приборной панели ВАЗ 2109 высокая панель. Схема подключения щитка приборов ВАЗ 2109. Схема подключения приборной панели ВАЗ 2109 карбюратор. Схема панели приборов ВАЗ 2109 высокая панель.

Схемы подсветки панели приборов. Распиновка приборной панели Hyundai Accent. Hyundai Accent распиновка панели приборов. Схема приборной панели Хендай акцент ТАГАЗ 2008. Hyundai Accent схема панели приборов.

Схемы подсветки панели приборов. Электрическая схема Киа спектра панель приборов. Киа спектра 2007 приборная панель схема. Схема панели приборов Киа спектра 2006. Панель приборов Киа спектра 2008 схема.

Схемы подсветки панели приборов

Схемы подсветки панели приборов

Схемы подсветки панели приборов

Схемы подсветки панели приборов

Схемы подсветки панели приборов. Электрическая схема приборной панели Hyundai Getz. Схема панели приборов Хендай Матрикс 2005. Hyundai Getz электрическая схема щитка приборов. Схема щитка приборов лампы Хендай 72.

Схемы подсветки панели приборов. Схема подключения приборной панели Лада Гранта. Разъём панели приборов Лада Гранта. Схема подключения приборной панели Гранта. Распиновка панели Лада Гранта 2190.

Схемы подсветки панели приборов. Схема концевиков Лачетти. Эл схема Лачетти седан 1.6. Схема освещения багажника Chevrolet Lacetti. Схема проводки Chevrolet Lacetti хэтчбек.

Схемы подсветки панели приборов. Распиновка приборной панели Honda Civic Ferio es1. Лампы приборной панели Honda Civic Ferio схема. Лампа подсветки приборной панели Хонда Цивик 7. Лампы приборной панели Хонда Цивик 6.

Схемы подсветки панели приборов. Эл схема Лачетти седан 1.6. Электрическая схема Лачетти 2004г. Схема аудиосистемы Шевроле Лачетти 2005. Схема приборной панели Нива Шевроле.

Схемы подсветки панели приборов. Панель приборов ВАЗ 2114 схема лампочек. Подсветка приборной панели ВАЗ 2110 схема. Контрольные лампы панели приборов ВАЗ 2110. Схема лампочек приборной панели ВАЗ 2110.

Схемы подсветки панели приборов. Nissan Almera n15 приборная панель. Распиновка приборной панели Nissan Almera n16. Ниссан Альмера n15 панель приборов. Almera n15 панель приборов.

Схемы подсветки панели приборов. Схема электрооборудования приборной панели ВАЗ 2105. Схема подключения панели приборов ВАЗ 2105 инжектор. Схема панели приборов ВАЗ 2105. Схема панели приборов ВАЗ 2105 карбюратор.

Схемы подсветки панели приборов

Схемы подсветки панели приборов. Электрическая схема приборной панели Лачетти. Схема подключения приборной панели Шевроле Лачетти. Схема панели приборов Chevrolet Lacetti. Схема щитка приборов Шевроле Лачетти.

Схемы подсветки панели приборов. Электрическая схема приборной панели Калина 1. Схема разъема приборной панели Приора. Схема щитка приборов Приора 1. Схема платы приборной панели Приора.

Схемы подсветки панели приборов. Электрическая схема панели приборов Форд фокус 2 Рестайлинг. Электросхема Форд фокус 2. Схема подсветки салона Форд фокус 3. Ford Focus 2 электросхема двигателя 1,8.

Схемы подсветки панели приборов. Панель ВАЗ 2114 печатная плата. Платы подсветки щитка приборов Лада 2114. Схема печатной платы для панели приборов Приора. Лада Калина схема платы панели приборов.

Схемы подсветки панели приборов. Схема приборной панели Лансер 9. Схема ламп приборной панель дан Ео 9. Схема лампочек приборной панели Лансер 9. Схема расположения лампочек на панели приборов Хонда Аккорд 6.

Схемы подсветки панели приборов. Hyundai Solaris 1 Эл схема фар. Hyundai Solaris 2 распиновка приборной панели. Схема управления Hyundai Solaris 2014 год. Hyundai Solaris электросхемы освещение.

Схемы подсветки панели приборов. Панель ВАЗ 2114 печатная плата. Плата для Пересвета приборки 2114. Печатная плата панели приборов s-Max 2006. Плата для Пересвета панели приборов ВАЗ 2114 схема.

Схемы подсветки панели приборов. Схема задержки включения светодиода. Двухканальный розжиг светодиодов схема. Схема для плавного пуска приборной панели машины. Схема пайки подсветки.

Схемы подсветки панели приборов. Hyundai Accent схема панели приборов. Hyundai Getz распиновка панели приборов. Электрическая схема приборной панели Hyundai Getz. Распиновка приборной панели Hyundai Getz 1.4.

Схемы подсветки панели приборов

Схемы подсветки панели приборов. Лампы панели приборов Ауди 80 б3. Ауди 80 лампочек в щиток приборов. Лампочки в приборную панель Ауди 80. Ауди 80 б3 щиток приборов лампочки.

Схемы подсветки панели приборов. Разъем комбинации приборов Лада Калина седан 2008 год. Распиновка приборной панели Лада Калина 1. Распиновка панели приборов Калина 2. Распиновка панели приборов Калина 1.

Схемы подсветки панели приборов. Схема приборной панели 2115. Схема подключения приборной панели ВАЗ 2115. Схема платы приборной панели ВАЗ 2114. Схема подсветки приборной панели ВАЗ 2115.

Схемы подсветки панели приборов. Hyundai Solaris схема панели приборов. Хендай 120 дизель схема щитка приборов. Схема приборной панели Хендай Солярис. Схема комбинации приборов Hyundai Verna 2008.

Схемы подсветки панели приборов

Схемы подсветки панели приборов. Схема электропроводки указателя топлива кия СИД 2008 дизель. Лачетти 2010 схема датчик уровня топлива. Электросхема щитка приборов Паджеро 2 дизель. Электрическая схема приборной панели Discovery 3.

Схемы подсветки панели приборов. Схема платы приборной панели Ford Fusion. Схема платы панели приборов Форд Фьюжн 2007. Форд Фьюжн 2007 схема щитка приборов. Форд Фьюжен 2008 электросхема.

Схемы подсветки панели приборов. ВАЗ 2110 индикаторы приборной панели. Нива Шевроле лампы индикации на панели приборов. ВАЗ 2110 приборная панель обозначения. Приборная панель ВАЗ 2110 обозначения значков.

Схемы подсветки панели приборов. Схема приборки ВАЗ 2114. Схема платы приборной панели ВАЗ 2115. Схема подсветки приборной панели ВАЗ 2115. Приборный щиток ВАЗ 2115 схема.

Схемы подсветки панели приборов. Форд фокус 2 электрическая схема панели приборов. Схема приборной панели Форд Фьюжн. Схема щитка приборов Фьюжн.

Схемы подсветки панели приборов. Схема платы для Пересвета приборной панели Калина 1. Печатная плата для Пересвета панели Приора. Печатная плата отопителя 2115. Печатная плата панели приборов s-Max 2006.

Схемы подсветки панели приборов. Провод спидометра приборной панели ГАЗ 3110. Значки на панели приборов Газель 3302. Схема приборной панели Газель 3302. Схема подсветки панели приборов Газель 3302.

Схемы подсветки панели приборов. Щиток приборов ВАЗ 2112 распайка. Распиновка приборной панели 2110. Эл схема щитка приборов ВАЗ 2114. Подключить панель приборов ВАЗ 2110.

  • Вперед Размеры митсубиси паджеро спорт 3
  • Назад Карта прокопьевска со спутника онлайн в реальном времени

Новые страницы

Ariston pro1 r inox abs 100 v

Автоюрист зеленоград

Бмв мка

Большое спасибо купюра картинка

Что представляют из себя магнитные линии

Д1008 характеристики

Ddx тренировки с тренером

Этажи недвижимость москва

Гдз о окружающему миру 4 класс рабочая тетрадь 2 часть

Инструменты напрокат

Интересные темы для индивидуального проекта 11 класс

Измените следующие предложения по образцу употребляя абсолютную форму притяжательных местоимений

Как нарисовать природу легко и красиво карандашом 1 класс

Какие предусмотрены виды дисциплинарной ответственности

Керамический поддон для душа

Modbin скачать

Море внутри

Музей бронепоезд тула

Однолинейная электрическая схема

Отделка лестничного проема

Приокеаническая пустыня это в географии

Протрузии дисков позвоночника поясничного отдела лечение

Рецепт кока колы засекречен

Рисунки на военную тему легкие карандашом

Розы картинки черно белый рисунок

Схема управления менеджмента

Схема зажигания ваз 21213 нива карбюратор

Схемы подсветки панели приборов

Убрать квартиру после ремонта

Упражнение 43 физика 9 класс перышкин

cdn.zecar.ru