Skip to content

Фотогалерея

  • Главная
  • Контакты

Схемы на atmega32 своими руками

Atmega32 Arduino Pinout

Complete Atmega32 Datasheet: Specifications, Pinout, and Programming Guide

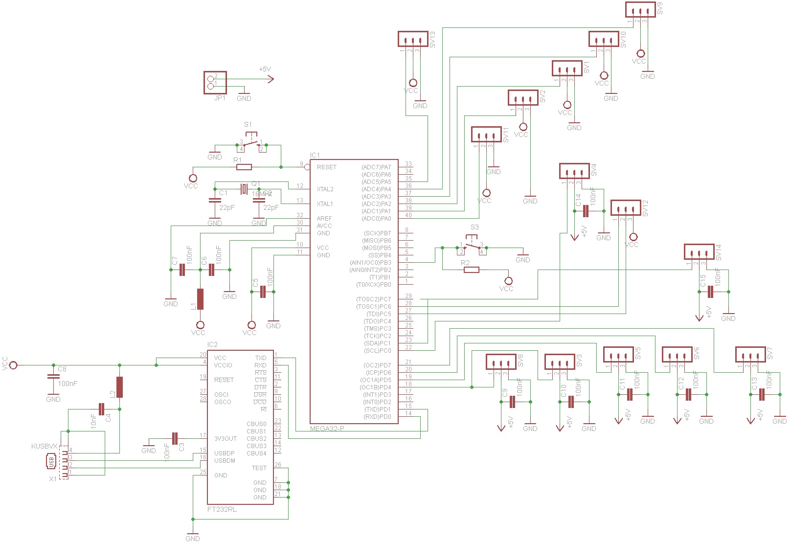
AVR ATmega32 QuickStart Board V2

ATmega32 Microcontroller Pinout, Programming Examples and Features

pin mapping of the ATmega32-16PU - Microcontrollers - Arduino Forum

Arduino Atmega328 Circuit Diagram

DIY atmega16 atmega32 isp i/The Development Plate of The Minimum avr ...

Atmega32 Atmega32a Atmega 32 – shahalam.pk

CCDImager

Arduino своими руками на Atmega32, ПОЛНОСТЬЮ РАБОЧИЙ ЗАГРУЗЧИК - YouTube

Arduino for Atmega32 | Detailed Circuit Diagram Available

Задающий генератор на микросхеме NE555 - YouTube

ATmega32

Самодельный лабораторный блок питания: vladikoms

Atmega32 Измерение Напряжение И Вывод На Lcd - AVR - Форум по ...

Схема ардуино уно atmega328p - Схемы

Электронная читалка своими руками на микроконтроллере ATmega32

Электронная читалка своими руками на микроконтроллере ATmega32

ATMEGA32 là gì? Sơ đồ chân, thông số kỹ thuật và ứng dụng – Điện tử ...

ATMEGA32 là gì? Sơ đồ chân, thông số kỹ thuật và ứng dụng – Điện tử ...

Схема на atmega16 фото - PwCalc.ru

Схема на atmega16 фото - PwCalc.ru

Схемы на микроконтроллерах своими руками 2020 года

Jual ATMEGA32A ATmega32 | Shopee Indonesia

Нажмите для увеличения | Электронная схема, Биполярный транзистор ...

Схема Своими Руками Фото – Telegraph

Atmega32 16pu arduino

Радио Схемы - 5 интересных схем для начинающих радиолюбителей

Sprawdzenie schematu-Atmega32 sterowanie serwomechanizmami

[Atmega32][C]- Układ do wyznaczania charakterystyk elementów

[Atmega32][C]- Układ do wyznaczania charakterystyk elementów

Система регистрации данных на Atmega32 с записью на SD карту памяти ...

Пишем первый код для ATMEGA32 в Атмел студио и мигаем светодиодом ...

Прошиваю Atmega32 программатором USBasp и пишу код в Atmel Studio для ...

Изображение

  • Вперед Как легко нарисовать верблюда
  • Назад Установка солнечных коллекторов

Новые страницы

Аэробус а321 уральские авиалинии схема салона

Darkest dungeon волки у порога карта

Дензел вашингтон дети

Диагностическая карта спб

Гдз 4 класс англ язык

Гифки для презентации аниме

Хомут норма 20 32

Инкоэр арматура

Исковое на алименты образец

Картинка за мир с буквой z

Ку202н характеристики схемы включения

Лабораторные и практические работы по биологии 7 класс

Лечение вульвита в домашних условиях

Мануал honda civic

Маркетинговая деятельность картинки для презентаций

Мажор эксперт авто

Михайлов иван

Определите тип химической связи na

Приора распиновка предохранителей в салоне

Распиновка контактов флешки

Рассмотрение анкеты

Регламент то митсубиси паджеро

Ривьера фитнес

Справка с основного места работы об отпуске для совместителя образец

Сравните статус жены и тещи какой приписываемый а какой достигаемый

Тяга кулисы

Учебник вероятность и статистика 8 класс

Запись с аудиокассеты на диск

Заявление на орксэ для родителей образец заполнения

Заявление о признании иска ответчиком в арбитражном суде образец

cdn.zecar.ru