Skip to content

Фотогалерея

  • Главная
  • Контакты

Схемы хендай крета

Схемы хендай крета. Схема разводки массы Киа Рио 3. Принципиальная схема кия Рио 3. Электросхема кондиционера автомобиля Киа Оптима 2016. Kia Rio 3 панель приборов схема.

Схемы хендай крета

Схемы хендай крета. Электросхемы Hyundai Creta 2018. Электрическая схема Хендай Крета 2018. Схема электропроводки Хендай Крета 2017г. Электрические схемы Hyundai Creta 2021.

Схемы хендай крета. Электросхема Крета 2.0 Хендай. Электросхемы Hyundai Creta 2021. Система охлаждения Хендай Крета 1.6 автомат. Электросхема Hyundai Creta.

Схемы хендай крета. Схема электрооборудования Крета. Электрическая схема Хендай Крета 2018. Электрические схемы Hyundai Creta 2021. Схема электропроводки Creta.

Схемы хендай крета. Хендай Крета вид сзади. Hyundai Creta элементы кузова. Hyundai Creta схема кузова. Элементы кузова на Хендэ Крета схема.

Схемы хендай крета. Электрические схемы Хундай ix35. Схема электрооборудования Hyundai ix55. Электросхема Хендай ix35. Схема электрооборудования Крета.

Схемы хендай крета. Электрическая схема Хендай Крета. Электрическая схема Хендай Крета 2020 года. Схема электрооборудования Хендай Крета 2017. Схема электрики Хендай Крета 2016.

Схемы хендай крета

Схемы хендай крета

Схемы хендай крета. Схема электрооборудования Крета. Электрические схемы Крета. Схема электропроводки Hyundai Creta. Схема электрооборудования Хендай Крета 2017.

Схемы хендай крета. Hyundai Solaris 2014 схема управления двигателем. Hyundai Solaris 1 Эл схема фар. Хендай Соната электрическая схема форсунки. Hyundai Creta блок управления двигателем 2.

Схемы хендай крета. Схема электрооборудования Hyundai Elantra XD. Hyundai i30 схема электрооборудования. Реле стеклоочистителя Hyundai Solaris 2021 года. Электрическая схема Хендай Крета 2018.

Схемы хендай крета

Схемы хендай крета. Схема электрооборудования Крета. Схема проводки Хендай Крета. Электрическая схема Хендай Крета 2019 года. Электросхема Крета 2.0.

Схемы хендай крета. Электрическая схема Хендай Крета 2020 года. Электрическая схема Хендай Крета 2019. Блок PCB Hyundai Creta. Схема электрическая Hyundai Creta предохранители.

Схемы хендай крета

Схемы хендай крета. Hyundai Creta электросхемы. Электросхема Hyundai Creta 2018. Hyundai ix35 схема электрооборудования. Схема электропроводки Hyundai Creta.

Схемы хендай крета

Схемы хендай крета. Электрическая схема Hyundai i20. Электрические схемы Hyundai Creta 2021. Звуковой сигнал на Хендай Крета на схеме. Электрическая схема Хендай Крета 2019.

Схемы хендай крета. Электросхема Хендай Крета 2021. Схема управления центральным замком Хендай Крета 2016-2019 года.

Схемы хендай крета

Схемы хендай крета. Hyundai ix35 схема электрооборудования. Электрические схемы Хундай ix35. Hyundai Solaris схема освещения салона. Схема замка багажника Hyundai ix35.

Схемы хендай крета. Хендай ix35 схема климат-контроля. Схема подключения в климат контроля Крета. Распиновка климат контроля Hyundai Creta. Датчик климат контроля Hyundai.

Схемы хендай крета. Схема DRL Hyundai Solaris. Схема габаритных огней Hyundai ix35. Электрическая схема Хендай Крета 2018. Hyundai Solaris 1 Эл схема фар.

Схемы хендай крета

Схемы хендай крета. Электрическая схема Крета 2.0. Sd588-1 схемы Creta Hyundai. Электрические схемы Santa Fe 4. Электрические схемы Santa Fe 4 sd954.

Схемы хендай крета. Схема электрооборудования Крета. Схема электрооборудования Хендай Крета 2017. Электрооборудование автомобиля Hyundai Creta. Схема кнопок круиз контроля Hyundai Creta 2021.

Схемы хендай крета. Схема электрооборудования Хендай Крета 2017. Электрическая схема Хендай Крета 2020 года. Схема кнопок круиз контроля Hyundai Creta 2021. Электрическая схема Хендай Крета.

Схемы хендай крета

Схемы хендай крета. Схема электропроводки Hyundai Creta. Электрическая схема Хендай Крета. Схема электрооборудования Хендай Крета 2017. Схема электропроводки Хендай Крета 2017г.

Схемы хендай крета

Схемы хендай крета. Схема проводки Хендай Солярис 2019. Электрическая схема Хендай Крета 2018. Солярис 2018 схема электропроводки. Схема электропроводки Solaris 2020.

Схемы хендай крета. Электросхемы Hyundai Creta 2018. Хендай Крета 2016 электросхема. Электрические схемы Hyundai Creta 2021. Электросхемы Hyundai Creta 2020.

Схемы хендай крета

Схемы хендай крета. Hyundai ix35 схема электрооборудования. Схема плафона Hyundai Solaris 2. Схема электрооборудования Крета. Электросхемы Крета 2017.

Схемы хендай крета. Электросхемы Hyundai Creta 2018. Hyundai ix35 схема электрооборудования. Схема электропроводки Hyundai Creta. Электросхемы Hyundai Creta 2020.

Схемы хендай крета

Схемы хендай крета. Схема электрооборудования Крета. Hyundai Creta блок управления двигателем 2. Hyundai Creta блок реле. Электросхема Крета 2021.

Схемы хендай крета. Hyundai Creta электросхемы. Хендай Солярис электросхема кондиционера. Солярис 2 схема управления кондиционера.

Схемы хендай крета. Электрическая схема Хендай Крета. Схема электропроводки Хендай Крета 2017г. Sd588-1 схемы Creta Hyundai. Электросхема Крета 2.0.

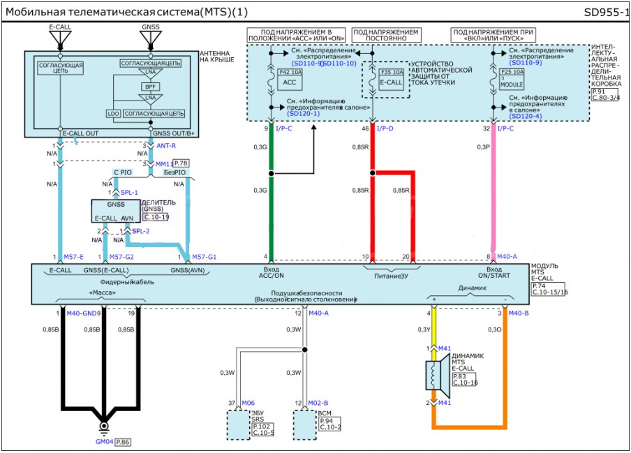
Схемы хендай крета. Схема антенны Хендай Крета. Схема антенны ФМ хёндай Крета. Схема подключения антенны на Рио 4.

Схемы хендай крета. Схема электропроводки Creta. Hyundai Creta электросхемы. Hyundai Solaris система пуска двигателя. Схема электропроводки Хендай Крета 2017г.

Схемы хендай крета. Электросхемы Hyundai Creta 2021. Схема электрооборудования Хендай Крета 2017. Электросхема Крета 2.0 Хендай. Электросхема Hyundai Creta.

Схемы хендай крета. Электросхема Hyundai Creta 2018. Схема электрооборудования Крета. Creta схема электрооборудования. Электрическая схема Хендай Крета 2018.

Схемы хендай крета. Hyundai Creta схема электрооборудования. Система зажигания Hyundai Creta. Электросхемы Hyundai Creta 2021. Хендай Крета 2016 электросхема.

Схемы хендай крета

Схемы хендай крета. Схема электрооборудования Крета. Электрическая схема Хендай Крета. Схема электропроводки Hyundai Creta. Электрическая схема Хендай Крета 2018.

Схемы хендай крета. Схема крепления накладки переднего бампера Хендай Крета 2016. Лампочки Хендай Крета 2019. Сборка бампера Hyundai Creta. Хендай Крета схема габаритных размеров.

Схемы хендай крета. Ix35 схема управления АКПП. Солярис 2012 схема управления АКПП. Hyundai ix35 схема электрооборудования. Хендай Солярис 2016 электросхема АКПП.

Схемы хендай крета. Схема электрооборудования Хендай Крета 2017. Схема электропроводки Хендай Крета 2017г. Электросхема Крета 2.0 Хендай. Схема стеклоподъемников Крета.

Схемы хендай крета. Hyundai ix35 схема электрооборудования. Электросхема Hyundai Creta 2018. Круиз контроль Хендай Крета 2022. Электросхема круиз контроля Крета 2019.

Схемы хендай крета. Чертеж Хендай Крета. Hyundai Creta схема кузова. Хендай Крета чертёж кузова. Hyundai Creta 2021 чертеж.

Схемы хендай крета. Электрическая схема Хендай Крета 2018. Sd588-1 схемы Creta Hyundai. Схема подключения сигнала Хендай Крета 2019.

Схемы хендай крета. Схема кондиционирования Hyundai i30. Электросхема Крета 2.0 Хендай. Электросхемы Хендай Крета. Электросхемы Hyundai Creta 2021.

Схемы хендай крета. Hyundai Solaris 2019 распиновка разъема ЭБУ. Схема электрооборудования Крета. Распиновка ЭБУ Hyundai Accent ТАГАЗ 2008 год механика. Hyundai Creta блок управления двигателем 2.

Схемы хендай крета. Hyundai ix35 схема электрооборудования. Электрооборудование автомобиля Hyundai Creta. Hyundai Creta электросхемы. Электрическая схема Хендай Крета 2020 года.

Схемы хендай крета. Схема электрооборудования Крета. Creta схема электрооборудования. Схемы электрооборудования Хендай Крета 2017 года. Creta электрические схемы.

Схемы хендай крета

Схемы хендай крета

Схемы хендай крета

Схемы хендай крета. Схема электрооборудования Крета. Электрическая схема Хендай Крета 2018. Hyundai Creta электросхемы. Электросхема Крета 2.0 Хендай.

Схемы хендай крета. Хендай Солярис схема противотуманных фар. Распиновка фары Hyundai Creta. Электрические схемы Hyundai Creta 2021. Схема камеры Hyundai Creta.

Схемы хендай крета. Габариты Хундай Крета 2019. Hyundai Creta 2019 1.6. Hyundai Creta 2020 габариты. Выхлопная система Хендай Крета 1.6.

Схемы хендай крета. Электросхема круиз контроля Крета 2019. Электросхема Крета 2.0. Электросхема питания форсунок Хендай Крета 150лс. Электросхема полного привода Крета 2017.

Схемы хендай крета

Схемы хендай крета. Hyundai Solaris схема поворотов. Схема электропроводки Creta. Электросхема поворотников Хендай Солярис 1. Hyundai Creta электросхемы.

Схемы хендай крета. Электросхема Крета 2.0 Хендай. Подключение обогрева сидений к сигнализации. Автоантенна Creta Hyundai схема. Электрическая схема Хендай Крета.

Схемы хендай крета. Габариты Hyundai Creta 2019. Габариты Hyundai Creta 1.6. Hyundai Creta 2016 габариты.

Схемы хендай крета

Схемы хендай крета. Электрическая схема Hyundai hd78. Хендай 78 схема электрооборудования. Электросхемы Hyundai Santa Fe 2002 2.7. Электросхема Hyundai HD 78 АБС.

Схемы хендай крета. Хендай ix35 фары электрическая схема. Схема электропроводки Hyundai Creta. Электрическая схема Хендай Крета 2018. Hyundai i40 электрическая схема передней фары.

Схемы хендай крета

Схемы хендай крета. Схема электрооборудования Крета. Крета схема фары Хендай. Крета схема электропроводки.

Схемы хендай крета. Схема проводки Creta. Электросхема Hyundai Creta 2018. Электросхемы Hyundai Creta 2021. Электросхема Хендай Крета 2021.

Схемы хендай крета. Электросхемы Hyundai Creta 2018. Схема электропроводки Creta. Схема плафона Hyundai Solaris 2. Электросхемы Крета 2017.

Схемы хендай крета. Схема аудиосистемы Hyundai Крета. Hyundai Creta разъем магнитолы. Штатная магнитола на Hyundai Creta схема. Штатная автомагнитола на Hyundai Creta схема подключения.

Схемы хендай крета

Схемы хендай крета. Размер щёток стеклоочистителя Хендай Крета 2017. Размер дворников Хендай Крета 2019. Хендай Крета 2017 составные части. Размер заднего дворника на Hyundai Creta.

Схемы хендай крета. Схема стеклоподъемников Хендай Солярис. Электрические схемы Hyundai Elantra ad (2016-2018). Электрическая схема Хендай Крета 2019. Электросхемы Hyundai Creta 2018.

Схемы хендай крета

Схемы хендай крета. Схема кондиционера Hyundai Tucson 2008 года. Hyundai Creta электросхемы. Солярис 2 схема управления кондиционера. Электросхема Крета 2.0 Хендай.

Схемы хендай крета. Блок климат контроля Хундай Крета. Блок климат контроля Крета 1. Климат контроль Hyundai Creta. Хендай ix35 схема климат-контроля.

Схемы хендай крета. Creta электрические схемы. Схема электропроводки Creta 2.0. Электросхема бензонасоса Хендай Крета. Распиновка Hyundai Creta.

Схемы хендай крета. Хендай ix35 электросхема управления стартером. Схема заднего привода Hyundai ix35. Привод Хундай ix35 схема. Hyundai ix35 электросхемы.

Схемы хендай крета. Схема кнопок круиз контроля Hyundai Creta 2021. Схема электрооборудования Крета. Электрические схемы Hyundai Creta 2021. Схема подключения магнитолы Creta.

  • Вперед Самбо официальный сайт россии
  • Назад Гдз по русскому языку ладыженская 7 класс упражнение 443

Новые страницы

Атанасян 634

Бензонасос бош 0580454001 характеристики

Best sport game

Что из перечисленного было одной из причин политической раздробленности руси

Доброе утро сашуля картинки

Факторинг без регресса это

Гдз по русскому 8 класс бархударов упр 293

Градостроительная карта московской области

Как сделать день и ночь на одном

Линия маннергейма современная карта

На рисунке изображен график функции y f x ах2 вх с найдите f 5

Наклуа пляж

Навесные туалеты

Не нужна лобода

Образец сертификата участника мероприятия

Образец заявления на отгул за свой счет на один день по семейным обстоятельствам образец заявление

Образец заявления на восстановление диплома

Пояснительная записка к сметной документации образец 2023

Пропайка процессора

Схема новой объездной дороги в тюмени

Схема зала оренбуржье оренбург

Схемы хендай крета

Широкий браслет из бисера схема

Сигнализация аллигатор 868 mhz инструкция

Способы составления схем

Spotlight 6 класс контрольные работы

Тамара дадашева

Укладка плитки на могиле

Вязаные тапочки на подошве крючком со схемами и описанием новые модели

Xotpipe ru

cdn.zecar.ru