Skip to content

Фотогалерея

  • Главная
  • Контакты

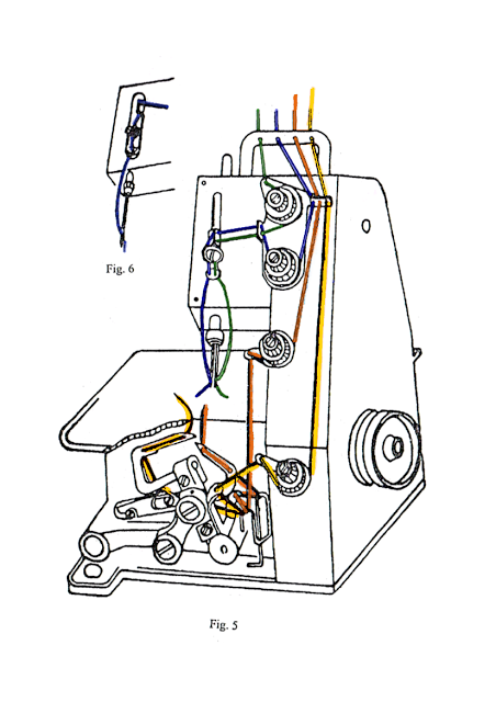
Схема заправки оверлока

Схема заправки оверлока. Оверлок Jasmine fn2-70. Оверлок Jasmine fn2-4d заправка нитей.

Схема заправки оверлока. Оверлок gn794 схема. Схема заправки нитей в оверлок typical gn2000. Joyee оверлок 604 схема заправки нитей. Типикал 794 оверлок заправка ниток схема.

Схема заправки оверлока. Оверлок агат 5-ниточный схема заправка нити. Схема заправки оверлока Джек. Схема заправки оверлока Juki. Оверлок агат схема.

Схема заправки оверлока. Juki mo 735 схема заправки. Схема заправки оверлока Juki. Схема заправки нитей оверлока Джуки 654. Juki оверлок 4 ниточный МО 735 цветная схема заправки нитей.

Схема заправки оверлока. Оверлок gn1-2 заправка нитей. Оверлок Yamata gn1-2d заправка нитей. Оверлок gni-1 схема. Заправка ниток в оверлок gn1-1 схема.

Схема заправки оверлока. Оверлок агат 5-ниточный схема заправка нити. Оверлок gn794 схема. Схема оверлок gn1-2 заправка нитей. Схема заправки оверлока 3 ниточного Прима.

Схема заправки оверлока. Схема заправки нити оверлок gn1. Типикал 794 оверлок заправка ниток схема. Заправка оверлока typical gn794d схема. Оверлок Janome схема.

Схема заправки оверлока. Схема оверлок gn1-2 заправка нитей. Схема заправки нити оверлок gn1. Оверлок 51 класс кинематическая схема. Оверлок Seiko gn2-4d заправка нитей.

Схема заправки оверлока. Схема заправки нити оверлок gn1. Оверлок 51 класс кинематическая схема. Схема заправки нитей на китайский оверлок gn1-2. Заправка оверлока gn1-2 схема.

Схема заправки оверлока. Регулировка петлителей оверлока gn1. Верхний петлитель оверлока Эффектив 1700. Оверлок китайский gn1-1 расположение петлителей. Схема петлителя оверлока Прима.

Схема заправки оверлока. Оверлок Прима ме10. Заправка оверлока Прима 4-х ниточный. Схема заправки оверлока Прима 4 нитки. Оверлок gn794 схема.

Схема заправки оверлока. Схема заправки нити оверлок gn1. Оверлок а51 схема заправки нитей. Оверлок китайский GN 1 трехниточный заправка. Оверлок gn1-2 заправка нитей.

Схема заправки оверлока. Схема заправки оверлока Прима 4 нитки. Схема заправки оверлока Прима 3. Схема заправки нити оверлок gn1. Схема заправки оверлока 3 ниточного Прима.

Схема заправки оверлока. Типикал 794 оверлок заправка ниток схема. Схема заправки нитей в оверлок typical gn2000. Заправка нитей в оверлок typical gn794. Заправка нитей на typical gk1500.

Схема заправки оверлока. Оверлок gn1-2 заправка нитей. Схема заправки нити оверлок gn1. Оверлок gn1 заправка нитки. Заправка ниток в оверлок gn1-1 схема.

Схема заправки оверлока. Оверлок gn1 заправка нитки. Китайский оверлок 51 класса. Оверлок gn1-2 заправка нитей. Схема заправки ниток оверлока 51-а класса.

Схема заправки оверлока. Оверлок Juki МО 735. Схема заправки оверлока Джуки 4 нитки. Схема заправки нити оверлока Джуки МО 654 де. Juki mo 735 заправка 3-ниточный.

Схема заправки оверлока. Оверлок Прима 4-х ниточный схема заправки нитей. Схема заправки нитки в оверлок ВОМЗ 151-4д. Схема заправки нити оверлок gn1. Схема заправки оверлока ВОМЗ.

Схема заправки оверлока. Оверлок агат 5-ниточный схема заправка нити. Схема заправки нити оверлок gn1. Схема заправки оверлока Джек. Схема заправки оверлока Jack e4s.

Схема заправки оверлока. Оверлок FN 2-1 заправка схема. Оверлок Yamata fn2-5d схема заправки нитей. Оверлок трехниточный ВОМЗ 151 схема заправки ниток. BML 900 оверлок петлитель.

Схема заправки оверлока

Схема заправки оверлока. Оверлок Yamata fn2-7d заправка нитей схема. Типикал 794 оверлок заправка ниток схема. Схема заправки нитей на китайский оверлок gn1-2.

Схема заправки оверлока. Схема заправки оверлок 3-х ниточный 51 класса. Оверлок 51 класса двухниточный. Промышленная швейная машина оверлок 51 класса схема. Оверлок 51 класса схема конструкции.

Схема заправки оверлока. Оверлок Jack 766-4-514m2-24 схема заправки. Зоджи оверлок 933 70 ед схема. Оверлок Daewoo DSM-511. Оверлок 151 трехниточный заправка нитей.

Схема заправки оверлока. Схема заправки оверлока китайского трехниточного gn1-2. Оверлок 51 класса схема заправки заправка нитей. Оверлок gn1 заправка нитки. Китайский оверлок gn1-2 заправка ниток.

Схема заправки оверлока. Схема заправки нитки оверлок Aurora 700d. Схема заправки оверлока Jack e4s. Dyson оверлок 798. Оверлок мерилок 013 заправка нитей схема.

Схема заправки оверлока. Joyee оверлок 604 схема заправки нитей. Схема заправки оверлока агат. Оверлок fn2-7d заправка ниток схема. Промышленный оверлок 3 схема ниток.

Схема заправки оверлока. Схема заправки ниток оверлока 51-а класса. Схема заправки оверлока китайского трехниточного gn1-2. Оверлок 51 класса схема заправки заправка нитей. Оверлок gn1 заправка нитки.

Схема заправки оверлока. Оверлок gn1-2 заправка нитей. Оверлок 51 класс кинематическая схема. Заправка нитей оверлок Seiko gn1-. Оверлок китайский gn1-2 инструкция схема заправки нитей в оверлок.

Схема заправки оверлока. Оверлок агат 5-ниточный заправка ниток схема. Оверлок агат четырехниточный схема заправки нитей. Оверлок агат 5-ниточный инструкция. Схема заправки оверлока агат.

Схема заправки оверлока. Схема заправки нити оверлока Джуки МО 654 де. Схема заправки нитей оверлока Джуки 654. Заправка Джуки МО 735. Заправка нитей в оверлок Juki 654.

Схема заправки оверлока. Оверлок gni-1 схема. Схема заправки нити оверлок gn1. Схема китайского оверлока gn1-1 заправки ниток. Схема заправки оверлока GN 1.

Схема заправки оверлока. Нитенаправитель оверлок 747. Оверлок пятиниточный Yamata fn2-5d. Оверлок трехниточный ВОМЗ 151 схема заправки ниток. Оверлок Jack JK-e3-4 схема.

Схема заправки оверлока. Схема заправки ниток оверлок typical GN 2000 - 4h. Оверлок агат 5-ниточный схема заправка нити. Схема заправки нити в оверлок typical gn794. Оверлок 51 класс кинематическая схема.

Схема заправки оверлока. Заправка оверлока типикал gn794. Типикал 794 оверлок заправка ниток схема. Оверлок gn794 схема. Pfaff Coverlock 3.0 заправка нитей.

Схема заправки оверлока. Оверлок трехниточный мкб-1. Оверлок RXM-3d заправка нити. Оверлок FN 2-1. Оверлок Jasmine fn2-70.

Схема заправки оверлока

Схема заправки оверлока. Схема заправки оверлока китайского трехниточного gn1-2. Схема заправки нити оверлок gn1. Схема заправки нитей на китайский оверлок gn1-2. Схема заправки оверлока китайского трехниточного gn1-2 левой нитки.

Схема заправки оверлока. Схема оверлок Jack c3. Механизм оверлока. Швейная машина оверлок схема. Схема оверлока Джаноме.

Схема заправки оверлока. Оверлок Крош схема заправки нитей в оверлок. Заправка оверлока Крош 1. Схема заправки оверлока Крош-1. Схема заправки оверлока fn2-4d.

Схема заправки оверлока. Схема заправки нити оверлок gn1. Оверлок GN 1 как заправить. Заправка оверлока gn1-2 схема. Схема оверлок gn1-2 заправка нитей.

Схема заправки оверлока. Оверлок GN 5 схема. Схема заправки нити оверлок gn1. Схема заправки оверлока Прима 3. Схема заправки оверлока 3 ниточного Прима.

Схема заправки оверлока. Оверлок МШК-1 инструкция. Оверлок мерилок 003. Схема заправки оверлока Крош-1. Схема заправки оверлока Прима 3.

Схема заправки оверлока. Оверлок gn1 заправка нитки. Заправка нити оверлока gn1- 1d схема. Оверлок а51 схема заправки нитей. Оверлок китайский gn1-2 инструкция схема заправки нитей в оверлок.

Схема заправки оверлока. Оверлок Yamata fn2-7d заправка нитей схема. Заправка нити в оверлок fn2-7d. Оверлок агат 5-ниточный схема заправка нити. Схема оверлок gn1-2 заправка нитей.

Схема заправки оверлока. Оверлок Sandeep FN-7d. Оверлок Сейко gn2-7d. Заправка оверлока Yamata fn2-7d.

Схема заправки оверлока. Схема заправки оверлока китайского трехниточного gn1-2. Оверлок ВОМЗ 151-4д заправка нитей. Оверлок fn2-7d схема заправки нитей. Оверлок FN 2-1 заправка схема.

Схема заправки оверлока. Заправка нитки в оверлок 51 класса. Схема заправки нити оверлок gn1. Оверлок 51 класс кинематическая схема. Заправка оверлока 51 класса 3 ниточный.

Схема заправки оверлока. Схема заправки нити оверлок gn1. Оверлок Джек схема заправки нити 4 ниточночного. Регулировка петлителей оверлока gn1. Схема заправки оверлока fn2-4d.

Схема заправки оверлока. Схема заправки нитей на китайский оверлок gn1-2. Схема заправки нити оверлок gn1. Оверлок трехниточный бытовой китайский схема заправки. Оверлок 3х ниточный схема.

Схема заправки оверлока

Схема заправки оверлока. Схема заправки оверлока Джуки. Заправка нити в оверлок Yamata fn2-4d схема заправки. Схема заправки оверлока Jack e4s. Схема заправки нитки оверлок Ямата gn1-2d.

Схема заправки оверлока. Оверлок Jack e3 схема запчастей. Схема заправки оверлока Jack e4s. Juki 2500 оверлок схема заправки. Джуки 735 схема заправки.

Схема заправки оверлока. Схема заправки оверлока ВОМЗ 151-4д. Схема заправки нитки в оверлок ВОМЗ 151-4д. Оверлок ВОМЗ схема заправки нитей. Схема заправки оверлока Крош-1.

Схема заправки оверлока. Схема заправки оверлока Джек. Схема заправки оверлока агат. Оверлок агат 5-ниточный схема заправка нити. Типикал 794 оверлок заправка ниток схема.

Схема заправки оверлока. Juki mo 735 схема заправки. Схема заправки оверлока Juki. Схема заправки нитей оверлока Джуки 654. Заправка нити в оверлок Juki.

Схема заправки оверлока

Схема заправки оверлока

Схема заправки оверлока. Оверлок gn794 схема. Схема заправки оверлока ВОМЗ 151-4д. Схема заправки нити оверлок gn1. Оверлок Рамонак заправка ниток.

Схема заправки оверлока

Схема заправки оверлока

Схема заправки оверлока. Оверлок Yamata fn2-7d заправка нитей схема. Схема заправки нити оверлок gn1. Оверлок Yamata fn2-7d заправка нитей.

Схема заправки оверлока. Оверлок Comfort 550 инструкция. Оверлок Necchi 670-150 инструкция. Necchi 150 оверлок инструкция. Инструкция по эксплуатации оверлока комфорт 550.

Схема заправки оверлока. Схема заправки нити оверлок gn1. 3х ниточный оверлок gn1 заправка нитей схема. Оверлок Seiko gn2-7d заправка нитей. Оверлок fn2-7 схема педали электрической.

Схема заправки оверлока. Схема оверлока Джаноме. Оверлок трехниточный бытовой китайский схема заправки. Схема заправки нитки в швейную машинку Джаноме. Заправка нити в швейную машинку Janome 2121.

Схема заправки оверлока

Схема заправки оверлока. Оверлок Janome MYLOCK 844d. Janome MYLOCK 634d. Схема заправки нити оверлок gn1. Оверлок Juki mo-6816s-ff6-50h схема ниток.

Схема заправки оверлока. Схема заправки нитей оверлока Джуки 654. Схема заправки оверлока Jack e4s. Оверлок трехниточный ВОМЗ 151. Оверлок Juki mo-654de схема заправки ниток.

Схема заправки оверлока. Оверлок gn794 схема. Типикал 794 оверлок заправка ниток схема. Схема заправки оверлока Jack e4s. Схема заправки нитей в оверлок typical gn2000.

Схема заправки оверлока. Схема заправки нити в оверлок typical gn794. Схема заправки оверлока Jack e4s. Типикал 794 оверлок заправка ниток схема. Jack оверлок 4х ниточный.

Схема заправки оверлока. Схема заправки нитей в оверлок трехниточный. Оверлок 151 трехниточный инструкция. Как заправить китайский оверлок трехниточный схема. Как правильно заправить оверлок трехниточный Прима.

Схема заправки оверлока. Схема оверлок gn1-2 заправка нитей. Схема заправки нити оверлок gn1. Оверлок китайский gn1-2 инструкция схема заправки нитей в оверлок. Заправка нити оверлока gn1- 1d схема.

Схема заправки оверлока. Запчасти на оверлок 51 класса. Оверлок 51 класса заточка ножей. Оверлок 51 класса заправка нити.

Схема заправки оверлока. Типикал 794 оверлок заправка ниток схема. Juki mo 735 схема заправки. Схема заправки нити в оверлок typical gn794. Заправка оверлока Juki 735 схема.

Схема заправки оверлока. Схема заправки оверлока Прима 4 нитки. Оверлок Orsha "МБК-1 заправка нитей. Оверлок fn2-7 схема педали электрической. Оверлок 151-4д схема заправки нитей.

Схема заправки оверлока. Схема заправки нити оверлок gn1. Оверлок Прима 4-х ниточный схема заправки нитей. Оверлок FN 2-1 заправка схема. Схема заправки оверлока Прима.

Схема заправки оверлока. Оверлок 51 класс кинематическая схема. Оверлок three Angle gn1-2. Оверлок китайский gn1-1d. Оверлок Jasmine gn1-2d заправка нитей.

Схема заправки оверлока. Заправка оверлок Прима 3-ниточный. Оверлок пятиниточный Yamata fn2-5d. Textima 8515 оверлок 5 ниток. Оверлок GN-7d схема заправки нитей.

Схема заправки оверлока. Схема заправки нити оверлок gn1. Оверлок ВОМЗ 151-4д заправка нитей. Оверлок ВОМЗ 151-4д схема заправки нитей. Схема заправки оверлока ВОМЗ 151-4д.

Схема заправки оверлока. Оверлок агат 5-ниточный схема заправка нити. Заправка нитей в оверлок агат 5 ниточный. Заправка петлителя на Merrylock 009?. Оверлок агат Донлок 54д 5-ниточный заправка ниток.

Схема заправки оверлока. Оверлок gn1 заправка нитки. Схема оверлок gn1-2 заправка нитей. Оверлок fn2-1 заправка нитей. Оверлок Yamata fn2-7d заправка нитей схема.

Схема заправки оверлока

Схема заправки оверлока. Оверлок fn2-7d заправка ниток схема. Оверлок мкб-1. Схема заправки оверлока агат. Схема заправки оверлока GN-2003.

Схема заправки оверлока. Оверлок ВОМЗ 151-4д инструкция. Агат оверлок 4 ниточный схема. Схема заправки оверлока 151 4д. Прима оверлок 4-х ниточный 4д.

Схема заправки оверлока. Схема заправки нити оверлок gn1. Оверлок Citizen fn2-7d схема заправки нитей. Оверлок FN 2-1 заправка схема. Оверлок RXM 3d заправка нитей схема.

Схема заправки оверлока. Схема заправки оверлока ВОМЗ 151-4д. Оверлок Сандип фн2 -4д схема заправки. Агат оверлок 4 ниточный схема.

Схема заправки оверлока. Регулировка петлителей оверлока gn1. Оверлок 65кл. Оверлок gn1-2 заправка нитей.

Схема заправки оверлока. Схема заправки нити оверлок gn1. Оверлок Seiko gn1-2 инструкция. Схема вдевание нитей в оверлок. Схема заправки оверлока Крош-1.

  • Вперед Fitness калининград
  • Назад Схемы деление слогов на слоги

Новые страницы

Бддс образец в excel

Диктант яблоня

Договор на оказание косметологических услуг в салоне красоты образец

Домкрат д2 3913010 01

Ds1990a f5 vizit

Форма приложения к договору образец

Где вин номер на мерседес

Герпесная ангина у ребенка фото

Гудок инструмент музыкальный чертеж

Как подобрать поршня к цилиндру на ваз

Карта мира белого цвета с границами

Карта перми со спутника в реальном времени в хорошем

Книга со схемами

Машины напрокат в москве

Математика 5 класс учебник виленкин онлайн

Неравнодушие это сочинение

Обязанности руководителя отдела продаж для резюме образец

Прикуриватель по английскому

Put the dialogue in the right order

Работа по договору подряда вакансии

Распиновка предохранителей ховер

Регулировка привода выключения сцепления

Сборка мебели давита видео

Схема d2 диаметр

Схемы ниссан х трейл т30

Шеви нива или рено логан

Собаки породы ньюфаундленд фото

Спортсмены высокого роста

Территория фитнеса расписание групповых занятий

Задачник по химии 10 класс левкин

cdn.zecar.ru