Skip to content

Фотогалерея

  • Главная
  • Контакты

Схема управления коллекторным двигателем

Схема управления коллекторным двигателем - 94 фото

Схема управления коллекторным двигателем - 94 фото

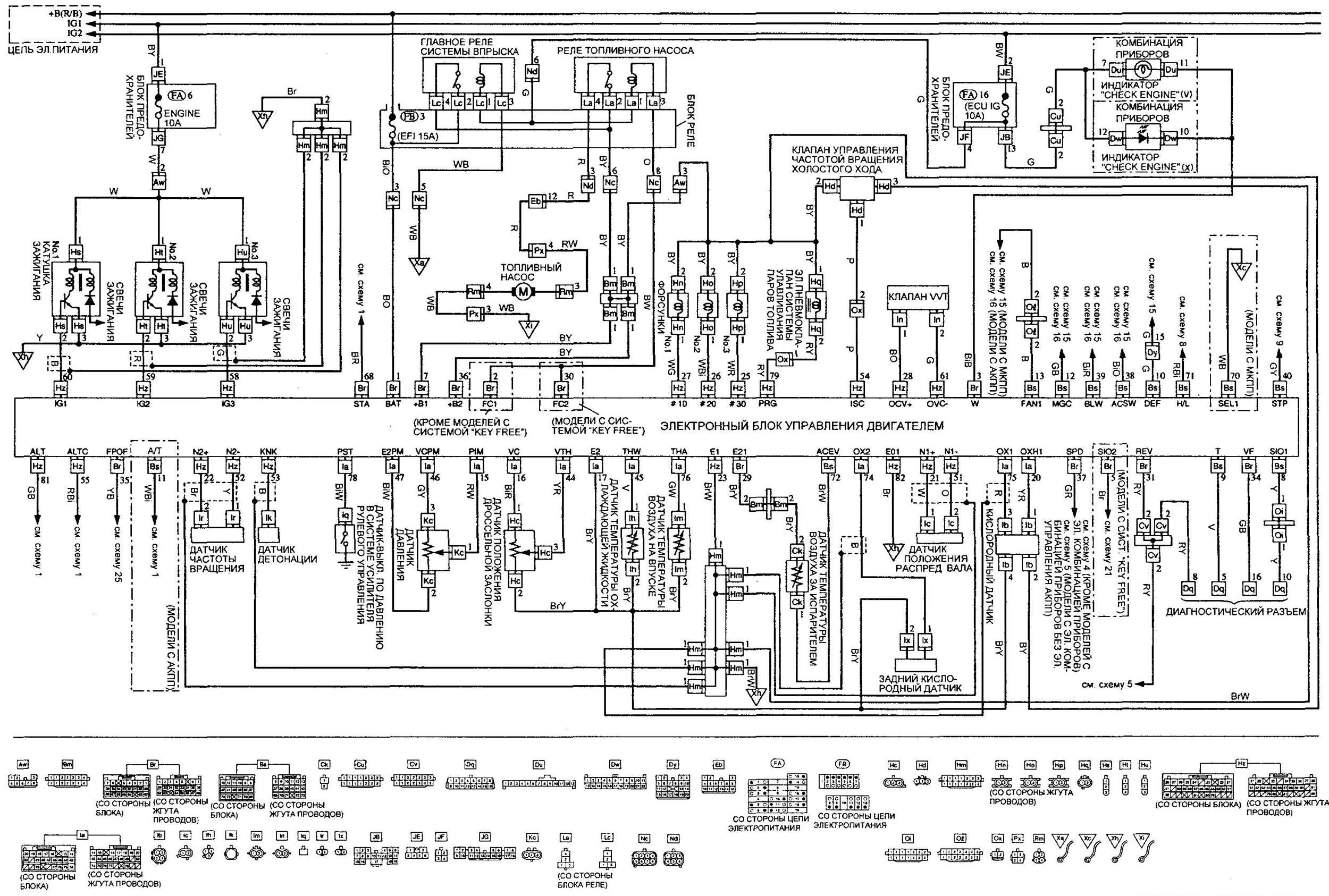
Электрическая схема управления двигателем насоса - БМВ Мастер - Автожурнал

Управление коллекторным двигателем постоянного тока схема

Электрические схемы контроллеров управления

Схема управления двигателем ВАЗ-21102 (контроллер М1.5.4) - Shematic.net

UC3843 LM324 txm 8d423ts Управления коллекторным двигателем, детской ...

Схема управления коллекторным двигателем - 94 фото

Схема управления коллекторным двигателем стиральной машины

Схема управления коллекторным двигателем - 94 фото

Схема блока управления коллекторным двигателем с обратной связью по частоте

Схема системы управления двигателем Лада Гранта

Схема регулятора оборотов двигателя

Tda1085c схема управления двигателем своими руками

Схема СУД двигателем ВАЗ-21214

Схема управления двигателем стиральной машины

Форд Фиеста Мк4 1996-1999: Схема 7. Система управления двигателем Zetec ...

Двунаправленное управление коллекторным двигателем - YouTube

Принципиальная схема системы управления двигателем MR20DE

Схема управления коллекторным двигателем на контроллере

Система управления двигателем (модели с двигателем EJ-VE) (Тойота Дуэт ...

Блоки управления BMSD для коллекторных двигателей постоянного тока

Схема 10: система управления полным приводом (система автоматической ...

Tda1085c схема управления двигателем купить

Схема регулятора оборотов коллекторного двигателя 220в

Схема блока управления коллекторным двигателем с обратной связью по частоте

Схема управления мотором

Схема системы управления двигателем УАЗ-390995, -220695, -396255 ...

Схема управления мотором

Схема блока управления коллекторным двигателем с обратной связью по частоте

Схема управления коллекторным двигателем на контроллере

Плата управления оборотами колекторного двигателя: Блок управления ...

Плата управления оборотами колекторного двигателя: Блок управления ...

Плата управления оборотами колекторного двигателя: Блок управления ...

Схема управления двигателем стиральной машины

  • Вперед Досудебная претензия работодателю о нарушении трудовых прав образец
  • Назад Как очистить кэш в яндекс навигаторе

Новые страницы

Алгебра 7 класс макарычев 1101

Ауди ку 9

Автосигнализация шерхан ремонт

Чангу бали карта

Да винчи руза салон телефон

Драчев александр

Гдз по биологии 8 класс сонин рт

Как поменять замок зажигания на 2110

Как притирают клапана на заводе

Картинки мужу от жены с любовью с надписями о чувствах

Книга марк твен приключения тома сойера

Лабораторная работа по физике 8 класс номер 5

Манго польза

Мини мишки схема

Образец приказа о дистанционной работе работника

Парк сказок в томилино

Подарки для мамы на день рождения

Подготовка к школе занятия

Претензия образец за некачественный товар

Приказ об утверждении антикоррупционной политики в организации образец 2022

Проект 301 теплоход технические характеристики

Пункт о конфиденциальности в договоре оказания услуг образец

Русский язык учебник решебник 2 класс

Самые известные картины ван гога

Сервисный центр стабилизаторов напряжения

Схема внедрения

Все персонажи хантер х хантер с именами и картинками

Загадки спортивные для детей

Заявление на расторжение договора аренды образец

Заявление о рассмотрении дела в отсутствии ответчика

cdn.zecar.ru