Skip to content

Фотогалерея

  • Главная
  • Контакты

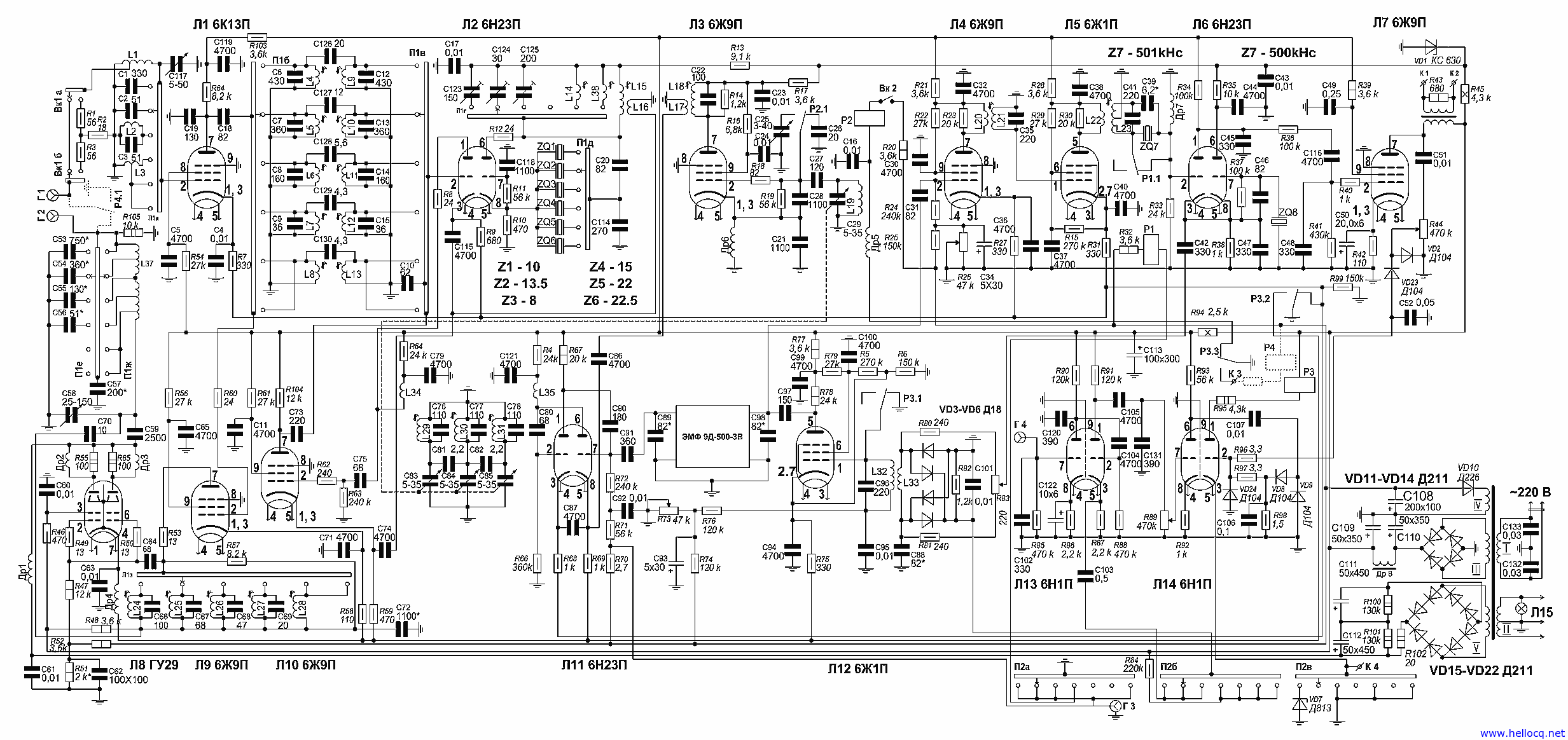
Схема трансивера uw3di 1 вариант

目前能查到的电子管收信机最高灵敏度已经达到0.5uV,比美国人搞的军用R390牛机还牛 - 〓电子管技术区〓 - 矿石收音机论坛 ...

Uw3di схема

Схема простого трансивера

Схема трансивера ua1fa первый вариант

работа трансивера UW3DI-2 - YouTube

Uw3di схема

Еще раз об UW3DI. Схема, описание

Трансивер uw3di 1 вариант

UW3DI ламповый вариант | Трансформаторы

Схема трансивера волна м

UW3DI ламповый вариант in 2024

Легендарный трансивер UW3DI, 1- й вариант, ч. 1. - YouTube

UW3DI ламповый вариант

UW3DI ламповый вариант | Amateur radio, Ham radio, Radio

Легендарный трансивер UW3DI, 1 й вариант, ч 2. - YouTube

Схема трансивера ua1fa первый вариант: Схема трансивера ua1fa первый ...

Схема трансивера ua1fa первый вариант: Схема трансивера ua1fa первый ...

Трансформатор для UW3DI 1 вариант купить в Москве | Электроника | Авито

Ламповый трансивер UW3DI-1 (легендарная ДэИшка) - YouTube

Трансивер UW3DI 20 000 ₽ Ламповый SSB трансивер 1 вариант, 5 диапазонов ...

Трансивер uw3di 2 вариант: – . (UW3DI, ex 4J0DI) – i-FlashDrive флешка ...

Ламповые аппарты лучшие трансиверы | Исходный Код | Дзен

Чертеж фундамента под насосный агрегат

Схемы трансиверов прямого преобразования: Схема кв трансивера прямого ...

Трансивер с панорамным индикатором.

Трансивер UW3DI - 1

Схемы трансиверов прямого преобразования: Схема кв трансивера прямого ...

Приемник укв чм своими руками: Простой УКВ радиоприёмник своими руками ...

Едем в гости, посмотрим UW3DI 1 вариант. Ламповый - YouTube

Трансивер "Эфир-М" | RadioNic.ru

Схема кв трансивера. Самодельный КВ трансивер: схема, описание и ...

Коротковолновый трансивер UW3DI

Коротковолновый трансивер UW3DI

Cинтезатор для TRX UW3DI и UA1FA с механическим переключател - Форум

Njm4556al схема включения - 84 фото

  • Вперед Храмы в джунглях
  • Назад С днем рождения моя взрослая доченька картинки

Новые страницы

2Д917а

Акт о фактическом проживании образец

Бары белгорода

Discuss the questions in pairs what would you do if you

Экспорт помощь

Гдз русский язык 4 класс канакина ответы

История возникновения лыжного спорта кратко

Математика рабочая тетрадь 3 класс страница 36

Мцд 4 схема станций с пересадками

Перспективная схема метро петербурга

Предохранитель пр 2 6 15а 220в

Прокат авто в евпатории дешево

Пружина для прочистки канализации

Распиновка магнитолы ниссан кашкай j11

Решебник по математике 2 класс моро 1 часть учебник

Резюме образец ворд скачать шаблон

Схема электрики своими руками

Схема производительных сил

Схема рисования лица

Схемы простых и сложных предложений 4 класс

Ситроен в рязани

Слушать музыку казачьи песни

Создание лыжного спорта

Тойота ист в омске

Тренеры спорткомплекса

Трудовой договор распечатать образец

Вывоз строительного мусора в истринском районе

Всемирные летние студенческие спортивные игры проводятся

Замена тормозных колодок тойота королла

Заниженный мерседес

cdn.zecar.ru