Skip to content

Фотогалерея

  • Главная
  • Контакты

Схема рн

Схема рн. Схема внутренних соединений реле РН 50. РН-50 схема. Реле РН-54/320 схема подключения. Схема реле РН-54/160.

Схема рн. PH метр схема и принцип работы. Схема прибора PH метр. Стеклянный электрод РН метр схема. Устройство электрода PH метра.

Схема рн. РН-11м реле напряжения. Схема реле РН-01м. Реле напряжения РН-111 схема подключения. Реле РН1.380.

Схема рн. Союз-2 семейство ракет-носителей схема. Начальная тяговооруженность ракет носителей. Ракета носитель Протон конструкция. Ракета-носитель "Ангара-а5".

Схема рн

Схема рн. Реле регулятор напряжения генератора схема подключения. Схема реле регулятора напряжения генератора ВАЗ 2110. Регулятор напряжения ВАЗ 2110 схема. Регулятор напряжения 571.3702 схема.

Схема рн. Реле напряжения РН-50 схема внутренних соединений. Схема внутренних соединений реле РН 50. РН-54/160 схема подключения. Схема реле РН-54/160.

Схема рн. Ракета носитель Ангара а5 чертеж. Ангара-1.2 ракета-носитель схема. Ангара 1.2 ракета-носитель чертеж. Ракета-носитель Ангара а5 компоновка.

Схема рн. Реле напряжения РН-240т 40а. Реле напряжения PH 119. Реле напряжения РН-118. Реле напряжения Новатек-электро РН-119.

Схема рн. Схема безщеточного генератора 220в. Схема РН 180. Судовой РН-2 схема. Сар напряжения синхронного генератора схема.

Схема рн. PH-метр PH 121 схема принципиальная. Схема прибора PH метр. PH метр схема электрическая. Схема устройства PH метра.

Схема рн. Устройство РН метра схема. Принцип действия PH метра. Схема комбинированного электрода РН метра. Схема прибора PH метр.

Схема рн. Электродная схема PH метра. Водородный электрод PH метра схема. Схема и принцип действия PH метра. Стеклянный электрод схема гальванического элемента.

Схема рн. PH метр электрод схема. Электродная схема PH метра. Схема прибора PH метр. Принципиальная схема PH метра.

Схема рн. Реле напряжения РН-111м схема подключения. Реле напряжения РН-111. РН-111м реле напряжения схема. Реле напряжения РН-111 схема подключения.

Схема рн. РН Союз 5 схема. Ракета "Ангара" сверхтяжелого класса. Ангара-1.2 ракета-носитель схема. Двигатель 2 ступени РН Союз.

Схема рн. Реле-регулятор напряжения РН-4 схема. Регулятор напряжения РН-4с схема подключения. Реле регулятор РН-10. Схема реле регулятора РН 4.

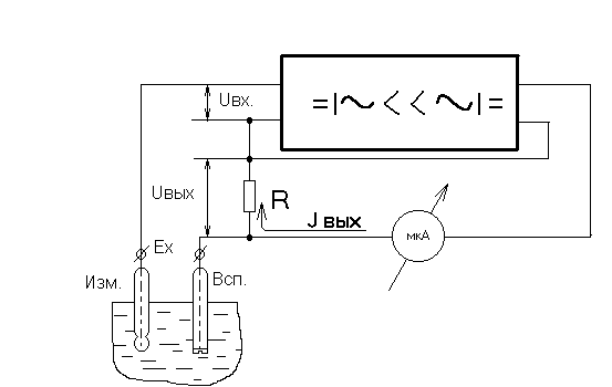
Схема рн. Схема измерительного преобразователя РН-метра. РН-метр состоит из(укажите 2 правильных ответа):. Датчик измеритель PH метра схема. Схема термокомпенсации PH-метра.

Схема рн. Ракета носитель Ангара а5 чертеж. Ступени ракеты носителя Ангара а5. Ангара а5 УРМ-2. Головной обтекатель Ангара а5.

Схема рн. Схема внутренних соединений реле РН 54. Реле напряжения переменного тока РН 54/160. Реле напряжения РН-50 схема внутренних соединений. Схема внутренних соединений реле РТ-80.

Схема рн. Схема прибора PH метр. PH метр электрод схема. PH метр схема и принцип работы. РН метр из чего состоит.

Схема рн. Принципиальная схема PH метра. Электродная схема PH метра. PH метр схема. PH метр подключение схема.

Схема рн. Проточная арматура 71042404. Арматура Проточная АПН 3.1. Арматура Проточная АПН-1.4. Арматура Проточная для РН электродов.

Схема рн. PH метр электрод схема. PH-метр PH 121 схема принципиальная. Принцип действия PH метра. Схема устройства PH метра.

Схема рн. Ангара а5 чертеж. Сверхтяжелая ракета «Енисей-1». Ракета Ангара сверхтяжелая. Ракета-носитель Ангара а5 компоновка.

Схема рн. Ракета-носитель Протон-м чертеж. Протон ракета-носитель чертеж. РН Протон м чертеж. Ракета Протон м чертеж.

Схема рн. 21.3702 Регулятор напряжения схема. Схема реле напряжения РН 6 М. РН-2-220 схема подключения регулятора напряжения. Подключение рн116 схема.

Схема рн. Принцип действия PH метра. PH метр устройство и принцип работы. Водородный электрод PH метра схема. Принцип действия РН метра.

Схема рн. РН СТК Дон. Енисей ракета-носитель. Ангара а5 УРМ-2. РН Союз-5 с рд171мв схема ракеты.

Схема рн. Реле напряжения РН-50 схема внутренних соединений. РН-54/160 схема подключения. Реле напряжения РН-54/160 схема подключения. Схема реле РН-54/160.

Схема рн. PH-метр-иономер эксперт-001 схема. Схема прибора PH метр. Принципиальная схема РН-метра. PH метр схема электрическая.

Схема рн. Схема комбинированного электрода РН метра. Стеклянный индикаторный электрод схема. Комбинированный электрод для измерения РН схема. Ионоселективные электроды стеклянный электрод.

Схема рн. Принципиальная схема PH метра. Потенциометрического измерения PH схема. Датчик PH схема. PH метр схема электрическая.

Схема рн. Электродная схема PH метра. Принципиальная схема РН-метра. Принципиальная схема PH метра. Стеклянный электрод для измерения РН схема.

Схема рн. ГРЦ Макеева ракеты. Энергия ракета-носитель чертеж. Компоновочная схема ракеты носителя. Компоновочная схема РН Протон.

Схема рн. Пульт пус для радиостанции РС-46мц. Пульт радиосвязи РС-46 МЦ. Радиостанция РС-46мц-13. РС 46мц схема.

Схема рн. Электрод стеклянный комбинированный ЭСК 10601. Электрод стеклянный комбинированный ЭСК-10603. Электрод ЭСК-10601/7. Электрод стеклянный комбинированный ЭСК-10601/7.

Схема рн. PH метр электрод схема. Строение РН метра. Гидравлический блок PH-метра. РН метр для воды схема.

Схема рн. Электродная схема PH метра. Схема прибора PH метр. PH метр электрод схема. Принципиальная схема PH метра.

Схема рн. Ракета носитель Ангара а5 чертеж. Ангара-1.2 ракета-носитель схема. Ангара а5 схема ступеней. Ступени в ракете Ангара 5а.

Схема рн

Схема рн. Реле регулятор РН-4 схема электрическая. Принципиальная схема регулятора напряжения. Регулятор напряжения ВАЗ схема электрическая принципиальная. РН-3 регулятор напряжения.

Схема рн. Схема прибора PH метр. Стеклянный электрод для измерения РН схема. Схема измерения PH раствора. Принцип работы РН метра кратко.

Схема рн. PH-метр Марк-902. PH метр ml-71. Измерительный прибор PH Hansa. PH метр с комбинированным электродом устройство.

Схема рн. РН метр схема электрода. PH метр подключение схема. Строение электрода РН метра. PH электрод схема.

Схема рн

Схема рн. Ангара 1.2 ракета-носитель. Ангара-1.2 ракета-носитель схема. Ракета-носитель "Ангара-а5". Ракета Ангара сверхтяжелая.

Схема рн. РН-47 расцепитель независимый схема. РН-47 расцепитель схема подключения. Схема подключения независимого расцепителя РН-47. Схема подключения автоматического расцепителя.

Схема рн. Ракета-носитель "Ангара-а5". Ракета носитель Ангара а5 чертеж. Ангара-1.2 ракета-носитель схема. Ангара 1.1 ракета-носитель.

Схема рн

Схема рн. РН Союз 5 схема. Бортовая аппаратура системы управления Протон-м. Схема ракетоносителя Ангара a5. Ангара а5 чертеж.

Схема рн. Реле напряжения РН-50 схема внутренних соединений. Реле напряжения РН-54/160 схема. Схема внутренних соединений РН 50. РН 53/60 схема подключения.

Схема рн. PH метр схема электрическая. PH метр PH-150ми. Схема прибора PH метр. PH-150ми схема электрическая.

Схема рн

Схема рн. РНПП-311 схема подключения. РНПП-311м схема. Реле РНПП 311 схема. Реле напряжения РН-111м.

Схема рн. РН Союз 5 характеристики. РН Союз 5 схема. Ангара-1.2 ракета-носитель схема. Ракета носитель Ангара а5 чертеж.

Схема рн. Ракета-носитель «Союз-5» («Иртыш», «Сункар»). Ракета носитель Ангара а5 чертеж. Ракета-носитель Союз-5 Иртыш. Союз 5.1 ракета-носитель.

Схема рн. Устройство РН метра схема. Схема прибора PH метр. Кондуктометр анион 7020. PH-метр анион 4100 схема.

Схема рн. Стеклянный электрод РН метр схема. Стеклянный электрод для измерения РН схема. РН метр схема электрода. П-215 PH-метр схема подключения электродов.

Схема рн. Схема прибора PH метр. PH метр схема электрическая. РН метр структурная схема. Принципиальная схема РН-метра.

Схема рн. Марк-901 РН-метр. PH метр Марк 901. «РН-метр – милливольтметр Марк 901». Электрод Эрп-105.

Схема рн. Ракета-носитель Ангара а5 компоновка. Ангара-1.2 ракета-носитель схема. Ангара 1.2 ракета-носитель чертеж. Ангара-а5 ракета-носитель схема.

Схема рн. Контроллер КСМ-509н схема. Принципиальная схема подключения PH-метра. PH метр схема электрическая. PH метр подключение схема.

Схема рн

Схема рн. PH-метр PH 121 схема принципиальная. Схема поверки. PH метр подключение схема. Схема поверки преобразователя давления.

Схема рн. Реле регулятор РН-4 схема электрическая. Схема реле регулятора РН 4. Схема автомобильного регулятора напряжения РН-4. Регулятор напряжения РН-4с схема подключения.

Схема рн. PH метр схема электрическая. Иономер схема электрическая. Принципиальная схема PH метра. Имитаторы электродной системы и-02 схема подключения.

Схема рн. Схема подключения реле РН-53. РН-54/160 схема подключения. РН 50 реле схема внутренних соединений реле. РН 51 схема подключения.

Схема рн. Ракета носитель Ангара а5 чертеж. Ракета Ангара а5 чертеж. Ракета-носитель Протон м схема ступеней. Ракеты Союз Протон Ангара.

Схема рн. Ракета носитель Ангара а5 чертеж. Ракета носитель Ангара а5 характеристики. Ангара 1.2 ракета-носитель чертеж. Ангара а5 схема ступеней.

Схема рн. РН Ангара а5 чертеж. Семейство ракет Ангара. Характеристики РН “Ангара-а5”. Ракета носитель Ангара а5 чертеж.

Схема рн. Ангара-1.2 ракета-носитель схема. Ракета-носитель Протон-м схема. Ракета-носитель Ангара чертеж. Ангара 1.2 ракета-носитель чертеж.

Схема рн. Преобразователь первичный измерительный схема подключения. PH-4121 схема подключения. Схема измерительного преобразователя РН-метра. Преобразователь первичный измерительный ПП 080 схема подключён.

Схема рн. РН-метр-милливольтметр PH-121. Милливольтметр РН 121. PH-150m PH-метр-милливольтметр лабораторный. РН-метр РН-121.

Схема рн. Принципиальная схема PH метра. PH метр электрод схема. PH метр обозначение. PH метр строение.

Схема рн

Схема рн. PH метр схема. Устройство РН метра схема. PH метр схема и принцип работы. Схема прибора PH метр.

Схема рн. РН 51 схема подключения. PH метр схема электрическая принципиальная. PH-метр PH 121 схема принципиальная. РН 1.6 - 220 схема подключения.

Схема рн. Союз-7 ракета-носитель. РН Союз 5 схема. Сверхтяжелая ракета Енисей. Ангара-1.2 ракета-носитель схема.

Схема рн. Подключить реле напряжения РН-113. Реле напряжения PH-113 схема подключения. Как подключить реле напряжения РН 113. Схема подключения реле напряжения 113.

Схема рн. Схема реле регулятора РН 4. Реле-регулятор напряжения РН-4 схема. Схема реле регулятора РН 3. РН-4 12в реле-регулятор напряжения схема.

Схема рн. PH-метр датчик дм 5 промышленный. PH-метр PH 121 схема принципиальная. РН-метр промышленный РН-4110. PH метр на трубопровод.

Схема рн. Ракета-носитель Протон-м чертеж. Протон ракета-носитель чертеж. РН Протон м чертеж. Ракета носитель Ангара а5 чертеж.

Схема рн. Реле-регулятор напряжения РН-4 схема. Рн43р схема. Реле регулятор РН-4 схема электрическая. Рн116 реле регулятор схема подключения.

Схема рн. Схема измерительного преобразователя РН-метра. Принципиальная схема РН-метра. Принципиальная схема PH метра. PH-метр PH 121 схема принципиальная.

Схема рн. Реле времени РЭВ-114. Реле контроля напряжения РН-119. РЭВ-120 схема подключения. РН-119 реле напряжения схема подключения.

Схема рн. РН Протон м чертеж. Протон ракета-носитель чертеж. Ангара-1.2 ракета-носитель схема. Ракета-носитель Протон-м схема.

Схема рн. Рокот ракета-носитель схема. Ракета носитель рокот характеристики. Головной обтекатель РН рокот. Ракета носитель Днепр схема.

  • Вперед Мультиметр цифровой appa 93n
  • Назад Естествознание 5 класс гдз

Новые страницы

708 Русский язык 5 класс ладыженская

Алебастр строительный

Автомир с пробегом в москве

Что будет если порвется ремень грм

Что такое инвестирование

Что такое взаимо выручка сочинение

Гдз по англ яз афанасьева 8 класс

Ходатайство о направлении решения суда по электронной почте образец

Как поменять колодки на ваз

Какой угол называется внешним углом треугольника докажите что внешний угол

Картинки зарубина с днем рождения

Клапан предохранительный полноподъемный пружинный 17с28нж

Конечно схема

Кусочек суффикс

Летний топ схемы и описание

Мокрица жук

Ниссан альмера схема предохранителей

Образец договора купли продажи автомобиля с электронным птс

Перевозки без посредников

Песня спят усталые игрушки

Презентация на тему народ балкарцы

Рабочая тетрадь история 5 класс 2 часть гдз

Распиновка колодок ваз 2115

Рисовать на листе бумаги

Samsung ue40d5520rw циклическая перезагрузка

Соглашение об обучении работника за счет средств работодателя образец

У плетня что это

Упр 629

Упражнение 517

Установка межвитковых проставок ваз 2107

cdn.zecar.ru