Skip to content

Фотогалерея

  • Главная
  • Контакты

Схема подогрева сидений

Схема подогрева сидений. Схема подключения подогрева сидений Toyota. Схема накидки подогрева сидений. Схема подключения двухрежимный подогрева сидений. Подогрев сидений с термодатчиком схема подключения.

Схема подогрева сидений. Схема блока подогрева сидений ВАЗ 2110. Схема соединения подогрева сидений ВАЗ 2110. Схема подключения подогрева сидений 2110. Схема подключения подогрева сидений ВАЗ 2170.

Схема подогрева сидений. Схема подключения подогрева сидений авто. Схема подключения обогрева сидений Калина. Схема подключения кнопки калины 1 подогрев сидений. Схема подключения подогрева сидений Нива 21214.

Схема подогрева сидений. Схема подключения обогрева сидений ВАЗ 2110 штатная. Обогрев сидений ВАЗ 2109 схема. Схема подключения обогрева сидений ВАЗ 2109. Схема соединения подогрева сидений ВАЗ 2110.

Схема подогрева сидений. Vn575sp подогрев сидений. Подогрев сидений автомобиля схема. Схема регулятора на vn575sp подогрев сидений. Схема подключения подогрева сидений Киа спектра.

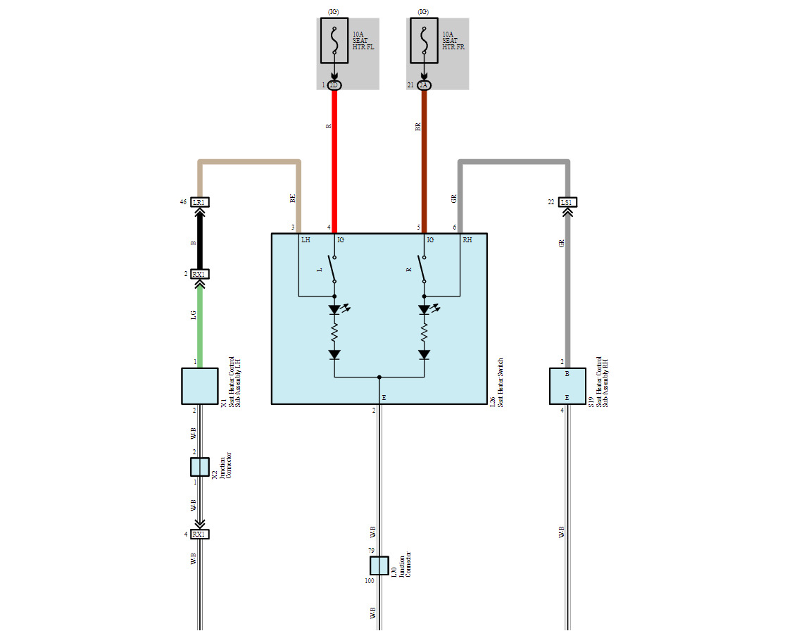
Схема подогрева сидений. Схема подключения подогрева сидений Toyota. Схема подогрева сидений Тойота Аква. Схема обогрева сидений Тойота Авенсис. Схема подключения обогрева сидений Тойота.

Схема подогрева сидений. Схема клавиши обогрева сидений ВАЗ 2114. Схема кнопки подогрева сидений 2114. Схема подключения подогрева сидений 2114. Обогрев сидений 2114 схема.

Схема подогрева сидений. Подогрев сидений Емеля схема подключения. Реле подогрев сидений к13. Обогрев сидений Емеля схема подключения. Схема подключения обогрева сидений Емеля УК-3.

Схема подогрева сидений. Схема блока подогрева сидений ВАЗ 2110. Подогрев сидений ВАЗ 2110 штатный схема. Схема соединения подогрева сидений ВАЗ 2110. Схема подключения обогрева сидений ВАЗ 2110 штатная.

Схема подогрева сидений. Схема подключения обогрева сидений Гранта. Схема подключения кнопки подогрева сидений Гранта. Схема кнопки подогрева сидений Гранта.

Схема подогрева сидений. Схема подключения обогрева сидений ВАЗ 2123. Схема подключения регулятора подогрева сидений 2123. 23.3769 Переключатель подогрева сидений схема подключения. Схема подключения обогрева сидений в автомобиле.

Схема подогрева сидений. Схема подогрева сидений ВАЗ 2109. Обогрев сидений ВАЗ 2109 схема. Схема подогрева сидений 2109. Схема подключения обогрева сидений ВАЗ 2114.

Схема подогрева сидений. Схема блока подогрева сидений Приора.

Схема подогрева сидений. Схема подогрева сидений Додж Калибр. Mondeo 4 подогрев сидений схема. Схема подогрева сидений Туарег. Lc200 2016 подогрев сидений схема.

Схема подогрева сидений. Схема подключения подогрева сидений ВАЗ 2115. Схема подключения обогрева передних сидений ВАЗ 2110. Распиновка кнопки обогрева сидений ВАЗ 2110. Схема подключения подогрева передних сидений ВАЗ 2114.

Схема подогрева сидений

Схема подогрева сидений. Подогрев сидений автомобиля схема. Схема подключения обогрева сидений 2115. Схема клавиши обогрева сидений ВАЗ 2114. 23.3769 Переключатель подогрева сидений схема подключения.

Схема подогрева сидений. Схема обогрева сидений Рено Дастер. Схема кнопки включения подогрева сидений Приора. Схема подключения обогрева сидений ВАЗ 2123. Схема подключения кнопки подогрева сидений.

Схема подогрева сидений. Схема подогрева сидений Форд фокус 2. Схема подогрева сидений Мазда 3. Mazda 6gh схема подогрева сидений. Схема подогрева сидений Мазда 6 GH.

Схема подогрева сидений. Схема подогрева чехла на сидение. Схема цепей потребителей предохранителя am2 Toyota. Предохранитель на обогрев сидений xc70 2001. Погрузчик Тойота предохранители схема.

Схема подогрева сидений. Схема подключения подогрева сидений Нива 21214. Схема подогрева сидений Нива 21214. Схема обогрева сидений Нива Шевроле. Схема подключения обогрева сидений Нива 21214.

Схема подогрева сидений. Схема подключения подогрева сидений Шевроле Круз. Схема обогрева сидений Шевроле Круз. Chevrolet Cruze схема подогрева сидений. Схема подогрева сидений Шевроле кобальт.

Схема подогрева сидений. Схема подогрева сидений Рено Логан 1. Схема подключения подогрева сидений Рено Логан 1. Реле обогрева сидений Фольксваген т4. Схема подключения тиристора гольф 4 подогрева сидений.

Схема подогрева сидений. Подогрев сидений Тойота схема. Схема подогрева сидений Шевроле Круз. Тойота Авенсис 1 подогрев сидений схема. Схема подогрева сидений Тойота Королла 150.

Схема подогрева сидений. Схема подключения подогрева сидений ВАЗ 2115. Схема подключения подогрева сидений ВАЗ 2110. Схема подключения выключателя обогрева сидений. Схема подключения подогрева сидений ВАЗ 2114.

Схема подогрева сидений. Toyota Avensis 2 реле подогрева сидений. Схема подогрева сидений Тойота Авенсис. Схема подключения подогрева сидений Toyota.

Схема подогрева сидений. Схема соединения подогрева сидений ВАЗ 2110. Схема клавиши обогрева сидений ВАЗ 2114. Схема подключения подогрева сидений ВАЗ 2115. Схема подогрева сидений ВАЗ 2114 Заводская.

Схема подогрева сидений

Схема подогрева сидений. Схема подключения подогрева сидений Toyota. Схема подогрева сидений Прадо 150. Схема подключения кнопок подогрева сидений Прадо 150. Схема подключения обогрева сидений Прадо 150.

Схема подогрева сидений

Схема подогрева сидений. Схема подключения подогрева сидений 2110. Схема соединения подогрева сидений ВАЗ 2110. Схема блока управления подогрева сидений ВАЗ 2110.

Схема подогрева сидений. Мазда 6 2008 схема подогрева сидений. Подогрев сидений Мазда 3 2008 схема. Мазда 6 2012 подогрев сидений схема. Мазда 6 2008 схема обогрева сидений.

Схема подогрева сидений. Обогрев сидений Рено Логан 1 схема. Схема подогрева сидений Рено Логан 1. Схема подключения обогрева сидений Рено Логан 1. Схема подключения обогрева сидений ГАЗ 3110.

Схема подогрева сидений. Схема подключения кнопки подогрева сидений ВАЗ. 23.3769 Переключатель подогрева сидений схема подключения.

Схема подогрева сидений. Схема подключения обогрева сидений Калина 2.

Схема подогрева сидений. Схема подключения обогрева сидений Тойота. Схема обогрева сидений Тойота. Схема подключения подогрева сидений Тойота рав 4.

Схема подогрева сидений. Схема включения подогрева сидений 2110. Схема подключения подогрева сидений 21099. Подогрев сидений ВАЗ 2110 штатный схема. Схема подключения подогрева сидений Нива 21214.

Схема подогрева сидений. Схема подогрева сидений Ford Focus 3. Схема подключения подогрева сидений Форд фокус 3. Форд Мондео 3 подогрев сидений схема. Ford Mondeo обогрев сидений схема.

Схема подогрева сидений. Схема соединения подогрева сидений ВАЗ 2110. Схема подключения подогрева сидений 2110. Схема блока управления подогрева сидений ВАЗ 2110. Подогрев сидений ВАЗ 2110 схема подключения проводов.

Схема подогрева сидений. Схема подключения выключателя обогрева сидений. Схема подключения подогрева сидений Калина 2. Схема подключения обогрева сидений Калина 2.

Схема подогрева сидений. Схема подключения регулятора подогрева сидений. Подогрев сидений схема Форд Транзит. Форд Мондео 3 подогрев сидений схема.

Схема подогрева сидений. Схема подключения обогрева сидений через реле. Подогрев сидений Приора 2 схема. Схема подключения подогрева сидений Калина 2.

Схема подогрева сидений. Подогрев сидений Ауди 80 б3 схема. Схема подогрева сидений VW t5. Фольксваген поло подогрев сидений схема. Схема подогрева сидений Skoda а5.

Схема подогрева сидений. Схема соединения подогрева сидении ВАЗ Гранта. Кнопка подогрева сидений Гранта фл. Схема подключения подогрев сидений Приора 2170.

Схема подогрева сидений. Схема подключения обогрева сидений 2110. Схема подключения подогревателя сидений ВАЗ-2110. Схема включения подогрева сидений Приора. Схема подключения обогрева сидений ВАЗ 2110 штатная.

Схема подогрева сидений. Схема подогрева сидений Рено Логан 1.

Схема подогрева сидений. Подогрев сидений ВАЗ 2115. Схема подключения обогрева сидений ВАЗ 2115. Схема подключения подогрева сидений ВАЗ 2115. Проводка подогрева сидений ВАЗ 2114.

Схема подогрева сидений. Схема клавиши обогрева сидений ВАЗ 2114. 92 3709 Кнопка стеклоподъемника схема подключения. Распиновка выключателя подогрева сидений ВАЗ-2110 схема. Кнопка обогрева сидений ВАЗ 2114.

Схема подогрева сидений. Схема подключения подогрева сидений Toyota. Схема подключения обогрева сидений в автомобиле. Кнопка подогрева сидений Тойота схема. Схема подключения электрообогрева сидений два режима.

Схема подогрева сидений. Схема подключения обогрева сидений Калина 2. Схема подключения кнопки подогрева сидений Приора.

Схема подогрева сидений. Схема противотуманных фар Королла 120. Схема реле туманок Тойота. Схема ПТФ Королла 120 кузов. Схема ПТФ Тойота Королла 150.

Схема подогрева сидений. Схема подключения обогрева сидений. Схема подключения подогрева сидений ВАЗ 2114. Схема подогрева сидений УАЗ Патриот. Схема соединения подогрева сидений ВАЗ 2110.

Схема подогрева сидений

Схема подогрева сидений. Схемапоключения кнопки подогрева сидений Гранта. Схема подключения кнопки подогрева сидений Гранта. Схема подключения обогрева сидений. Схема включения обогрева через реле.

Схема подогрева сидений

Схема подогрева сидений

Схема подогрева сидений. Хонда Аккорд 2002 подогрев сидений схема. Стартер Хонда Аккорд 7 схема. Схема подогрева сидений Аккорд 8. Электро схема подогрева сидений Пежо 308.

Схема подогрева сидений. Схема подключения электрообогрева сидений. Hyundai Solaris подогрев сидений схема. Хундай подогрев сидений схема подключениях.

Схема подогрева сидений. Схема подключения обогрева сидений ВАЗ 2110. Схема кнопки подогрева сидений ГАЗ 31105. Обогрев сидений ГАЗ 3110. Схема подключения регулятора подогрева сидений.

Схема подогрева сидений. Схема подключения клавиши подогрева сидений. Схема переключателя мощности обогрева сидений. Схемапоключения кнопки подогрева сидений. Обогрев сидений Пассат б6 схема подключения.

Схема подогрева сидений. Схема подключения обогрев сидений Ауди а6 с4. Фольксваген поло подогрев сидений схема. Схема подключения обогрева сидений Ауди а6. Схема подключения кнопки обогрева сидений.

Схема подогрева сидений. Схема подключения обогрева сидений Нива Шевроле. Схема обогрева сидений Нива Шевроле. Схема проводки подогрева сидений Нива Шевроле. Схема подключения обогрева сидений Нива 21214.

Схема подогрева сидений. Схема подогрева сидений Приора. Блок управления подогревом Приора 2 схема. Электросхема стеклоочистителя Приора. Блок обогрева сидений Приора 1 распиновка.

Схема подогрева сидений

Схема подогрева сидений. Кнопка обогрева сидений ВАЗ 2114. Распиновка кнопки обогрева сидений 2114. Схема подключения подогрева сидений 2114. Схема подключения кнопки обогрева сидений ВАЗ 2114.

Схема подогрева сидений. Mazda 6gh схема подогрева сидений. Подогрев сидений Мазда 3 2008 схема. Мазда 6 gg 2.0 2005 года подогрев передних сидений схема. Схема подогрева сидений Мазда СХ 5.

Схема подогрева сидений. Схема подключения подогрева сидений Шевроле Нива. Схема подогрева сидений Нива 21214. Схема подключения обогрева сидений Нива Шевроле. Схема кнопки подогрева сидений Нива Шевроле.

Схема подогрева сидений. Схема соединения подогрева сидений ВАЗ 2110. Схема подключения обогрева сидений ВАЗ 2110 штатная. Схема подключения обогрева сидений ВАЗ 2110. Схема подключения обогрева передних сидений ВАЗ 2110.

Схема подогрева сидений. Схема включения обогрева задних сидений УАЗ Патриот. Схема подогрева сидений УАЗ Патриот. Схема обогрева сидений УАЗ Патриот. Схема подогрева сидений УАЗ Патриот 2016 года.

Схема подогрева сидений. Схема блока подогрева сидений ВАЗ 2110. Схема подключения электрообогрева сидений ВАЗ 2110. Схема подключения подогрева сидений ВАЗ 2110. Схема подогрева сидений ВАЗ 2110.

Схема подогрева сидений. Схема подключения подогрева сидений Калина 1.

Схема подогрева сидений. Схема подключения подогрева сидений Калина 1.

Схема подогрева сидений. Схема подключения подогрева сидений 2112. Схема подключения обогрева сидений ВАЗ 2112. Схема подключения подогрева сидений 2110. Схема включения подогрева сидений 2110.

Схема подогрева сидений. Схема подключения подогрева сидений ВАЗ 2115. Схема подключения обогрева сидений 2114. Схема подключения подогрева сидений 2114. Схема подключения кнопки калины 1 подогрев сидений.

Схема подогрева сидений. Контроллер обогрева сидений Мазда 6 gg. Mazda 6gh схема подогрева сидений. Схема подогрева сидений Мазда 3. Схема подключения обогрева сидений.

Схема подогрева сидений. Схема клавиши обогрева сидений ВАЗ 2114. Схема кнопки подогрева сидений 2114. Схема подключения реле подогрева сидений. Схема кнопки включения подогрева сидений.

Схема подогрева сидений. Подогрев сидений Емеля схема подключения. Емеля УК-2 схема подключения подогрев. Подогрев сидений Емеля УК-2 схема подключения. Подогрев Емеля УК 2 схема.

Схема подогрева сидений. Схема соединения подогрева сидений ВАЗ 2110. Схема клавиши обогрева сидений ВАЗ 2114. Схема включения обогрева через реле. Подключение подогрева сидений через реле.

Схема подогрева сидений. Схема подключения подогрев сидений Приора 2170. Приора 1 блок подогрева сидений схема. Схема подключения подогрева сидений Приора Люкс. Блок включения подогрева сидений Приора 2.

Схема подогрева сидений. Эл схема подогрева сидений ВАЗ 2114. Схема подключения подогрева сидений 2114. Схема подключения обогрева сидений ВАЗ 2112. Схема подключения подогрева ВАЗ 2114.

Схема подогрева сидений. Блок обогрева сидений 2110 схема. Схема блока управления подогрева сидений ВАЗ 2110. Схема блока подогрева сидений ВАЗ 2110. Схема подключения подогрева сидений 2110.

Схема подогрева сидений. Схема подогрева сидений Нива 21214. Схема подключения обогрева сидений Нива 21214. Схема подключения подогрева сидений Нива 21214. Схема подогрева сидений ВАЗ 21214.

Схема подогрева сидений. Схема подогрева сидений Тойота Камри 50. Amarok схема подогрева сидений. Grs180 схема подогрева сидений. Эл схема подогрева сидений Террано 2015.

Схема подогрева сидений. Реле обогрева сидений Приора. Реле обогрева сидений Калина 1. Схема подключения подогрев сидений Приора 2170.

  • Вперед Руководителям предприятий и организаций образец письма
  • Назад Образец заявления в суд на снятие запрета на регистрационные действия автомобиля

Новые страницы

Базы отдыха в самарской области на берегу волги цены

Бойлер плоский 100 литров

Договор аренды земли на безвозмездной основе образец

Дром нерюнгри лада гранта

Evo fitness 3.0

Фермы москвы

Гидрофильные соединения

Глеб грин проект дома из газобетона

Грунтозацепы для мотоблока агат размеры чертежи

Jenny cooked lunch then she ironed the clothes after

Какой жанр картины опять двойка

Кран душевой

Красивый закат зимой в горах

Любимая моя девочка картинки красивые с надписями

Нейрография как рисовать пошаговая инструкция для начинающих пошагово в домашних условиях с фото

Обращение вводные слова и вставные конструкции 9 класс презентация

Образец визитки для шиномонтажа

Объяснительная образец на работу об отсутствии на рабочем месте

Переходник пнд

Подключение концевика капота к сигнализации

Регулятор яркости подсветки приборов ваз 2114

Solaris vs rio

Спортивные рашгарды женские

Стивен кинг нужные вещи читать

Ta7343

Уберем мы чисто двор разобрать

Унч 3 схема

Ваз 21124 не заводится стартер крутит

Волгоград храм всех святых мамаев курган

Замена датчика давления масла 2109

cdn.zecar.ru