Skip to content

Фотогалерея

  • Главная
  • Контакты

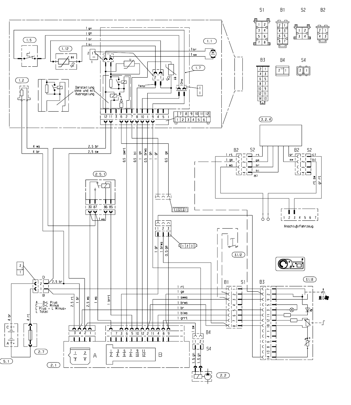
Схема подключения автономки

Схема подключения автономки. Пульт управления Эберспехер d4. Эберспехер предпусковой подогреватель Гидроник b4ws схема включения. Eberspacher d5wz схема. Схема подключения Эбершпехер д2.

Схема подключения автономки. Автономный отопитель Даф 105. Схема автономного отопителя Даф 105. Схема автономного отопителя Volvo fh12. Вольво ФШ 12 отопитель кабины схема.

Схема подключения автономки. Схема установки подогревателя двигателя Эберспехер. Схема подключения подогрева двигателя Eberspacher. Схема отопителя Эберспехер. Схема циркуляции антифриза вебасто.

Схема подключения автономки. Подогреватель предпусковой дизельный Бинар-5s 12в/5квт. Бинар 5s схема. Подогреватель Бинар 5s бензин. Предпусковой подогреватель дизель Бинар 5с.

Схема подключения автономки. Схема подключения отопителя Эберспехер д2. Схема подключения Эберспехер d5wz Гидроник. Схема подключения Эбершпехер д2. Eberspacher Hydronic d4wsc схема подключения.

Схема подключения автономки. Схема подключения отопителя Эберспехер д2. Eberspacher d1lc схема блока управления. D1lc Eberspacher схема. Электрическая схема автономного отопителя Эберспехер.

Схема подключения автономки. D1lc Eberspacher схема. Eberspacher d1lc пульт управления схема. Отопителя Эберспехер d1lc схема подключения. Схема подключения Эбершпехер д1.

Схема подключения автономки. Схема подключения автономного отопителя 24 вольта. Webasto автономный отопитель распиновка. Схема подключения автономного отопителя Webasto. Вебасто сухой фен 12 вольт бензин схема подключения.

Схема подключения автономки. Схема подключения автономного отопителя вебасто 24 вольта. Схема подключения автономного отопителя Webasto. Webasto Air Top 2000 схема подключения. Автономный отопитель вебасто 2000.

Схема подключения автономки. Схема подключения автономного отопителя 24 вольта. Схема подключения автономного отопителя вебасто 12в. Схема подключения автономного жидкостного отопителя. Автономный отопитель салона схема подключения.

Схема подключения автономки. Автономный отопитель Eberspacher d 5 LC. Схема подключения автономного отопителя. Эберспехер д2 схема подключения. Отопитель Эберспехер электросхема.

Схема подключения автономки

Схема подключения автономки. Эберспехер Аиртроник д4 схема подключения. Eberspacher Airtronic d2 24v схема подключения. Схема Аиртроник д4. Схема подключения Airtronic d4 EASYSTART.

Схема подключения автономки. D1lc Eberspacher схема. Eberspacher d1l схема. Eberspacher d1lc схема блока управления. Схема автономки Даф 105.

Схема подключения автономки. Схема подключения отопителя Эберспехер д2. Эберспехер Airtronic d2 схема подключения. Электрическая схема автономного отопителя Эберспехер. Схема подключения Эбершпехер д2.

Схема подключения автономки. Эберспехер d1lc. Схема подключения автономного отопителя Eberspacher 12v. Eberspacher d1l схема подключения. D3lc Eberspacher схема.

Схема подключения автономки

Схема подключения автономки. Подогреватель двигателя КАМАЗ Прамотроник 14тс 10. Подогреватель дизельный 14тс-10 Эр. Подогреватель двигателя 14тс-10 коды. 14тс-10-24-с подогреватель предпусковой дизельный.

Схема подключения автономки. Схема установки автономного отопителя Планар 4дм2-24. Схема подключения автономного отопителя Планар 4 дм 2- 12. Отопитель воздушный Планар 4дм2-24 схема подключения. Отопитель Планар 4дм2-12 схема подключения.

Схема подключения автономки. 14тс-10 блок управления схема. Пульт управления ПЖД 16жд24. Пульт управления ПЖД 16жд24 схема. Пульт управления Прамотроник ПЖД 15 схема.

Схема подключения автономки. Отопителя Эберспехер d1lc схема подключения. Эберспехер д2 схема подключения. Эберспехер d3lc распиновка. Схема подключения минитаймера Эберспехер.

Схема подключения автономки. Отопитель воздушный Планар 4д-12в 3квт. Отопитель воздушный Планар 4д 24 схема. Отопитель воздушный Планар 4дм2-24 электро схема. Схема управления отопителя Планар 44д 24.

Схема подключения автономки. Отопитель воздушный Планар 4д 24 схема. Планар 44д-12 схема. Отопитель воздушный Планар 4дм2-24 электро схема. Схема автономного отопителя Планар.

Схема подключения автономки. Схема подключения минитаймера Эберспехер. Схема подогревателя Бинар-5с. Гидроник предпусковой подогреватель схема подключения. Переделка автономки в предпусковой подогреватель.

Схема подключения автономки. Электрическая схема автономного отопителя Эберспехер. Автономный отопитель Eberspacher d 5 LC. Eberspacher d1lc схема блока управления. Eberspacher d1l e пульт управления.

Схема подключения автономки. Eberspacher Airtronic d2 распиновка. Эберспехер Аиртроник д2 схема подключения. Аиртроник д2 схема подключения. Схема подключения отопителя Эберспехер д2.

Схема подключения автономки. Eberspacher Airtronic d2 распиновка. Eberspacher Airtronic d4 схема. Схема подключения автономного отопителя Eberspacher Airtronic d2 ман ТГС. Монтажная схема Airtronic d4.

Схема подключения автономки. Отопитель воздушный Планар 8дм-24. Отопитель воздушный Планар 8дм-12. Отопитель воздушный Планар 4д 24 схема. Отопитель воздушный Planar Планар-8dm-24-s 24в.

Схема подключения автономки. Схема подключения автономного подогревателя. Схема установки подогревателя двигателя вебасто. Схема подключения автономного подогревателя двигателя. Схема соединения подогревателя вебасто.

Схема подключения автономки. Отопитель воздушный 4д-12 "Прамотроник" 12в 4квт (бак 13л.). Отопитель воздушный "Прамотроник-4д-24" (бак 13л). Отопитель воздушный дизельный Планар 8д-24 устройство. Отопитель воздушный дизельный 24в Планар 4д -24 схема.

Схема подключения автономки. Схема подключения отопителя Эберспехер д2. Автономный отопитель мокрый Даф 95 схема включения. Как подключить модульный таймер Эберспехер.

Схема подключения автономки. Электрическая схема подключения Eberspacher Airtronic d4. Эберспехер Аиртроник д2 схема подключения. Аиртроник д2 схема подключения. Эберспехер d4 схема подключения.

Схема подключения автономки. Электросхема отопителя ЗАЗ 968. Схема подключения отопителя ШААЗ 030. Электросхема отопителя ЗАЗ 968м. Схема подключения печки ЗАЗ 968.

Схема подключения автономки. Эберспехер д2 схема подключения. Схема подключения отопителя Эберспехер д2. 221000320800 Эбершпехер пульт схема подключения. Схема подключения Эбершпехер д2.

Схема подключения автономки. Отопитель воздушный Planar-4dm2-24-s. Отопитель воздушный.автономный Планар 4дм2-24. Отопитель воздушный Планар 4дм2-24 схема. Отопитель воздушный дизельный Планар 4дм2-24 (Теплостар).

Схема подключения автономки. Схема Аиртроник д2. Eberspacher Airtronic d2 24в схема. Airtronic d4 схема подключения. Airtronic 4д24 схема цветная.

Схема подключения автономки. Отопитель Eberspacher Airtronic d4 схема. Электрическая схема Eberspacher Hydronic. Электрическая схема подключения Eberspacher Airtronic d4. Схема подключения Эбершпехер д2.

Схема подключения автономки. Электрооборудование ЭБУ МАЗ евро 2. Электропроводка МАЗ евро 3. Блок предохранителей МАЗ 6501 схема. Схема стеклоочистителя МАЗ 5440.

Схема подключения автономки. Схема Гидроник b4wsc. Схема платы Гидроник b4wsc. Eberspacher Hydronic b4wsc схема подключения. Схема блока управления Гидроник b5wsc.

Схема подключения автономки. Схема подключения Эбершпехер д2. Блок управления китайского автономного отопителя. Eberspacher d1lc пульт управления схема. Эберспехер Аиртроник д4 схема подключения.

Схема подключения автономки. Схема подключения отопителя Планар 4 д 12. Планар 4дм24 чертеж. Планар-4дм-24 схема. Электрическая схема пульта управления Планар 4дм-24.

Схема подключения автономки. Схема установки подогревателя двигателя вебасто. Схема подключения автономного подогревателя двигателя. Схема подключения подогревателя двигателя 220в. Схема подключения жидкостного подогревателя двигателя.

Схема подключения автономки. 14тс-10 блок управления схема. ПЖД 14тс-10 схема блока управления. Hydronic b4wsc схема. Эберспехер Гидроник 10 схема подключения.

Схема подключения автономки. Схема подключения автономного отопителя. Схема подключения отопителя 24v. Схема подключения автономной печки. Электрическая схема подключения автономного отопителя.

Схема подключения автономки. Электромагнитный топливный насос пжд8г-1015006. Блок управления ПЖД-14тс КАМАЗ 24вт. ПЖД 14 ТС 10 реле насоса. Подогреватель предпусковой дизельный 14тс-10-24-с не запускает насос.

Схема подключения автономки. Схема подключения подогревателя Эберспехер. Схема подключения автономного отопителя Eberspacher 12v. Пульт управления Эберспехер Гидроник d5wz. Эбершпехер d5z электрическая схема.

Схема подключения автономки. Отопитель салона Eberspacher d5. Отопитель Eberspacher Airtronic d5. Отопитель салона Eberspacher 5.5. Автономный отопитель дизельный 24в Эбершпехер расход топлива.

Схема подключения автономки. Отопитель воздушный Планар 4д 24 схема. Схема подключения автономного отопителя Планар 4дм 12. Схема подключения автономного отопителя Планар 8дм-24. Планар 2д-12 пульт управления.

Схема подключения автономки. Подогреватель ПЖД двигателя КАМАЗ 43118. Предпусковой подогреватель КАМАЗ тс15. КАМАЗ 53605 предпусковой подогреватель. Предпусковой подогреватель КАМАЗ схема.

Схема подключения автономки. Схема подключения отопителя Эберспехер д2. Схема подключения автономного отопителя Eberspacher Airtronic d2 ман ТГС. Электросхема Eberspacher d1lc. Eberspacher Airtronic электрические схемы подключения..

Схема подключения автономки. Эберспехер Аиртроник д4 схема подключения. Eberspacher Airtronic d4 схема. Схема Аиртроник д2 EASYSTART select. Электрическая схема подключения Eberspacher Airtronic d4.

Схема подключения автономки. Вебасто Air Top 2000 St. Электросхема Webasto Air Top 2000st. Webasto Air Top 2000 St диагностический провод. Схема подключения отопителя вебасто Air Top 2000 St.

Схема подключения автономки. Eberspacher Hydronic d4wsc схема подключения. Схема подключения отопителя Эберспехер д2. Гидроник d5wsc/b4wsc. Схема ЭБУ Эберспехер d5wz.

Схема подключения автономки. Электрическая схема подключения Eberspacher Airtronic d4. Схема подключения отопителя Эберспехер д2. Эберспехер Аиртроник д2 схема подключения. D1lc Eberspacher схема.

Схема подключения автономки. Схема автономного отопителя Эберспехер. Схема подключения отопителя Эберспехер. Эберспехер d1lc электросхема. Eberspacher d1lc схема блока управления.

Схема подключения автономки. Схема подключения дизель Вебасты. Схема соединения подогревателя вебасто. Webasto Touareg схема трубок. Схема установки подогревателя двигателя вебасто.

Схема подключения автономки. Схема подключения отопителя Эберспехер д2. Eberspacher d5wz схема. Схема подключения Эберспехер d5wz Гидроник. Eberspacher Hydronic d5wz схема.

Схема подключения автономки. Eberspacher d1lc пульт управления схема. Eberspacher Airtronic d4 мини регулятор. Eberspacher Airtronic электрические схемы подключения.. Схема подключения Airtronic d4 EASYSTART.

Схема подключения автономки. Схема МАЗ 5440а5 Электрооборудование. Схема Габаритные огни МАЗ 5440. МАЗ 5440 схема электрооборудования. Схема электрооборудования МАЗ 6501в9.

Схема подключения автономки. Отопитель воздушный Планар 4д 24 схема. Схема подключения отопителя Планар 4 д 12. Планар 4дм24 чертеж. Электрическая схема пульта управления Планар 4дм-24.

Схема подключения автономки. Эберспехер Гидроник d5wsc схема. Eberspacher Hydronic d4wsc схема. Схема подключения автономного отопителя Eberspacher 12v. Eberspacher d5wz схема подключения автономки.

Схема подключения автономки. Отопитель вентиляционный ов-65 схема подключения. Отопитель ШААЗ 030 схема. Отопитель ШААЗ 030 схема подключения. Отопитель ШААЗ 030-0010-а5 схема подключения.

Схема подключения автономки. Электросхема отопителя ЗАЗ 968. Отопитель ов-65 дизельный схема подключения 12 вольт. Схема подключения отопителя ШААЗ 030. Отопитель вентиляционный ов-65 схема подключения.

Схема подключения автономки. Схема подключения отопителя Эберспехер д2. Схема подключения Эбершпехер д2. Схема подключения автономного отопителя. Схема подключения автономного отопителя Eberspacher Airtronic d2.

Схема подключения автономки. Отопитель воздушный Планар 4дм2-24-s. Отопитель воздушный дизельный Планар 8д-24 устройство. Отопитель воздушный Планар 4д 24 схема. Отопитель Планар 4дм-24 устройство.

Схема подключения автономки. Схема Эберспехер d1lc. Схема подключения Эберспехер 1. Эбершпехер д2 24в схема подключения. Эберспехер d1lc электросхема.

Схема подключения автономки. Эберспехер Аиртроник д2 схема подключения. Схема подключения автономного отопителя Скания. Схема подключения отопителя Эберспехер д2. Eberspacher Airtronic d2 24v схема подключения.

Схема подключения автономки. Отопитель ЗАЗ 968 схема подключения. Электросхема отопителя ЗАЗ 968. Схема отопителя ЗАЗ 968м. Электрическая схема отопителя ЗАЗ 968м.

Схема подключения автономки. Блок управления для автономного отопителя. At2000st Webasto схема. Электро схема автономного отопителя т4. Схема подключения автономного отопителя вебасто 2000.

Схема подключения автономки. Автономный отопитель схема подключения. Схема топливной системы автономного отопителя. Автономная печь КАМАЗ схема подключения. Схема подключения автономного отопителя.

Схема подключения автономки. Отопитель Планар 4д-24 устройства. Отопитель Планар 4дм-24 устройство. Схема установки автономного отопителя Планар 4дм2-24. Отопитель кабины Планар 2д-24.

Схема подключения автономки. Подогреватель жидкостный 15.8106 схема. Прамотроник 15.8106 схема. Пульт управления Прамотроник 16жд24. Прамотроник 16жд24.8106 схема подключения блока управления.

Схема подключения автономки. Эберспехер Аиртроник д4 схема подключения. Эбершпехер пульт управления схема подключения. Схема подключения EASYSTART select к Аиртроник d2. Eberspacher d1lc пульт управления схема.

Схема подключения автономки. Отопитель воздушный Planar-4dm2-24-s. Отопитель воздушный Планар 4д-12в 3квт. Отопитель воздушный Planar-4dm2-12-s. Отопитель автономный Планар 44 д 12.

Схема подключения автономки. Схема подключения автономного отопителя Webasto. Схема подключения автономного отопителя сухой фен. Схема установки автономного подогревателя сухой фен. Схема подключения насоса автономного отопителя.

Схема подключения автономки

Схема подключения автономки. Электрическая схема подключения Eberspacher Airtronic d4. Схема подключения Эбершпехер д1. Эберспехер предпусковой подогреватель Гидроник b4ws схема включения. Схема автономки Эберспехер д4.

Схема подключения автономки

Схема подключения автономки. Эберспехер Аиртроник д4 схема подключения. Схема подключения Эбершпехер д2. Eberspacher Airtronic d4 схема подключения по проводам. Эберспехер д2 схема подключения.

Схема подключения автономки. Схема подключения минитаймера Эберспехер Гидроник. Схема подключения автономного отопителя эбешпехер д 2. Гидроник предпусковой подогреватель схема подключения. Схема автономного отопителя Eberspacher.

Схема подключения автономки. Webasto Air Top 2000 St схема разъемов. Автономка вебасто Air Top 2000 блок управления. Схема подключения автономного отопителя вебасто 24 вольта. Схема подключения автономного отопителя Webasto.

Схема подключения автономки. Схема подключения отопителя Эберспехер д2. Eberspacher d1l схема. Электрическая схема подключения Eberspacher Airtronic d4. Эберспехер Аиртроник д2 схема подключения.

Схема подключения автономки. Эберспехер д2 схема подключения. Схема эбельшпехер d2 2квт фен. Схема электропроводки Эбершпехер 4д. Eberspacher d2 схема подключения.

Схема подключения автономки. Эберспехер Аиртроник д2 схема подключения. EASYSTART select схема подключения Airtronic d2. Схема Аиртроник д2 EASYSTART select. Эберспехер Аиртроник д4 схема подключения.

Схема подключения автономки. Eberspacher d1lc пульт управления схема. D1lc Eberspacher схема. Электрическая схема автономного отопителя Эберспехер. Пульт управления Эберспехер d1lc.

Схема подключения автономки. Вебасто термо 300 электросхема. Spheros Thermo 300 схема подключения. Вебасто термо 300, блок управления. Электрическая схема предпускового подогревателя вебасто.

  • Вперед Выкаченная из гаража бочка
  • Назад Схем изображение наглядное изображение

Новые страницы

C65 004

Цветы для парков

Душевая ширма quad 100x100 сборка

Двухцветные пуловеры спицами для женщин со схемами и описанием

Электропечь аристон

Фитнес уфа черниковка

Физические характеристики спортсмена

Гдз по английскому 2 класс 1 часть учебник

Как отремонтировать втягивающее реле стартера

Как почистить дроссельную заслонку на ваз 2110

Как утеплить редуктор гбо

Луна и озеро

Мезотелиома

Micro usb удлиненный

Мицубиси бутово

Образец удостоверения работы на высоте

Окей гипермаркет адреса в москве

Письмо извещение образец

Полировка лобового стекла спб

Разбор генератора ваз

Сделать диагностику ходовой

Схема подключения автономки

Сколько фильмов наруто

Sport show

Трудовой договор образец заполнения на неопределенный срок

В два столбика

Валберис тюль для гостиной с рисунком

Впр по русскому языку класс

Вспашка целины минитрактором

Замена матрицы в мониторе

cdn.zecar.ru