Skip to content

Фотогалерея

  • Главная
  • Контакты

Схема pfc

Power Factor Correction (PFC) Circuit – Tutorial – Homemade Circuit ...

5# Устройство и принцип работы блоков питания ЖК ТВ. Разбор схемы PFC ...

Мощный pfc схема — купить по низкой цене на Яндекс Маркете

Высокоэффективный источник питания мощностью 150 Вт с корректором ...

Pfc Стоковых иллюстраций и клипартов – (19 Стоковых иллюстраций)

какие конденсаторы в блоке питания компьютера список

BN44-00192A. Схема.

Регулятор реактивної потужності 1-фазний PFC-8 RS ETI 4656906 ...

Проектирование BOOST PFC корректора мощности 1100 Вт принципиальная ...

Что такое PFC и зачем это | Компьютера

PFC | US Minneapolis - Itasca Consulting Group, Inc.

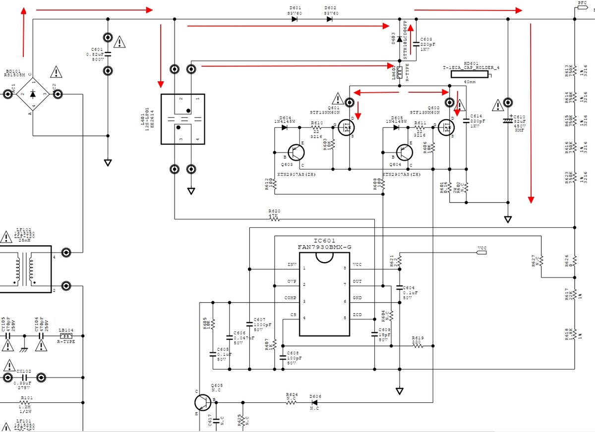
Pfc схема на двух транзисторах

12 Структурная схема сар скорости

Пассивный pfc схема - Схемы

PFC Home version 01A

PFC Q4 Results 2023 आ गया! | PFC Dividend | PFC Share Latest News | PFC ...

Схема НГЦУ | Комплексный инжиниринг

PFC BOND : Invest in government own navratna company's bond and get ...

PFC Q2 Results 2022 | PFC Results Today | PFC result | PFC share latest ...

PFC - Porteous Fastener Company Trademark Registration

Схема ккм

Ремонт блока питания компьютера в Москве | Сервисный центр Комплэйс

PFC Home version 02A

PFC Advanced Standard Edition | galaxis DISTRIBUTION NORTH-AMERICA

002_02 Power Factor Correction (PFC). Устройство и принцип действия ...

PFC, Power Finance Corporation, PFC share, PFC share news, PFC share ...

PFC Corofil Fire Resistant Silicone CFRS - Datasheet | PFC Corofil Fire ...

かじょ on Twitter: "RT @BROSONI: オバピリ激PFC!!!! EXPERT全譜面PFC!!2023年は最高! 明けた ...

002_02 Power Factor Correction (PFC). Устройство и принцип действия ...

002_02 Power Factor Correction (PFC). Устройство и принцип действия ...

HOME > Magazine > PFC

002_02 Power Factor Correction (PFC). Устройство и принцип действия ...

002_02 Power Factor Correction (PFC). Устройство и принцип действия ...

Pfc схема на двух транзисторах

PFC extends financial support to Brij Mohan School

  • Вперед Вертикальные углы чему равны
  • Назад Обслуживание и ремонт пожарной сигнализации

Новые страницы

2M211

40 Тренировочных вариантов

Апелляционная жалоба образец апк рф

Bnc jr

Чистка форсунок киров

Деревья великобритании

Ft232rl ftdi

Гдз по русскому 6 класс ладыженская упр 526

График повторного инструктажа по пожарной безопасности образец

Характерные признаки соцветия корзинка

Интерактивная карта коллекционера в rdr 2 online на русском

Изображение андреевского флага

Комиссия по рассмотрению конфликта интересов

Макетирование из бумаги схемы для начинающих

Математика 4 класс упр 167

Образец заполнения трудовой книжки при приеме на работу у ип

Образец заявления на увольнение по соглашению сторон с выплатой компенсации

Перевод с таджикского

Полоса к106у2

Презентация химическая промышленность россии 9 класс география

Распиновка эбу форд

Реле напряжения 1 фазное

Ротонда на набережной в перми

Рукомойник пластиковый

Схема pfc

Схемы гласных слов схемы

Схемы вышивок картины художников

Сопоставительная смета образец

Укажите имя военачальника осуществившего поход обозначенный на схеме 1185

Зажигание 2105

cdn.zecar.ru