Skip to content

Фотогалерея

  • Главная
  • Контакты

Схема печки соболь

Схема печки соболь

Схема печки соболь. Система заслонок печки Газель 3302. Корпус печки Газель 3302 заслонки. Отопитель Газель Некст заслонки схема. Схема заслонок Печкин Газель Некст.

Схема печки соболь. Радиатор отопителя Соболь 2217. Система отопителя ГАЗ-3221. Радиатор отопителя дополнительного Газель 2217 Соболь. Отопитель салона задний Газель 2705.

Схема печки соболь. Воздуховод отопителя ГАЗ 3302. Воздуховод печки Газель бизнес 4216. Корпус воздуховода печки Газель 3302. Воздуховод отопителя Центральный ГАЗ 3302.

Схема печки соболь. Патрубки отопителя ГАЗ 2217 Соболь. Система отопителя ГАЗ 2217. Система воздуховодов на газели 3302. Система отопления салона газели 3302.

Схема печки соболь. Кронштейн крепления панели приборов Газель 3302. Крепление торпеды Газель 3302. Каталог запчастей Газель 3302 панель приборов. Крепление панели Газель 3302.

Схема печки соболь. Отопитель система ГАЗ 53. Патрубки отопителя ГАЗ 66. ГАЗ 66 отопитель схема салона. Схема отопителя ГАЗ 66.

Схема печки соболь

Схема печки соболь

Схема печки соболь. Реле сигнала Газель 3302. Реле сигнала 2217. Реле стеклоочистителя Соболь 2217. Реле поворота ГАЗ Соболь 2217.

Схема печки соболь. Схема патрубков печки Соболь. Патрубки отопителя ГАЗ 2,8. Соболь кран печки схема. Печка Соболь схема.

Схема печки соболь. Система отопления кабины ГАЗ 3302. Система отопления салона газели 3302. Схема вентиляция кабины Газель Некст. Отопитель салона УАЗ схема.

Схема печки соболь. Система отопления Газель 3302 405. Система воздуховодов на газели 3302. Отопитель салона Газель 2705. Система отопителя Газель 3302.

Схема печки соболь

Схема печки соболь

Схема печки соболь. Отопитель салона ГАЗ 3302 патрубки. Отопитель Газель 3302 схема. Система отопления Газель 3302 Газель. Схема отопителя Газель 3302 патрубки.

Схема печки соболь. Блок реле системы управления двигателем ГАЗ 2217. Схема электропроводки двигателя ГАЗ 560 Штайер. Система отопления Соболь 2217. Система охлаждения Соболь 2217.

Схема печки соболь. Система отопления салона Газель 2705. ГАЗ 2705 система отопления кабины. Устройство отопителя Газель 2705. Система отопления кабины Газель.

Схема печки соболь. Газель 2705 отопительная система. Система вентиляции салона Газель 3302. Система отопления Газель 3302 405. Система вентиляции салона Газель Некст.

Схема печки соболь. Система вентиляции салона Газель Некст. Отопитель салона Газель 3302. Система отопления салона газели 3302. Система отопления кабины ГАЗ 3302.

Схема печки соболь

Схема печки соболь. Воздуховод радиатора ГАЗ 2705. Воздуховод печки Газель 3302. Система отопления Газель 3302 405. Схема отопителя ГАЗ 405.

Схема печки соболь

Схема печки соболь

Схема печки соболь. Система отопления на Газель ГАЗ - 3302. Отопление и вентиляция Газель 3302. Система отопления Газель 2705 с 405 двигателем. Система отопления Газель 402.

Схема печки соболь

Схема печки соболь. Отопитель Газель 3302 схема. 3310-8101010 Отопитель. Отопитель салона ГАЗ 3302 конструкция. Заслонки печки Газель 3302.

Схема печки соболь. Система вентиляции Газель 3302. Система вентиляции салона Газель 3302. Система отопителя Газель 405. Отопитель салона Газель 2003.

Схема печки соболь. Схема отопителя Соболь 2217. ГАЗ 2217 передняя печка. Система отопления ГАЗ 2217 Соболь детали. Система отопителя ГАЗ 2217.

Схема печки соболь. Система отопления Газель 3302. Система отопления Газель Соболь. Отопитель салона Газель 2705. Отопитель салона ГАЗ 3302 схема подключения.

Схема печки соболь

Схема печки соболь. Патрубок заднего отопителя ГАЗ 3302. Трубки доп отопителя ГАЗ Соболь. Система охлаждения и отопления ГАЗ 2217 Соболь. Патрубки системы охлаждения салона Газель 3302.

Схема печки соболь. Система охлаждения двигателя ЗМЗ 405 Газель схема. ЗМЗ 406 система охлаждения циркуляция. Система охлаждения Газель 406. Система охлаждения Газель 406 система.

Схема печки соболь. Радиатор отопителя Соболь 2217. Вентилятор отопитель салона Соболь. Схема радиатора Соболь 2217. Схема печки ГАЗ 2217.

Схема печки соболь

Схема печки соболь. Схема подключения отопителя ГАЗ 31105. Блок управления отопителем ГАЗ 31105 схема. Схемаподключнния отопителя Волга 31105 Крайслер. Схема блока печки 31105.

Схема печки соболь. Отопитель Волга 3110 схема. Отопитель ГАЗ 31105 схема. Радиатор отопителя ГАЗ 31105 Крайслер. Отопитель салона ГАЗ 31105.

Схема печки соболь

Схема печки соболь

Схема печки соболь. Система охлаждения ГАЗ 31105 ЗМЗ 406. Система охлаждения Волга 31105 406 двигатель. Система охлаждения ГАЗ 31105 ЗМЗ 406 схема. Система охлаждения двигателя 31105.

Схема печки соболь. Отопитель кабины Газель 3302. Схема печки Газель 3302. Отопитель салона ГАЗ 3302 конструкция. Отопитель салона Газель 3302.

Схема печки соболь. Система отопления салона Газель 2705. Схема отопления салона Газель бизнес. Схема системы отопления салона Газель 2705. ГАЗ 2705 система отопления салона.

Схема печки соболь. Отопитель салона Газель 3302. Отопитель Газель 3302 схема. Отопитель салона ГАЗ 3302 конструкция. 3310-8101056 Радиатор отопителя с прокладкой.

Схема печки соболь. Трубки отопителя ГАЗ 2217. Система отопления ГАЗ 2217 Соболь. Система отопления салона Соболь 2217. ГАЗ 2217 трубка печки.

Схема печки соболь. Схема электрооборудования отопителя Газель бизнес. Схема электропроводки отопителя Газель бизнес. Блок управления печкой Газель бизнес схема. Электрическая схема отопителя Соболь.

Схема печки соболь

Схема печки соболь

Схема печки соболь

Схема печки соболь. Система охлаждения Газель 405. Система охлаждения двигателя Газель 405 евро 2. Система охлаждения 405 двигатель Газель. Газель 2705 система охлаждения отопления.

Схема печки соболь

Схема печки соболь. УАЗ 3160 система отопителя салона. Отопитель салона УАЗ Патриот 2014 года. Отопитель салона УАЗ Патриот 2014 года схема. Отопитель салона УАЗ Буханка 409 схема.

Схема печки соболь. Печка отопителя ГАЗ 3308. Отопитель кабины ГАЗ 3308. Система отопителя ГАЗ 3307. ГАЗ-3307/сб/ отопитель кабины.

Схема печки соболь

Схема печки соболь. Блок управления отопителем Газель схема. Электросхема дополнительного отопителя Газель 2705. Электрическая схема отопителя Газель бизнес. Схема подключения блока управления печкой ГАЗ 31105.

Схема печки соболь

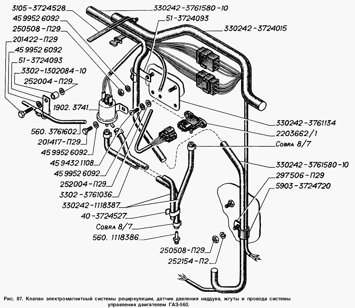
Схема печки соболь. Жгут проводов двигателя ГАЗ 560. Жгуд упровления ДВС ГПЗ 560. Датчик наддува ГАЗ 560. Датчик управления топлива ГАЗ 2217.

Схема печки соболь

Схема печки соболь. Заслонка печки Газель 405 двигатель. Отопитель Газель 3302 схема. Газель 3302 отопитель кабины схема. Отопитель Газель 3302 старого образца.

Схема печки соболь. Система отопления салона газели 3302. Трубки отопителя ГАЗ 2217. Система отопления печки Газель 405. Трубки печки салона Газель ГАЗ 32213.

Схема печки соболь

Схема печки соболь. Трубки отопителя ГАЗ 2217. Система отопления Газель 3302 405. Система отопления Газель 2705 с 405 двигателем. Система отопления Газель 3302 405 двигатель.

Схема печки соболь

Схема печки соболь. Отопитель салона Газель 2705. Система отопления салона Газель 2705. ГАЗ 2705 система отопления евро 2. ГАЗ 2705 система отопления салона.

Схема печки соболь

Схема печки соболь. Заслонки печки ГАЗ 3302. Воздуховод печки Газель 3302. Отопитель салона ГАЗ 3302 конструкция. Система заслонок печки Газель 3302.

Схема печки соболь. Патрубки отопителя ГАЗ 2217 cummins схема. Система охлаждения ГАЗ 3309 евро 2. Схема отопителя Валдай Камминз 3.8. Система отопления Газель бизнес 3302.

Схема печки соболь. Система вентиляции Газель 3302. Заслонка горячего воздуха печки Газель 3302. Отопитель салона Газель 3302. Заслонки печки Газель 3302.

Схема печки соболь. ГАЗ 31029 отопитель салона. Отопитель ГАЗ 31105 схема. Заслонка печки ГАЗ 31105. Воздуховоды отопителя ГАЗ 31029.

Схема печки соболь. Система заслонок печки Газель 3302. Система воздуховодов на газели 3302. Система вентиляции Газель 3302. Схема отопления кабины Газель 3302.

Схема печки соболь. Панель приборов 3302-5325010-20. Кронштейн крепления панели приборов Газель 3302. Воздуховоды панели Газель 2705. Воздуховоды печки панели Газель 3302.

Схема печки соболь. Трубки заднего отопителя Газель 3302. Трубка отопления задней печки ГАЗ 2705. Трубопровод отопителя заднего 2705. Трубка заднего отопителя 2217.

Схема печки соболь. Система отопления салона Газель 2705. Система отопления салона газели 3302. ГАЗ 3302 система отопления салона. ГАЗ 2410 система обдува.

Схема печки соболь. Трубки отопителя ГАЗ 2217. Патрубки отопителя ГАЗ 2217 Соболь. Система отопления ГАЗ 2217 Соболь. Система отопителя ГАЗ 2217.

Схема печки соболь. Система отопления кабины ГАЗ 3302. Газель 3221сестема отопления кабины. Схема отопителя ГАЗ 66. Схема системы охлаждения ГАЗ 2217.

Схема печки соболь. Схема патрубков отопителя Газель 405. Трубки заднего отопителя Газель 3302. Схема подключения патрубков печки Газель 405. Трубки доп отопителя Газель бизнес.

Схема печки соболь. Схема замка зажигания Газель 3302 инжектор. Схема электропитания Газель 3302. Замок зажигания Газель 402 карбюратор. Схема электрооборудования ГАЗ-2705 ЗМЗ-402.

Схема печки соболь. ГАЗ 2705 заслонка печки. Система отопления салона Газель 2705. Заслонки печки Газель 3302. Система отопления кабины Газель 3302.

Схема печки соболь. Газель 2010 патрубки отопителя схема. Система отопления ГАЗ 3302. Система вентиляции Газель 3302. Схема печки Газель 3302.

Схема печки соболь. Трубка отопителя печки Соболь 2217. Патрубки дополнительного отопителя Газель бизнес 32213.

Схема печки соболь

Схема печки соболь

Схема печки соболь. ГАЗ 2217 управление вентиляцией. Переключатель заслонок отопителя ГАЗ 2705. Панель управления Газель 2705. Система вентиляции Газель 3302.

Схема печки соболь. Система отопления Газель 3302 405. Газель 3302 отопитель кабины схема. Система воздуховодов на газели 3302. Схема отопления салона Газель 3302.

Схема печки соболь. Отопитель салона Газель 2705. Печка отопителя Газель 3302. Печка Газель 3302 заслонка Распределяющая потоки. Схема печки Газель 2008 года.

Схема печки соболь. Система отопления салона Газель 2705. Печка салона ГАЗ 3302. Отопитель салона Газель 3302. Система отопления на Газель ГАЗ - 3302.

Схема печки соболь. Схема электрооборудования Соболь 2217. Газель бизнес схема электропроводки задних фонарей. Схема электрооборудования ГАЗ 2217 Соболь. Схема проводки задних фонарей Газель.

  • Вперед Спортивная медицина включает
  • Назад Трапеция 8 класс презентация атанасян

Новые страницы

Алфавит диета витамины

Балаев блок

Чсс тренировочная чсс максимальная

Фотки схема

Гдз по алгебре 8 класс колягин проверь себя 222

Гдз по истории 6 класс черникова учебник

Гдз по математике 4 класс 2 часть упражнение 219

Хронический бронхит и его лечение

Как поменять прикуриватель на ваз 2105

Колодки brembo подделка

Кровь из глаз картинка мем

Максим и лигалайз небо засыпай

Метро екатеринбург схема

На рисунке 16 угол аов равен 37 градусов найдите углы аод дос вос

Наружные трубопроводы

Онлайн решебник по русскому языку 2 класс канакина

Отрезанный неслыханный

Питание схем телефона

Полиция россии фото для презентации

Приколы про максима в картинках

Припаянный к чайнику

Рымкевич 699

Русский язык 6 класс ладыженская 2 часть 461

Схема авто зарядных устройств

Схема реле 220в

Схема шапок с помпоном

Щиток схема соединений

Спортивный костюм ссср мужской адидас

Улица крупской смоленск карта

Вуди харрельсон

cdn.zecar.ru