Skip to content

Фотогалерея

  • Главная
  • Контакты

Схема opel astra j

Схема opel astra j. Электрическая схема Opel Astra j. Опель Астра j схема электрооборудования. Схема аудиосистемы Opel Astra j. Эл схема Опель Астра j.

Схема opel astra j. Схема замка зажигания Opel Astra g. Схема катушки зажигания Опель Астра н. Опель Вектра 1998 реле системы зажигания. Схема замка зажигания Опель Вектра б.

Схема opel astra j. Схема поворотников Опель Астра. Схема противотуманок Opel Astra h. Эл схема Опель Астра н. Opel Astra j схема замка зажигания.

Схема opel astra j. Опель Астра f схема электрооборудования. Опель Астра f 1996 схема электрооборудования. Электросхема Опель Астра ф 1,4. Принципиальная электрическая схема Опель Астра ф.

Схема opel astra j. Электрические схемы Opel Zafira 2008. Схема управления двигателем Opel Astra. Электросхема Опель x 18xe. Opel Zafira x18xe1 ECU.

Схема opel astra j. Электрическая схема Генератор Опель Астра. Opel Astra h электрическая схема генератора. Схема генератора Опель Астра. Схема стартера Опель Астра н.

Схема opel astra j. Схема освещения салона Опель Зафира а. Схема Опель Астра ф 1997 года. Опель Астра g схема электрическая. Схема электрооборудования света Astra g.

Схема opel astra j. Электрическая схема Опель Астра ф универсал. Схема электрооборудования Opel Astra h 1.8.

Схема opel astra j. Электрическая схема Опель Астра j. Электрическая схема Опель Астра j 2012. Схема стеклоподъемников Opel Astra h. Opel Astra j электросхема.

Схема opel astra j. Электрическая схема Opel Astra j. Opel Astra j схема электрооборудования. Электрическая схема Опель Астра h 2008. Электрическая схема Опель Астра j 2012.

Схема opel astra j. Система электрооборудования Опель Астра 1998. Электрическая схема Опель Астра ф универсал. Электрооборудование Опель Астра ф 1995. Opel Astra f: электросхемы.

Схема opel astra j. Электрическая схема Opel Mokka 1.8. Opel Astra h схема электрооборудования. Электрическая схема Opel Astra h 2006. Схема электрооборудования Опель Астра н.

Схема opel astra j. Принципиальная схема на Opel Astra h сигнала 2005 года. Схема Опель Астра g дизель. Электрическая схема Опель Астра h 1.3 дизель. Схема подключения датчика скорости Опель.

Схема opel astra j. Схема подключения фонарей заднего хода. Опель Астра g 2000г схема включения стартера. Электросхема включения фонарей заднего хода. Опель Астра g универсал 2000 г электрическая схема стоп сигнала.

Схема opel astra j. Эл схема Опель Астра j. Электрическая схема Opel Astra j. Схема АБС Опель Астра h. Схема Опель Астра j 1.6.

Схема opel astra j. Электросхема Opel Astra h 1.7. Opel Astra f 95 wiring diagrams. Opel ECU wiring diagram. Wiring diagram Опель Астра н.

Схема opel astra j. Схема электрооборудования Opel Astra h 1.8. Схема электрооборудования Опель Астра ф Генератор.

Схема opel astra j. Датчик распредвала Opel Astra j схема. Электрическая схема Опель Астра j 2012. Электрическая схема Опель Астра н 1.8. Астра j схема стеклоподъемников.

Схема opel astra j. Опель Астра j схема генератора. Схемы Opel Astra j cd400. Opel Astra j схема Кан. Схема АБС Астра j.

Схема opel astra j

Схема opel astra j. Электрическая схема Опель Астра j 2012. Электросхема ABS Опель Астра j. Опель Астра f схема электрооборудования. Электрическая схема Opel Astra j.

Схема opel astra j. Электрическая схема центрального замка Опель Астра g. Опель Астра f 1996 схема электрооборудования. Электрическая схема Opel Astra h 2006. Схема электропроводки Opel Astra g 1,6.

Схема opel astra j. Схема фары Опель Астра н. Схема поворотников Опель Астра ф. Схема Электрооборудование Opel Insignia 2.0. Схема замка зажигания Опель Астра h.

Схема opel astra j. Схема электрооборудования Opel Astra h 1.8. Электрическая схема Опель Астра h. Схема электрическая Опель Астра н. Эл схема Опель Астра н 1.3 дизель.

Схема opel astra j. Опель Астра f 1996 схема электрооборудования. Opel Astra h электросхема. Электрическая схема Опель Астра g 1.4. Электрическая схема Опель Астра h.

Схема opel astra j

Схема opel astra j. Схема катушки зажигания Опель Астра j. Схема модуля зажигания Опель Астра н. Схема катушки зажигания Опель Астра н. Схема модуля зажигания Опель Астра.

Схема opel astra j

Схема opel astra j. Электрическая схема Опель Астра н 1.8. Электросхема Опель Астра h. Схема электрооборудования Opel Astra h 1.8. Электросхема Опель Астра h 1.8.

Схема opel astra j. Схема электрооборудования Opel Astra h 1.8. Электрическая схема Опель Астра h. Опель Астра g электросхема стеклоподъемников. Opel Astra h схема электрооборудования.

Схема opel astra j. Электрическая схема Опель Астра j 2012. Opel Astra h электрическая схема генератора. Электросхема генератора Опель Астра h. Схема проводки Опель Астра н 2008.

Схема opel astra j. Опель Астра h электросхема освещения. Электрическая схема Опель Астра h. Opel Astra h схема электрооборудования. Электрическая схема Опель Астра н 1.8.

Схема opel astra j. Опель Астра h 2007 схема электрооборудования принципиальная. Опель Астра g схема электрическая. Стоп сигнал Опель Астра h схема. Схема звукового сигнала Opel Astra.

Схема opel astra j. Опель Астра f схема электрооборудования. Реле дальнего ближнего света фар Опель Астра. Реле Опель Астра h Дальний свет. Реле дальнего света Опель Астра g.

Схема opel astra j

Схема opel astra j. Опель Астра f 1996 схема электрооборудования. Опель Астра 1992 1,8 электросхема. Схема блока управления Опель Астра ф. Электрическая схема Opel Astra j.

Схема opel astra j. Опель Астра j схема электрооборудования. Электрическая схема Опель Астра j 2012. Opel Astra j электросхемы. Электрическая схема Opel Astra j.

Схема opel astra j. Опель Астра f 1996 схема электрооборудования. Схема электрооборудования Опель Астра ф Генератор. Эл схемы Опель Астра f 1.4. Опель Астра f схема зарядки.

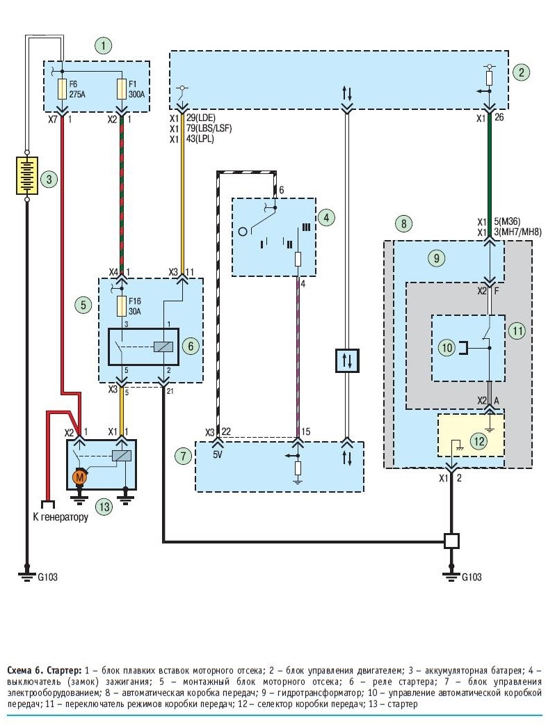
Схема opel astra j. Электрическая схема Opel Astra h 2006. Электрическая схема Опель Астра h 1.8. Опель Астра 2007 схема электрическая КПП. Схема системы запуска Opel Astra h.

Схема opel astra j. Электрическая схема Опель Астра ф универсал. Опель Астра h 2007 схема электрооборудования принципиальная. Электропроводка Опель Астра g 1999. Опель Астра g схема электрическая.

Схема opel astra j. Opel Omega b схема электрооборудования. Электрическая схема Opel Omega Caravan 2.0. Опель Омега в Эл схема двигателя y22xe. Opel Omega b схема охлаждения.

Схема opel astra j. Opel Astra j схема замка зажигания. Схема подключения CD 400 Opel Astra j. Схема ABS Opel Astra j. Схема центрального замка Opel Astra j.

Схема opel astra j. Электрическая схема Опель Астра j. Электрическая схема Опель Астра j 2012. Электрическая схема Опель Астра j 1.6. Опель Астра j схема электрооборудования.

Схема opel astra j. Схема двери Опель Астра j. Размер двери Opel Astra j GTC. Схема защиты кузова Opel Astra j. Opel Astra j схема двери.

Схема opel astra j. Опель Астра g схема электрическая. Электрическая схема Опель Астра g 1.4. Опель Астра h 2007 схема электрооборудования принципиальная. Схема Электрооборудование электрические замки Opel Astra g.

Схема opel astra j. Электрическая схема Opel Astra j. Opel Astra j схема замка зажигания. Опель Астра j 1.6 схема зажигания. Схема замка зажигания Опель Астра h.

Схема opel astra j. Электрическая схема Опель Омега б 2000-2003. Схема проводки на Опель Омега б 2.5. Электрическая схема Опель Мокка 1.8 автомат. Электросхема круиз контроля а автоматической коробкой передач.

Схема opel astra j. Схема системы запуска Opel Astra h. Схема кнопок на руле Opel Astra h. Astra j схема замка багажника. Схема подключения генератора Опель Астра h.

Схема opel astra j. Схема проводки Опель Астра н 2008. Схема электрооборудования Opel Astra h 1.8. Электрическая схема Opel Astra h 2006. Электрическая схема Опель Астра h.

Схема opel astra j. Opel Astra f: электросхемы. Схема управления двигателем Opel Astra c14nz. Схема блока управления Опель Астра ф. Электрическая схема Опель Астра g 1.4.

Схема opel astra j. Электросхема Опель Мерива а. Опель Мерива 2007 схема электрооборудования. Электросхемы Opel Meriva. Электросхема Опель Зафира б.

Схема opel astra j. Схема электрооборудования Opel Astra h 1.8. Эл схема Опель Астра н 1.3 дизель. Электрическая схема Опель Астра h 1.8. Опель Астра h 2007 схема электрооборудования принципиальная.

Схема opel astra j

Схема opel astra j. Опель Астра g схема электрическая. Эл схема системы зажигания Опель Вектра 2006 г. Схема включения кондиционера на Опель Астра g. Опель Астра 2008г схема кондиционера.

Схема opel astra j. Схема поворотников Опель Астра. Электрическая схема Опель Астра j. Схема управления поворотниками Опель Астра h. Опель Астра схема включения стартера.

Схема opel astra j. Схема системы отопления Astra g. Схема печки Опель Астра. Схема включения вентилятора охлаждения Опель Астра g. Система электрооборудования Опель Астра 1998.

Схема opel astra j. Opel Astra j электросхемы. Опель Астра j схема электрооборудования. Электрическая схема Опель Астра j. Электрическая схема Опель Астра j 2012.

Схема opel astra j. Электрическая схема Опель Астра g 1.6. Схема приборной панели Астра g. Распиновка панели приборов Опель Астра g. Схема подключения панели приборной Опель Астра j.

Схема opel astra j. Схема блока управления Opel Astra. Схема климат контроля Опель Астра h. Схема климата Opel Astra h. Электрическая схема блока управления Астра.

Схема opel astra j. Электрическая схема Опель Астра ф универсал. Опель Астра f 1996 схема электрооборудования. Опель Астра схема электрооборудования. Схема проводки Opel Astra g.

Схема opel astra j. Эл схема Опель Астра j. Электрическая схема Opel Astra 1.6. Электрическая схема Opel Astra j. Схема парктроников Астра j.

Схема opel astra j. Схема проводки Opel Astra g. Схема электропроводки Opel Astra g 1,6. Электрическая схема Опель Астра g 1998. Opel Astra схема электрооборудования.

Схема opel astra j. Опель Астра f 1996 схема электрооборудования. Электрическая схема Генератор Опель Астра. Электросхема стартера Опель Астра н. Opel Astra Генератор схема.

Схема opel astra j. Схема Электрооборудование электрические замки Opel Astra g. Схема электрооборудования Opel Astra g 2003. Электрические схемы Opel Zafira 2008. Схема электрооборудования Опель Астра g.

Схема opel astra j. Схема подключения ближнего света Опель Астра н. Схема противотуманок Opel Astra h. Реле корректора фар Опель Мерива б. Опель Астра h схема ближнего света.

Схема opel astra j. Опель Корса 1.2 2007г электросхема. Схема электрооборудования Opel Corsa d. Электросхема Opel Corsa d 1.4. Опель Астра h электросхема Кан шины.

Схема opel astra j. Электрическая схема Opel Astra j. Сигнал схема Opel Astra j. Opel Astra j электросхема сигнала. Опель Астра ф электропроводка.

Схема opel astra j

Схема opel astra j. Электрическая схема Opel Mokka 1.8. Электросхема кондиционера BMW e34. Электрическая схема Опель Мокка 1.8. Схема кондиционера Опель Зафира б.

Схема opel astra j. Электрическая схема Опель Астра j 2012. Электрическая схема Опель Астра j. Электрическая схема Опель Астра j 1.6. Схема Опель Астра j.

Схема opel astra j. Opel Zafira a 2.2 схема вентиляторов. Opel Astra g панель приборов распиновка. Электрическая схема управления двигателем Опель Астра н. Электрическая схема Опель Астра g 1.6.

Схема opel astra j. Схемы Opel Astra j cd400. Схема аудиосистемы Opel Astra j. Схема парктроников Астра j. Электрическая схема Opel Astra j.

Схема opel astra j. Opel Zafira b схема электрооборудования. Электрическая схема Опель Астра g 1.6. Электросхемы Опель Зафира б 1.8 XER. Электрическая схема Опель Астра g 1.4.

Схема opel astra j. Схема блока управления Opel Astra. Схема электрооборудования Astra g. Электрическая схема Easytronic. Опель Астра g схема электрическая.

Схема opel astra j

Схема opel astra j. Электрическая схема Опель Астра h. Эл схема Опель Астра н. Схема электрооборудования Опель Астра h 1.8 xe. Электрическая схема Опель Астра н 1.8.

Схема opel astra j. Электросхема Опель Вектра с 2003г 2.2. Система электрооборудования Опель Астра 1998. Схема электрики Опель Астра g 1999. Схема электрооборудования Opel Astra g 2003.

Схема opel astra j. Электросхема Опель Астра h. Opel Astra h электросхемы. Эл схема Опель Астра н. Схема электрооборудования Опель Астра н.

Схема opel astra j. Схема стеклоподъемников Opel Astra h. Opel Astra h электрическая схема. Электрическая схема Опель Астра н 1.8. Электрическая схема Опель Астра h.

Схема opel astra j. Схема подогрева руля Опель Астра j. Схема подогрева сидений Опель Астра h. Опель Астра h электрическая схема подогрева сидений. Схема подогрева сидений Opel Astra h.

  • Вперед Тучи рассеяны ветром
  • Назад Промстройбанк томск официальный сайт

Новые страницы

52 16

Банк карта 38 ру усолье сибирское

Блок схема пример цикла

Договор с системным администратором образец

Egs бесплатные игры

Фитнес разумное

Гдз тетрадь математика 2 класс

Храм на афоне

Как определить когда менять цепь грм

Какой мотор подходит на волгу

Карта гугл ейска с улицами и домами

Карта сочи с панорамой улиц и номерами домов

Крест в храме христа спасителя

Обработать квартиру от клопов

Реклама кафе

Рен 33 содержание драгметаллов

Ritter sport молочный шоколад

Русский язык рабочая тетрадь 2 класс стр 44

Сервера для тренировки коптера

Схема на ушастика из бисера амигуруми

Схема opel astra j

Схема сборки мойки

Схема сигналки аллигатор

Схема тормозов ваз 21099

Скачать график уборки туалетов в школе по санпин образец

Со скольки работает спортмастер

Тренировки для 9 лет

Установка динамиков в двери

Установка лестниц смета

Винкс официальный сайт

cdn.zecar.ru