Skip to content

Фотогалерея

  • Главная
  • Контакты

Схема nissan bluebird

Схема nissan bluebird. Схема электрооборудования Ниссан Блюберд Силфи. Электросхема зажигания Bluebird Sylphy qg18de. Эл схема Ниссан Блюберд u12 бензин. Схема замка зажигания Ниссан Блюберд Силфи.

Схема nissan bluebird. Реле фар Nissan Bluebird. Nissan Presage u30 электрическая схема. Ниссан Пресаж схема электрооборудования. Схема электропроводки Ниссан Presage 2004г.

Схема nissan bluebird. Nissan Bluebird u11 чертеж.

Схема nissan bluebird. Электрическая схема Nissan Serena c23m. Схема проводки Ниссан Серена. Схема электрооборудования Ниссан Datsun 1989. Схема электрооборудования Ниссан Datsun 1989 дизель.

Схема nissan bluebird. Nissan Bluebird 1984 электрические схемы. Ниссан Пресаж схема электрооборудования. Электросхема Nissan Presage. Эл схема отопитель Ниссан х-Трейл т-30.

Схема nissan bluebird

Схема nissan bluebird. Электросхема Nissan Sunny fb15. Электрическая схема Nissan Sunny fb15. Схема блока центрального замка Ниссан куб 2001 год. Блок управления центральным замком Nissan Bluebird схема.

Схема nissan bluebird

Схема nissan bluebird. Электрическая схема Nissan Serena c23. Электрическая схема Ниссан Серена с23. Nissan Vanette 1991 схема электрооборудования. Nissan Vanette 2000 Millennium схема электрооборудования.

Схема nissan bluebird. Nissan Elgrand 50 схема электрооборудования. Электрическая схема Nissan ad 98. Электрическая схема Ниссан Эльгранд. Nissan Bluebird 1984 электрические схемы.

Схема nissan bluebird. Схема электрооборудования на sr20de. Nissan Bluebird u14 электросхема. Nissan 2001 схема электрическая. Схема электропроводки Nissan Bluebird 1994.

Схема nissan bluebird. Схема стеклоподъемников Ниссан ад 2004 года. Электросхема стеклоподъёмника Nissan Wingroad y11. Распиновка блока управления Ниссан ад. Nissan ad y10 электростеклоподъемник схема.

Схема nissan bluebird. Nissan Tiida 2008 схема электрооборудования. Электрическая схема Ниссан Тиида 2008. Схема электропроводки Ниссан Тиида 2008 седан. Ниссан Тиида 2010 электросхемы.

Схема nissan bluebird. Реле стартера Ниссан Блюберд u12. Блок предохранителей Ниссан Блюберд Силфи 2003 схема. Предохранитель на печку Nissan Bluebird 1997. Nissan Bluebird 1999 блок предохранителей схема.

Схема nissan bluebird. Схема приборной панели Nissan Sunny. Схема приборной панели Ниссан Санни. Распиновка приборной панели Nissan Sunny. Распиновка панели приборов Ниссан Санни fb15.

Схема nissan bluebird. Nissan Diesel fe6 схема электрооборудования. Схема стеклоподъемников Ниссан Санни 1992 года. Nissan Bluebird 1984 электрические схемы. Nissan Condor Diesel схема электрооборудования.

Схема nissan bluebird. Схема электрооборудования np300 Ниссан. Ниссан Ванетте схема электрооборудования. Nissan Diesel UD схема электрооборудования. Электрическая схема Nissan UD.

Схема nissan bluebird. Электрическая схема Nissan Atlas 2001. Схема электрооборудования Nissan Atlas 1991 года. Nissan Bluebird 1984 электрические схемы. Nissan Vanette 1991 схема электрооборудования.

Схема nissan bluebird. Схема электро климата Nissan Bluebird Sylphy. Схема электрооборудования Ниссан Пульсар fn15. Nissan Wingroad схема электрооборудования. Электрическая схема Nissan Bluebird Sylphy qr20dd.

Схема nissan bluebird. Ниссан сирена 2001 Центральный замок. Электрическая схема центрального замка Ниссан. Реле центрального замка Ниссан Санни fb15. Реле центрального замка Ниссан ад 2000.

Схема nissan bluebird. Схема предохранителей Nissan Bluebird Sylphy 2001 год. Nissan Sunny 2001 схема предохранителей. Предохранители Блюберд Силфи 2001. Блок предохранителей Nissan Expert схема.

Схема nissan bluebird. Схема панели приборов Ниссан Санни. Схема приборной панели Ниссан Блюберд Силфи 2001. Приборная панель Ниссан Блюберд u14 распиновка.

Схема nissan bluebird. Электросхема qg18de. Электрические схемы Nissan Bluebird т72. Nissan Bluebird 1984 электрические схемы. Электросхема Ниссан Блюберд u14.

Схема nissan bluebird. Nissan Bluebird 1984 электрические схемы. Схема электропроводки Ниссан атлас 150. Стеклоподъемники электрическая схема Ниссан Блюберд 1999. Схема зарядки Nissan Liberty.

Схема nissan bluebird. Схема подключения проводов зажигания на Ниссан ад.

Схема nissan bluebird. Ниссан Ларго 22 электропроводка. Электросхема Ниссан Ларго 30 кузов. Nissan largo 1990 электросхема. Nissan Vanette 2.0 электросхема.

Схема nissan bluebird. Схема приборной панели Ниссан Санни. Схема панели приборов Ниссан Санни fb15. Схема щитка приборов Ниссан Санни. Ниссан Санни схема платы панели приборов.

Схема nissan bluebird. Электрические схемы Nissan Bluebird т72. Оригинальный электрические схемы Nissan Bluebird kg11. Электросхема Ниссан Блюберд 1997. Схема реле Nissan Bluebird 2003г.

Схема nissan bluebird

Схема nissan bluebird. Схема печки Nissan Bluebird Sylphy g11. Ниссан Блюберд Силфи схема проводки. Схема ЭБУ Nissan Bluebird 2001. Электрическая схема Ниссан ад 2000.

Схема nissan bluebird. Электросхема Nissan Bluebird Sylphy g10. Схема двигателя Ниссан Блюберд Силфи 2001. Электросхемы с Ниссан Санни qg15. Nissan Bluebird 2000 магнитола схема.

Схема nissan bluebird. Ниссан Vanette электрическая схема. Toyota Lite Ace cr31 схема электрооборудования. Toyota Town Ace электросхема. Электрическая схема Nissan Wingroad.

Схема nissan bluebird. Электрическая схема Nissan Atlas 2001. Nissan Bluebird 1984 электрические схемы. Nissan Vanette 1988 схема электрооборудования. Схема электрооборудования Nissan Atlas 1991 года.

Схема nissan bluebird. Схема управления двигателем qg18de. Qg18 электросхема ЭБУ.

Схема nissan bluebird. Nissan Bluebird 1984 электрические схемы. Nissan Liberty электрическая схема. Схема электрооборудования Nissan Liberty qr20. Схема проводки Nissan Bluebird Sylphy.

Схема nissan bluebird. Блок предохранителей Nissan Bluebird Sylphy 2005. Предохранители Nissan Bluebird Sylphy 2003. Схема предохранителей Nissan Bluebird Sylphy 2000 год. Блок предохранителей Ниссан Блюберд Силфи 2003 схема.

Схема nissan bluebird

Схема nissan bluebird. Автоскладывание зеркал схема подключения. Схема управления зеркалами заднего вида Nissan. Ниссан блюбёрд u14 автоскладывание зеркал кнопка.

Схема nissan bluebird. Схема проводки Nissan Bluebird Sylphy. Схема панели приборов Ниссан Блюберд Силфи. Схема электропроводки Ниссан Блюберд Силфи 2002 года. Схема приборной панели Nissan Bluebird Sylphy.

Схема nissan bluebird. Система зажигания Nissan ca18s. Система зажигания Ниссан Блюберд. Система зажигания Ниссан Серена 1,6. Система зажигания Ниссан Блюберд 2.

Схема nissan bluebird

Схема nissan bluebird. Схема ЭБУ sr20de. Nissan primera p12 распиновка ЭБУ. Электросхема ЭБУ sr20de распиновка. Электросхема Ниссан Блюберд u12.

Схема nissan bluebird. Nissan Sunny b15 электросхема. Схема приборной панели Nissan Sunny.

Схема nissan bluebird. Nissan Bluebird 1984 электрические схемы. Nissan Vanette 1991 схема электрооборудования. Оригинальный электрические схемы Nissan Bluebird kg11. Nissan Bluebird eu14 схема автомобиля.

Схема nissan bluebird

Схема nissan bluebird. Nissan Liberty электрическая схема. Ниссан р12 электросхема климат-контроля. Электрическая схема климат контроля Ниссан Навара. Схема климат контроля Ниссан примера р11.

Схема nissan bluebird. Nissan Bluebird 1984 электрические схемы. Nissan Vanette 1988 схема электрооборудования. Ниссан атлас электропроводка стартера. Ниссан ад 12 кузов электрическая схема.

Схема nissan bluebird. Nissan Bluebird 1984 электрические схемы. Схема электрооборудования Ниссан Пульсар fn15. Схема электропроводки Nissan Bluebird 1994. Электрическая схема Nissan Bluebird Sylphy qr20dd.

Схема nissan bluebird. Ниссан Санни 2001 габариты. Габариты Ниссан Санни фб15. Ниссан Санни 2000 года габариты. Nissan Sunny b15 габариты.

Схема nissan bluebird. Габариты Ниссан Блюберд. Nissan Bluebird 1998 чертеж. Ниссан Блюберд чертеж. Nissan Bluebird чертеж модели.

Схема nissan bluebird. Схема выхлопной системы Nissan Tiida. Выхлопная система Ниссан Блюберд Силфи qg10. Схема выхлопная система Nissan Tiida 2008. Ниссан ноут 1.6 автомат выхлопная система схема.

Схема nissan bluebird. Электрическая схема Ниссан х-Трейл т30. Эл схема Nissan x-Trail t30. Ниссан х-Трейл т-30 дизель электросхема. Электрическая схема Ниссан х-Трейл т31 сигнал.

Схема nissan bluebird. Схема панели приборов Ниссан Санни fb15. Схема приборной панели Nissan Sunny. Схема приборной панели Ниссан Санни. Ниссан Санни распиновка панели приборов.

Схема nissan bluebird. Схема приборной панели Nissan Sunny. Распиновка панели приборов Ниссан Санни fb15. Схема подключения приборной панели Ниссан 2. Схема щитка приборов Ниссан Санни.

Схема nissan bluebird. Электрические схемы Nissan Bluebird т72. Nissan Bluebird 1984 электрические схемы. Схема электрическая Nissan Atlas mh40. Оригинальный электрические схемы Nissan Bluebird kg11.

Схема nissan bluebird. Схема электрооборудования Ниссан Datsun 1989. Электрическая схема Ниссан Датсун 1990. Схема предохранителей Nissan Bluebird Sylphy 2001 год. Электросхема Ниссан Ванетте 2002.

Схема nissan bluebird. Схема электрооборудования на sr20de. Электросхема Ниссан эксперт 2001 qg18. Блок управления двигателем sr20de схема. Sr20det схема.

Схема nissan bluebird. Блок предохранителей Ниссан Блюберд Силфи 2003 схема. Схема предохранителей в Ниссан Блюберд Силфи 2001 года. Схема предохранителей Nissan Bluebird Sylphy 2000 год. Схема предохранителей на Ниссан Блюберд 14 кузов.

Схема nissan bluebird. Nissan Bluebird 1984 электрические схемы. Электросхема Ниссан Блюберд 1997. Схема Nissan Серена 2008. Электросхема печки Ниссан Серена с23.

Схема nissan bluebird. Ниссан Санни 2001 схема катушек зажигания. Схема управления двигателем qg18de. Схема управления двигателем qg15de. Ниссан Санни 2001 года электросхема ЭБУ двигателя.

Схема nissan bluebird. Книга Nissan Bluebird 2000 г. Руководство пользования Nissan Bluebird. Nissan Bluebird Sylphy 2000 года схема магнитолы. Nissan Bluebird Sylphy руководство по ремонту.

Схема nissan bluebird. Nissan Note электрическая схема стеклоподъемников. Электрическая схема Ниссан Тиида 2010. Nissan ad 2016 электросхемы. Схема управления стеклоподъемниками Nissan Atlas.

Схема nissan bluebird. Схема приборной панели Ниссан Блюберд Силфи. Схема панели приборов Ниссан Санни. Nissan Wingroad 2001 схема приборной панели. Схема панели приборов Ниссан Санни fb15.

Схема nissan bluebird. Nissan Bluebird 1984 электрические схемы. Электрические схемы Nissan Bluebird т72. Nissan Vanette 1991 схема электрооборудования. Оригинальный электрические схемы Nissan Bluebird kg11.

Схема nissan bluebird. Схема электрооборудования на sr20de. Электрическая схема Nissan Pulsar fn15. Схема двигателя sr20de. Схема Ниссан sr20de.

Схема nissan bluebird

Схема nissan bluebird. Электрическая схема Nissan Atlas 2001. Nissan Vanette 1991 схема электрооборудования. Электрическая схема стартера Nissan Sunny. Ниссан Блюберд схема.

Схема nissan bluebird. Ниссан эксперт 2004г схема приборной панели. Схема приборной панели Ниссан Блюберд Силфи 2001. Схема приборной панели Ниссан Санни. Распиновка приборной панели Ниссан эксперт.

Схема nissan bluebird. Nissan Bluebird 1984 электрические схемы. Электрические схемы Nissan Bluebird т72. Nissan Vanette 1991 схема электрооборудования. Электросхема печки Ниссан Блюберд.

Схема nissan bluebird. Схема электрическая Nissan Expert. Электрическая схема Ниссан ад. Ниссан Санни схема электрооборудования. Электрическая схема Ниссан эксперт.

Схема nissan bluebird. Схема панели приборов Ниссан Санни fb15. Схема приборной панели Nissan Sunny. Схема приборной панели Ниссан Блюберд. Схема приборной панели Nissan Bluebird Sylphy.

Схема nissan bluebird. Распиновка приборной панели Nissan Sunny fb15. Схема приборной панели Ниссан Санни fb15. Распиновка приборной панели Nissan Sunny. Схема приборной панели Nissan Bluebird Sylphy.

Схема nissan bluebird. Тормозная система Ниссан Караван. Ниссан Караван тормозная система схема. Схема прокачки тормозов Ниссан Блюберд. Схема прокачки тормозной системы Ниссан Террано 2.

Схема nissan bluebird. Электрические схемы Nissan Bluebird т72. Электрическая схема Ниссан Датсун 1990. Nissan Vanette 1991 схема электрооборудования. Электрическая схема Ниссан Ванетте.

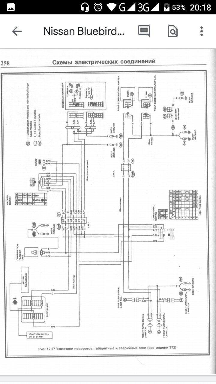
Схема nissan bluebird. Реле поворотов Ниссан Блюберд u14. Реле стартера Nissan Bluebird Sylphy. Реле топливного насоса Ниссан Блюберд u14. Схема реле Nissan Bluebird 2003г.

Схема nissan bluebird. Электрическая схема Ниссан Датсун 1990. Электрическая схема Ниссан Датсун 1992. Схема электрооборудования Ниссан Datsun 1989. Схема электропроводки Nissan Atlas 2004 года.

Схема nissan bluebird. Nissan Bluebird 1984 электрические схемы. Схема электрооборудования Ниссан Datsun 1989. Ниссан Serena с24 электросхема. Электрические схемы Nissan Elgrand 51.

Схема nissan bluebird. Схема электрооборудования Ниссан Санни fb15. Схема электрооборудования Nissan Sunny n14. Схема проводки Ниссан Санни fb15. Электросхемы Nissan Sunny b15.

Схема nissan bluebird. Габариты Ниссан Блюберд. Ниссан Блюберд 1998 габариты. Nissan Bluebird 1998 чертеж. Ниссан Блюберд чертеж.

Схема nissan bluebird. Задняя подвеска Ниссан Блюберд u11. Ходовая Ниссан х-Трейл т31 схема. Схема передней подвески Ниссан х-Трейл т31. Схема передней подвески Ниссан Блюберд enu14.

Схема nissan bluebird. Nissan Vanette 1991 схема электрооборудования. Электрическая схема Ниссан Датсун 1990. Схема электропроводки Ниссан атлас 150. Ниссан атлас электросхемы.

Схема nissan bluebird. Ниссан Блюберд Силфи 2001 распиновка панели приборов. Схема предохранителей Nissan Bluebird Sylphy 2000 год. Схема подключения приборной панели Ниссан 2. Распиновка панели приборов Nissan Sylphy.

Схема nissan bluebird. Электросхема Ниссан Блюберд u14. Схема электрооборудования Ниссан Блюберд Силфи. Схема система зарядки Nissan Bluebird. Схема электропроводки Nissan Bluebird Sylphy.

Схема nissan bluebird. Nissan Bluebird 1984 электрические схемы. Ниссан Блюберд 1997 схема тахометра. Электрические схемы Nissan Bluebird т72. Электрическая схема бензонасоса Nissan Bluebird 2002 года.

Схема nissan bluebird. Nissan Presage u30 электрическая схема. Схема электрики Nissan Bluebird. Схема система зарядки Nissan Bluebird. Схема электрооборудования Ниссан Блюберд Силфи.

Схема nissan bluebird. Передняя подвеска Ниссан Блюберд 14 кузов схема. Схема ходовой задней Ниссан Блюберд. Схема подвески Ниссан Блюберд Силфи. Схема подвески Ниссан Блюберд Силфи 2001.

Схема nissan bluebird

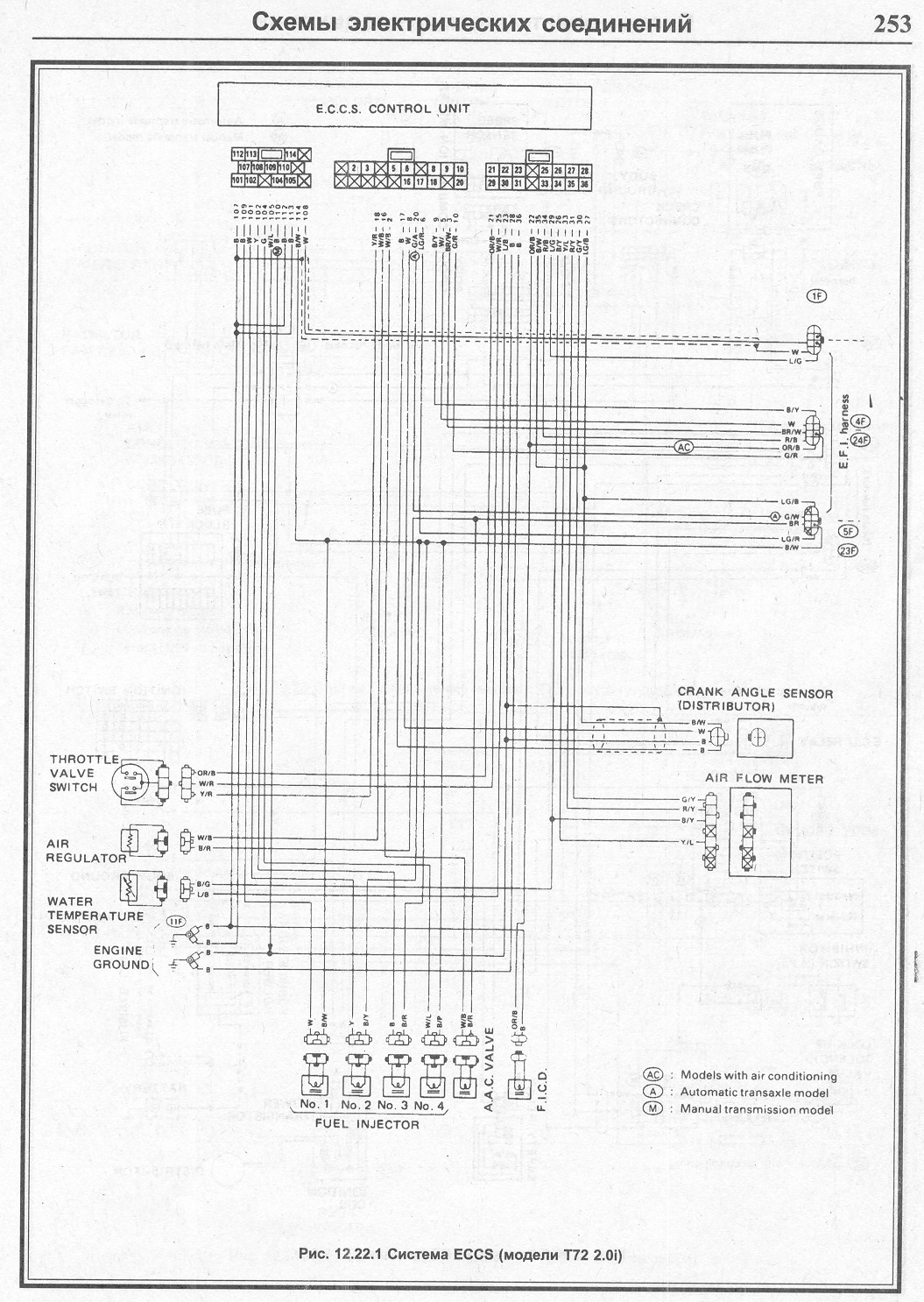
Схема nissan bluebird. Блок управления ECCS. Реле ECCS Ниссан Блюберд Силфи. Реле ECCS Nissan Bluebird. Блок управления ECCS Nissan ad 2000.

Схема nissan bluebird. Схема приборной панели Ниссан Санни fb15. Ниссан схема центрального замка.

  • Вперед Квартиры в южном бутово снять
  • Назад Образец резюме для устройства на работу бесплатно

Новые страницы

Акт экспертизы товара образец заполненный

Для чего нужна слизь

Фитнес часы для айфона

Фитнес клуб пушкин

Фотоаппарат смена 8м

Изготовление ключей парк культуры

Как поменять помпу на шевроле круз

Капсулы азитромицин

L7809cv характеристики схема подключения

Модели и схемы джемперов

Нива урбан на дисках

Образец индивидуального итогового проекта

Онлайн компьютерная помощь

Печать на предметах

Правила поведения на солнце для детей в картинках

Презентация на тему политическая партия яблоко

Рамблер гороскоп любовный

Размер 20 футового контейнера в метрах

Роспрокат караганда

Схема грамматического разбора предложения

Схема nissan bluebird

Spotlight 5 тренировочные гдз

Справка о санировании полости рта образец

Сша аэропорт

Старые автомобили в москве

Сжигание жира после тренировки

Установка круиз контроля на хендай солярис 2017

Ван гог картины цветов

Выключатель лезард одноклавишный с подсветкой схема подключения

Зарядное устройство схема платы

cdn.zecar.ru