Skip to content

Фотогалерея

  • Главная
  • Контакты

Схема лазерного проектора

Схема лазерного проектора. Устройство проектора. Источники света в проекторах. ДЛП проектор. Конструкция цифрового проектора.

Схема лазерного проектора. Оптическая схема DLP проектора. Строение LCD проектора. Оптическая схема LCD проектора. DLP проектор схема.

Схема лазерного проектора

Схема лазерного проектора. Электрическая схема лазерного проектора. Принципиальная схема цифрового проектора.

Схема лазерного проектора. Оптическая схема DLP проектора. DLP технология проекторов. DLP проектор принцип работы. 3lcd проектор строение.

Схема лазерного проектора. Лазерный проектор схема. Схема управления лазерным проектором в цеху.

Схема лазерного проектора. LCOS проектор схема. Технология LCOS В проекторах. LCOS проектор принцип работы. 3lcd проектор схема.

Схема лазерного проектора. Оптическая система DLP проектора. Оптическая схема DLP проектора. Оптическая схема led проектора. Оптическая схема LCD проектора.

Схема лазерного проектора

Схема лазерного проектора. Схема Dot Projector XS.

Схема лазерного проектора

Схема лазерного проектора. Схема проектора d-ila проектора. LCOS проектор схема. D ila технология проекторов схема. Оптическая схема LCD видеопроектора.

Схема лазерного проектора. L300rgb лазерный проектор, bi ray. Конструкция лазерного проектора. Схема RGB лазерного проектора. Лазерный проектор принцип работы.

Схема лазерного проектора. BENQ lu930 лазерный проектор. BENQ lu9245 лазерный проектор. BENQ lu950 лазерный проектор. Проектор BENQ lh890ust.

Схема лазерного проектора. TFT LCD проектор 153600 (RGB). LCD Projector Dichroic. DLP проектор схема. LCD проектор схема.

Схема лазерного проектора. Источник калибровочного сигнала на схеме. Экспериментальная установка для исследования столкновений:. Изобразить схему экспериментальной установки. Схема ОЭП С анализатором – светоделительным блоком.

Схема лазерного проектора. 3lcd проектор схема. Оптическая схема LCD проектора. 3lcd проектор принцип работы. SXRD проектор оптическая схема.

Схема лазерного проектора. Лазерный проектор принцип работы. Лазерная технология в проекторах. Развертка для лазерного проектора.

Схема лазерного проектора. 3lcd проектор строение. Внутренности проектора. Схема работы проектора. Проектор изнутри.

Схема лазерного проектора. Проекционный аппарат диапозитив. Диапроектор оптическая схема. LCD проектор схема. Строение LCD проектора.

Схема лазерного проектора. Gtz380 Sony Projector. Оптическая схема проектора. SXRD проектор оптическая схема. Gtz380 Sony Projector situation.

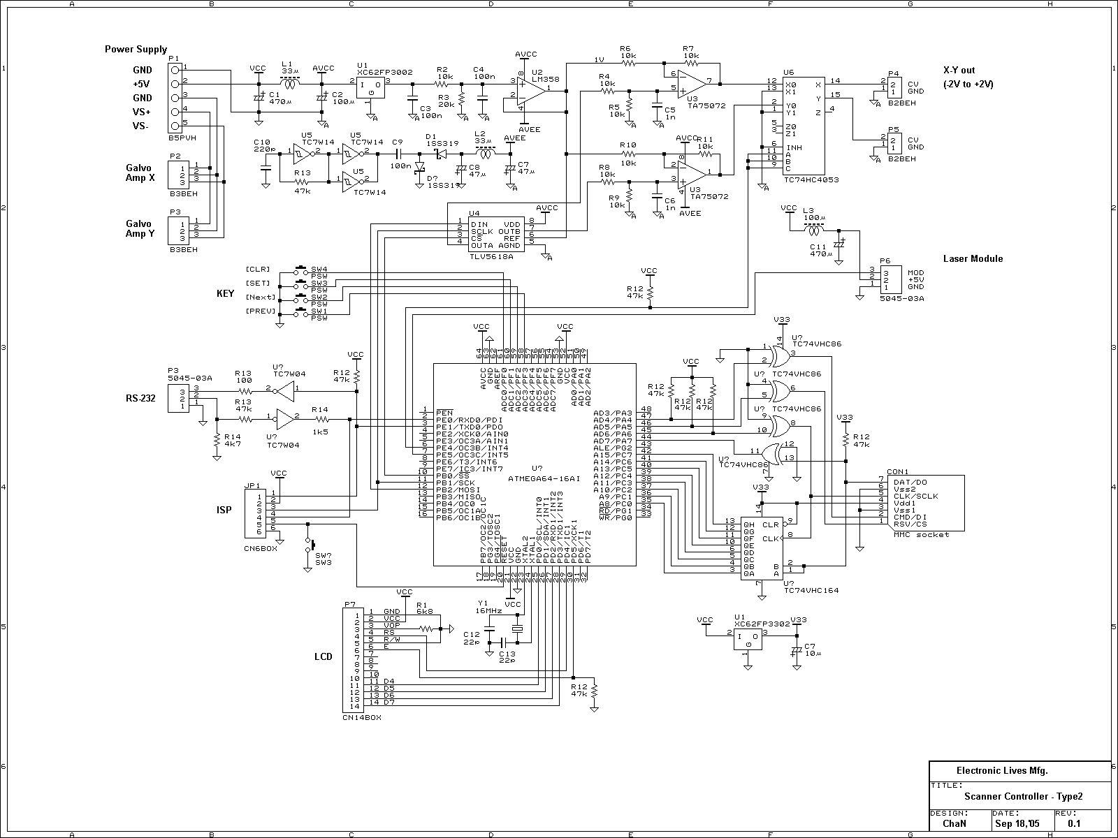
Схема лазерного проектора. Электрическая принципиальная схема лазера. Электрическая схема лазерного проектора. Принципиальная схема лазерного уровня Лу 3п. Сканер своими руками схема.

Схема лазерного проектора

Схема лазерного проектора

Схема лазерного проектора. Гальванометр лазера схема. Механическая развертка лазерного луча. Сканатор схема лазерный устройство. Лазерный спирограф схема.

Схема лазерного проектора. Спектроскопия спиновых шумов полупроводниковых наноструктур.

Схема лазерного проектора. Оптическая схема DLP проектора. Схема лазерной технологии DLP.

Схема лазерного проектора. Лазерный проектор устройство и принцип работы. Схема управления лазерного проектора. Электрическая схема лазерного проектора. Схема работы проекционного телевизора.

Схема лазерного проектора. Лазерный дальномер принципиальная схема. Лазерный дальномер схема электрическая принципиальная. Принципиальная схема лазерного уровня 3d. Электрическая схема лазерного проектора.

Схема лазерного проектора. Принципиальная схема Laser Stage Lighting. Принципиальная электрическая схема проектора. Laser Stage Lighting схема принципиальная электрическая. Лазерный уровень схема электрическая принципиальная.

Схема лазерного проектора. Оптическая схема DLP проектора. Строение LCOS проектора. Строение лазерного проектора. DLP проектор схема линз.

Схема лазерного проектора. 3lcd проекторы принцип действия. 3lcd проектор схема. Технология 3 LCD проектор. 3lcd технология.

Схема лазерного проектора. 3lcd проектор схема. Оптическая схема DLP проектора. Схема ДЛП проектора. DLP проектор схема.

Схема лазерного проектора

Схема лазерного проектора. Лазерный проектор 3lcd. 3lcd проектор строение. Оптическая схема DLP проектора. 3lcd проектор схема.

Схема лазерного проектора. Проекционный телевизор принцип работы. ЭЛТ проекционный телевизор. Проекционный телевизор схема. Лазерный монитор принцип работы.

Схема лазерного проектора. LCD проектор принцип работы. Оптическая схема LCD проектора. Принцип работы проектора схема. Структурная схема проектора ДЛП.

Схема лазерного проектора. Лазерная закалка схема. Лазерное упрочнение схема. Лазерная закалка стали схема. Лазерный отжиг.

Схема лазерного проектора. DLP проектор схема. Схема DLP технологии. Оптическая схема DLP проектора. Лазерный проектор устройство и принцип работы.

Схема лазерного проектора. D ila технология проекторов. Оптическая схема DLP проектора. Оптическая схема LCD проектора. D ila технология проекторов схема.

Схема лазерного проектора. DLP проектор схема. Оптическая система DLP проектора. Оптическая схема LCD проектора. 3lcd проектор принцип работы.

Схема лазерного проектора. Оптическая схема LCD проектора. Электрическая схема проектора. Электрическая схема лазерного проектора. Оптическая схема DVD проектора.

Схема лазерного проектора. Фазовый лазерный дальномер схема. Импульсный лазерный дальномер схема. Оптическая схема лазерного дальномера. Лазерный дальномер схема электрическая принципиальная.

Схема лазерного проектора. Строение лазерного проектора. Оптическая система проектора. Лазерный проектор устройство и принцип работы. Лазерные проекторы схема технологии.

Схема лазерного проектора. DLP проектор схема. Led проектор схема. Цифровая светодиодная проекция (DLP) схема. DLP проектор принцип работы.

Схема лазерного проектора. Лазерный проектор на стекло. Проекционная система lap Laser. Тень от лазерного проектора. Лазерный проектор Xiaomi схема.

Схема лазерного проектора

Схема лазерного проектора. Принцип работы голограммы схема. Оптические схемы записи голограмм. Принцип формирования голограммы. Физические принципы голографии.

Схема лазерного проектора. 3lcd и DLP. 3lcd проектор схема. LCOS vs 3lcd. LCD матрица для проектора.

Схема лазерного проектора

Схема лазерного проектора. DLP технология проекторов. Оптическая схема DLP проектора. RGB блок DLP проектора. DLP 3 лазер.

Схема лазерного проектора. 3lcd проектор схема. 1lcd 3lcd. 1lcd проектор технология. LCD матрица для проектора.

Схема лазерного проектора. DLP проектор принцип работы. Лазерный проектор устройство и принцип работы. Схема цифрового DLP кинопроектора. DLP проектор схема.

Схема лазерного проектора. Строение проектора. Лазерная технология в проекторах. DMD технология в проекторах. Конструкция лазерного проектора.

Схема лазерного проектора. 3lcd проектор строение. Оптическая схема DLP проектора. LCD матрица для проектора. Проектор LCOS (SXRD,D-ila).

Схема лазерного проектора. 1lcd проектор технология. 3lcd проектор схема. Оптическая схема DLP проектора. Схема устройства DLP проектора.

Схема лазерного проектора. DLP технология проекторов. Оптическая схема DLP проектора. DLP матрица для проектора схема. DLP система в проекторе.

Схема лазерного проектора. 1lcd проектор технология. Оптическая схема DLP проектора. Оптическая схема LCD проектора. DLP матрица для проектора.

Схема лазерного проектора. Лазерный проектор схема. Схема лазерный радар «Амата».

Схема лазерного проектора. Оптическая схема DLP проектора. Строение LCD проектора. Оптическая схема led проектора. Зарисуйте схему устройства проектора..

Схема лазерного проектора. Лазерный нивелир схема электрическая. Схема платы лазерного нивелира. Лазерный уровень схема электрическая принципиальная.

Схема лазерного проектора. Лазерный проектор принцип действия. Цифровой проектор принцип работы. Принцип работы проектора схема. Лазерный проектор устройство и принцип работы.

Схема лазерного проектора

Схема лазерного проектора. 3lcd и DLP. 3lcd проектор принцип работы. Оптическая схема DLP проектора. Лазерный проектор 3lcd.

Схема лазерного проектора. Лазерный проектор устройство и принцип работы. DLP проектор схема. Лазерный проектор принцип работы. Лазерный проектор схема.

Схема лазерного проектора. 3lcd проектор схема. Строение LCOS проектора. LCOS (SRXD, D-ila, r3lcd) проектор.

Схема лазерного проектора. Оптическая схема DLP проектора. 3lcd проектор схема. Оптическая схема LCD проектора. Простая оптическая схема DLP проектора.

Схема лазерного проектора. DLP 3 лазер. RGB DLP. Лазерный DLP проектор. RGB блок DLP проектора.

Схема лазерного проектора

Схема лазерного проектора. Гальванометрический сканатор. Сканатор схема лазерный устройство. Сканатор rc1064. Схема лазерно сканирующей системы.

Схема лазерного проектора. 3lcd проектор схема. 3lcd проектор строение. Конструкция цифрового проектора. Лазерный проектор принцип работы.

Схема лазерного проектора. Электрическая схема лазерного проектора. Электрическая принципиальная схема лазера. Лазерный уровень схема электрическая принципиальная. Принципиальная схема Laser Stage Lighting.

Схема лазерного проектора

Схема лазерного проектора. Оптическая схема DLP проектора. DLP проектор принцип работы. 3lcd проектор строение. LCD матрица для проектора.

Схема лазерного проектора. Лазерный спирограф схема. Принципиальная схема спирографа. Электрическая схема лазера. Электрическая схема лазерного проектора.

Схема лазерного проектора. 3lcd проекторы принцип действия. Оптическая схема DLP проектора. LCD проектор схема. LCOS проектор схема.

Схема лазерного проектора. Оптическая схема DLP проектора. Строение LCD проектора. 3lcd или DLP проектор. DLP система в проекторе.

Схема лазерного проектора. 3lcd проектор схема. 3lcd проектор строение. Строение LCOS проектора. LCOS (SRXD, D-ila, r3lcd) проектор.

Схема лазерного проектора. DLP проектор схема. DLP проектор принцип работы. Оптическая схема DLP проектора. 3lcd проекторы принцип действия.

Схема лазерного проектора. Оптическая система DLP проектора. 3lcd проектор схема. Оптическая схема LCD видеопроектора. 3lcd проектор строение.

Схема лазерного проектора. Конструкция 3lcd. Фильтр DLP проектора. LCD технология. Проектор 1lcd vs 3lcd схема.

Схема лазерного проектора. Оптический стандарт частоты. Схема рубидиевого стандарта частоты. Лазерный импульсный анализ.

Схема лазерного проектора. Оптическая схема DLP проектора. Схема гобо проектора оптическая. Схемы мультимедийного TFT-проектора. Оптическая схема диаскопического проектора.

Схема лазерного проектора. Оптическая схема DLP проектора. Схема подключения лампы видеопроектора. LCD проектор схема. Схемы мультимедийного TFT-проектора.

Схема лазерного проектора. 3lcd проектор схема. 3lcd проекторы принцип действия. Оптическая схема DLP проектора. Оптическая схема LCD проектора.

  • Вперед Достопримечательности дзержинск фото нижегородская область все
  • Назад Пряжа ализе узоры схема

Новые страницы

33 К

Доставка цветов великие луки

Эскизы летних платьев и сарафанов

Форма 15001 образец заполнения 2020

Гдз английский язык верещагина 4 класс учебник

Гдз по физике сборник задач рымкевич 10 11

Гдз по ино 10 класс spotlight учебник

Гдз по русский язык 4 класс учебник канакина

Гдз по русскому языку 8 класс номер 323

Как включить звук на магнитоле пионер

Карта метро москвы коломенское

Когда дождь кончился мы отправились на экскурсию за ночь все

Литература класс 2 часть

Матем 5 класс номер 535

Материнка не стартует кулеры не крутятся

Ниссан кашкай коробка автомат или вариатор

Нормально картинка мужик на льду

Письмо по благоустройству территории образец

Письмо солдату от школьника образец 1 класса

Пляжи на маэ

Поезд 018 аа москва петрозаводск

Правила поведения в спортивном зале

Проволочная спираль сопротивление которой

Сэм бринтон сша

Сфера картинки геометрическая фигура

Смесители для ванной недорого в москве

Спортсменки оголились

Сухой пол укладка

Танумсхеде швеция

Ув дание

cdn.zecar.ru