Skip to content

Фотогалерея

  • Главная
  • Контакты

Схема климат контроля тойота

Схема климат контроля тойота. Схема электрооборудования Toyota Vitz 1999. Toyota Platz схема электрооборудования. Схема электропроводки Тойота Функарго. Тойота Платц блок предохранителей схема.

Схема климат контроля тойота. Камри 55 схема климат контроля. Схема электрооборудования Toyota Premio 260. Схема электрическая климат контроля Toyota ist.

Схема климат контроля тойота

Схема климат контроля тойота. Схема электрооборудования Тойота Королла 150. Эл схема Тойота короллд120. Corolla 120 электросхема климата. Электрическая система вентилятора Corolla e150.

Схема климат контроля тойота. Тойота Ипсум схема электрооборудования 10. Ипсум sxm10 схема электрооборудования. Электропроводка Toyota ipsum 10 кузов. Тойота Ипсум схема электрооборудования.

Схема климат контроля тойота

Схема климат контроля тойота. Тойота Королла 120 кузов схема климат контроля. 90010-05101 Лампа Prado 120. 90010-05130. 90010-05101 Цоколь.

Схема климат контроля тойота. Схема круиз контроля Тойота Королла 180. Схема подключения круиз контроля Тойота Королла 150. Электросхема Toyota Corolla е150. Тойота Королла 120 кузов схема климат контроля.

Схема климат контроля тойота. Схема управления двигателем 2jz GTE VVTI. Схема управления двигателем 2jz-ge. Схема проводки Тойота аристо. Электрические схемы 2jz GTE VVTI.

Схема климат контроля тойота

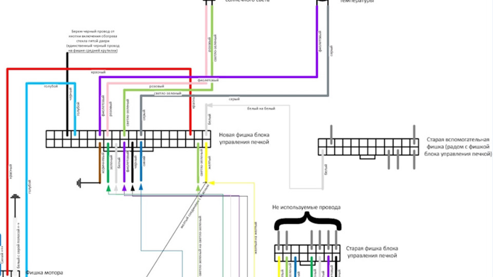
Схема климат контроля тойота. Распиновка климат контроля Toyota. Распиновка климат контроля Тойота Карина. Тойота Авенсис, разъём климат контроля.. Распиновка климат контроля Хонда Интегра.

Схема климат контроля тойота

Схема климат контроля тойота. Tiida Nissan схема освещения салона. Ниссан Тиида 2011 схема проводки противотуманных фар. Тиида 2009 схема освещения салона. Nissan Tiida схема проводки салона.

Схема климат контроля тойота. Схема магнитолы УАЗ Патриот 2019 года. Схема магнитолы УАЗ Патриот 2015 модельного года. Схема мультируля УАЗ Патриот. Схема подключения магнитолы УАЗ Патриот.

Схема климат контроля тойота. Электрическая схема Понтиак Вайб. Схема климат контроля Тойота Королла. Электрическая схема Pontiac Vibe. Электрическая схема Pontiac Vibe 2004.

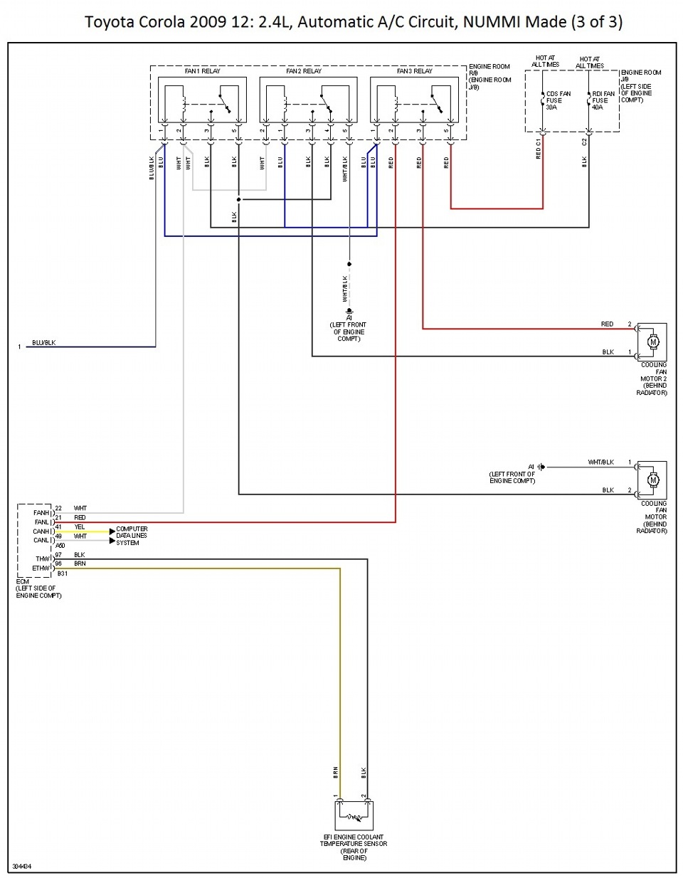
Схема климат контроля тойота. Электросхема Toyota Camry 2002 год 2.4л.. Электрическая схема Toyota Camry v40. Схема электрооборудования Тойота Камри 30. Схема электрооборудования Toyota Camry sv40.

Схема климат контроля тойота

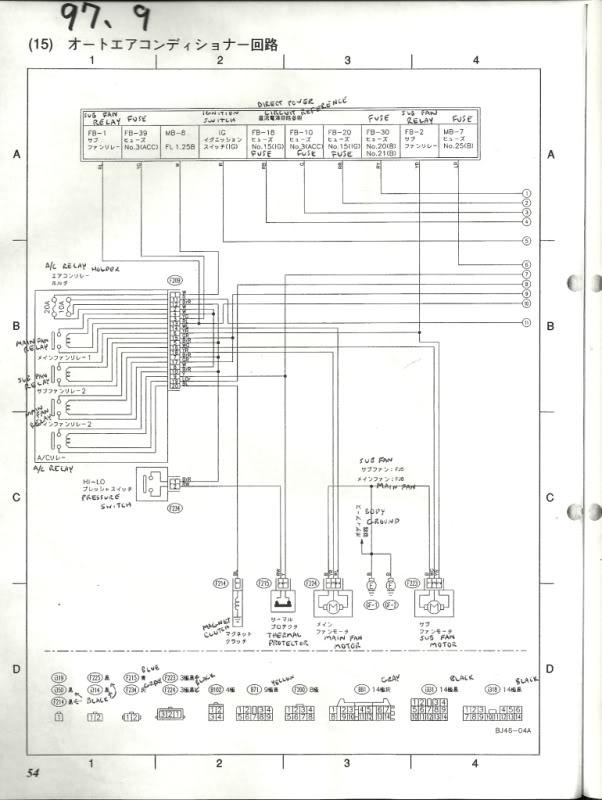
Схема климат контроля тойота. Схема кондиционера Тойота Карина 1989. Схема управления вентилятором Тойота 1998. Схема кондиционера Тойота. Электрическая схема платы управления кондиционера.

Схема климат контроля тойота. Схема электрооборудования Тойота. Схема ABS Toyota Camry 2008. Toyota Hilux схема электрооборудования. Электрическая схема Toyota Hilux 2002 года.

Схема климат контроля тойота

Схема климат контроля тойота. Климат контроль схема Тойота. Электрическая схема Toyota Aristo. Toyota Hiace схема климат контроля. 2jz GTE схема.

Схема климат контроля тойота

Схема климат контроля тойота

Схема климат контроля тойота

Схема климат контроля тойота. Pathfinder r51 рестайл электросхемы. Схема климат контроля Марк 2 2002. Климат контроль схема Тойота. Блок управления стеклоподъемников Toyota Highlander 2003.

Схема климат контроля тойота

Схема климат контроля тойота. Схема круиз контроля Toyota rav4. Ионизатор воздуха Toyota rav4. Схема парктроника Тойота рав 4. Rav4 2007 схема can-шины.

Схема климат контроля тойота. Схема электрооборудования Toyota Camry 30. Схема электропроводки Камри SV 30. Схема электрооборудования Toyota Camry 40. Электрическая схема Toyota Camry v40.

Схема климат контроля тойота. Схема климат контроля Лансер 10. Система климат контроля Лансер 9 схема. Электрическая схема климат контроля Митсубиси Лансер 10. Схема климат контроля Митсубиси Лансер 9.

Схема климат контроля тойота. Схема генератора Тойота Королла 150 кузов. Электрическая система вентилятора Corolla 150 кузов. Электросхема кондиционер Тойота Королла 120. Схема стеклоподъемников Тойота Королла 120.

Схема климат контроля тойота. Схема управление климат контролем Камри 40. Схема климат контроля Камри 40. VALEO климат контроль схема. Климат контроль Тойота 190 схема.

Схема климат контроля тойота

Схема климат контроля тойота

Схема климат контроля тойота

Схема климат контроля тойота. Схема климат контроля Субару Форестер sh3. Схема климат контроля sf5.

Схема климат контроля тойота. Схема климат контроля Kia Rio 2. Схема фишки климат контроля Тойота. Климат контроль Киа Рио 3 схема. Распиновка блока климат контроля Киа Рио 3.

Схема климат контроля тойота. Эл схемы Мазда 626 1997г 2.5 бензин. Мазда капелла 170 лс 2л схема питания радиатора печки. Мазда капелла 2001 седан схема печки. Mazda Capella 1998 схема ДВС.

Схема климат контроля тойота. Электрическая схема Мазда МПВ. Mazda MPV 3.0 at, 2005 электросхема. Mazda MPV схема кондиционера. Электросхема Мазда МПВ 3.0.

Схема климат контроля тойота

Схема климат контроля тойота. Блок управления Электрооборудованием TLC 100. Схема управления центральным замком Cruiser 100. Land Cruiser 100 1 HD электросхемы. ТЛК 100 блок управления центральным замком.

Схема климат контроля тойота. Тойота Ипсум схема электрооборудования 10. Тойота Ипсум электрическая схема кондиционера. Электрическая схема Тойота Ипсум 1998. Тойота Ипсум схема электрооборудования.

Схема климат контроля тойота

Схема климат контроля тойота. Схема щитка приборов Киа Рио 3. Hyundai Solaris 2 распиновка приборной панели. Разъемы блока климат контроля Солярис. Распиновка блока климат контроля Тойота.

Схема климат контроля тойота. Система кондиционирования Тойота Марк 2 GX 90. Схема климат-контроля Королла 100. Toyota Mark 2 jzx100 схемы электрооборудования. Схема управления кондиционером Марк 2 90.

Схема климат контроля тойота. Тойота Камри 40 блок климата схема. Тойота Премио 240 схема подключения климат контроля. Схема климат контроля Toyota Allion. Тойота Камри 40 блок климата схема подключения.

Схема климат контроля тойота. Климат контроль схема Тойота. Марк 2 100 схема климат контроля. Схема подключения климат контроля Crown s170. Электрическая схема Toyota Aristo 147.

Схема климат контроля тойота

Схема климат контроля тойота

Схема климат контроля тойота

Схема климат контроля тойота. Схема электрооборудования Тойота рав 4. Тойота рав 4 2007г электрическая схема. Электросхема аудиосистемы Тойота rav4 2009. Схема стеклоподъемников рав 4 2007.

Схема климат контроля тойота. Распиновка климат контроля jzs171. Прадо 120 разъем блока климат контроля. Схема климат контроля Прадо 120. Распиновка климат контроля Прадо 120.

Схема климат контроля тойота. Система управления двигателем 7a-Fe. Схема ЭБУ 4a-Fe. Эл.схема Toyota Carina at 170. Схема электропроводки Тойота Карина АТ 175.

Схема климат контроля тойота

Схема климат контроля тойота

Схема климат контроля тойота. Схема климат контроля Тойота Камри 40. Схема круиз контроля Тойота Камри. Схема климат контроля Тойота Клюгер. Блок управления климат-контролем Тойота Камри 3.5 схема.

Схема климат контроля тойота. Тойота Ипсум схема электрооборудования. Тойота Ипсум схема электрооборудования 10. Ипсум sxm10 схема электрооборудования. Тойота Ипсум электросхема.

Схема климат контроля тойота

Схема климат контроля тойота. Электросхема Тойота ленд круизер 200. Land Cruiser 200 схема парктроников. Разъемы проводки Toyota Land Cruiser 200. Электросхема Тойота Крузер 200.

Схема климат контроля тойота. Схема круиз контроля Тойота Королла 120. Схема круиз контроля Тойота Королла 150. Схема круиз контроля Тойота Королла 180. Схема подключения электроусилителя Toyota Corolla 120.

Схема климат контроля тойота. Электросхема Тойота Крузер 200. Toyota LC 200 схема подогрева сидений. Электросхема Toyota Land Cruzer 100. Схема электрооборудования ленд Крузер 200.

Схема климат контроля тойота. Toyota rav4 2008 elektroshema. Схема кнопок стеклоподъёмника Toyota rav4 5 поколение. Rav4 Toyota Генератор 2000 схема. Схема электрооборудования rav4 первое поколение.

Схема климат контроля тойота

Схема климат контроля тойота

Схема климат контроля тойота. Электросхема Тойота рав 4 2017 года. Тойота рав 4 электросхема. Тойота рав 4 2007 года электрическая схема. Схема электрическая Toyota rav4.

Схема климат контроля тойота. Схема климат контроля Камри 40. Электросхема климат контроля л200. Схема климат-контроля 28525wa600. Схема климат контроля t32.

Схема климат контроля тойота

Схема климат контроля тойота. Предохранитель климат контроль Камри 50. Климатическая установка Камри 50 схема. Камри 50 сбой системы климат контроля предохранитель. Распиновка датчика co Camry.

Схема климат контроля тойота. Land Cruiser 200 электросхема. Электрическая схема Тойота Прадо 120. Схема электрооборудования ленд Крузер 200. Прадо 150 схема электрооборудования.

Схема климат контроля тойота

Схема климат контроля тойота. Схема климат-контроля Королла 100. Toyota-Kluger 2002 схема. Схема климат контроля t32. Тойота Платц 2000 электросхемы.

Схема климат контроля тойота

Схема климат контроля тойота. Блок транзисторов климат Вектра б. Маркировка энкодера с климата Вектра с 2003. Электрическая схема в салоне отопителя климат-контроля Opel Astra h. Схема платы регулятора оборотов климат контроля Вектра б.

Схема климат контроля тойота

Схема климат контроля тойота. Электрические схемы Toyota rav4 III. Тойота рав 4 2007 года электрическая схема. Toyota rav4 2008 схема электрооборудования. Электросхема Тойота rav4 2002.

Схема климат контроля тойота

Схема климат контроля тойота. Схема климат контроля Тойота Авенсис 2. Схема климат контроля Тойота Камри 40. Электрическая цепь кондиционера Toyota Avensis 2005 год выпуска. Схема климат контроля Toyota Allion.

Схема климат контроля тойота

Схема климат контроля тойота. Toyota Celica 2002 блоки управления схема. Тойота Селика 180 электрическая схема. Схема электропроводки Toyota Celica st182. Схема климат контроля Toyota Sequoia.

Схема климат контроля тойота. Схема управления двигателем 3s-ge Тойота. Тойота Карина электропроводка блок управления. Схема управление двигателем 3s ge. Тойота корона 1994 схема управления отопителем.

Схема климат контроля тойота. Распиновка климат контроля Тойота Камри 40. Схема климат контроля jzx100. Распиновка климат контроля Toyota. Распиновка климат контроля Toyota Camry v50.

Схема климат контроля тойота. Схема кондиционера Mitsubishi Galant 8. Схема климат контроля Mitsubishi ASX RVR. Схема климатконтроля поджерл4. Паджеро 2 схема блока климат-контроля.

Схема климат контроля тойота. Toyota rav4 3 2.2 блок управления. Электросхема Тойота рав 4 2017 года. Электрическая схема ABS Toyota rav4 2. Тойота рав 4 электрическая схема системы кондиционирования.

Схема климат контроля тойота

Схема климат контроля тойота. Схема система климат контроля автомобиля. Блок климат контроля Estima 3. Принципиальная схема климат контроля автомобиля. Схема подключения автомобильного климат контроля.

  • Вперед Пляж с морем и пальмами
  • Назад Гдз по русскому 6 класс ладыженская 2 часть упр 613

Новые страницы

Алекс фитнес мп

Английский язык 6 класс spotlight стр 67

Батарейка duracell basic 6lr61

Бланк адвокатского кабинета образец

Фитнес с goodlooker

Game sport fun

Хакасия санаторий

Игры будущего в казани виды спорта

Картинка с 45 летием мужчине красивые поздравления

Ключ обозначение на схеме

Лечение правожелудочковой сердечной недостаточности

Лоток дкс

Миндаль спорт

Образец сертификата о прохождении обучения

Певец виктор салтыков

Расход топлива outlander

Распиновка разъема уаз

Сетевой город образец

Схема бабушкиного пледа

Siemens sl35

Сколько стоит установить полотенцесушитель в ванной

Скрежет в тормозах

Солнце уже пряталось и на цветущей ржи растянулись вечерние тени запятые

Спортивная травматология и ортопедии москва

Торпедо москва динамо москва

Услуги грузчики

Установка подножки на велосипед

В каком бессоюзном сложном предложении между частями ставится тире синеватые леса темнели по долине

Замена лампочек лада гранта лифтбек

Зимние игры сколько видов спорта

cdn.zecar.ru