Skip to content

Фотогалерея

  • Главная
  • Контакты

Схема honda cr v

Схема honda cr v. Схема стеклоподъемников Honda CR-V rd1. Honda CRV 2 SRS схема. Схема схемы блока управления стеклоподъемниками Хонда Аккорд. Схема панели приборов Honda CR-v2.

Схема honda cr v. Электрическая схема противотуманных фар Honda CRV. Электрическая схема Хонда СРВ 4 поколения. Honda CR-V rd1 электросхема. Схема Honda CR-V rd1.

Схема honda cr v. ABS схема Honda Fit 2003. Схема центрального замка Хонда Цивик 2001г. Honda CR-V Эл.схемы. Хонда CR V 5 схема парктроника.

Схема honda cr v. Схема подогрева сидений Хонды СРВ 2002-2006. Электропитание печки Honda CRV схема. Схемы электропроводки Honda CRV 2006 год. Электрические схемы Honda Legend kb1.

Схема honda cr v. Схема управления двигателем Honda CRV 1997. Хонда СРВ 1999 электросхема. Электрическая схема CRV rd1. Электросхема Honda CRV 5 поколения c 2017 года.

Схема honda cr v. Эл.схема стеклоподъемников Хонда HR-V. Блок управления стеклоподъемниками Honda HR V схема. Схема проводки стеклоподъемников Хонда Аккорд 6. Блок управления стеклоподъёмниками Хонда Аккорд 5 схема.

Схема honda cr v. Схема передней подвески Хонда СРВ 1999г. Чертеж подвески Honda CRV 2008. Подвеска Хонда CR-V 3. Чертёж задней подвески Honda CRV Rd 1.

Схема honda cr v. Хонда Аккорд 2001 г 1.8 схема управления двигателем. Схема электропроводки Хонда Аккорд 5 поколения. Эл.схема Хонда Одиссей 2000г. Электросхема Хонда ЦРВ 4 поколение.

Схема honda cr v. Схема управления стеклоподъемниками Honda CR-V rd1. Реле зажигания на Хонда ЦРВ рд1. Хонда ЦРВ 1 поколения схема электрооборудования. Honda CRV rd1 схема Центральный замок.

Схема honda cr v. Схема электрическая Хонда Иллюзион 2004г. Схема системы MEDG17.9.8. Хонда СРВ 4 дв.2.4 схемы электрические ПТФ... Хонда Иллюзион 2004 3.0 схема предохранителей магнитола.

Схема honda cr v. Хонда схема звукового сигнала. Схема зажигания Хонда СРВ рд1. Реле бензонасоса Хонда СРВ рд1. Электрическая схема Хонда СРВ 4 поколения.

Схема honda cr v. Электрическая схема Honda CRV. Электрическая схема Хонда СРВ 4 поколения. Схема электрооборудования Хонда СРВ рд1. Honda CRV 2.4 электрическая схема.

Схема honda cr v. Электрическая схема Хонда СРВ 4 поколения. Электрическая схема Honda CRV. Хонда ЦРВ схема электрооборудования. Honda CR-V 2 блок управления двигателем схема.

Схема honda cr v. Honda CRV 2.4 электрическая схема. Электрическая схема Хонда СРВ 4 поколения. Электрическая схема Honda CRV. Honda CR-V 3 поколение электросхема.

Схема honda cr v. Схема центрального замка Honda CRV. Honda CRV rd1 схема Центральный замок. Электросхеме Хонда СРВ рд1. Схема зажигания Хонда СРВ рд1.

Схема honda cr v. Хонда СРВ 2008 задняя подвеска. Задняя подвеска Хонда СРВ 2 поколения схема. Задняя подвеска Honda CR-V 2.4 схема. Передняя подвеска Хонда СРВ 2 поколения.

Схема honda cr v. Honda CRV rd1 схема Центральный замок. Электрическая схема CRV rd1. Схема управления центральным замком Honda CR-V. Схема электропроводки Хонда СРВ рд1.

Схема honda cr v. Honda CR-V 3 датчики схема. Honda CRV 2 система отопления салона. Схема климатической установки Хонда СРВ 4. Схема торпеды Honda CR-V 3.

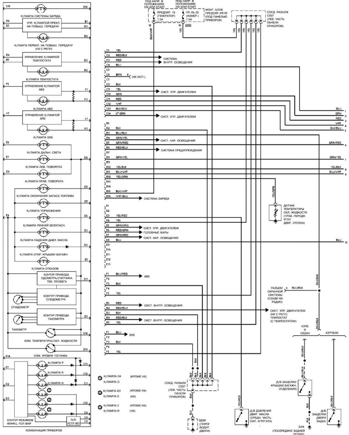
Схема honda cr v. Схема Хонда СРВ 4 поколения. Электросхема Honda CR-V 2013 Г.В.. Хонда СРВ схема электрооборудования. Электросхема приборной панели Хонда СРВ рд1.

Схема honda cr v. Хонда CRV 2004 схема центрального замка. Honda CR V 1997 электросхема стеклоподъемников. Схема проводки Honda CR V rd1. Схема управления двигателем Honda CRV 1997.

Схема honda cr v. Схема приборной панели Honda Accord 6. Распиновка панели приборов Honda Civic es1 2003. Электрическая схема приборной панели Honda Civic 2001 год. Схема панели приборов Honda CR-v2.

Схема honda cr v. Схема трансмиссии Хонда СРВ рд1. Хонда CRV 1998 трансмиссия. Конструкция трансмиссии Honda CRV 1 поколения. Хонда CRV 1998 система полного привода.

Схема honda cr v. Схема электрооборудования Honda HRV. Honda CRV rd1 схема Центральный замок. Электросхема Хонда Аккорд 5. Хонда Одиссей 2000 электросхема.

Схема honda cr v. Схема центрального замка Хонда ЦРВ рд1. Электросхема Хонда СРВ рд1. Кнопка центрального замка Honda CR-V 2002-2006. Электропроводка Honda CR V Rd 1.

Схема honda cr v. Схема Хонда Одиссей 2010 провод Кан. Электросхема Хонда Одиссей 1997 года. Хонда Одиссей 98 электросхема. Схема электрическая Хонда Одиссей ra2.

Схема honda cr v. Электрическая схема Хонда СРВ 4 поколения. Honda CR-V rd1 электросхема. Электропроводка Honda CR V Rd 1. Электросхема охлаждения Honda CRV 3.

Схема honda cr v. Расположение органов управления Honda CRV 1996. Инструкция по эксплуатации Honda CR-V. Honda CR-V 1 поколения схема кузова автомобиля. Схема торпеды Honda CR-V 3.

Схема honda cr v. Система зарядки Хонда ЦРВ 2008 года. Электрическая схема Хонда СРВ 4 поколения. Honda CR-V rd1 электросхема. Honda CRV 2.4 электрическая схема.

Схема honda cr v. Схема электрооборудования Хонда СРВ рд1. Honda CRV 1 реле заднего хода. Сигнал включения заднего хода CR-V 3. Схема сигнала на CR-V.

Схема honda cr v. Электросхемы Хонда СРВ 2. Электросхема Honda CR-V 2013 Г.В.. Электрическая схема Honda CRV. Электрическая схема Хонда СРВ 4 поколения.

Схема honda cr v. Датчик парктроника Honda CRV схема. Honda CRV 2.4 схема запчастей. Honda CR-V 2007-2012 схема сабвуфера. Усилитель антенны Honda CRV 2.

Схема honda cr v. Схема Хонда замини 2022.

Схема honda cr v. Схема управления стеклоподъемниками Honda CR V 3. Honda CR-V Эл.схемы. Схема центрального замка Honda CR-V 2005. Электросхема блока ЭСП Honda CRV rd1.

Схема honda cr v. Электросхема Хонда СРВ рд1. Honda CRV 2 SRS схема. Honda CR-V rd1 электросхема. Электросхемы Honda CR-V 2.

Схема honda cr v. Схема электропроводки Honda CRV rd1. Схема электрооборудования Хонда СРВ рд1. Honda CR-V схема электрооборудования. Honda CRV rd1 схема Центральный замок.

Схема honda cr v. Схема стеклоподъемников Honda CR-V rd1. Хонда стрим 2001 схема центрального замка. Распиновка блока стеклоподъемников Хонда HR-V 2002 5д. Honda CR-V rd1 электросхема.

Схема honda cr v. Электрическая схема Хонда СРВ 4 поколения. Система зарядки Хонда ЦРВ 2008 года. Электрическая схема Honda CRV. Honda HR-V схема электрооборудования.

Схема honda cr v. Электрическая схема Honda CRV. Электросхемы Honda CR-V 2. Электросхемы Honda CR-V 4. Электрическая схема Honda HR V.

Схема honda cr v. Габариты Хонда СРВ 1 поколения. Схема АКПП Хонда ЦРВ 2001. Хонда HR-V 2002 руководство. Honda CR-V 2001.

Схема honda cr v. Схема электропроводки Хонда СРВ рд1. Электрическая схема Honda CRV. Схема электрооборудования Хонда СРВ рд1. Схема зажигания Хонда СРВ рд1.

Схема honda cr v. Хонда CR-V 2000 чертёж. Honda CR-V 2000 чертеж. Схема трансмиссии CR-V 2. Кузов Хонды CRV 2000 схема.

Схема honda cr v. Ширина багажника Honda CR-V 3. Габариты багажника Honda CRV 3. Honda CRV габариты багажника. CR-V 3 габариты.

Схема honda cr v. Схема центрального замка Хонда СРВ рд1. Honda CRV rd1 схема Центральный замок. Схема иммобилайзера Honda CRV Rd 1. Распиновка центрального замка Honda CR-V rd1.

Схема honda cr v. Honda CRV rd1 топливная система. CR V rd1 схема АКПП. Топливная система Хонда СРВ 2 поколения схема. Схема трубок насоса ABS CR-V rd1.

Схема honda cr v. Honda CRV схема электрооборудования. Электросхема Хонда СРВ рд1 2000г. Honda CRV 2.4 электрическая схема. Эл схема Honda CR-V 1998.

Схема honda cr v. Электросхемы Honda CR V rd7. Honda CR-V rd1 электросхема. Honda CR-V схема электрооборудования. Электропроводка схема Honda CRV 3.

Схема honda cr v. Датчики Хонда фит 2002 года расположение. Хонда джаз 2003 датчики расположение. Honda CR-V 3 датчики схема. Расположение датчиков на двигателе Хонда фит 2002 года.

Схема honda cr v

Схема honda cr v. Электросхема Хонда CR-V 2012. Электросхемы люка CRV 1. Схема стеклоподъемников Honda CR-V rd1. Электросхема люка Honda CRV rd1.

Схема honda cr v. Предохранители Honda CR-V 3. Схема предохранители Honda CR-V 2006г. Предохранители Honda CRV 2 схема. Предохранитель на хонду СРВ 3 поколения.

Схема honda cr v. Хонда СРВ 1 передняя подвеска. Передняя подвеска Хонда СРВ 2 поколения. Передняя подвеска Хонда СРВ 2 поколения схема. Передняя подвеска Хонда СРВ 3 2008 года.

Схема honda cr v. Схема подогрев сидений Хонда СРВ 2. Схема подогрева сидений Хонда СРВ 3. Электросхема кондиционера Honda CRV 2 2006г. Схема подогрев сидений Honda Fit.

Схема honda cr v. Honda CRV 1 реле заднего хода. Сигнал включения заднего хода CR-V 3. Схема управление заднего хода Хонда CRV 4. Сигнал включения заднего хода Хонда Цивик.

Схема honda cr v. Схема проводки Honda CR V rd1. Схема электропроводки Honda CR-V rd1. Схема стеклоподъемников Honda CR-V rd1. Схема электрооборудования Хонда СРВ рд1.

Схема honda cr v. Honda CRV схема электрооборудования. Электрическая схема Honda CRV. Электросхемы Honda CR-V 2. Электрическая схема Хонда СРВ 4 поколения.

Схема honda cr v. Honda CR-V 3 2.4 схема деталей. Схема запчастей Honda CR V 4 2013. Каталог запчастей Хонда СРВ 2. Каталог запчастей Хонда CR-V 4.

Схема honda cr v. Honda CR-V 3 схема бампер передний. Детали кузова Хонда СРВ 2 поколения схема. Схема запчастей Honda CR V 2 поколения. Honda CRV 5 схема переднего бампера.

Схема honda cr v. Honda CR-V rd1 электросхема. Электросхема Хонда СРВ рд1. Электросхема Хонда Одиссей ra1. Схема электрооборудования Хонда Одиссей ra6.

Схема honda cr v. Honda Civic 2008 схема свет. Электрическая схема освещения салона Honda CRV Rd 1. Разъем центрального замка Honda Civic 4 d 2008 год. Honda CR-V rd1 электросхема.

Схема honda cr v. Honda CR-V 3 поколение электросхема. Honda CR-V rd1 электросхема. Электросхема Honda CRV 3. Авто Honda CRV 2016a электросхема.

Схема honda cr v. Схема климатконтроля Honda HRV. Схема центрального замка Хонда СРВ рд1. Honda CRV rd1 схема Центральный замок. Хонда СРВ 1999 электросхема.

  • Вперед Могилевский вокзал
  • Назад Гдз по английскому языку 3 класс рабочая тетрадь страница 64 номер 1

Новые страницы

Английский язык рабочая тетрадь 4 класс 1 часть гдз

Блокировка вал рейсинг на ваз

Бордели индия

Гдз по математике 5 класс 2 часть номер 367

Глубиномер для скважины своими руками

Изготовление плинтуса из керамогранита

Как настроить скорость на велосипеде

Как поменять крестовину на рулевом кардане

Карта казахстана и узбекистана с городами на русском

Количественные ограничения экспорта

Кошмар на улице вязов 3 часть

Математика 4 класс упр 302

Математика 5 класс виленкин номер 1651

Не только в день победы

Образец договора инвестиционного займа

Обувь на букву ж

Отдых коктебель достопримечательности

Ответ на протест прокуратуры об устранении нарушений образец

Патрубок радиатора что это

Переходники для пвх труб

Письмо другу по русскому языку 3 класс образец

Постановление о выделении уголовного дела образец

Ремонт и скупка телефонов

Схема honda cr v

Щетки wiper blade отзывы

Современная архитектура японии

Спортшкола липецк

Свойство гомотетии

Тексты с цепной и параллельной связью примеры

В лыжной гонке участвуют 240 спортсменов

cdn.zecar.ru