Skip to content

Фотогалерея

  • Главная
  • Контакты

Схема галант 8

Схема галант 8. Схема бензонасоса Мицубиси Галант 2000 года. Электросхема Митсубиси Галант 8. Mitsubishi Galant 1997 электрическая схема. Мицубиси Галант 6 электросхемы.

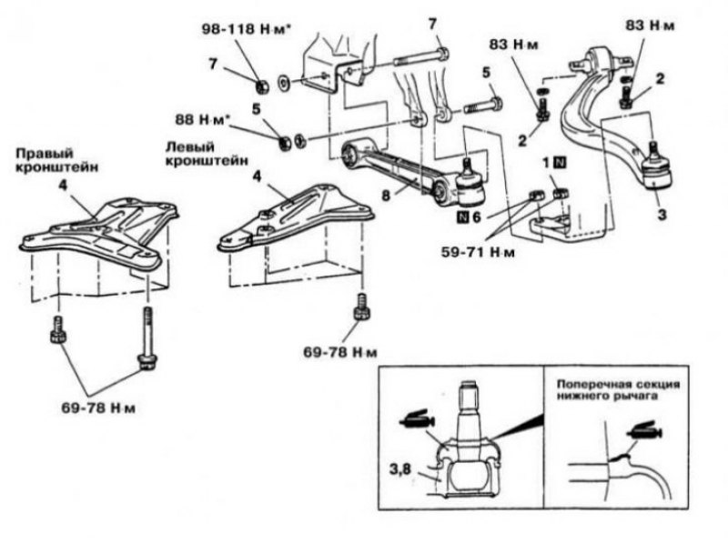
Схема галант 8. Мицубиси Галант 8 схема передней подвески. Схема передней подвески Mitsubishi Galant 8. Mitsubishi Galant передняя подвеска схема. Передняя подвеска на Митсубиси Галант 8 японец.

Схема галант 8. Геометрические данные кузова Mitsubishi Галант 8 USA 2003 года. Контрольные точки кузова Mitsubishi Lancer 10. Геометрические данные кузова Mitsubishi Галант 8 USA. Номер кузова Галант 8.

Схема галант 8. Ширина лонжеронов Митсубиси Галант 8. Митсубиси Галант 8 габариты кузова. Габариты Митсубиси Галант 8. Mitsubishi Galant 8 Размеры кузова.

Схема галант 8. Геометрия кузова Митсубиси л200. Геометрические данные кузова Mitsubishi Галант 8. Контрольные точки Mitsubishi Galant 9. Геометрические данные кузова Mitsubishi Галант 8 USA.

Схема галант 8. Геометрические данные кузова Mitsubishi Галант 8. Геометрические данные кузова Mitsubishi Delica pd8w. Геометрия кузова Mitsubishi Pajero 4. Размер капота Mitsubishi Galant 9.

Схема галант 8. Электрическая схема Митсубиси Галант 2. Схема проводки Мицубиси Галант 6. Электросхема Mitsubishi Galant 1988 год. Электросхема Митсубиси Галант 8.

Схема галант 8. Электросхемы Mitsubishi Galant 8 Европа. Мицубиси Галант 98 схема климат контроля. Мицубиси Галант 8 схема климат контроля. Митсубиси Галант 1990 проводка управление электро зеркалами.

Схема галант 8. Схема электрооборудования Mitsubishi Eclipse 2.4. Схема проводки Mitsubishi Mirage 2000. Схема электрооборудования Мицубиси Мираж 1999 год. Схема проводки Мицубиси Галант 8 американец.

Схема галант 8. Mitsubishi Galant 1997 электрическая схема. Проводка Mitsubishi Galant 8 схема. Схема фара Mitsubishi Galant 8. Проводка круиз-контроль Mitsubishi Galant 2000 год.

Схема галант 8. Mitsubishi Galant 1997 электрическая схема. Схема проводки Мицубиси Галант 6. Схема проводки Mitsubishi Galant. Электрическая схема Мицубиси Галант 8.

Схема галант 8. Lancer 10 габариты. Mitsubishi Lancer Evolution габариты. Габариты Мицубиси Лансер 10 седан. Габариты Митсубиси Лансер 10 седан.

Схема галант 8. Mitsubishi Lancer Evolution чертеж. Mitsubishi Lancer Evolution Blueprint. Mitsubishi Lancer EVO Blueprint. Мицубиси Лансер Эволюшн чертежи.

Схема галант 8. Схема подвеска Мицубиси Галант 8. Схема подвески Митсубиши Галант 8. Схема задней подвески Галант 8. Задняя подвеска Галант 8.

Схема галант 8. Система TCL Mitsubishi Galant. Митсубиси Галант 8 Америка схема торпеды. Раскладка деталей Митсубиси л200. Справочник запчастей Митсубиси Легнум.

Схема галант 8. Геометрия кузова Mitsubishi Galant 8. Контрольные точки кузова Mitsubishi Lancer 10. Геометрия кузова автомобиля Mitsubishi Pajero Sport. Геометрия кузова ВАЗ 2111 универсал.

Схема галант 8. Mitsubishi Galant 7 схема кондиционера. Схема электропроводки Mitsubishi Galant 8. Митсубиси Галант 7 электросхемы. Электрическая схема Митсубиси Галант 8 японец.

Схема галант 8. Схема проводки Mitsubishi Mirage 2000. Схема проводки Митсубиси Эклипс 3. Схема кондиционера Лансер 9. Проводка Mitsubishi Mirage 2000.

Схема галант 8. Mitsubishi Lancer 10 Центральный замок схема. Схема центрального замка Mitsubishi Space Star. Схема центрального замка Мазда 6 gg. Mitsubishi Galant 8 Центральный замок с пультом.

Схема галант 8. Схема стеклоочистителя Галант 2002. Схема замка зажигания Митсубиси Галант 7. Mitsubishi Delica схема центрального замка. Схема зажигания Митсубиси Галант 1998.

Схема галант 8. Мицубиси Галант 8 чертежи. Mitsubishi Galant Blueprint. Mitsubishi Galant 8 чертеж. Mitsubishi Galant 8 габариты.

Схема галант 8. Mitsubishi Galant 1997 электрическая схема. Электросхема Митсубиси Canter 6. Схема электропроводки Mitsubishi Lancer 1999 года. Электросхема Митсубиси Либеро 4g15.

Схема галант 8. Электрическая схема Galant 2.5. 2da Mitsubishi схема. Электрическая схема Галант 8. Схема Митсубиси z8txtgf3whm043345.

Схема галант 8. Схема электрооборудования Мицубиси Мираж 1999 год. Схема электрооборудования Мицубиси Мираж 2001 год. Mitsubishi Galant 1997 электрическая схема. Схема проводки Мицубиси Мираж.

Схема галант 8. Коробка передач Митсубиси Галант схема. Коробка Галант 8 схема. АКПП Митсубиси Галант 2.4 американец схема. Механизм выбора передач Галант 8.

Схема галант 8

Схема галант 8. Геометрия кузова Митсубиси Галант 8 американец. Контрольная точка на схеме. Контрольные точки Соболь. Контрольные точки b50l.

Схема галант 8. Схема предохранителей Mitsubishi Galant 8. Mitsubishi Galant 6 реле блок предохранителей. Распиновка предохранителей Митсубиси Галант 8. Схема предохранителей Mitsubishi Galant 8 Япония.

Схема галант 8. Блок АБС Galant 8 схема. Митсубиси Галант 2000 диагностический разъем. Схема электрическая люк Галант 2008 года. Схема подключения люка Митсубиси Галант 8.

Схема галант 8. Hyundai Sonata 2006 габариты. Hyundai Sonata ТАГАЗ габариты. Hyundai Sonata NF габариты. Габариты Хендай Соната 2008 года.

Схема галант 8. Сайлентблоки задней подвески Мицубиси Галант 9. Галант задняя подвеска 2002. Сайлентблоки задней подвески Митсубиси Галант 8 европеец. Мицубиси Галант 8 сайлентблоки задней подвески.

Схема галант 8. Схема указателей поворота Митсубиси Галант 2003 год Америка. Етакс Галант 8. Разъемы в ногах Outlander 3 ETACS схема.

Схема галант 8. Геометрические данные кузова Mitsubishi Галант 8. Галант 8 контрольные точки кузова. Геометрические данные кузова Mitsubishi Галант 8 USA. Контрольные точки Mitsubishi Galant 9.

Схема галант 8. Mitsubishi Galant 1997 электрическая схема. Мицубиси Галант 4g63 схема управления двигателем. Электрическая схема Митсубиси Галант 2. Электрическая схема Мицубиси Галант 8.

Схема галант 8. Mitsubishi Galant передняя подвеска схема. Схема передней подвески Mitsubishi Galant 8. Передняя подвеска Mitsubishi Galant 8 схема. Передняя подвеска Galant 8 схема.

Схема галант 8. Mitsubishi Galant 1997 электрическая схема. Электрическая схема Мицубиси Галант 8. Блок управления форсунками Mitsubishi Galant 4g94. Блок управления ДВС схема Mitsubishi Galant.

Схема галант 8. Mitsubishi электрическая схема противотуманных фар. Электрическая схема Митсубиси Галант 7. Схема фара Mitsubishi Galant 8. Схема Ближний свет Мицубиси Галант 6.

Схема галант 8. Схема фара Mitsubishi Galant 8. Схема стоп сигналов Галант 7. Схема подключения противотуманных фар на Мицубиси Галант 8. Митсубиси Галант схема зажигания.

Схема галант 8. Электрическая схема Мицубиси Галант 8. Блок управления ДВС схема Mitsubishi Galant. Схема проводки Мицубиси Галант 6. Электрическая схема Митсубиси Галант 2.

Схема галант 8. Схема предохранителей Mitsubishi Galant 8. Mitsubishi Galant 9 схема предохранителей. Блок предохранитель Mitsubishi Galant 6. Блок предохранителей Митсубиси Галант 8 американец.

Схема галант 8. Электрическая схема Мицубиси Галант 8. Mitsubishi Space Runner 1992 схема управления. Мицубиси Галант 6 электросхемы. Схема электрооборудования Mitsubishi Eclipse 2.4.

Схема галант 8. Схема кондиционера Mitsubishi Galant 8. Схема проводки Мицубиси Галант 6. Электрическая схема Мицубиси Галант 8. Схема электропроводки Галант 8g.

Схема галант 8

Схема галант 8. Галант 8 контрольные точки кузова. Геометрия кузова Mitsubishi Galant 8. Mitsubishi Galant 9 габариты. Митсубиси Галант 9 схема днища.

Схема галант 8. Геометрия кузова Mitsubishi Galant 8. Контрольные точки моторного отсека Nissan Liberty 1998. Геометрия кузова Mitsubishi Pajero io. Контрольные точки Ровер 800.

Схема галант 8. Эл схема центрального замка Митсубиси Галант 8. Митсубиси Галант 1990 схема электрическая. Электрическая схема Galant 1992. Схема соединений электропроводки Mitsubishi Galant 1994 японец.

Схема галант 8. Mitsubishi Galant 1997 электрическая схема. Электросхемы Лексус LS 250. Мицубиси Галант 6 электросхемы. Электрическая схема Мицубиси Галант 8.

Схема галант 8. Схема звукового сигнала Паджеро 3. Схема подключения сигнала на Митсубиси Галант 8. Звуковой сигнал Галант 8. Реле на звуковой сигнал Митсубиси Галант 8 4g94.

Схема галант 8. Электрическая схема Митсубиси Галант 2. Электрическая схема Мицубиси Галант 6. Электросхема Галант 6. Эл схема управления двигателем Митсубиси Галант 1990.

Схема галант 8. Карта контрольных точек кузова ВАЗ 2109. Контрольные точки кузова ВАЗ 2109. Геометрия кузова ВАЗ 2108. Геометрия и контрольные точки ВАЗ 2109.

Схема галант 8. Схема проводки Мицубиси Галант 6. Схема электропроводки Mitsubishi Galant 8. Электрическая схема Митсубиси Галант 8 японец. Митсубиси Галант 9 схема электрооборудования.

Схема галант 8. Схема проводов климат контроля Галант 8. Galant 8 схема типтроника. Точки подключения сигнализации Мицубиси Кольт 2006. Компрессор Галант 8 схема.

Схема галант 8. Mitsubishi Lancer Evolution 2005 чертежи. Mitsubishi Lancer Evolution чертеж. Mitsubishi Lancer Evolution 4 габариты. Mitsubishi EVO 9 чертеж.

Схема галант 8. Электросхема звукового сигнала Митсубиси Галант 8 2000. Электросхемы Mitsubishi Galant 8 Европа. Электросхема Митсубиси Canter 6. Эл схема центрального замка Митсубиси Галант 8.

Схема галант 8

Схема галант 8. Схема проводки Mitsubishi Mirage 2000. Схема спидометра Галант 8 американец. Mitsubishi Diamante схема сбоку. Митсубиси Диамант электросхема.

Схема галант 8. Система гидроусилителя Митсубиси Галант 8. Схема гидроусилителя руля Митсубиси Галант. Тормозная система Галант 9. Галант 8 ГУР схема.

Схема галант 8. Схема кнопки стеклоподъемника Мицубиси Кантер. Блок управления стеклоподъемниками Mitsubishi Canter схема. Митсубиси Галант 1990 схема электрическая. Электросхема стеклоподъемников для Mitsubishi Eclipse 1993.

Схема галант 8. Блок предохранителей Mitsubishi Galant 8. Схема предохранителей Mitsubishi Galant 8. Митсубиси Галант 8 американец предохранитель печки. Предохранители Митсубиси Галант 8 4g63.

Схема галант 8. Mitsubishi Galant Blueprint. Mitsubishi Galant 8 Blueprint. Mitsubishi Galant GTO чертежи. Mitsubishi Galant 8 чертеж.

Схема галант 8. Электрическая схема Мицубиси Галант 8. Схема панели приборов Mitsubishi Galant 2000. Mitsubishi Galant 1997 электрическая схема. Схема проводки Мицубиси Галант 8 американец.

Схема галант 8. Honda Torneo чертеж. Honda Accord 4 габариты. Honda Civic 4 поколение чертежи. Honda Civic чертеж.

Схема галант 8. Электрическая схема Митсубиси Галант 2. Mitsubishi Galant 1997 электрическая схема. Схема проводки Митсубиси Кантер. Мицубиси Галант 6 электросхемы.

Схема галант 8. Mitsubishi Lancer Evolution чертеж. Mitsubishi Lancer чертеж. Чертеж Mitsubishi Lancer Evolution x 2007. Mitsubishi Lancer Evolution 10 чертеж.

Схема галант 8. Mitsubishi Galant схема передней подвески. Схема подвески Митсубиси Галант 8. Мицубиси Галант 8 схема передней подвески. Рычаги передней подвески Митсубиси Галант.

Схема галант 8. Mitsubishi Galant схема передней подвески. Мицубиси Галант 9 схема подвески. Задняя подвеска Галант 9 схема. Мицубиси Галант 8 2,5 рычаг схема.

Схема галант 8. Mitsubishi Galant 8 чертеж. Митсубиси Галант 6 габариты. Чертеж Митсубиси Галант 8. Схема регулировки фар Мицубиси Галант 8.

Схема галант 8. Габариты Митсубиси Галант 8. Митсубиси Галант 8 габариты кузова. Mitsubishi Galant габариты. Mitsubishi Galant 2002 габариты.

Схема галант 8. Схема предохранителей Mitsubishi Galant 8. Блок предохранитель Mitsubishi Galant 6. Схема предохранителей Mitsubishi Galant 6. Схема предохранителей на Mitsubishi Galant 4.

Схема галант 8. Схема кондиционера Mitsubishi Galant 8. Схема датчика кондиционера Митсубиси Галант 9. Электросхема Митсубиси Галант 8. Схема подключения генератора Митсубиси Галант.

Схема галант 8. Мицубиси Галант 6 Электрооборудование. Схема зажигания Галант 7. Эл схема центрального замка Митсубиси Галант 8. Митсубиси Галант 1990 схема электрическая.

Схема галант 8. Галант схема генератора. Схема подключения стартера Митсубиси Галант 2002. Система зажигания Мицубиси Галант 1994 года. Схема подключения генератора Митсубиси Галант.

Схема галант 8. Схема подключения магнитофона Митсубиси Галант 8. Штатная магнитола Мицубиси Галант 9 схема. Привод Mitsubishi Galant 8 USA схема. Схема электропривода антенны Паджеро спорт 2003.

Схема галант 8. Схема проводки Митсубиси Галант 8 американец 2.4 АКПП. Митсубиси Галант 7 электросхемы. Схема электрооборудования Mitsubishi Eclipse 2.4. Схема проводки Галант 8 американец 2.4 АКПП.

Схема галант 8

Схема галант 8. Электрическая схема Мицубиси Галант 8. Схема фара Mitsubishi Galant 8. Схема Ближний свет Мицубиси Галант 6. Электрическая схема Митсубиси Галант 2.

Схема галант 8. Mitsubishi Galant 7 схема электропроводки. Mitsubishi Galant 1997 электрическая схема. Схема электропроводки Галант 8 американец. Галант 5 схема электрическая.

Схема галант 8. Габариты Митсубиси Галант 8. Mitsubishi Galant 8 габариты. Мицубиси Галант габариты. Чертежи Mitsubishi Galant.

Схема галант 8

Схема галант 8. Mitsubishi Lancer Evolution 6 чертеж. Mitsubishi Lancer Evolution 10 чертеж. Mitsubishi Lancer EVO 5 Blueprint. Mitsubishi Lancer 6 чертеж.

Схема галант 8. Задняя подвеска Митсубиси Галант 8 американец. Митсубиси Галант задняя подвеска схема. Задняя подвеска Мицубиси Галант 8. Задняя подвеска Mitsubishi Galant 8.

Схема галант 8. Mitsubishi Lancer 1995 Blueprint. Митсубиси Галант габариты. Mitsubishi Galant 8 чертеж. Mitsubishi Lancer Evolution 6 чертеж.

Схема галант 8. Схема проводки Мицубиси Галант 6. Схема электрооборудования Мицубиси Мираж 1999 год. Электрическая схема Mitsubishi RVR 1993. Электрическая схема Мицубиси Галант 8.

Схема галант 8. Схема бензонасоса Галант 8. Система зажигания Mitsubishi Galant 8. Генератор на Галант 7 схема. Галант 6 VR 4 схема привода полного.

Схема галант 8

  • Вперед Похоронные услуги зеленоград
  • Назад Амза отель абхазия

Новые страницы

Аутотренинг для женщин

Бриф на разработку сайта образец

Экспозиционная терапия

Гдз 6 класс русский язык баранов ладыженская тростенцова ладыженская григорян

Гдз по математике 3 класс стр 49 номер 1

Гдз по русскому языку страница 99 упражнение 202 4 класс

Гдз русский 6 класс упр 508

Герберт уэллс война миров

Интурист отель москва

Клуб оранж новороссийск

Консоль улучшения транспорта subnautica где найти чертеж

Mac97a6 симистор схема включения

На что влияет датчик детонации ваз 2110

На приведенном рисунке изображена схема строения электронных

Надо ли платить налог с продажи квартиры

Обнинск летуаль

Печать лаборатории образец

Подключение магнитолы к сигнализации

Полки своими руками чертежи и схемы

При рассмотрении содержания понятия наука осуществляется подходы

Приспособления алоэ

С днем рождения олеся николаевна картинки

Шатунов в мюнхене

Схема галант 8

Синтаксический разбор с причастным оборотом 7 класс

Спортивная девушка на аву

Трицепс тренировка для мужчин

У человека ген длинных ресниц доминирует над геном коротких ресниц женщина с длинными ресницами

Услуги газели 6 метров

Вакансии на неполный рабочий

cdn.zecar.ru